Аналитическая модель
В данном исследовании для оценки сопротивления болтов (на срез и растяжение) и сопротивления пластин (по смятию и продавливанию) приняты расчетные критерии, указанные в EN 1993-1-8:2006 (2), с использованием предельных состояний, приведенных в Таблице 3.4.
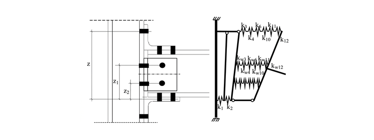
Расчетное сопротивление эквивалентного Т-образного элемента определяется независимо для торцевой пластины и элементов полки колонны. Для каждого элемента определяющим является расчетное сопротивление FT,Rd, принимаемое как минимальное значение, полученное по трем возможным механизмам разрушения.
Индивидуальное сопротивление для каждого случая рассчитывается на основе пластической несущей способности полки по моменту (Mpl,1Rd и Mpl,2,Rd) и сопротивления на растяжение группы болтов (∑Ft,Rd). Эти случаи учитывают полное текучее состояние полки (Случай 1), разрушение болтов в сочетании с текучестью полки (Случай 2) и чистое разрушение болтов (Случай 3).
- Случаи разрушения:
- Моменты пластического сопротивления:
Введение Еврокода 3 (2) ознаменовало собой значительный шаг вперед в строительной механике, установив первую всеобъемлющую нормативную основу, специально посвященную расчету соединений. Часто упоминаемый как основополагающий нормативный документ для современных кодов проектирования стальных конструкций по предельным состояниям, его положения — в частности, ранее изложенные в Приложении J (ныне интегрированные в EN 1993-1-8) — предоставляют аналитические методики (2) для узлов в каркасах зданий при преимущественно статическом нагружении, с акцентом на соединения балки с колонной.
Методика основана на компонентном методе — механической модели, идеализирующей соединение как совокупность отдельных функциональных компонентов. Каждый компонент характеризуется эквивалентной упругой пружиной, определяемой его собственной поступательной жесткостью и расчетным сопротивлением (3). Путем рационального объединения этих пружин последовательно и параллельно в зависимости от топологии узла можно точно определить общую вращательную жесткость и несущую способность соединения по моменту.
- Начальная жесткость соединения определяется по формуле:
|
E |
Модуль упругости |
|
z |
Плечо рычага |
|
ki |
Коэффициент жёсткости i-ого компонента |
|
n |
количество основных компонентов соединения |
Чтобы обеспечить достаточную пластическую способность поворота, толщины торцевой пластины и уголковых накладок были определены в соответствии с верхним пределом диапазона, предписанным EN 1993-1-8 (2). Такой выбор обеспечивает достаточно пластичное поведение соединения для предполагаемого конструктивного анализа.
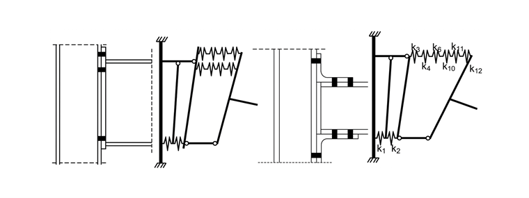
Геометрические параметры соединения балки с колонной
В данном исследовании использовались сварные двутавровые сечения из нержавеющей стали — а именно I 240 x 120 x 12 x 10 — как для балки, так и для колонны. Размеры поперечного сечения включали общую высоту (h) 240 мм, ширину полки (b) 120 мм, толщину полки (tf) 12 мм и толщину стенки (tw) 10 мм. Для оценки типичного конструктивного поведения были рассмотрены четыре широко применяемые схемы соединений: соединения с удлиненной торцевой пластиной (EEP), соединения с заподлицо расположенной торцевой пластиной (FEP), соединения с верхними и опорными уголковыми накладками (TSAC) и соединения с верхними, опорными и двойными стеновыми уголковыми накладками (TSWAC).
Геометрические схемы четырех исследованных типов соединений показаны на рис. [4] и в таблице 1. Во всех образцах крепежные элементы представляли собой полностью резьбовые болты из нержавеющей стали M16 класса A4-80 (эквивалент класса 8.8 углеродистой стали), установленные в отверстия с зазором диаметром 18 мм. Для конфигураций TSAC и TSWAC верхние и опорные уголковые накладки имели одинаковую геометрию, включая пространственное расположение отверстий под болты.
- Таблица 1: Геометрическая схема испытанных образцов (2)
| Specimens | tc | tp | ta | p1 | p2 | e1 | e2 | L1 | L2 |
|---|---|---|---|---|---|---|---|---|---|
| FEP | 12 | 8 | - | 65 | 65 | 25 | - | - | - |
| EEP | 12 | 8 | - | 110 | 100 | 25 | - | - | - |
| TSAC-8 | 12 | - | 8 | 0 | 0 | 35 | - | 100 | - |
| TSAC-10 | 12 | - | 10 | 0 | 0 | 25 | - | 100 | - |
| TSWAC-8 | 12 | - | 8 | 0 | 0 | 35 | 25 | 100 | 55 |
| TSWAC-10 | 12 | - | 10 | 0 | 0 | 25 | 25 | 100 | 60 |
- Таблица 2: Свойства материалов (1)
| Specimens | E | σ0.2 | σ1.0 | σu | ε f |
|---|---|---|---|---|---|
| (N/mm2) | (N/mm2) | (N/mm2) | (N/mm2) | % | |
| I-240 × 120 × 12 × 10 - flange | 196,500 | 248 | 306 | 630 | 66 |
| I-240 × 120 × 12 × 10 - web | 205,700 | 263 | 320 | 651 | 65 |
| Angle cleat (8 mm) | 197,600 | 280 | 344 | 654 | 55 |
| Angle cleat (10 mm) | 192,800 | 289 | 353.5 | 656 | 56 |
| End plate | 198,000 | 282 | 343 | 655 | 54 |
| M16 bolt (A4-80) | 191,500 | 617 | 703 | 805 | 12 |
Обсуждение
Стальные соединения для решения RFEM
С применением надстройки Steel Joints на основе МКЭ для RFEM 6 процесс проектирования соединений был полностью интегрирован в основную расчетную модель. За счет объединения входных параметров и анализа результатов в среде RFEM удалось существенно повысить как прозрачность, так и эффективность проектирования.
Во всех исследованных образцах предельная прочность и способность узлов к повороту определялись разрушением болтов. Благодаря высокой пластичности и выраженным характеристикам упрочнения при деформации, присущим элементам из нержавеющей стали, кривая моментной сопротивляемости имела непрерывно возрастающую ветвь с увеличением деформации до достижения предела по растяжению или срезу крепежных элементов. Примечательно, что хотя само разрушение болта по своей природе было хрупким, системная реакция соединений оставалась преимущественно пластичной. Это поведение обусловлено тем, что разрушению болтов предшествовали значительные неупругие деформации и текучесть в других элементах соединения, а именно в торцевых пластинах и уголковых накладках полки/стенки. На рис. 5&6 и в таблицах 3&4 приведено сравнение моментной несущей способности и жесткости — эксперимент, ROFEM, Steel Joints in RFEM и EC 3. В таблице 5 показаны механизмы разрушения.
- Таблица 3: Сравнение моментной несущей способности — эксперимент, ROFEM, Steel Joints in RFEM и EC3
| Specimens | Experiment | ROFEM | Steel Joints in RFEM | EC-3 | EC3/CBFEM |
|---|---|---|---|---|---|
| FEP | 40 | 40.5 | 40.5 | 18.6 | 0.46 |
| EEP | 42 | 43.8 | 45.23 | 27.2 | 0.60 |
| TSAC-8 | 12 | 11.7 | 8.37 | 6.6 | 0.79 |
| TSAC-10 | 23 | 21.8 | 13.03 | 11.1 | 0.85 |
| TSWAC-8 | 39 | 41.6 | 25.65 | 19.25 | 0.75 |
| TSWAC-10 | 55 | 53.2 | 27.27 | 30.3 | 1.11 |
- Таблица 4: Сравнение жесткости — эксперимент, ROFEM, Steel Joints in RFEM и EC3
| Specimens | Experiment | ROFEM | Steel Joints in RFEM | EC3 | EC-3/CBFEM |
|---|---|---|---|---|---|
| FEP | 3.91 | 4.00 | 5.00 | 5.74 | 1.15 |
| EEP | 4.46 | 5.20 | 3.30 | 9.36 | 2.84 |
| TSAC-8 | 1.24 | 0.57 | 1.30 | 1.80 | 1.38 |
| TSAC-10 | 1.52 | 1.01 | 2.00 | 2.52 | 1.26 |
| TSWAC-8 | 1.92 | 2.39 | 2.20 | 5.24 | 2.38 |
| TSWAC-10 | 2.77 | 2.88 | 2.70 | 6.14 | 2.27 |
- Таблица 5: Механизмы разрушения
| Specimens | EC-3 | Steel Joints in RFEM | Experiments |
|---|---|---|---|
| FEP | End plate in bending | Bolt failure in tension | Fracture of bolt in tension |
| EEP | End plate in bending | Bolt failure in tension | Bolt failure in tension |
| TSAC-8 | Bending of flange cleat | Bolt failure in tension and shear | Bolt failure in tension and shear |
| TSAC-10 | Bending of flange cleat | Bolt failure in tension and shear | Bolt failure in tension and shear |
| TSWAC-8 | Angle cleat bending | Bolt failure in tension and shear | Bolt failure in tension and shear (flange cleat bolt) |
| TSWAC-10 | Angle cleat bending | Web bolt failure in shear | Bolt failure in shear (top bolt connecting web cleat to beam web) |
Заключение
На основе предварительных экспериментальных данных была оценена применимость положений EN 1993-1-8 к надстройке Steel Joints. В соответствии с предыдущими наблюдениями для аналогов из углеродистой стали, расчетная модель жесткости Еврокода, как правило, завышала начальную вращательную жесткость, при этом прогнозы отличались значительным разбросом.
Аналитические модели прочности (TSWAC-10) показали отношение более 1.0 в отношении пластического момента сопротивления как для экспериментальных образцов, так и для численных моделей CBFEM. Была выявлена критическая несоответствие в отношении определяющего механизма разрушения: разрушение неизменно инициировалось отказом болтов, даже в конфигурациях, где Еврокод предсказывал пластичное разрушение T-образного элемента (Случай 1 или 2), характеризующееся образованием пластического шарнира. Хотя T-образные элементы развивали ожидаемые пластические деформации, выраженное упрочнение нержавеющей стали обеспечивало непрерывное увеличение напряжений в зонах текучести.
Литература
- Elflah, M.; Theofanous, M.; Dirar, S.; & Yuan, H.X. (2018). Behaviour of stainless-steel beam-to column joints - part 1: experimental investigation. J. Constr. Steel Res (2018). https://doi.org/10.1016/j.jcsr.2018.02.040 (in press).
- Elflah M.; Theofanous M.; & Dirar S. (2019). Behaviour of Stainless-Steel Beam-to-column Joints – Part 2: Numerical Modelling and Parametric Study. J. Constr. Steel Res. 152(2019), pp. 194-212.
- CEN. (2005). EN 1993-1-8, Eurocode 3: Design of steel Structures – Part 1–8: Design of Joints. British Standards Institution, CEN.
- Weynard K.; Jaspart J.P.; & Steenhuis, M. (1995). The stiffness model of revised Annex J to Eurocode 3, connections in steel structures III: behaviour, strength and design. Paper presented at 3rd International Workshop on Connections in Steel Structures. Trento, Italy.