Analytisches Modell
Diese Studie übernimmt die in EN 1993-1-8:2006 (2) festgelegten Bemessungskriterien zur Bewertung des Schraubenwiderstands (Scherung und Zug) sowie des Plattenwiderstands (Lochleibung und Durchstanzschub), wobei die in Tabelle 3.4 angegebenen Grenzzustandsformulierungen verwendet werden.
Der Bemessungswiderstand des äquivalenten T-Stubs wird für die Endplatten- und die Flanschkomponente der Stütze unabhängig ermittelt. Für jede Komponente ist der maßgebende Bemessungswiderstand FT,Rd als der kleinste Wert aus drei möglichen Versagensmechanismen definiert.
Der einzelne Widerstand für jeden Versagensfall wird auf Grundlage der plastischen Momententragfähigkeit des Flansches (Mpl,1Rd und Mpl,2,Rd) sowie des Zugwiderstands des Schraubengruppenverbandes (∑Ft,Rd) berechnet. Diese Versagensarten berücksichtigen das vollständige Fließen des Flansches (Modus 1), Schraubenversagen in Verbindung mit Fließvorgängen im Flansch (Modus 2) sowie den reinen Schraubenbruch (Modus 3).
- Versagensmodi:
- Plastische Widerstandsmomente:
Mit der Einführung von Eurocode 3 (2) wurde ein bedeutender Fortschritt im Bauingenieurwesen erzielt, da damit erstmals ein umfassender normativer Rahmen speziell für die Bemessung von Verbindungen geschaffen wurde. Seine Bestimmungen – insbesondere die früher in Anhang J enthaltenen und nun in EN 1993-1-8 integrierten – stellen analytische Verfahren (2) für Verbindungen in Gebäuderahmen unter vorwiegend statischer Belastung bereit, mit Schwerpunkt auf der Träger-Stütze-Konfiguration.
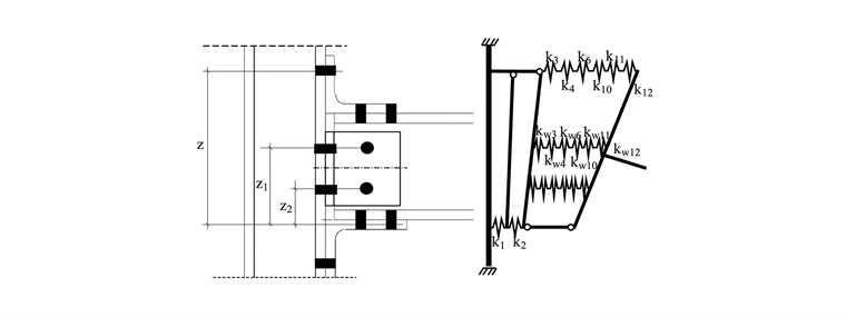
Die Methode basiert auf dem Komponentenverfahren, einem mechanischen Modellansatz, der die Verbindung als Zusammenstellung einzelner funktionaler Komponenten idealisiert. Jede Komponente wird durch eine äquivalente elastische Feder mit ihrer spezifischen translatorischen Steifigkeit und ihrem Bemessungswiderstand charakterisiert (3). Durch das gezielte Zusammensetzen dieser Federn in Reihe und parallel entsprechend der Topologie der Verbindung lassen sich die globale Rotationssteifigkeit und die momententragende Kapazität der Verbindung präzise bestimmen.
- Die Anfangssteifigkeit der Verbindung ergibt sich aus der Formel:
|
E |
Elastizitätsmodul |
|
z |
Hebelarm |
|
ki |
Steifigkeitsbeiwert der i-ten Komponente |
|
n |
Anzahl der grundlegenden Komponenten des Anschlusses |
Um eine ausreichende plastische Rotationsfähigkeit sicherzustellen, wurden die Dicken der Endplatte und der Winkelbleche gemäß dem in EN 1993-1-8 (2) vorgeschriebenen oberen Grenzbereich festgelegt. Diese Auswahl stellt sicher, dass sich das Verbindungsverhalten für die beabsichtigte Strukturanalyse ausreichend duktil verhält.
Geometrische Details der Träger-Stützen-Verbindung
In dieser Studie wurden geschweißte I-Profile aus nichtrostendem Stahl – konkret I 240 x 120 x 12 x 10 – sowohl für den Träger als auch für die Stütze verwendet. Die Querschnittsabmessungen umfassten eine Gesamthöhe (h) von 240 mm, eine Flanschbreite (b) von 120 mm, eine Flanschdicke (tf) von 12 mm und eine Stegdicke (tw) von 10 mm. Zur Untersuchung des typischen Tragverhaltens wurden vier häufig verwendete Verbindungsausführungen betrachtet: Extended Endplate-(EEP)-Verbindungen, Flush Endplate-(FEP)-Verbindungen, Top and Seat Angle Cleat-(TSAC)-Verbindungen sowie Top, Seat, and Double Web Cleat-(TSWAC)-Verbindungen.
Die geometrischen Konfigurationen der vier untersuchten Verbindungstypen sind in Abbildung [4] und Tabelle 1 dargestellt. In allen Probekörpern bestanden die Verbindungsmittel aus vollgewindigen M16-Edelstahlschrauben der Güte A4-80 (entspricht Stahlgüte 8.8), die in 18 mm großen Schraubenlöchern eingebaut wurden. Sowohl bei den TSAC- als auch bei den TSWAC-Konfigurationen waren die oberen und unteren Winkelbleche geometrisch identisch, einschließlich der räumlichen Anordnung der Schraubenlöcher.
- Tabelle 1: Geometrische Konfiguration der geprüften Probekörper (2)
| Probekörper | tc | tp | ta | p1 | p2 | e1 | e2 | L1 | L2 |
|---|---|---|---|---|---|---|---|---|---|
| FEP | 12 | 8 | - | 65 | 65 | 25 | - | - | - |
| EEP | 12 | 8 | - | 110 | 100 | 25 | - | - | - |
| TSAC-8 | 12 | - | 8 | 0 | 0 | 35 | - | 100 | - |
| TSAC-10 | 12 | - | 10 | 0 | 0 | 25 | - | 100 | - |
| TSWAC-8 | 12 | - | 8 | 0 | 0 | 35 | 25 | 100 | 55 |
| TSWAC-10 | 12 | - | 10 | 0 | 0 | 25 | 25 | 100 | 60 |
- Tabelle 2: Materialeigenschaften (1)
| Probekörper | E | σ0.2 | σ1.0 | σu | ε f |
|---|---|---|---|---|---|
| (N/mm2) | (N/mm2) | (N/mm2) | (N/mm2) | % | |
| I-240 × 120 × 12 × 10 - Flansch | 196,500 | 248 | 306 | 630 | 66 |
| I-240 × 120 × 12 × 10 - Steg | 205,700 | 263 | 320 | 651 | 65 |
| Winkelblech (8 mm) | 197,600 | 280 | 344 | 654 | 55 |
| Winkelblech (10 mm) | 192,800 | 289 | 353.5 | 656 | 56 |
| Endplatte | 198,000 | 282 | 343 | 655 | 54 |
| M16-Schraube (A4-80) | 191,500 | 617 | 703 | 805 | 12 |
Diskussion
Stahlverbindungen für RFEM-Lösung
Unter Verwendung des FE-basierten Add-ons Stahlverbindungen für RFEM 6 wurde der Verbindungsbemessungsprozess vollständig in das primäre Strukturmodell integriert. Durch die Vereinheitlichung der Eingabeparameter und der Ergebnisauswertung innerhalb der RFEM-Umgebung wurden sowohl Transparenz als auch Bemessungseffizienz deutlich verbessert.
Bei allen untersuchten Probekörpern wurden die Tragfähigkeit und die Rotationsfähigkeit der Verbindungen durch Schraubenbruch bestimmt. Aufgrund der hohen Duktilität und der ausgeprägten Verfestigungseigenschaften der nichtrostenden Stahlkomponenten zeigte der Momentenwiderstand bis zum Erreichen der Zug- oder Schergrenze der Verbindungsmittel einen kontinuierlich ansteigenden Verlauf mit zunehmender Verformung. Bemerkenswert ist, dass das Schraubenversagen zwar an sich spröde war, das Systemverhalten der Verbindungen jedoch überwiegend duktil blieb. Dieses Verhalten ist darauf zurückzuführen, dass dem Schraubenbruch umfangreiche inelastische Verformungen und Fließvorgänge in den übrigen Verbindungselementen, insbesondere den Endplatten und den Flansch-/Steg-Winkelblechen, vorausgingen. Abb. 5&6 und Tabelle 3&4 zeigen den Vergleich von Momentenwiderstand und Steifigkeit – Experiment, ROFEM, Stahlverbindungen in RFEM und EC 3. Tabelle 5 zeigt die Versagensarten.
- Tabelle 3: Vergleich des Momentenwiderstands – Experiment, ROFEM, Stahlverbindungen in RFEM und EC3
| Probekörper | Experiment | ROFEM | Stahlverbindungen in RFEM | EC-3 | EC3/CBFEM |
|---|---|---|---|---|---|
| FEP | 40 | 40.5 | 40.5 | 18.6 | 0.46 |
| EEP | 42 | 43.8 | 45.23 | 27.2 | 0.60 |
| TSAC-8 | 12 | 11.7 | 8.37 | 6.6 | 0.79 |
| TSAC-10 | 23 | 21.8 | 13.03 | 11.1 | 0.85 |
| TSWAC-8 | 39 | 41.6 | 25.65 | 19.25 | 0.75 |
| TSWAC-10 | 55 | 53.2 | 27.27 | 30.3 | 1.11 |
- Tabelle 4: Vergleich der Steifigkeit – Experiment, ROFEM, Stahlverbindungen in RFEM und EC3
| Probekörper | Experiment | ROFEM | Stahlverbindungen in RFEM | EC3 | EC-3/CBFEM |
|---|---|---|---|---|---|
| FEP | 3.91 | 4.00 | 5.00 | 5.74 | 1.15 |
| EEP | 4.46 | 5.20 | 3.30 | 9.36 | 2.84 |
| TSAC-8 | 1.24 | 0.57 | 1.30 | 1.80 | 1.38 |
| TSAC-10 | 1.52 | 1.01 | 2.00 | 2.52 | 1.26 |
| TSWAC-8 | 1.92 | 2.39 | 2.20 | 5.24 | 2.38 |
| TSWAC-10 | 2.77 | 2.88 | 2.70 | 6.14 | 2.27 |
- Tabelle 5: Versagensarten
| Probekörper | EC-3 | Stahlverbindungen in RFEM | Versuche |
|---|---|---|---|
| FEP | Endplatte im Biegeversagen | Schraubenversagen im Zug | Schraubenbruch im Zug |
| EEP | Endplatte im Biegeversagen | Schraubenversagen im Zug | Schraubenversagen im Zug |
| TSAC-8 | Biegen des Flanschwinkelblechs | Schraubenversagen im Zug und Scherung | Schraubenversagen im Zug und Scherung |
| TSAC-10 | Biegen des Flanschwinkelblechs | Schraubenversagen im Zug und Scherung | Schraubenversagen im Zug und Scherung |
| TSWAC-8 | Biegen des Winkelblechs | Schraubenversagen im Zug und Scherung | Schraubenversagen im Zug und Scherung (Schraube des Flanschwinkelblechs) |
| TSWAC-10 | Biegen des Winkelblechs | Schraubenversagen des Stegs in Scherung | Schraubenversagen in Scherung (obere Schraube, die das Stegwinkelblech mit dem Trägersteg verbindet) |
Fazit
Auf Grundlage vorläufiger experimenteller Daten wurde die Anwendbarkeit der Bestimmungen von EN 1993-1-8 auf das Add-on Stahlverbindungen bewertet. Entsprechend früheren Beobachtungen bei Gegenstücken aus Baustahl neigte das Eurocode-Steifigkeitsmodell dazu, die Anfangsrotationssteifigkeit zu überschätzen, wobei die Vorhersagen eine erhebliche Streuung aufwiesen.
Die analytischen Tragfähigkeitsmodelle (TSWAC-10) zeigten ein Verhältnis von mehr als 1,0 bezüglich des plastischen Momentenwiderstands sowohl der experimentellen Probekörper als auch der CBFEM-Simulationen. Eine kritische Abweichung wurde hinsichtlich der maßgebenden Versagensart festgestellt: Der Bruch wurde stets durch Schraubenversagen ausgelöst, selbst in Konfigurationen, in denen der Eurocode ein duktiles T-Stub-Versagen (Modus 1 oder 2) mit Bildung eines plastischen Gelenks prognostizierte. Während die T-Stubs die erwarteten plastischen Verformungen entwickelten, ermöglichte die ausgeprägte Verfestigung des nichtrostenden Stahls einen kontinuierlichen Spannungsanstieg in den plastifizierten Bereichen.
Literaturverzeichnis
- Elflah, M.; Theofanous, M.; Dirar, S.; & Yuan, H.X. (2018). Verhalten von Träger-Stützen-Verbindungen aus nichtrostendem Stahl - Teil 1: experimentelle Untersuchung. J. Constr. Steel Res (2018). https://doi.org/10.1016/j.jcsr.2018.02.040 (im Druck).
- Elflah M.; Theofanous M.; & Dirar S. (2019). Verhalten von Träger-Stützen-Verbindungen aus nichtrostendem Stahl – Teil 2: Numerische Modellierung und parametriche Studie. J. Constr. Steel Res. 152(2019), S. 194-212.
- CEN. (2005). EN 1993-1-8, Eurocode 3: Bemessung und Konstruktion von Stahlbauten – Teil 1–8: Bemessung von Anschlüssen. British Standards Institution, CEN.
- Weynard K.; Jaspart J.P.; & Steenhuis, M. (1995). The stiffness model of revised Annex J to Eurocode 3, connections in steel structures III: behaviour, strength and design. Vortrag auf dem 3rd International Workshop on Connections in Steel Structures. Trento, Italien.