Modelo Analítico
Este estudo adota os critérios de dimensionamento especificados na EN 1993-1-8:2006 (2) para avaliar a resistência dos parafusos (corte e tração) e a resistência da chapa (resistência de apoio e ao punçoamento por corte), utilizando as formulações de estado-limite apresentadas na Tabela 3.4.
A resistência de projeto do T-stub equivalente é avaliada independentemente para a chapa de extremidade e para os componentes da mesa do pilar. Para cada componente, a resistência de projeto governante, FT,Rd, é definida como o valor mínimo obtido a partir de três mecanismos potenciais de falha.
A resistência individual para cada modo é calculada com base na capacidade de momento plástico da mesa (Mpl,1Rd e Mpl,2,Rd) e na resistência à tração do grupo de parafusos (∑Ft,Rd). Esses modos consideram o escoamento completo da mesa (Modo 1), a falha dos parafusos associada ao escoamento da mesa (Modo 2) e a ruptura pura dos parafusos (Modo 3).
- Modos de Falha:
- Momentos de Resistência Plástica:
A introdução do Eurocode 3 (2) representou um avanço significativo na engenharia estrutural, estabelecendo o primeiro arcabouço regulatório abrangente especificamente dedicado ao dimensionamento de ligações. Frequentemente citado como a referência seminal para os modernos códigos de dimensionamento em aço com base em estados-limite, suas disposições — especificamente aquelas anteriormente detalhadas no Anexo J (agora integradas na EN 1993-1-8) — fornecem metodologias analíticas (2) para ligações em pórticos de edifícios sob carregamento predominantemente estático, com foco na configuração viga-pilar.
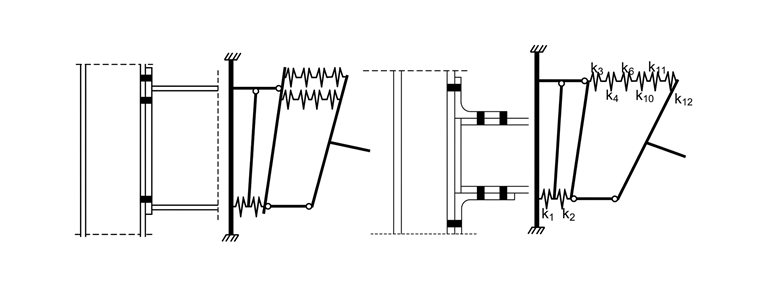
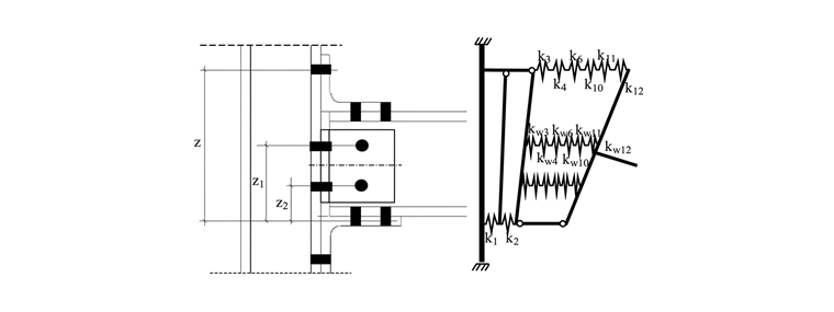
A metodologia centra-se no método dos componentes, uma abordagem de modelagem mecânica que idealiza a ligação como um conjunto de componentes funcionais individuais. Cada componente é caracterizado por uma mola elástica equivalente definida por sua rigidez translacional e resistência de projeto específicas (3). Ao combinar estrategicamente essas molas em série e em paralelo, com base na topologia da ligação, a rigidez rotacional global e a capacidade resistente a momento da ligação podem ser derivadas com precisão.
- A rigidez inicial da ligação é dada pela fórmula:
|
E |
Módulo de elasticidade de Young |
|
z |
Braço de alavanca |
|
ki |
Coeficiente de rigidez do componente ith |
|
n |
Número de componentes de ligação básicos |
Para garantir capacidade adequada de rotação plástica, as espessuras da chapa de extremidade e das cantoneiras de ligação superior e inferior foram determinadas de acordo com a faixa limite superior prescrita pela EN 1993-1-8 (2). Essa escolha assegura que o comportamento da ligação permaneça suficientemente dúctil para a análise estrutural pretendida.
Detalhes Geométricos da Ligação Viga-Pilar
Este estudo utilizou perfis I soldados em aço inoxidável — especificamente, I 240 x 120 x 12 x 10 — tanto para a viga quanto para o pilar. As dimensões da seção transversal consistiam em uma altura total (h) de 240 mm, largura da mesa (b) de 120 mm, espessura da mesa (tf) de 12 mm e espessura da alma (tw) de 10 mm. Para avaliar o comportamento estrutural típico, foram investigadas quatro configurações de ligações comumente empregadas: ligações com chapa de extremidade estendida (EEP), ligações com chapa de extremidade nivelada (FEP), ligações com cantoneiras superior e de assento (TSAC) e ligações com cantoneiras superior, de assento e dupla na alma (TSWAC).
As configurações geométricas dos quatro tipos de ligação investigados são ilustradas na Figura [4] e na Tabela 1. Em todos os espécimes, os fixadores consistiam em parafusos de aço inoxidável M16 classe A4-80 totalmente roscados (equivalentes à classe 8.8 em aço carbono) instalados em furos de folga de 18 mm de diâmetro. Tanto para as configurações TSAC quanto para TSWAC, as cantoneiras superior e de assento eram idênticas em geometria, incluindo a distribuição espacial dos furos dos parafusos.
- Tabela 1: Configuração Geométrica dos Espécimes Testados (2)
| Specimens | tc | tp | ta | p1 | p2 | e1 | e2 | L1 | L2 |
|---|---|---|---|---|---|---|---|---|---|
| FEP | 12 | 8 | - | 65 | 65 | 25 | - | - | - |
| EEP | 12 | 8 | - | 110 | 100 | 25 | - | - | - |
| TSAC-8 | 12 | - | 8 | 0 | 0 | 35 | - | 100 | - |
| TSAC-10 | 12 | - | 10 | 0 | 0 | 25 | - | 100 | - |
| TSWAC-8 | 12 | - | 8 | 0 | 0 | 35 | 25 | 100 | 55 |
| TSWAC-10 | 12 | - | 10 | 0 | 0 | 25 | 25 | 100 | 60 |
- Tabela 2: Propriedades do Material (1)
| Specimens | E | σ0.2 | σ1.0 | σu | ε f |
|---|---|---|---|---|---|
| (N/mm2) | (N/mm2) | (N/mm2) | (N/mm2) | % | |
| I-240 × 120 × 12 × 10 - flange | 196,500 | 248 | 306 | 630 | 66 |
| I-240 × 120 × 12 × 10 - web | 205,700 | 263 | 320 | 651 | 65 |
| Angle cleat (8 mm) | 197,600 | 280 | 344 | 654 | 55 |
| Angle cleat (10 mm) | 192,800 | 289 | 353.5 | 656 | 56 |
| End plate | 198,000 | 282 | 343 | 655 | 54 |
| M16 bolt (A4-80) | 191,500 | 617 | 703 | 805 | 12 |
Discussão
Ligações de Aço para a Solução RFEM
Utilizando o complemento Steel Joints baseado em MEF para o RFEM 6, o processo de dimensionamento da ligação foi totalmente integrado ao modelo estrutural principal. Ao unificar os parâmetros de entrada e a análise de resultados no ambiente RFEM, o fluxo de trabalho obteve ganhos significativos em transparência e eficiência de dimensionamento.
Em todos os espécimes investigados, a resistência última e a capacidade de rotação das ligações foram determinadas pela ruptura dos parafusos. Devido à elevada ductilidade e às acentuadas características de encruamento inerentes aos componentes de aço inoxidável, a resistência ao momento apresentou um ramo ascendente contínuo com o aumento da deformação até que o limite de tração ou de corte dos fixadores fosse alcançado. Notavelmente, embora a falha dos parafusos em si fosse inerentemente frágil, a resposta sistêmica das ligações permaneceu predominantemente dúctil. Esse comportamento se deve ao fato de que a ruptura dos parafusos foi precedida por extensa deformação inelástica e escoamento nos demais elementos da ligação, especificamente nas chapas de extremidade e nas cantoneiras de ligação da mesa/alma. As Fig. 5&6 e as Tabelas 3&4 ilustram a comparação da resistência ao momento e da rigidez – Experimental, ROFEM, Steel Joints no RFEM e EC 3. A Tabela 5 ilustra os modos de falha.
- Tabela 3: Comparação da Resistência ao Momento – Experimental, ROFEM, Steel Joints no RFEM e EC3
| Specimens | Experiment | ROFEM | Steel Joints in RFEM | EC-3 | EC3/CBFEM |
|---|---|---|---|---|---|
| FEP | 40 | 40.5 | 40.5 | 18.6 | 0.46 |
| EEP | 42 | 43.8 | 45.23 | 27.2 | 0.60 |
| TSAC-8 | 12 | 11.7 | 8.37 | 6.6 | 0.79 |
| TSAC-10 | 23 | 21.8 | 13.03 | 11.1 | 0.85 |
| TSWAC-8 | 39 | 41.6 | 25.65 | 19.25 | 0.75 |
| TSWAC-10 | 55 | 53.2 | 27.27 | 30.3 | 1.11 |
- Tabela 4: Comparação da Rigidez – Experimental, ROFEM, Steel Joints no RFEM e EC3
| Specimens | Experiment | ROFEM | Steel Joints in RFEM | EC3 | EC-3/CBFEM |
|---|---|---|---|---|---|
| FEP | 3.91 | 4.00 | 5.00 | 5.74 | 1.15 |
| EEP | 4.46 | 5.20 | 3.30 | 9.36 | 2.84 |
| TSAC-8 | 1.24 | 0.57 | 1.30 | 1.80 | 1.38 |
| TSAC-10 | 1.52 | 1.01 | 2.00 | 2.52 | 1.26 |
| TSWAC-8 | 1.92 | 2.39 | 2.20 | 5.24 | 2.38 |
| TSWAC-10 | 2.77 | 2.88 | 2.70 | 6.14 | 2.27 |
- Tabela 5: Modos de Falha
| Specimens | EC-3 | Steel Joints in RFEM | Experiments |
|---|---|---|---|
| FEP | End plate in bending | Bolt failure in tension | Fracture of bolt in tension |
| EEP | End plate in bending | Bolt failure in tension | Bolt failure in tension |
| TSAC-8 | Bending of flange cleat | Bolt failure in tension and shear | Bolt failure in tension and shear |
| TSAC-10 | Bending of flange cleat | Bolt failure in tension and shear | Bolt failure in tension and shear |
| TSWAC-8 | Angle cleat bending | Bolt failure in tension and shear | Bolt failure in tension and shear (flange cleat bolt) |
| TSWAC-10 | Angle cleat bending | Web bolt failure in shear | Bolt failure in shear (top bolt connecting web cleat to beam web) |
Conclusão
Com base em dados experimentais preliminares, foi avaliada a aplicabilidade das disposições da EN 1993-1-8 ao complemento Steel Joints. Em consonância com observações anteriores para os correspondentes em aço carbono, o modelo de rigidez do Eurocode tendeu a superestimar a rigidez rotacional inicial, com previsões apresentando dispersão significativa.
Os modelos analíticos de resistência (TSWAC-10) apresentaram uma relação superior a 1,0 em relação ao momento plástico resistente tanto para os espécimes experimentais quanto para as simulações CBFEM. Observou-se uma discrepância crítica quanto ao modo de falha governante: a ruptura foi invariavelmente provocada pela falha dos parafusos, mesmo em configurações nas quais o Eurocode previa uma falha dúctil do T-stub (Modo 1 ou 2), caracterizada pela formação de rótula plástica. Embora os T-stubs tenham desenvolvido as deformações plásticas esperadas, o acentuado encruamento do aço inoxidável permitiu um aumento contínuo da tensão nas regiões escoadas.
Referências
- Elflah, M.; Theofanous, M.; Dirar, S.; & Yuan, H.X. (2018). Behaviour of stainless-steel beam-to column joints - part 1: experimental investigation. J. Constr. Steel Res (2018). https://doi.org/10.1016/j.jcsr.2018.02.040 (in press).
- Elflah M.; Theofanous M.; & Dirar S. (2019). Behaviour of Stainless-Steel Beam-to-column Joints – Part 2: Numerical Modelling and Parametric Study. J. Constr. Steel Res. 152(2019), pp. 194-212.
- CEN. (2005). EN 1993-1-8, Eurocode 3: Design of steel Structures – Part 1–8: Design of Joints. British Standards Institution, CEN.
- Weynard K.; Jaspart J.P.; & Steenhuis, M. (1995). The stiffness model of revised Annex J to Eurocode 3, connections in steel structures III: behaviour, strength and design. Paper presented at 3rd International Workshop on Connections in Steel Structures. Trento, Italy.