Analytical Model
This study adopts the design criteria specified in EN 1993-1-8:2006 (2) for evaluating bolt resistance (shear and tension) and plate resistance (bearing and punching shear), utilizing the limit state formulations provided in Table 3.4.
The design resistance of the equivalent T-stub is evaluated independently for the end plate and the column flange components. For each component, the governing design resistance, FT,Rd is defined as the minimum value derived from three potential failure mechanisms.
The individual resistance for each mode is calculated based on the plastic moment capacity of the flange (Mpl,1Rd and Mpl,2,Rd) and the tension resistance of the bolt group(∑Ft,Rd). These modes account for complete flange yielding (Mode 1), bolt failure coupled with flange yielding (Mode 2), and pure bolt fracture (Mode 3).
- Failure Modes:
- Plastic Resistance Moments:
The introduction of Eurocode 3 (2) marked a significant advancement in structural engineering, establishing the first comprehensive regulatory framework specifically dedicated to connection design. Often cited as the seminal reference for modern limit state steel design codes, its provisions—specifically those formerly detailed in Annex J (now integrated into EN 1993-1-8) provide analytical methodologies (2) for joints within building frames under predominantly static loading, with a focus on beam-to-column configuration.
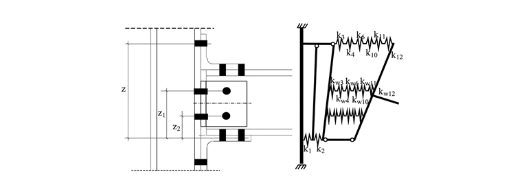
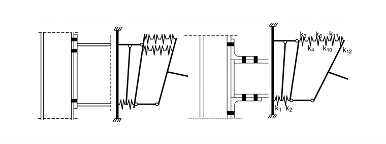
The methodology is centered on the component method, a mechanical modeling approach that idealizes the connection as an assembly of individual functional components. Each component is characterized by an equivalent elastic spring defined by its unique translational stiffness and design resistance (3). By strategically assembling these springs in series and parallel based on the joint’s topology, the global rotational stiffness and moment-resisting capacity of the connection can be accurately derived.
- The initial stiffness of the connection is given by the formula:
|
E |
Young’s modulus |
|
z |
lever arm |
|
ki |
stiffness coefficient of the ith component |
|
n |
number of basic joint components |
To ensure adequate plastic rotation capacity, the end plate and angle cleat thicknesses were determined in accordance with the upper limit range prescribed by EN 1993-1-8 (2). This selection ensures that the connection behavior remains sufficiently ductile for the intended structural analysis.
Geometric Details of Beam-to-Column Connection
This study utilized welded stainless steel I-sections—specifically, I 240 x 120 x 12 x 10—for both the beam and column members. The cross-sectional dimensions consisted of an outer depth (h) of 240 mm, a flange width (b) of 120 mm, a flange thickness (tf) of 12 mm, and a web thickness (tw) of 10 mm. To evaluate typical structural behavior, four commonly employed joint configurations were investigated: Extended Endplate (EEP) connections, Flush Endplate (FEP) connections, Top and Seat Angle Cleat (TSAC) connections, and Top, Seat, and Double Web Cleat (TSWAC) connections.
The geometric configurations of the four investigated connection types are illustrated in Figure [4] and Table 1. In all specimens, the fasteners consisted of fully threaded M16 Grade A4-80 stainless-steel bolts (equivalent to Grade 8.8 carbon steel) installed in 18 mm-diameter clearance holes. For both the TSAC and TSWAC configurations, the top and seat angle cleats were identical in geometry, including the spatial distribution of the bolt holes.
- Table 1: Geometric Configuration of Tested Specimens (2)
| Specimens | tc | tp | ta | p1 | p2 | e1 | e2 | L1 | L2 |
|---|---|---|---|---|---|---|---|---|---|
| FEP | 12 | 8 | - | 65 | 65 | 25 | - | - | - |
| EEP | 12 | 8 | - | 110 | 100 | 25 | - | - | - |
| TSAC-8 | 12 | - | 8 | 0 | 0 | 35 | - | 100 | - |
| TSAC-10 | 12 | - | 10 | 0 | 0 | 25 | - | 100 | - |
| TSWAC-8 | 12 | - | 8 | 0 | 0 | 35 | 25 | 100 | 55 |
| TSWAC-10 | 12 | - | 10 | 0 | 0 | 25 | 25 | 100 | 60 |
- Table 2: Material Properties (1)
| Specimens | E | σ0.2 | σ1.0 | σu | ε f |
|---|---|---|---|---|---|
| (N/mm2) | (N/mm2) | (N/mm2) | (N/mm2) | % | |
| I-240 × 120 × 12 × 10 - flange | 196,500 | 248 | 306 | 630 | 66 |
| I-240 × 120 × 12 × 10 - web | 205,700 | 263 | 320 | 651 | 65 |
| Angle cleat (8 mm) | 197,600 | 280 | 344 | 654 | 55 |
| Angle cleat (10 mm) | 192,800 | 289 | 353.5 | 656 | 56 |
| End plate | 198,000 | 282 | 343 | 655 | 54 |
| M16 bolt (A4-80) | 191,500 | 617 | 703 | 805 | 12 |
Discussion
Steel Joints for RFEM Solution
Utilizing the FE-based Steel Joints add-on for RFEM 6, the connection design process was fully integrated into the primary structural model. By unifying input parameters and result analysis within the RFEM environment, the workflow achieved significant gains in both transparency and design efficiency.
In all the investigated specimens, the ultimate strength and rotation capacity of the joints were determined by bolt fracture. Owing to the high ductility and pronounced strain-hardening characteristics inherent in the stainless-steel components, the moment resistance exhibited a continuous ascending branch with increasing deformation until the tensile or shear limit of the fasteners was reached. Notably, while the bolt failure itself was inherently brittle, the systemic response of the joints remained predominantly ductile. This behavior is attributed to the fact that the bolt rupture was preceded by extensive inelastic deformation and yielding within the other connection elements, specifically the endplates and the flange/web angle cleats. Fig. 5&6 and Table 3&4 illustrate the comparison of moment resistance and stiffness – Experimental, ROFEM, Steel Joints in RFEM to EC 3. Table 5 illustrates the failure modes.
- Table 3: Comparison of Moment Resistance – Experimental, ROFEM, Steel Joints in RFEM and EC3
| Specimens | Experiment | ROFEM | Steel Joints in RFEM | EC-3 | EC3/CBFEM |
|---|---|---|---|---|---|
| FEP | 40 | 40.5 | 40.5 | 18.6 | 0.46 |
| EEP | 42 | 43.8 | 45.23 | 27.2 | 0.60 |
| TSAC-8 | 12 | 11.7 | 8.37 | 6.6 | 0.79 |
| TSAC-10 | 23 | 21.8 | 13.03 | 11.1 | 0.85 |
| TSWAC-8 | 39 | 41.6 | 25.65 | 19.25 | 0.75 |
| TSWAC-10 | 55 | 53.2 | 27.27 | 30.3 | 1.11 |
- Table 4: Comparison of Stiffness – Experimental, ROFEM, Steel Joints in RFEM and EC3
| Specimens | Experiment | ROFEM | Steel Joints in RFEM | EC3 | EC-3/CBFEM |
|---|---|---|---|---|---|
| FEP | 3.91 | 4.00 | 5.00 | 5.74 | 1.15 |
| EEP | 4.46 | 5.20 | 3.30 | 9.36 | 2.84 |
| TSAC-8 | 1.24 | 0.57 | 1.30 | 1.80 | 1.38 |
| TSAC-10 | 1.52 | 1.01 | 2.00 | 2.52 | 1.26 |
| TSWAC-8 | 1.92 | 2.39 | 2.20 | 5.24 | 2.38 |
| TSWAC-10 | 2.77 | 2.88 | 2.70 | 6.14 | 2.27 |
- Table 5: Failure Modes
| Specimens | EC-3 | Steel Joints in RFEM | Experiments |
|---|---|---|---|
| FEP | End plate in bending | Bolt failure in tension | Fracture of bolt in tension |
| EEP | End plate in bending | Bolt failure in tension | Bolt failure in tension |
| TSAC-8 | Bending of flange cleat | Bolt failure in tension and shear | Bolt failure in tension and shear |
| TSAC-10 | Bending of flange cleat | Bolt failure in tension and shear | Bolt failure in tension and shear |
| TSWAC-8 | Angle cleat bending | Bolt failure in tension and shear | Bolt failure in tension and shear (flange cleat bolt) |
| TSWAC-10 | Angle cleat bending | Web bolt failure in shear | Bolt failure in shear (top bolt connecting web cleat to beam web) |
Conclusion
Based on preliminary experimental data, the applicability of the EN 1993-1-8 provisions to the Steel Joints add-on was evaluated. Consistent with previous observations of the carbon steel counterparts, the Eurocode stiffness model tended to overestimate the initial rotational stiffness, with the predictions exhibiting significant scatter.
The analytical strength models (TSWAC-10) exhibited a ratio greater than 1.0 regarding the plastic moment resistance of both the experimental specimens and the CBFEM simulations. A critical discrepancy was observed regarding the governing failure mode: fracture was invariably triggered by bolt failure, even in configurations where the Eurocode predicted a ductile T-stub failure (Mode 1 or 2) characterized by plastic hinge formation. While the T-stubs developed the anticipated plastic deformations, the pronounced strain-hardening of the stainless steel allowed for a continuous increase in stress in the yielded regions.
References
- Elflah, M.; Theofanous, M.; Dirar, S.; & Yuan, H.X. (2018). Behaviour of stainless-steel beam-to column joints - part 1: experimental investigation. J. Constr. Steel Res (2018). https://doi.org/10.1016/j.jcsr.2018.02.040 (in press).
- Elflah M.; Theofanous M.; & Dirar S. (2019). Behaviour of Stainless-Steel Beam-to-column Joints – Part 2: Numerical Modelling and Parametric Study. J. Constr. Steel Res. 152(2019), pp. 194-212.
- CEN. (2005). EN 1993-1-8, Eurocode 3: Design of steel Structures – Part 1–8: Design of Joints. British Standards Institution, CEN.
- Weynard K.; Jaspart J.P.; & Steenhuis, M. (1995). The stiffness model of revised Annex J to Eurocode 3, connections in steel structures III: behaviour, strength and design. Paper presented at 3rd International Workshop on Connections in Steel Structures. Trento, Italy.