Analytický model
Tato studie vychází z kritérií posouzení stanovených v normě EN 1993-1-8:2006 (2) pro posuzování únosnosti šroubů (smyk a tah) a únosnosti desek (smyk a protlačení), přičemž využívá vzorce pro mezní stavy uvedené v tabulce 3.4.
Návrhová únosnost náhradního T-profilu se hodnotí samostatně pro čelní desku a prvky pásnice sloupu. Pro každý prvek je rozhodující návrhová únosnost, FT,Rd, definována jako minimální hodnota odvozená ze tří možných mechanismů porušení.
Jednotlivá únosnost pro každý tvar se počítá na základě plastické momentové únosnosti pásnice (Mpl,1Rd a Mpl,2,Rd) a únosnosti v tahu skupiny šroubů (∑Ft,Rd). Tyto tvary zahrnují úplnou plastizaci pásnice (Tvar 1), porušení šroubu spojenou s plastizací pásnice (Tvar 2) a čisté zlomení šroubu (Tvar 3).
- Tvary porušení:
- Plastický moment únosnosti:
Zavedení Eurokódu 3 (2) znamenalo významný pokrok ve stavebním inženýrství, neboť vytvořilo první komplexní normativní rámec zaměřený výhradně na posouzení spojů. Tento dokument, často uváděný jako zásadní reference pro moderní normy pro posouzení mezního stavu ocelových konstrukcí, obsahuje ustanovení – konkrétně ta, která byla dříve podrobně popsána v příloze J (nyní začleněná do normy EN 1993-1-8) – týkající se analytických metodik (2) pro přípoje v konstrukčních rámcích při převážně statickém zatížení, se zaměřením na konfiguraci nosník-sloup.
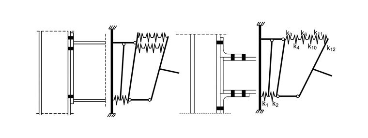
Metodika je založena na metodě komponent, což je přístup k mechanickému modelování, který spoje idealizuje jako sestavu jednotlivých funkčních komponent. Každá komponenta je charakterizována srovnávací elastickou pružinou, kterou definuje její jedinečná translační tuhost a návrhová únosnost (3). Strategickým sestavením těchto pružin do sériových a paralelních řetězců na základě topologie přípoje lze přesně odvodit celkovou rotační tuhost a momentovou únosnost spoje.
- Počáteční tuhost spoje je dána vztahem:
|
E |
Modul pružnosti |
|
z |
Rameno |
|
ki |
Souučinitel tuhosti i-té složky |
|
n |
Počet základních komponent spoje |
Aby byla zajištěna dostatečná rotační kapacita, byly tloušťky čelní desky a úhelníku stanoveny v souladu s maximálními mezními hodnotami stanovenými normou EN 1993-1-8 (2). Tento výběr zaručuje, že chování spoje zůstane dostatečně tvárné pro zamýšlené statické výpočty.
Geometrické detaily spoje nosníku na sloup
V této studii byly pro pruty i sloupy použity svařované nerezové I-profily, konkrétně profil I 240 x 120 x 12 x 10. Rozměry průřezu tvořila vnější hloubka (h) 240 mm, šířka pásnice (b) 120 mm, tloušťka pásnice (tf) 12 mm a tloušťka stojiny (tw) 10 mm. Pro vyhodnocení typického konstrukčního chování byly zkoumány čtyři běžně používané konfigurace spojů: spoje s prodlouženou čelní deskou (EEP), spoje s čelní deskou bez přesahu (FEP), spoje s horním a dolním úhelníkem (TSAC) a spoje s horním, dolním a dvojitým úhelníkem (TSWAC).
Geometrické uspořádání čtyř zkoumaných typů spojů je znázorněno na obrázku [4] a v tabulce 1. U všech zkušebních vzorků se spojovací prostředky skládaly ze šroubů z nerezové oceli třídy A4-80 (odpovídající uhlíkové oceli třídy 8.8) s plným závitem M16, které byly osazeny do průchozích otvorů o průměru 18 mm. U konfigurací TSAC i TSWAC byly horní a spodní úhelníky geometricky identické, včetně prostorového rozložení otvorů pro šrouby.
- Tabulka 1: Geometrická konfigurace zkušebních vzorků (2)
| Vzorky | tc | tp | ta | p1 | p2 | e1 | e2 | L1 | L2 |
|---|---|---|---|---|---|---|---|---|---|
| FEP | 12 | 8 | - | 65 | 65 | 25 | - | - | - |
| EEP | 12 | 8 | - | 110 | 100 | 25 | - | - | - |
| TSAC-8 | 12 | - | 8 | 0 | 0 | 35 | - | 100 | - |
| TSAC-10 | 12 | - | 10 | 0 | 0 | 25 | - | 100 | - |
| TSWAC-8 | 12 | - | 8 | 0 | 0 | 35 | 25 | 100 | 55 |
| TSWAC-10 | 12 | - | 10 | 0 | 0 | 25 | 25 | 100 | 60 |
- Tabulka 2: Materiálové charakteristiky (1)
| Vzorky | E | σ0.2 | σ1.0 | σu | ε f |
|---|---|---|---|---|---|
| (N/mm2) | (N/mm2) | (N/mm2) | (N/mm2) | % | |
| I-240 × 120 × 12 × 10 - pásnice | 196,500 | 248 | 306 | 630 | 66 |
| I-240 × 120 × 12 × 10 - stojina | 205,700 | 263 | 320 | 651 | 65 |
| Úhelník (8 mm) | 197,600 | 280 | 344 | 654 | 55 |
| Úhelník (10 mm) | 192,800 | 289 | 353.5 | 656 | 56 |
| Čelní deska | 198,000 | 282 | 343 | 655 | 54 |
| Šroub M16 (A4-80) | 191,500 | 617 | 703 | 805 | 12 |
Diskuse
Ocelové přípoje pro řešení RFEM
Díky využití addonu „Ocelové přípoje“ pro RFEM 6, založeného na metodě konečných prvků, byl proces posouzení ocelových spojů plně integrován do hlavního konstrukčního modelu. Sjednocením vstupních parametrů a analýzy výsledků v rámci prostředí RFEM došlo v pracovním postupu k výraznému zvýšení přehlednosti i efektivity návrhu.
Ve všech zkoumaných konfiguracích byla mezní pevnost a rotační kapacita přípojů určována zlomením šroubu. Díky vysoké duktilitě a výrazným vlastnostem deformačního zpevnění, které jsou vlastní komponentům z nerezové oceli, vykazovala momentová únosnost při rostoucí deformaci plynule stoupající křivku, a to až do dosažení mezní hodnoty tahové nebo smykové pevnosti spojovacích prostředků. Je třeba poznamenat, že zatímco samotné porušení šroubu bylo ve své podstatě křehké, celková odezva spojů zůstávala převážně duktilní. Toto chování je dáno skutečností, že zlomení šroubu předcházela rozsáhlá neelastická deformace a tečení v ostatních spojovacích prvcích, konkrétně v čelních deskách a úhelnících pásnice/stojiny. Obr. 5 a 6 a tabulky 3 a 4 znázorňují srovnání momentové únosnosti a tuhosti – experimentální, ROFEM, Ocelové přípoje v RFEM a EC3. Tabulka 5 zobrazuje tvary porušení.
- Tabulka 3: Srovnání momentové únosnosti – experimentální, ROFEM, Ocelové přípoje v RFEM a EC3
| Vzorky | Experimentální | ROFEM | Ocelové přípoje v RFEM | EC3 | EC3/CBFEM |
|---|---|---|---|---|---|
| FEP | 40 | 40,5 | 40,5 | 18,6 | 0,46 |
| EEP | 42 | 43,8 | 45,23 | 27,2 | 0.60 |
| TSAC-8 | 12 | 11,7 | 8,37 | 6,6 | 0,79 |
| TSAC-10 | 23 | 21,8 | 13,03 | 11,1 | 0,85 |
| TSWAC-8 | 39 | 41,6 | 25,65 | 19,25 | 0,75 |
| TSWAC-10 | 55 | 53,2 | 27,27 | 30,3 | 1,11 |
- Tabulka 4: Srovnání tuhosti – experimentální, ROFEM, Ocelové přípoje v RFEM a EC3
| Vzorky | Experimentální | ROFEM | Ocelové přípoje v RFEM | EC3 | EC3/CBFEM |
|---|---|---|---|---|---|
| FEP | 3,91 | 4,00 | 5,00 | 5,74 | 1,15 |
| EEP | 4,46 | 5,20 | 3,30 | 9,36 | 2,84 |
| TSAC-8 | 1,24 | 0,57 | 1,30 | 1,80 | 1,38 |
| TSAC-10 | 1,52 | 1,01 | 2,00 | 2,52 | 1,26 |
| TSWAC-8 | 1,92 | 2,39 | 2,20 | 5,24 | 2,38 |
| TSWAC-10 | 2,77 | 2,88 | 2,70 | 6,14 | 2,27 |
- Tabulka 5: Tvary porušení
| Vzorky | EC3 | Ocelové přípoje v RFEM | Experimenty |
|---|---|---|---|
| FEP | Čelní deska v ohybu | Porušení šroubu v tahu | Porušení šroubu v tahu |
| EEP | Čelní deska v ohybu | Porušení šroubu v tahu | Porušení šroubu v tahu |
| TSAC-8 | Ohyb příložky pásnice | Porušení šroubu v tahu a smyku | Porušení šroubu v tahu a smyku |
| TSAC-10 | Ohyb příložky pásnice | Porušení šroubu v tahu a smyku | Porušení šroubu v tahu a smyku |
| TSWAC-8 | Ohyb úhelníku | Porušení šroubu v tahu a smyku | Porušení šroubu v tahu a smyku (šroub příložky pásnice) |
| TSWAC-10 | Ohyb úhelníku | Porušení šroubu stojiny ve smyku | Porušení šroubu ve smyku (horní šroub spojující úhelník se stojinou nosníku) |
Závěr
Na základě předběžných experimentálních údajů byla posouzena použitelnost ustanovení normy EN 1993-1-8 na ocelové přípoje z nerezové oceli. V souladu s předchozími pozorováními u srovnávacích spojů z uhlíkové oceli měl tuhostní model Eurokódu tendenci nadhodnocovat počáteční rotační tuhost, přičemž předpovědi vykazovaly značné rozptýlení.
Analytické modely pevnosti (TSWAC-10) vykazovaly využití větší než 1,0, pokud jde o momentovou únosnost jak experimentálních vzorků, tak simulací CBFEM. Byla pozorována zásadní nesrovnalost v rozhodujícím tvaru porušení: zlomení bylo vždy vyvoláno porušením šroubu, a to i v konfiguracích, kde Eurokód předpovídal duktilní porušení T-profilu (Tvar 1 nebo 2) charakterizované tvorbou plastického kloubu. Zatímco T-profily vykazovaly očekávané plastické deformace, výrazné deformační zpevnění nerezové oceli umožnilo při deformaci postupný nárůst napětí v oblastech, kde došlo k plastickému tečení.
Literatura
- Elflah, M.. Theofanous, M., Dirar, S., Yuan, H.X. Behaviour of stainless-steel beam-to column joints - part 1: experimental investigation. In: J. Constr. Steel Res., 2018. https://doi.org/10.1016/j.jcsr.2018.02.040
- Elflah M., Theofanous M., Dirar S. Behaviour of Stainless-Steel Beam-to-column Joints – Part 2: Numerical Modelling and Parametric Study. In: J. Constr. Steel Res., r. 2019, č. 15, s. 194-212.
- British Standards Institution. EN 1993-1-8, Eurokód 3: Navrhování ocelových konstrukcí - Část 1-8: Navrhování styčníků. CEN, 2005.
- Weynard K., Jaspart J.P., Steenhuis M. The stiffness model of revised Annex J to Eurocode 3, connections in steel structures III: behaviour, strength and design. In: 3rd International Workshop on Connections in Steel Structures. Trento, 1995.