Modello analitico
Questo studio adotta i criteri di progetto specificati in EN 1993-1-8:2006 (2) per valutare la resistenza dei bulloni (taglio e trazione) e la resistenza delle piastre (rifollamento e punzonamento a taglio), utilizzando le formulazioni allo stato limite riportate nella Tabella 3.4.
La resistenza di progetto del T-stub equivalente è valutata indipendentemente per la piastra di estremità e per la flangia della colonna. Per ciascun componente, la resistenza di progetto governante, FT,Rd, è definita come il valore minimo derivato da tre possibili meccanismi di collasso.
La resistenza individuale per ciascun modo è calcolata sulla base della capacità di momento plastico della flangia (Mpl,1Rd e Mpl,2,Rd) e della resistenza a trazione del gruppo di bulloni(∑Ft,Rd). Tali modi tengono conto della completa plasticizzazione della flangia (Modo 1), della rottura dei bulloni associata alla plasticizzazione della flangia (Modo 2) e della rottura pura dei bulloni (Modo 3).
- Modi di collasso:
- Momenti di resistenza plastica:
L’introduzione dell’Eurocodice 3 (2) ha segnato un progresso significativo nell’ingegneria strutturale, stabilendo il primo quadro normativo completo dedicato specificamente al progetto delle connessioni. Spesso citate come riferimento fondamentale per i moderni codici di progetto dell’acciaio allo stato limite, le sue disposizioni — in particolare quelle precedentemente dettagliate nell’Annex J (ora integrate in EN 1993-1-8) — forniscono metodologie analitiche (2) per i giunti nelle strutture intelaiate soggetti prevalentemente a carichi statici, con particolare attenzione alla configurazione trave-colonna.
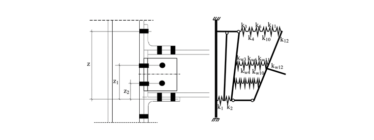
La metodologia è incentrata sul metodo dei componenti, un approccio di modellazione meccanica che idealizza la connessione come un assemblaggio di componenti funzionali singoli. Ogni componente è caratterizzato da una molla elastica equivalente definita dalla propria rigidezza traslazionale e resistenza di progetto (3). Assemblando strategicamente tali molle in serie e in parallelo in base alla topologia del giunto, è possibile ricavare con precisione la rigidezza rotazionale globale e la capacità di resistenza a momento della connessione.
- La rigidezza iniziale della connessione è data dalla formula:
|
E |
Modulo di Young |
|
z |
Distanza efficace |
|
ki |
Coefficiente di rigidezza della i-esima componente |
|
n |
Numero di componenti di giunto di base |
Per garantire un’adeguata capacità di rotazione plastica, gli spessori della piastra di estremità e delle squadrette angolari sono stati determinati in conformità all’intervallo limite superiore prescritto da EN 1993-1-8 (2). Questa scelta assicura che il comportamento della connessione rimanga sufficientemente duttile per l’analisi strutturale prevista.
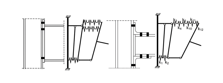
Dettagli geometrici della connessione trave-colonna
In questo studio sono stati utilizzati profili a I in acciaio inox saldati — in particolare, I 240 x 120 x 12 x 10 — sia per gli elementi di trave sia per quelli di colonna. Le dimensioni della sezione trasversale comprendevano un’altezza esterna (h) di 240 mm, una larghezza della flangia (b) di 120 mm, uno spessore della flangia (tf) di 12 mm e uno spessore dell’anima (tw) di 10 mm. Per valutare il comportamento strutturale tipico, sono state investigate quattro configurazioni di giunto comunemente impiegate: connessioni Extended Endplate (EEP), connessioni Flush Endplate (FEP), connessioni Top and Seat Angle Cleat (TSAC) e connessioni Top, Seat, and Double Web Cleat (TSWAC).
Le configurazioni geometriche dei quattro tipi di connessione analizzati sono illustrate nella Figura [4] e nella Tabella 1. In tutti i provini, gli elementi di fissaggio consistevano in bulloni in acciaio inox A4-80 completamente filettati M16 (equivalenti alla classe 8.8 dell’acciaio al carbonio) installati in fori di gioco del diametro di 18 mm. Per entrambe le configurazioni TSAC e TSWAC, le squadrette angolari superiore e inferiore avevano geometria identica, inclusa la distribuzione spaziale dei fori per i bulloni.
- Tabella 1: Configurazione geometrica dei provini testati (2)
| Specimens | tc | tp | ta | p1 | p2 | e1 | e2 | L1 | L2 |
|---|---|---|---|---|---|---|---|---|---|
| FEP | 12 | 8 | - | 65 | 65 | 25 | - | - | - |
| EEP | 12 | 8 | - | 110 | 100 | 25 | - | - | - |
| TSAC-8 | 12 | - | 8 | 0 | 0 | 35 | - | 100 | - |
| TSAC-10 | 12 | - | 10 | 0 | 0 | 25 | - | 100 | - |
| TSWAC-8 | 12 | - | 8 | 0 | 0 | 35 | 25 | 100 | 55 |
| TSWAC-10 | 12 | - | 10 | 0 | 0 | 25 | 25 | 100 | 60 |
- Tabella 2: Proprietà dei materiali (1)
| Specimens | E | σ0.2 | σ1.0 | σu | ε f |
|---|---|---|---|---|---|
| (N/mm2) | (N/mm2) | (N/mm2) | (N/mm2) | % | |
| I-240 × 120 × 12 × 10 - flange | 196,500 | 248 | 306 | 630 | 66 |
| I-240 × 120 × 12 × 10 - web | 205,700 | 263 | 320 | 651 | 65 |
| Angle cleat (8 mm) | 197,600 | 280 | 344 | 654 | 55 |
| Angle cleat (10 mm) | 192,800 | 289 | 353.5 | 656 | 56 |
| End plate | 198,000 | 282 | 343 | 655 | 54 |
| M16 bolt (A4-80) | 191,500 | 617 | 703 | 805 | 12 |
Discussione
Giunti in acciaio per la soluzione RFEM
Utilizzando l’add-on Steel Joints basato su FEM per RFEM 6, il processo di progettazione della connessione è stato completamente integrato nel modello strutturale principale. Unificando i parametri di input e l’analisi dei risultati all’interno dell’ambiente RFEM, il flusso di lavoro ha ottenuto significativi miglioramenti sia in termini di trasparenza sia di efficienza progettuale.
In tutti i provini analizzati, la resistenza ultima e la capacità di rotazione dei giunti erano determinate dalla rottura dei bulloni. A causa dell’elevata duttilità e delle marcate caratteristiche di incrudimento intrinseche ai componenti in acciaio inox, la resistenza a momento ha mostrato un ramo crescente continuo con l’aumentare della deformazione fino al raggiungimento del limite a trazione o a taglio degli elementi di fissaggio. In particolare, sebbene la rottura del bullone fosse intrinsecamente fragile, la risposta complessiva dei giunti è rimasta prevalentemente duttile. Tale comportamento è attribuito al fatto che la rottura del bullone era preceduta da un’ampia deformazione anelastica e dallo snervamento degli altri elementi della connessione, in particolare delle piastre di estremità e delle squadrette angolari di flangia/anima. Le Fig. 5&6 e le Tabelle 3&4 illustrano il confronto della resistenza a momento e della rigidezza – sperimentale, ROFEM, Steel Joints in RFEM rispetto a EC 3. La Tabella 5 illustra i modi di collasso.
- Tabella 3: Confronto della resistenza a momento – sperimentale, ROFEM, Steel Joints in RFEM ed EC3
| Specimens | Experiment | ROFEM | Steel Joints in RFEM | EC-3 | EC3/CBFEM |
|---|---|---|---|---|---|
| FEP | 40 | 40.5 | 40.5 | 18.6 | 0.46 |
| EEP | 42 | 43.8 | 45.23 | 27.2 | 0.60 |
| TSAC-8 | 12 | 11.7 | 8.37 | 6.6 | 0.79 |
| TSAC-10 | 23 | 21.8 | 13.03 | 11.1 | 0.85 |
| TSWAC-8 | 39 | 41.6 | 25.65 | 19.25 | 0.75 |
| TSWAC-10 | 55 | 53.2 | 27.27 | 30.3 | 1.11 |
- Tabella 4: Confronto della rigidezza – sperimentale, ROFEM, Steel Joints in RFEM ed EC3
| Specimens | Experiment | ROFEM | Steel Joints in RFEM | EC3 | EC-3/CBFEM |
|---|---|---|---|---|---|
| FEP | 3.91 | 4.00 | 5.00 | 5.74 | 1.15 |
| EEP | 4.46 | 5.20 | 3.30 | 9.36 | 2.84 |
| TSAC-8 | 1.24 | 0.57 | 1.30 | 1.80 | 1.38 |
| TSAC-10 | 1.52 | 1.01 | 2.00 | 2.52 | 1.26 |
| TSWAC-8 | 1.92 | 2.39 | 2.20 | 5.24 | 2.38 |
| TSWAC-10 | 2.77 | 2.88 | 2.70 | 6.14 | 2.27 |
- Tabella 5: Modi di collasso
| Specimens | EC-3 | Steel Joints in RFEM | Experiments |
|---|---|---|---|
| FEP | Piegamento della piastra di estremità | Rottura dei bulloni a trazione | Rottura del bullone a trazione |
| EEP | Piegamento della piastra di estremità | Rottura dei bulloni a trazione | Rottura dei bulloni a trazione |
| TSAC-8 | Piegamento della squadretta di flangia | Rottura dei bulloni a trazione e a taglio | Rottura dei bulloni a trazione e a taglio |
| TSAC-10 | Piegamento della squadretta di flangia | Rottura dei bulloni a trazione e a taglio | Rottura dei bulloni a trazione e a taglio |
| TSWAC-8 | Piegamento della squadretta angolare | Rottura dei bulloni a trazione e a taglio | Rottura dei bulloni a trazione e a taglio (bullone della squadretta di flangia) |
| TSWAC-10 | Piegamento della squadretta angolare | Rottura del bullone dell’anima a taglio | Rottura del bullone a taglio (bullone superiore che collega la squadretta dell’anima all’anima della trave) |
Conclusione
Sulla base dei dati sperimentali preliminari, è stata valutata l’applicabilità delle disposizioni di EN 1993-1-8 all’add-on Steel Joints. In linea con precedenti osservazioni sui corrispondenti elementi in acciaio al carbonio, il modello di rigidezza dell’Eurocodice tendeva a sovrastimare la rigidezza rotazionale iniziale, con previsioni caratterizzate da una significativa dispersione.
I modelli analitici di resistenza (TSWAC-10) hanno mostrato un rapporto superiore a 1.0 per quanto riguarda la resistenza a momento plastico sia dei provini sperimentali sia delle simulazioni CBFEM. È stata osservata una discrepanza critica riguardo al modo di collasso governante: la rottura era invariabilmente innescata dalla rottura dei bulloni, anche in configurazioni in cui l’Eurocodice prevedeva una rottura duttile del T-stub (Modo 1 o 2) caratterizzata dalla formazione di una cerniera plastica. Sebbene i T-stub sviluppassero le deformazioni plastiche previste, il marcato incrudimento dell’acciaio inox consentiva un aumento continuo della tensione nelle zone snervate.
Riferimenti
- Elflah, M.; Theofanous, M.; Dirar, S.; & Yuan, H.X. (2018). Behaviour of stainless-steel beam-to column joints - part 1: experimental investigation. J. Constr. Steel Res (2018). https://doi.org/10.1016/j.jcsr.2018.02.040 (in press).
- Elflah M.; Theofanous M.; & Dirar S. (2019). Behaviour of Stainless-Steel Beam-to-column Joints – Part 2: Numerical Modelling and Parametric Study. J. Constr. Steel Res. 152(2019), pp. 194-212.
- CEN. (2005). EN 1993-1-8, Eurocode 3: Design of steel Structures – Part 1–8: Design of Joints. British Standards Institution, CEN.
- Weynard K.; Jaspart J.P.; & Steenhuis, M. (1995). The stiffness model of revised Annex J to Eurocode 3, connections in steel structures III: behaviour, strength and design. Paper presented at 3rd International Workshop on Connections in Steel Structures. Trento, Italy.