Modelo analítico
Este estudio adopta los criterios de diseño especificados en EN 1993-1-8:2006 (2) para evaluar la resistencia de los pernos (cortante y tracción) y la resistencia de las chapas (aplastamiento y punzonamiento), utilizando las formulaciones de estado límite proporcionadas en la Tabla 3.4.
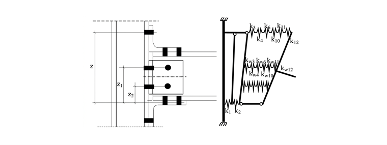
La resistencia de diseño del T-stub equivalente se evalúa de forma independiente para la placa de extremo y los componentes del ala de la columna. Para cada componente, la resistencia de diseño gobernante, FT,Rd, se define como el valor mínimo derivado de tres mecanismos potenciales de fallo.
La resistencia individual para cada modo se calcula en función de la capacidad de momento plástico del ala (Mpl,1Rd y Mpl,2,Rd) y de la resistencia a tracción del grupo de pernos (∑Ft,Rd). Estos modos contemplan la plastificación completa del ala (Modo 1), el fallo de los pernos junto con la plastificación del ala (Modo 2) y la rotura pura de los pernos (Modo 3).
- Modos de fallo:
- Momentos de resistencia plástica:
La introducción del Eurocódigo 3 (2) supuso un avance significativo en la ingeniería estructural, estableciendo el primer marco normativo integral dedicado específicamente al diseño de uniones. Frecuentemente citado como la referencia seminal de los modernos códigos de diseño de estructuras de acero por estados límite, sus disposiciones—específicamente las anteriormente detalladas en el Anexo J (ahora integradas en EN 1993-1-8)— proporcionan metodologías analíticas (2) para uniones en pórticos de edificación bajo cargas predominantemente estáticas, con especial atención a la configuración viga-columna.
La metodología se centra en el método de componentes, un enfoque de modelización mecánica que idealiza la unión como un conjunto de componentes funcionales individuales. Cada componente se caracteriza por un muelle elástico equivalente definido por su rigidez traslacional específica y su resistencia de diseño (3). Mediante el ensamblaje estratégico de estos muelles en serie y en paralelo en función de la topología de la unión, pueden obtenerse con precisión la rigidez rotacional global y la capacidad resistente a momento de la conexión.
- La rigidez inicial de la unión viene dada por la fórmula:
|
E |
Módulo de elasticidad de Young |
|
z |
Brazo de palanca |
|
ki |
coeficiente de rigidez del componente ith |
|
n |
Número de componentes básicos de la unión |
Para garantizar una capacidad adecuada de rotación plástica, los espesores de la placa de extremo y de las cartelas angulares se determinaron de acuerdo con el rango límite superior prescrito por EN 1993-1-8 (2). Esta selección garantiza que el comportamiento de la unión permanezca suficientemente dúctil para el análisis estructural previsto.
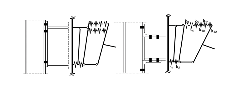
Detalles geométricos de la unión viga-columna
Este estudio utilizó secciones I de acero inoxidable soldadas —específicamente, I 240 x 120 x 12 x 10— tanto para la viga como para la columna. Las dimensiones de la sección transversal consistían en una altura exterior (h) de 240 mm, un ancho de ala (b) de 120 mm, un espesor de ala (tf) de 12 mm y un espesor de alma (tw) de 10 mm. Para evaluar el comportamiento estructural típico, se investigaron cuatro configuraciones de unión de uso común: uniones con placa de extremo extendida (EEP), uniones con placa de extremo a ras (FEP), uniones con cartela angular superior y de asiento (TSAC) y uniones con cartela angular superior, de asiento y doble en el alma (TSWAC).
Las configuraciones geométricas de los cuatro tipos de uniones investigados se ilustran en la Figura [4] y en la Tabla 1. En todas las probetas, los elementos de fijación consistieron en pernos de acero inoxidable totalmente roscados M16 de clase A4-80 (equivalente a la clase 8.8 de acero al carbono) instalados en agujeros de holgura de 18 mm de diámetro. Para las configuraciones TSAC y TSWAC, las cartelas angulares superior y de asiento tenían la misma geometría, incluida la distribución espacial de los taladros para los pernos.
- Tabla 1: Configuración geométrica de las probetas ensayadas (2)
| Specimens | tc | tp | ta | p1 | p2 | e1 | e2 | L1 | L2 |
|---|---|---|---|---|---|---|---|---|---|
| FEP | 12 | 8 | - | 65 | 65 | 25 | - | - | - |
| EEP | 12 | 8 | - | 110 | 100 | 25 | - | - | - |
| TSAC-8 | 12 | - | 8 | 0 | 0 | 35 | - | 100 | - |
| TSAC-10 | 12 | - | 10 | 0 | 0 | 25 | - | 100 | - |
| TSWAC-8 | 12 | - | 8 | 0 | 0 | 35 | 25 | 100 | 55 |
| TSWAC-10 | 12 | - | 10 | 0 | 0 | 25 | 25 | 100 | 60 |
- Tabla 2: Propiedades del material (1)
| Specimens | E | σ0.2 | σ1.0 | σu | ε f |
|---|---|---|---|---|---|
| (N/mm2) | (N/mm2) | (N/mm2) | (N/mm2) | % | |
| I-240 × 120 × 12 × 10 - flange | 196,500 | 248 | 306 | 630 | 66 |
| I-240 × 120 × 12 × 10 - web | 205,700 | 263 | 320 | 651 | 65 |
| Angle cleat (8 mm) | 197,600 | 280 | 344 | 654 | 55 |
| Angle cleat (10 mm) | 192,800 | 289 | 353.5 | 656 | 56 |
| End plate | 198,000 | 282 | 343 | 655 | 54 |
| M16 bolt (A4-80) | 191,500 | 617 | 703 | 805 | 12 |
Discusión
Uniones de acero para la solución RFEM
Utilizando el complemento Steel Joints basado en MEF para RFEM 6, el proceso de diseño de la unión se integró بالكامل en el modelo estructural principal. Al unificar los parámetros de entrada y el análisis de resultados dentro del entorno RFEM, el flujo de trabajo logró mejoras significativas tanto en transparencia como en eficiencia de diseño.
En todas las probetas investigadas, la resistencia última y la capacidad de rotación de las uniones estuvieron determinadas por la rotura de los pernos. Debido a la elevada ductilidad y a las pronunciadas características de endurecimiento por deformación inherentes a los componentes de acero inoxidable, la resistencia a momento mostró una rama ascendente continua con el aumento de la deformación hasta que se alcanzó el límite a tracción o a cortante de los elementos de fijación. Cabe destacar que, aunque el fallo del perno en sí era intrínsecamente frágil, la respuesta sistémica de las uniones permaneció predominantemente dúctil. Este comportamiento se atribuye a que la rotura del perno estuvo precedida por una amplia deformación inelástica y plastificación en los demás elementos de la unión, concretamente en las placas de extremo y en las cartelas angulares de ala/alma. Las Fig. 5&6 y las Tablas 3&4 ilustran la comparación de la resistencia a momento y de la rigidez — Experimental, ROFEM, Steel Joints in RFEM frente a EC 3. La Tabla 5 ilustra los modos de fallo.
- Tabla 3: Comparación de la resistencia a momento – Experimental, ROFEM, Steel Joints in RFEM y EC3
| Specimens | Experiment | ROFEM | Steel Joints in RFEM | EC-3 | EC3/CBFEM |
|---|---|---|---|---|---|
| FEP | 40 | 40.5 | 40.5 | 18.6 | 0.46 |
| EEP | 42 | 43.8 | 45.23 | 27.2 | 0.60 |
| TSAC-8 | 12 | 11.7 | 8.37 | 6.6 | 0.79 |
| TSAC-10 | 23 | 21.8 | 13.03 | 11.1 | 0.85 |
| TSWAC-8 | 39 | 41.6 | 25.65 | 19.25 | 0.75 |
| TSWAC-10 | 55 | 53.2 | 27.27 | 30.3 | 1.11 |
- Tabla 4: Comparación de la rigidez – Experimental, ROFEM, Steel Joints in RFEM y EC3
| Specimens | Experiment | ROFEM | Steel Joints in RFEM | EC3 | EC-3/CBFEM |
|---|---|---|---|---|---|
| FEP | 3.91 | 4.00 | 5.00 | 5.74 | 1.15 |
| EEP | 4.46 | 5.20 | 3.30 | 9.36 | 2.84 |
| TSAC-8 | 1.24 | 0.57 | 1.30 | 1.80 | 1.38 |
| TSAC-10 | 1.52 | 1.01 | 2.00 | 2.52 | 1.26 |
| TSWAC-8 | 1.92 | 2.39 | 2.20 | 5.24 | 2.38 |
| TSWAC-10 | 2.77 | 2.88 | 2.70 | 6.14 | 2.27 |
- Tabla 5: Modos de fallo
| Specimens | EC-3 | Steel Joints in RFEM | Experiments |
|---|---|---|---|
| FEP | Placa de extremo a flexión | Fallo de perno a tracción | Rotura del perno a tracción |
| EEP | Placa de extremo a flexión | Fallo de perno a tracción | Fallo de perno a tracción |
| TSAC-8 | Flexión de la cartela del ala | Fallo de perno a tracción y cortante | Fallo de perno a tracción y cortante |
| TSAC-10 | Flexión de la cartela del ala | Fallo de perno a tracción y cortante | Fallo de perno a tracción y cortante |
| TSWAC-8 | Flexión de la cartela angular | Fallo de perno a tracción y cortante | Fallo de perno a tracción y cortante (perno de cartela del ala) |
| TSWAC-10 | Flexión de la cartela angular | Fallo del perno del alma a cortante | Fallo de perno a cortante (perno superior que conecta la cartela del alma con el alma de la viga) |
Conclusión
A partir de datos experimentales preliminares, se evaluó la aplicabilidad de las disposiciones de EN 1993-1-8 al complemento Steel Joints. De forma coherente con observaciones previas en sus homólogos de acero al carbono, el modelo de rigidez del Eurocódigo tendió a sobreestimar la rigidez rotacional inicial, con predicciones que mostraron una dispersión significativa.
Los modelos analíticos de resistencia (TSWAC-10) mostraron una relación superior a 1.0 respecto a la resistencia a momento plástico tanto de las probetas experimentales como de las simulaciones CBFEM. Se observó una discrepancia crítica en relación con el modo de fallo gobernante: la rotura se desencadenó invariablemente por fallo de los pernos, incluso en configuraciones en las que el Eurocódigo predecía un fallo dúctil del T-stub (Modo 1 o 2) caracterizado por la formación de una rótula plástica. Aunque los T-stub desarrollaron las deformaciones plásticas previstas, el pronunciado endurecimiento por deformación del acero inoxidable permitió un aumento continuo de la tensión en las zonas plastificadas.
Referencias
- Elflah, M.; Theofanous, M.; Dirar, S.; & Yuan, H.X. (2018). Behaviour of stainless-steel beam-to column joints - part 1: experimental investigation. J. Constr. Steel Res (2018). https://doi.org/10.1016/j.jcsr.2018.02.040 (in press).
- Elflah M.; Theofanous M.; & Dirar S. (2019). Behaviour of Stainless-Steel Beam-to-column Joints – Part 2: Numerical Modelling and Parametric Study. J. Constr. Steel Res. 152(2019), pp. 194-212.
- CEN. (2005). EN 1993-1-8, Eurocode 3: Design of steel Structures – Part 1–8: Design of Joints. British Standards Institution, CEN.
- Weynard K.; Jaspart J.P.; & Steenhuis, M. (1995). The stiffness model of revised Annex J to Eurocode 3, connections in steel structures III: behaviour, strength and design. Paper presented at 3rd International Workshop on Connections in Steel Structures. Trento, Italy.