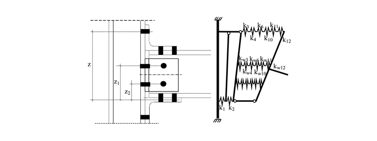
Modèle analytique
Cette étude adopte les critères de vérification spécifiés dans l’EN 1993-1-8:2006 (2) pour l’évaluation de la résistance des boulons (cisaillement et traction) et de la résistance des plaques (résistance en pression diamétrale et poinçonnement), à l’aide des formulations à l’état limite présentées dans le Tableau 3.4.
La valeur de calcul de la résistance du tronçon en T équivalent est évaluée indépendamment pour la platine d’about et pour les composants de la semelle de poteau. Pour chaque composant, la résistance de calcul déterminante, FT,Rd, est définie comme la valeur minimale obtenue à partir de trois mode de rupture potentiels.
La résistance respective de chaque mode est calculée sur la base de la capacité de moment plastique de la semelle (Mpl,1Rd et Mpl,2,Rd) et de la résistance en traction du groupe de boulons (∑Ft,Rd). Ces modes prennent en compte la plastification complète de la semelle (Mode 1), la rupture des boulons associée à la plastification de la semelle (Mode 2) et la rupture pure des boulons (Mode 3).
- Modes de rupture :
- Moments de résistance plastique :
L’introduction de l’Eurocode 3 (2) a marqué une avancée majeure en ingénierie des structures, en établissant le premier cadre réglementaire complet spécifiquement dédié à la vérification des assemblages. L’Eurocode est souvent cité comme la référence fondatrice des normes modernes de vérification des structures en acier aux états limites. Ses dispositions, notamment celles autrefois détaillées dans l’Annexe J et désormais intégrées à l’EN 1993-1-8, fournissent des méthodologies analytiques (2) pour les assemblages dans les ossatures de bâtiments soumis à des charges principalement statiques, avec un accent sur les configurations poutre-poteau.
La méthodologie est centrée sur la méthode des composants, une approche de modélisation mécanique qui idéalise l’assemblage comme un ensemble de composants fonctionnels individuels. Chaque composant est caractérisé par un ressort élastique équivalent défini par sa rigidité en translation propre et sa résistance de calcul (3). En assemblant stratégiquement ces ressorts en série et en parallèle selon la topologie de l’assemblage, il est possible de dériver avec précision la rigidité en rotation globale et la capacité de résistance au moment de l’assemblage.
- La rigidité initiale de l'assemblage est donnée par la formule :
|
E |
Module d’élasticité de Young |
|
z |
Bras de levier |
|
ki |
Coefficient de rigidité du composant ième |
|
n |
Nombre de composants d’assemblage de base |
Afin de garantir une capacité de rotation plastique suffisante, les épaisseurs de la platine d’about et des cornières ont été déterminées conformément aux limites supérieures prescrites par l’EN 1993-1-8 (2). Cette sélection permet d’assurer une ductilité suffisante de l’assemblage pour le calcul de structure envisagé.
Détails géométriques de l'assemblage poutre-poteau
Cette étude a utilisé des sections soudées en I en acier inoxydable, spécifiquement I 240 x 120 x 12 x 10, pour la poutre et le poteau. Les cotations de la section comprenaient une hauteur totale (h) de 240 mm, une largeur de semelle (b) de 120 mm, une épaisseur de semelle (tf) de 12 mm et une épaisseur d’âme (tw) de 10 mm. Pour évaluer le comportement structurel typique, quatre configurations d’assemblages courantes ont été étudiées : EEP (platine d’about débordante), FEP (platine d’about non-débordante), TSAC (cornière supérieure et cornière d’assise) et TSWAC (assemblages avec cornière supérieure, cornière d’appui et double cornière d'âme).
Les configurations géométriques des quatre types d’assemblages étudiés sont illustrées à la Figure [4] et dans le Tableau 1. Dans tous les spécimens, les fixations étaient constituées de boulons inoxydables M16 de classe A4-80 entièrement filetés (équivalents à l’acier au carbone de classe 8.8) dans des trous de 18 mm de diamètre. Pour les configurations TSAC et TSWAC, les cornières supérieure et d’appui présentaient une géométrie identique, y compris la disposition spatiale des trous de boulons.
- Tableau 1 : Configuration géométrique des spécimens testés (2)
| Spécimens | tc | tp | ta | p1 | p2 | e1 | e2 | L1 | L2 |
|---|---|---|---|---|---|---|---|---|---|
| FEP | 12 | 8 | - | 65 | 65 | 25 | - | - | - |
| EEP | 12 | 8 | - | 110 | 100 | 25 | - | - | - |
| TSAC-8 | 12 | - | 8 | 0 | 0 | 35 | - | 100 | - |
| TSAC-10 | 12 | - | 10 | 0 | 0 | 25 | - | 100 | - |
| TSWAC-8 | 12 | - | 8 | 0 | 0 | 35 | 25 | 100 | 55 |
| TSWAC-10 | 12 | - | 10 | 0 | 0 | 25 | 25 | 100 | 60 |
- Tableau 2 : Propriétés des matériaux (1)
| Specimens | E | σ0.2 | σ1.0 | σu | ε f |
|---|---|---|---|---|---|
| (N/mm2) | (N/mm2) | (N/mm2) | (N/mm2) | % | |
| I-240 × 120 × 12 × 10 - semelle | 196,500 | 248 | 306 | 630 | 66 |
| I-240 × 120 × 12 × 10 - âme | 205,700 | 263 | 320 | 651 | 65 |
| Cornière (8 mm) | 197,600 | 280 | 344 | 654 | 55 |
| Cornière (10 mm) | 192,800 | 289 | 353.5 | 656 | 56 |
| Platine d’about | 198,000 | 282 | 343 | 655 | 54 |
| Boulon M16 (A4-80) | 191,500 | 617 | 703 | 805 | 12 |
Discussion
Assemblages acier pour RFEM
Avec le module complémentaire Assemblages acier pour RFEM 6, le processus de vérification d’assemblage a été entièrement intégré au modèle de structure principal. En unifiant les paramètres d’entrée et l'analyse des résultats dans l’environnement RFEM, le flux de travail a permis des gains significatifs en transparence et en efficacité de vérification.
Dans toutes les spécimens étudiés, la résistance ultime et la capacité de rotation des assemblages étaient déterminées par la rupture des boulons. En raison de la ductilité importante et des caractéristiques d’écrouissage prononcées propres aux composants en acier inoxydable, la résistance au moment a présenté une branche ascendante continue avec augmentation de la déformation jusqu’à atteindre la limite en traction ou en cisaillement des fixations. Il convient de noter que, malgré la fragilité intrinsèque de la rupture des boulons, la réponse globale des assemblages est restée principalement ductile. Ce comportement s’explique par le fait que la rupture des boulons a été précédée par une déformation inélastique étendue et par la plastification des autres éléments de l’assemblage, en particulier les platine d’about et les cornières de semelle/âme. Les Fig. 5&6 et les Tableaux 3&4 illustrent la comparaison de la résistance au moment et de la rigidité, expérimental, ROFEM, Assemblages acier pour RFEM, par rapport à l’EC 3. Le Tableau 5 illustre les modes de rupture.
- Tableau 3 : Comparaison de la résistance au moment – expérimental, ROFEM, Assemblages acier dans RFEM et EC3
| Spécimens | Expérience | ROFEM | Assemblages acier dans RFEM | EC-3 | EC3/CBFEM |
|---|---|---|---|---|---|
| FEP | 40 | 40.5 | 40.5 | 18.6 | 0.46 |
| EEP | 42 | 43.8 | 45.23 | 27.2 | 0.60 |
| TSAC-8 | 12 | 11.7 | 8.37 | 6.6 | 0.79 |
| TSAC-10 | 23 | 21.8 | 13.03 | 11.1 | 0.85 |
| TSWAC-8 | 39 | 41.6 | 25.65 | 19.25 | 0.75 |
| TSWAC-10 | 55 | 53.2 | 27.27 | 30.3 | 1.11 |
- Tableau 4 : Comparaison de la rigidité – expérimental, ROFEM, Assemblages acier dans RFEM et EC3
| Spécimens | Expérience | ROFEM | Assemblages acier dans RFEM | EC3 | EC-3/CBFEM |
|---|---|---|---|---|---|
| FEP | 3.91 | 4.00 | 5.00 | 5.74 | 1.15 |
| EEP | 4.46 | 5.20 | 3.30 | 9.36 | 2.84 |
| TSAC-8 | 1.24 | 0.57 | 1.30 | 1.80 | 1.38 |
| TSAC-10 | 1.52 | 1.01 | 2.00 | 2.52 | 1.26 |
| TSWAC-8 | 1.92 | 2.39 | 2.20 | 5.24 | 2.38 |
| TSWAC-10 | 2.77 | 2.88 | 2.70 | 6.14 | 2.27 |
- Tableau 5 : Modes de rupture
| Spécimens | EC-3 | Assemblages acier dans RFEM | Expériences |
|---|---|---|---|
| FEP | Platine d’about en flexion | Rupture du boulon en traction | Rupture du boulon en traction |
| EEP | Platine d’about en flexion | Rupture du boulon en traction | Rupture du boulon en traction |
| TSAC-8 | Flexion de la cornière de semelle | Rupture du boulon en traction et en cisaillement | Rupture du boulon en traction et en cisaillement |
| TSAC-10 | Flexion de la cornière de semelle | Rupture du boulon en traction et en cisaillement | Rupture du boulon en traction et en cisaillement |
| TSWAC-8 | Flexion de la cornière | Rupture du boulon d'âme en traction et en cisaillement | Rupture du boulon en traction et en cisaillement (boulon de cornière de semelle) |
| TSWAC-10 | Flexion de la cornière | Rupture du boulon d'âme en cisaillement | Rupture du boulon en cisaillement (boulon supérieur reliant la cornière d’âme à l’âme de la poutre) |
Conclusion
Sur la base de données expérimentales préliminaires, l’applicabilité des dispositions de l’EN 1993-1-8 au module complémentaire Assemblages acier a été évaluée. Conformément aux observations antérieures sur les équivalents en acier au carbone, le modèle de rigidité de l’Eurocode avait tendance à surestimer la rigidité en rotation initiale, avec des prédictions présentant une dispersion significative.
Les modèles analytiques de résistance (TSWAC-10) ont montré un rapport supérieur à 1,0 concernant la résistance au moment plastique, tant pour les spécimens expérimentaux que pour les simulations CBFEM. Une divergence critique a été observée concernant le mode de rupture déterminant : la rupture a été invariablement déclenchée par la défaillance des boulons, même dans les configurations où l‘Eurocode prévoyait une rupture ductile du tronçon en T (Mode 1 ou 2) caractérisée par la formation d’une articulation plastique. Bien que les tronçons en T aient développé les déformations plastiques attendues, l’écrouissage prononcé de l’acier inoxydable a permis une augmentation continue de la contrainte dans les zones plastifiées.
Références
- Elflah, M.; Theofanous, M.; Dirar, S.; & Yuan, H.X. (2018). Behaviour of stainless-steel beam-to column joints - part 1: experimental investigation. J. Constr. Steel Res (2018). https://doi.org/10.1016/j.jcsr.2018.02.040 (in press).
- Elflah M.; Theofanous M.; & Dirar S. (2019). Behaviour of Stainless-Steel Beam-to-column Joints – Part 2: Numerical Modelling and Parametric Study. J. Constr. Steel Res. 152(2019), pp. 194-212.
- CEN. (2005). EN 1993-1-8, Eurocode 3: Design of steel Structures – Part 1–8: Design of Joints. British Standards Institution, CEN.
- Weynard K.; Jaspart J.P.; & Steenhuis, M. (1995). The stiffness model of revised Annex J to Eurocode 3, connections in steel structures III: behaviour, strength and design. Paper presented at 3rd International Workshop on Connections in Steel Structures. Trento, Italy.