Model analityczny
Niniejsze studium przyjmuje kryteria projektowe określone w EN 1993-1-8:2006 (2) do oceny nośności śrub (na ścinanie i rozciąganie) oraz nośności blachy (docisk i przebicie na ścinanie), wykorzystując sformułowania stanów granicznych podane w Tabeli 3.4.
Nośność obliczeniowa równoważnego T-stuba jest oceniana niezależnie dla blachy czołowej oraz dla półki słupa. Dla każdego z tych elementów decydująca nośność obliczeniowa, FT,Rd, jest zdefiniowana jako wartość minimalna wynikająca z trzech potencjalnych mechanizmów zniszczenia.
Indywidualna nośność dla każdego mechanizmu jest obliczana na podstawie plastycznego momentu odporowego półki (Mpl,1Rd i Mpl,2,Rd) oraz nośności na rozciąganie grupy śrub(∑Ft,Rd). Mechanizmy te obejmują całkowite uplastycznienie półki (Mechanizm 1), zniszczenie śrub połączone z uplastycznieniem półki (Mechanizm 2) oraz czyste pęknięcie śrub (Mechanizm 3).
- Mechanizmy zniszczenia:
- Plastyczne momenty odporowe:
Wprowadzenie Eurokodu 3 (2) stanowiło istotny postęp w inżynierii konstrukcyjnej, ustanawiając pierwsze kompleksowe ramy normatywne poświęcone konkretnie projektowaniu połączeń. Często przywoływany jako fundamentalne odniesienie dla nowoczesnych norm projektowania konstrukcji stalowych w stanie granicznym, jego postanowienia — w szczególności te dawniej wyszczególnione w Aneksie J (obecnie zintegrowane z EN 1993-1-8) — dostarczają metod analitycznych (2) dla węzłów w ramach budynków poddanych głównie obciążeniom statycznym, ze szczególnym uwzględnieniem konfiguracji belka-słup.
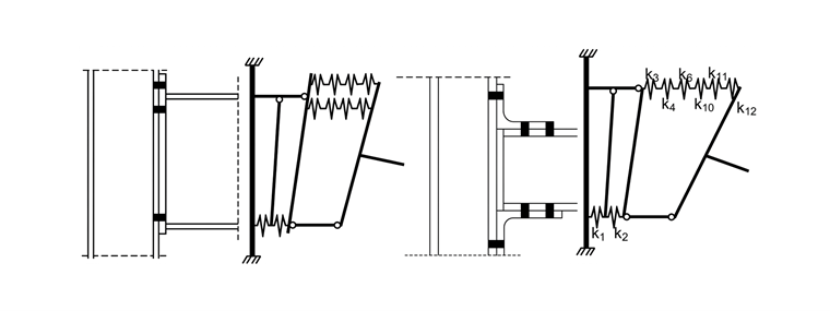
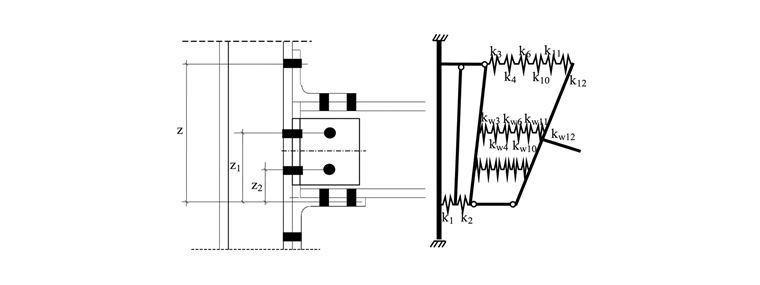
Metodyka opiera się na metodzie komponentowej, mechanicznej metodzie modelowania, która idealizuje połączenie jako zestaw indywidualnych elementów funkcjonalnych. Każdy komponent jest scharakteryzowany przez równoważną sprężynę sprężystą, określoną przez jej własną sztywność translacyjną oraz nośność obliczeniową (3). Poprzez odpowiednie zestawienie tych sprężyn szeregowo i równolegle, w zależności od topologii węzła, można dokładnie wyznaczyć globalną sztywność obrotową oraz nośność momentową połączenia.
- Początkowa sztywność połączenia jest dana wzorem:
|
E |
Moduł Younga |
|
z |
Ramię zginania |
|
ki |
Współczynnik sztywności i-tego komponentu |
|
n |
Liczba podstawowych komponentów połączenia |
Aby zapewnić odpowiednią zdolność do odkształceń plastycznych, grubości blachy czołowej oraz kątowników usztywniających zostały określone zgodnie z górnym zakresem dopuszczonym przez EN 1993-1-8 (2). Taki dobór zapewnia, że zachowanie połączenia pozostaje wystarczająco ciągliwe dla zamierzonej analizy konstrukcyjnej.
Szczegóły geometryczne połączenia belka-słup
W niniejszym badaniu zastosowano spawane stalowe profile I — konkretnie I 240 x 120 x 12 x 10 — zarówno dla belki, jak i słupa. Wymiary przekroju obejmowały wysokość całkowitą (h) 240 mm, szerokość półki (b) 120 mm, grubość półki (tf) 12 mm oraz grubość środnika (tw) 10 mm. W celu oceny typowego zachowania konstrukcyjnego przeanalizowano cztery powszechnie stosowane konfiguracje węzłów: połączenia z wydłużoną blachą czołową (Extended Endplate, EEP), połączenia z płaską blachą czołową (Flush Endplate, FEP), połączenia z górnym i dolnym kątownikiem usztywniającym (Top and Seat Angle Cleat, TSAC) oraz połączenia z górnym, dolnym i podwójnym kątownikiem środnikowym (Top, Seat, and Double Web Cleat, TSWAC).
Konfiguracje geometryczne czterech analizowanych typów połączeń przedstawiono na Rysunku [4] oraz w Tabeli 1. We wszystkich próbkach łączniki stanowiły w pełni gwintowane śruby ze stali nierdzewnej M16 klasy A4-80 (odpowiednik klasy 8.8 stali węglowej) osadzone w otworach z luzem o średnicy 18 mm. Zarówno w konfiguracjach TSAC, jak i TSWAC, górny i dolny kątownik usztywniający były geometrycznie identyczne, w tym pod względem rozmieszczenia otworów na śruby.
- Tabela 1: Konfiguracja geometryczna badanych próbek (2)
| Próbki | tc | tp | ta | p1 | p2 | e1 | e2 | L1 | L2 |
|---|---|---|---|---|---|---|---|---|---|
| FEP | 12 | 8 | - | 65 | 65 | 25 | - | - | - |
| EEP | 12 | 8 | - | 110 | 100 | 25 | - | - | - |
| TSAC-8 | 12 | - | 8 | 0 | 0 | 35 | - | 100 | - |
| TSAC-10 | 12 | - | 10 | 0 | 0 | 25 | - | 100 | - |
| TSWAC-8 | 12 | - | 8 | 0 | 0 | 35 | 25 | 100 | 55 |
| TSWAC-10 | 12 | - | 10 | 0 | 0 | 25 | 25 | 100 | 60 |
- Tabela 2: Właściwości materiałowe (1)
| Próbki | E | σ0.2 | σ1.0 | σu | ε f |
|---|---|---|---|---|---|
| (N/mm2) | (N/mm2) | (N/mm2) | (N/mm2) | % | |
| I-240 × 120 × 12 × 10 - półka | 196,500 | 248 | 306 | 630 | 66 |
| I-240 × 120 × 12 × 10 - środnik | 205,700 | 263 | 320 | 651 | 65 |
| Kątownik usztywniający (8 mm) | 197,600 | 280 | 344 | 654 | 55 |
| Kątownik usztywniający (10 mm) | 192,800 | 289 | 353.5 | 656 | 56 |
| Blacha czołowa | 198,000 | 282 | 343 | 655 | 54 |
| Śruba M16 (A4-80) | 191,500 | 617 | 703 | 805 | 12 |
Dyskusja
Połączenia stalowe dla rozwiązania RFEM
Korzystając z dodatku Steel Joints opartego na MES dla RFEM 6, proces projektowania połączeń został w pełni zintegrowany z głównym modelem konstrukcyjnym. Dzięki ujednoliceniu parametrów wejściowych i analizy wyników w środowisku RFEM uzyskano znaczną poprawę zarówno przejrzystości, jak i efektywności projektowania.
We wszystkich analizowanych próbkach graniczną wytrzymałość i zdolność obrotową węzłów określało pęknięcie śrub. Ze względu na wysoką ciągliwość i wyraźne cechy umocnienia odkształceniowego charakterystyczne dla elementów ze stali nierdzewnej, odporność momentowa wykazywała ciągły wzrost wraz ze zwiększaniem odkształcenia, aż do osiągnięcia granicy rozciągania lub ścinania łączników. Warto zauważyć, że chociaż samo zniszczenie śruby miało z natury charakter kruchy, globalna odpowiedź połączeń pozostawała w przeważającej mierze ciągliwa. Zachowanie to wynika z faktu, że pęknięciu śrub towarzyszyły znaczne odkształcenia nieliniowe i uplastycznienie pozostałych elementów połączenia, w szczególności blach czołowych oraz kątowników przy półce i środniku. Rys. 5&6 oraz Tabele 3&4 ilustrują porównanie nośności momentowej i sztywności – eksperyment, ROFEM, Steel Joints w RFEM oraz EC 3. Tabela 5 przedstawia mechanizmy zniszczenia.
- Tabela 3: Porównanie nośności momentowej – eksperyment, ROFEM, Steel Joints w RFEM oraz EC3
| Próbki | Eksperyment | ROFEM | Steel Joints w RFEM | EC-3 | EC3/CBFEM |
|---|---|---|---|---|---|
| FEP | 40 | 40.5 | 40.5 | 18.6 | 0.46 |
| EEP | 42 | 43.8 | 45.23 | 27.2 | 0.60 |
| TSAC-8 | 12 | 11.7 | 8.37 | 6.6 | 0.79 |
| TSAC-10 | 23 | 21.8 | 13.03 | 11.1 | 0.85 |
| TSWAC-8 | 39 | 41.6 | 25.65 | 19.25 | 0.75 |
| TSWAC-10 | 55 | 53.2 | 27.27 | 30.3 | 1.11 |
- Tabela 4: Porównanie sztywności – eksperyment, ROFEM, Steel Joints w RFEM oraz EC3
| Próbki | Eksperyment | ROFEM | Steel Joints w RFEM | EC3 | EC-3/CBFEM |
|---|---|---|---|---|---|
| FEP | 3.91 | 4.00 | 5.00 | 5.74 | 1.15 |
| EEP | 4.46 | 5.20 | 3.30 | 9.36 | 2.84 |
| TSAC-8 | 1.24 | 0.57 | 1.30 | 1.80 | 1.38 |
| TSAC-10 | 1.52 | 1.01 | 2.00 | 2.52 | 1.26 |
| TSWAC-8 | 1.92 | 2.39 | 2.20 | 5.24 | 2.38 |
| TSWAC-10 | 2.77 | 2.88 | 2.70 | 6.14 | 2.27 |
- Tabela 5: Mechanizmy zniszczenia
| Próbki | EC-3 | Steel Joints w RFEM | Eksperymenty |
|---|---|---|---|
| FEP | Blacha czołowa w zginaniu | Zniszczenie śruby na rozciąganie | Pęknięcie śruby na rozciąganie |
| EEP | Blacha czołowa w zginaniu | Zniszczenie śruby na rozciąganie | Zniszczenie śruby na rozciąganie |
| TSAC-8 | Zginanie kątownika przy półce | Zniszczenie śruby na rozciąganie i ścinanie | Zniszczenie śruby na rozciąganie i ścinanie |
| TSAC-10 | Zginanie kątownika przy półce | Zniszczenie śruby na rozciąganie i ścinanie | Zniszczenie śruby na rozciąganie i ścinanie |
| TSWAC-8 | Zginanie kątownika | Zniszczenie śruby na rozciąganie i ścinanie | Zniszczenie śruby na rozciąganie i ścinanie (śruba kątownika przy półce) |
| TSWAC-10 | Zginanie kątownika | Zniszczenie śruby środnika na ścinanie | Zniszczenie śruby na ścinanie (górna śruba łącząca kątownik środnikowy z środnikiem belki) |
Wnioski
Na podstawie wstępnych danych eksperymentalnych oceniono zastosowalność postanowień EN 1993-1-8 do dodatku Steel Joints. Zgodnie z wcześniejszymi obserwacjami dotyczącymi odpowiedników ze stali węglowej, model sztywności Eurokodu miał tendencję do przeszacowywania początkowej sztywności obrotowej, przy czym prognozy wykazywały znaczny rozrzut.
Analityczne modele wytrzymałościowe (TSWAC-10) wykazały stosunek większy niż 1.0 w odniesieniu do plastycznego momentu odporowego zarówno dla próbek eksperymentalnych, jak i symulacji CBFEM. Zauważono istotną rozbieżność dotyczącą dominującego mechanizmu zniszczenia: pęknięcie było niezmiennie inicjowane przez zniszczenie śrub, nawet w konfiguracjach, w których Eurokod przewidywał ciągliwe zniszczenie T-stuba (Mechanizm 1 lub 2) charakteryzujące się utworzeniem przegubu plastycznego. O ile T-stuby rozwijały oczekiwane odkształcenia plastyczne, wyraźne umocnienie odkształceniowe stali nierdzewnej umożliwiało dalszy wzrost naprężeń w uplastycznionych strefach.
Bibliografia
- Elflah, M.; Theofanous, M.; Dirar, S.; & Yuan, H.X. (2018). Behaviour of stainless-steel beam-to column joints - part 1: experimental investigation. J. Constr. Steel Res (2018). https://doi.org/10.1016/j.jcsr.2018.02.040 (in press).
- Elflah M.; Theofanous M.; & Dirar S. (2019). Behaviour of Stainless-Steel Beam-to-column Joints – Part 2: Numerical Modelling and Parametric Study. J. Constr. Steel Res. 152(2019), pp. 194-212.
- CEN. (2005). EN 1993-1-8, Eurocode 3: Design of steel Structures – Part 1–8: Design of Joints. British Standards Institution, CEN.
- Weynard K.; Jaspart J.P.; & Steenhuis, M. (1995). The stiffness model of revised Annex J to Eurocode 3, connections in steel structures III: behaviour, strength and design. Paper presented at 3rd International Workshop on Connections in Steel Structures. Trento, Italy.