Description
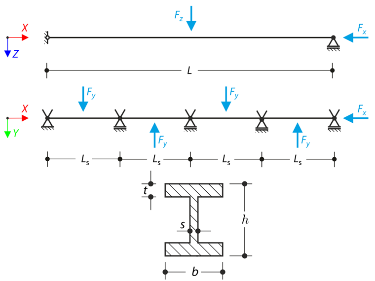
Continuous beam with four spans is loaded by axial and bending forces (replacing imperfections). All supports are fork - warping is free. Determine displacements uy and uz, moments My, Mz, Mω and MTpri and rotation φx. The verification example is based on the example introduced by Gensichen and Lumpe (see the reference).
| Material | Steel S355 | Modulus of Elasticity | E | 210000.000 | MPa |
| Shear Modulus | G | 81000.000 | MPa | ||
| Geometry | Beam | Length | L | 12.000 | m |
| Span | Ls | 3.000 | m | ||
| Cross-section | Height | h | 400.000 | mm | |
| Width | b | 180.000 | mm | ||
| Web Thickness | s | 10.000 | mm | ||
| Flange Thickness | t | 14.000 | mm | ||
| Load | Transversal Forces | Fy, Fz | 31.000 | kN | |
| Axial Force | Fx | 1550.000 | kN | ||
Analytical Solution
Analytical solution is not available. Results from software S3D are taken as reference.
RFEM and RSTAB Settings
- Modeled in RFEM 6.05, RSTAB 9.05
- The element size is lFE= 0.300 m
- Isotropic linear elastic material model is used
- Second-Order Analysis and Large deformation Analysys is used
- Torsional Warping is used in RFEM 6 and RSTAB 9
Results
| Quantity | S3D | RFEM 6 - Second-Order Analysys | Ratio | RFEM 6 - Large Deformation Analysys | Ratio |
| uy,max [mm] | 12.600 | 13.334 | 1.058 | 13.242 | 1.051 |
| uz,max [mm] | 45.200 | 44.675 | 0.988 | 46.989 | 1.040 |
| φx,max [mrad] | 11.750 | 12.701 | 1.081 | 12.389 | 1.054 |
| My,max [kNm] | 163.000 | 162.084 | 0.994 | 165.738 | 1.017 |
| Mz,max [kNm] | 44.000 | 46.077 | 1.047 | 45.131 | 1.026 |
| MTpri,max [kNm] | 47.000 | 49.000 | 1.043 | 47.930 | 1.020 |
| MTsec,max [kNm] | 172.000 | 224.071 | 1.303 | 118.061 | 0.686 |
| Mω,max [kNm2] | 1.440 | 1.530 | 1.063 | 1.500 | 1.042 |
Remark: This verification example is not available in Large Deformation Analysis in RSTAB 9 now.
| Quantity | S3D | RSTAB 9 - Second-Order Analysys | Ratio | RSTAB 9 - Large Deformation Analysys | Ratio |
| uy,max [mm] | 12.600 | 13.339 | 1.059 | - | - |
| uz,max [mm] | 45.200 | 44.660 | 0.988 | - | - |
| φx,max [mrad] | 11.750 | 12.845 | 1.093 | - | - |
| My,max [kNm] | 163.000 | 162.064 | 0.994 | - | - |
| Mz,max [kNm] | 44.000 | 45.251 | 1.028 | - | - |
| MTpri,max [kNm] | 47.000 | 49.435 | 1.052 | - | - |
| MTsec,max [kNm] | 172.000 | 137.759 | 0.801 | - | - |
| Mω,max [kNm2] | 1.440 | 1.536 | 1.067 | - | - |