Popis
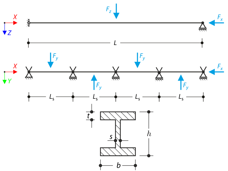
Spojitý nosník o čtyřech polích je zatížen normálovými a ohybovými silami (nahrazujícími imperfekce). All supports are fork - warping is free. Determine displacements uy and uz, moments My, Mz, Mω and MTpri and rotation φx. The verification example is based on the example introduced by Gensichen and Lumpe (see the reference).
| Materiál | Steel S355 | Modul pružnosti | E | 210000.000 | MPa |
| Smykový modul | G | 81000.000 | MPa | ||
| Geometrie | Beam | obvod | L | 12.000 | m |
| pole | LS | 3.000 | m | ||
| Průřez | Výška | h | 400.000 | mm | |
| Šířka | b | 180.000 | mm | ||
| Tloušťka stěny | s | 10.000 | mm | ||
| Tloušťka pásnice | t | 14.000 | mm | ||
| Load | Transversal Forces | Fy, Fz | 31.000 | KN | |
| Normálová síla | Fx | 1550.000 | KN | ||
Analytical Solution
Analytical solution is not available. Results from software S3D are taken as reference.
RFEM and RSTAB Settings
- Modeled in RFEM 6.05, RSTAB 9.05
- The element size is lFE= 0.300 m
- Isotropic linear elastic material model is used
- Second-Order Analysis and Large deformation Analysys is used
- Torsional Warping is used in RFEM 6 and RSTAB 9
Výsledky
| Quantity | S3D | RFEM 6 - Second-Order Analysys | Poměrná hodnota | RFEM 6 - Large Deformation Analysys | Poměrná hodnota |
| uy,max [mm] | 12.600 | 13.334 | 1.058 | 13.242 | 1.051 |
| uz,max [mm] | 45.200 | 44.675 | 0.988 | 46.989 | 1.040 |
| φx,max [mrad] | 11.750 | 12.701 | 1.081 | 12.389 | 1.054 |
| My,max [kNm] | 163.000 | 162.084 | 0.994 | 165.738 | 1.017 |
| Mz,max [kNm] | 44.000 | 46.077 | 1.047 | 45.131 | 1.026 |
| MTpri,max [kNm] | 47.000 | 49.000 | 1.043 | 47.930 | 1.020 |
| MTsec,max [kNm] | 172.000 | 224.071 | 1.303 | 118.061 | 0.686 |
| Mω,max [kNm2] | 1.440 | 1.530 | 1.063 | 1.500 | 1.042 |
Poznámka: This verification example is not available in Large Deformation Analysis in RSTAB 9 now.
| Quantity | S3D | RSTAB 9 - Second-Order Analysys | Poměrná hodnota | RSTAB 9 - Large Deformation Analysys | Poměrná hodnota |
| uy,max [mm] | 12.600 | 13.339 | 1.059 | - | - |
| uz,max [mm] | 45.200 | 44.660 | 0.988 | - | - |
| φx,max [mrad] | 11.750 | 12.845 | 1.093 | - | - |
| My,max [kNm] | 163.000 | 162.064 | 0.994 | - | - |
| Mz,max [kNm] | 44.000 | 45.251 | 1.028 | - | - |
| MTpri,max [kNm] | 47.000 | 49.435 | 1.052 | - | - |
| MTsec,max [kNm] | 172.000 | 137.759 | 0.801 | - | - |
| Mω,max [kNm2] | 1.440 | 1.536 | 1.067 | - | - |