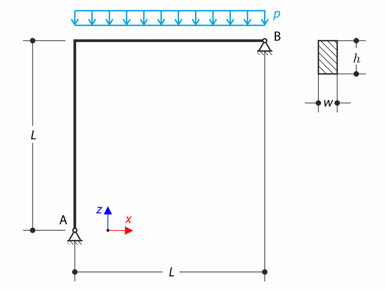
Описание
Изогнутая балка состоит из двух перпендикулярных балок длиной L и имеет прямоугольное поперечное сечение w × h. Она нагружена распределенной нагрузкой p. При игнорировании собственного веса цель состоит в том, чтобы определить максимальное напряжение σx,max на верхней поверхности горизонтальной балки.
| Материал | Изотропный линейно-упругий | Модуль упругости | E | 210000.000 | МПа |
| Коэффициент Пуассона | ν | 0.296 | - | ||
| Геометрия | Длина | L | 1.000 | м | |
| Ширина сечения | w | 25.000 | мм | ||
| Высота сечения | h | 50.000 | мм | ||
| Нагрузка | Распределенная нагрузка | p | 10.000 | Н/мм | |
Аналитическое решение
Уравнения равновесия показывают, что данная конструкция статически не определима. Чтобы завершить систему уравнений, необходимо найти дополнительное условие.
где Ax, Az, Bx, Bz - соответствующие реакции. Недостающее уравнение определяется с помощью условия нулевого прогиба в точке B в направлении z:
Общий прогиб v балок и криволинейных балок может быть удобно определён интегралом Максвелла-Мора:
где Iy - второй момент площади, M(x) - изгибающий момент, вызванный внешними силами, и m(x) - изгибающий момент, вызванный единичной силой. Следующие формулы определяют эти изгибающие моменты в двух областях с координатой x1:
и координатой x2:
Прогиб точки B равен:
Учитывая уравнения равновесия и условие прогиба, реакция сил равна:
Максимальное напряжение возникает в точке с максимальным изгибающим моментом Mmax. Эта точка находится на горизонтальной балке на расстоянии:
Горизонтальная балка также подвержена осевой реакционной силе Bx. Максимальное напряжение σx,max на верхней поверхности состоит из максимального изгибающего напряжения и контактного напряжения, вызванного осевой реакционной силой Bx, следовательно:
Настройки RFEM
- Моделирование выполнено в RFEM 5.39 и RFEM 6.13
- Размер элемента lFE = 0.050 м
- Количество инкрементов: 10
- Используется изотропный линейно-упругий материал
- Сдвиговая жесткость элементов деактивирована
- Используется теория изгиба Керхгофа для пластин
Результаты
| Объект | Теория σx,max [МПа] |
RFEM 6 σx,max [МПа] |
Соотношение [-] |
RFEM 5 σx,max [МПа] |
Соотношение [-] |
| Элемент | - 92.375 | - 91.774 | 0.993 | - 91.774 | 0.993 |
| Пластина, горизонтальная | - 92.422 | 1.001 | - 92.422 | 1.001 | |
| Пластина, вертикальная | - 91.619 | 0.992 | - | - | |
| Твердое тело | - 91.176 | 0.987 | - | - |
Примечание: Сдвиговые эффекты игнорируются в случае балки и горизонтальной пластины. В случае вертикальной пластины и твердого тела эти эффекты учитываются.