Beschreibung
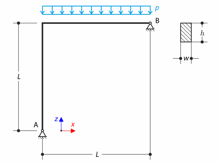
Ein gebogener Balken besteht aus zwei senkrechten Balken der Länge L und einem rechteckigen Querschnitt w × h. Er wird durch eine verteilte Belastung p belastet. Beim Vernachlässigen des Eigengewichts ist es das Ziel, die maximale Spannung σx,max auf der oberen Fläche des horizontalen Balkens zu bestimmen.
| Material | Isotrop Linear Elatisch | Elastizitätsmodul | E | 210000.000 | MPa |
| Poissonzahl | ν | 0.296 | - | ||
| Geometrie | Länge | L | 1.000 | m | |
| Querschnittsbreite | w | 25.000 | mm | ||
| Querschnitthöhe | h | 50.000 | mm | ||
| Last | Verteilte Belastung | p | 10.000 | N/mm | |
Analytische Lösung
Die Gleichgewichtsbedingungen ergeben, dass die gegebene Struktur statisch unbestimmt ist. Um das Gleichungssystem zu vervollständigen, muss eine weitere Festlegung gefunden werden.
wobei Ax, Az, Bx, Bz die entsprechenden Reaktionskräfte sind. Die fehlende Gleichung wird durch die Bedingung der null Verformung am Punkt B in z-Richtung definiert:
Die allgemeine Durchbiegung v von Balken und gebogenen Balken kann bequem durch das Maxwell-Mohr-Integral bestimmt werden:
wobei Iy das Flächenträgheitsmoment zweiter Ordnung, M(x) das durch die äußeren Kräfte verursachte Biegemoment und m(x) das durch die Einheitskraft verursachte Biegemoment ist. Die folgenden Formeln definieren diese Biegemomente in zwei Bereichen mit der Koordinate x1:
und der Koordinate x2:
Die Durchbiegung des Punktes B ist dann gleich:
Unter Berücksichtigung der Gleichgewichtsbedingungen und der Verformungsbedingung sind die Reaktionskräfte gleich:
Die maximale Spannung tritt an dem Punkt auf, an dem das maximale Biegemoment Mmax vorhanden ist. Dieser Punkt befindet sich am horizontalen Balken in einem Abstand von:
Der horizontale Balken wird auch durch die axiale Reaktionskraft Bx belastet. Die maximale Spannung σx,max auf der oberen Fläche setzt sich aus der maximalen Biegespannung und der Druckspannung zusammen, die durch die axiale Reaktionskraft Bx verursacht wird, daher:
RFEM-Einstellungen
- Modelliert in RFEM 5.39 und RFEM 6.13
- Elementgröße lFE = 0.050 m
- Anzahl der Schritte: 10
- Es wird isotropes lineares elastisches Material verwendet
- Die Schubsteifigkeit der Stäbe ist deaktiviert
- Kirchhoff-Biegetheorie für Platten wird verwendet
Ergebnisse
| Entität | Theorie σx,max [MPa] |
RFEM 6 σx,max [MPa] |
Verhältnis [-] |
RFEM 5 σx,max [MPa] |
Verhältnis [-] |
| Stab | - 92.375 | - 91.774 | 0.993 | - 91.774 | 0.993 |
| Platte, horizontal | - 92.422 | 1.001 | - 92.422 | 1.001 | |
| Platte, vertikal | - 91.619 | 0.992 | - | - | |
| Volumenkörper | - 91.176 | 0.987 | - | - |
Bemerkung: Der Schubeffekt wird im Falle des Balkens und der horizontalen Platte vernachlässigt. Bei der vertikalen Platte und dem Volumenkörper sind diese Effekte einbezogen.