描述
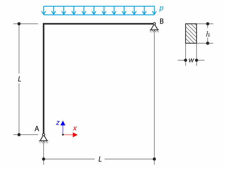
一根弯曲梁由两根互相垂直、长度为 L 的矩形截面 w × h 的梁组成。它承受一个分布荷载 p。忽略自重,目标是确定水平梁上表面最大应力 σx,max。
| 材料 | 各向同性线弹性 | 弹性模量 | E | 210000.000 | MPa |
| 泊松比 | ν | 0.296 | - | ||
| 几何 | 长度 | L | 1.000 | m | |
| 截面宽度 | w | 25.000 | mm | ||
| 截面高度 | h | 50.000 | mm | ||
| 荷载 | 分布荷载 | p | 10.000 | N/mm | |
解析解
平衡方程表明,给定结构是静力超静定的。为补全方程组,必须建立一个附加的相容条件。
其中 Ax、Az、Bx、Bz 为相应的支座反力。缺少的方程由 B 点在 z 方向位移为零的条件确定:
梁和弯梁的一般挠度 v 可方便地使用 Maxwell-Mohr 积分确定:
其中 Iy 为截面二次矩,M(x) 为由外力引起的弯矩,m(x) 为由单位力引起的弯矩。以下公式定义了在坐标 x1 下两个区域中的弯矩:
以及在坐标 x2 下:
因此,B 点的挠度等于:
考虑平衡方程和挠度条件,支座反力为:
最大应力出现在弯矩最大 Mmax 的位置。该位置位于水平梁上,距离为:
水平梁还受到轴向反力 Bx 的作用。上表面上的最大应力 σx,max 由最大弯曲应力和由轴向反力 Bx 引起的压应力组成,因此:
RFEM 设置
- 在 RFEM 5.39 和 RFEM 6.13 中建模
- 单元尺寸 lFE = 0.050 m
- 增量数:10
- 采用各向同性线弹性材料
- 构件的剪切刚度已停用
- 板采用 Kirchhoff 弯曲理论
结果
| 实体 | 理论 σx,max [MPa] |
RFEM 6 σx,max [MPa] |
比值 [-] |
RFEM 5 σx,max [MPa] |
比值 [-] |
| 杆件 | - 92.375 | - 91.774 | 0.993 | - 91.774 | 0.993 |
| 板,水平 | - 92.422 | 1.001 | - 92.422 | 1.001 | |
| 板,竖向 | - 91.619 | 0.992 | - | - | |
| 实体 | - 91.176 | 0.987 | - | - |
备注:对于梁和水平板,忽略剪切效应。对于竖向板和实体,则考虑这些效应。