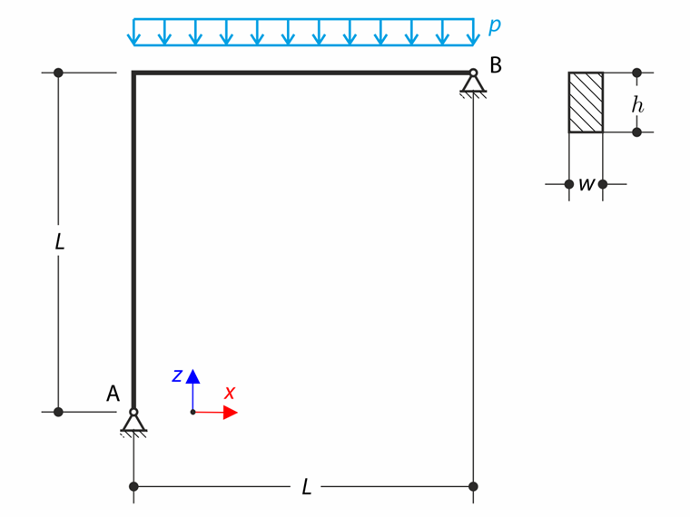
Descripción
Un viga curva consiste en dos vigas perpendiculares de longitud L y sección transversal rectangular w × h. Está cargado por una carga distribuida p. Al descuidar el peso propio, el objetivo es determinar el esfuerzo máximo σx,max en la superficie superior de la viga horizontal.
| Material | Isotrópico Lineal Elástico | Módulo de Elasticidad | E | 210000.000 | MPa |
| Relación de Poisson | ν | 0.296 | - | ||
| Geometría | Longitud | L | 1.000 | m | |
| Ancho de la Sección Transversal | w | 25.000 | mm | ||
| Altura de la Sección Transversal | h | 50.000 | mm | ||
| Carga | Carga Distribuida | p | 10.000 | N/mm | |
Solución Analítica
Las ecuaciones de equilibrio demuestran que la estructura dada es estáticamente indeterminada. Para completar el conjunto de ecuaciones, se debe encontrar una restricción adicional.
donde Ax, Az, Bx, Bz son las fuerzas de reacción correspondientes. La ecuación faltante se define mediante la condición de deflexión cero en el punto B en la dirección z:
La deflexión general v de vigas y vigas curvas se puede determinar convenientemente mediante la integral de Maxwell-Mohr:
donde Iy es el segundo momento de área, M(x) es el momento flector causado por las fuerzas externas y m(x) es el momento flector causado por la fuerza unitaria. Las siguientes fórmulas definen estos momentos flectores en dos regiones con la coordenada x1:
y coordenada x2:
La deflexión del punto B es entonces igual a:
Considerando las ecuaciones de equilibrio y la condición de deflexión, las fuerzas de reacción son iguales a:
El esfuerzo máximo ocurre en el punto con el momento flector máximo Mmax. Este punto está en la viga horizontal a una distancia:
La viga horizontal también está cargada por la fuerza de reacción axial Bx. El esfuerzo máximo σx,max en la superficie superior se compone del esfuerzo flector máximo y del esfuerzo de compresión causado por la fuerza de reacción axial Bx, por lo tanto:
Configuraciones de RFEM
- Modelado en RFEM 5.39 y RFEM 6.13
- Tamaño del elemento lFE = 0.050 m
- Número de incrementos: 10
- Se usa material isotrópico lineal elástico
- La rigidez al cortante de los elementos está desactivada
- Se utiliza la teoría de flexión de Kirchhoff para placas
Resultados
| Entidad | Teoría σx,max [MPa] |
RFEM 6 σx,max [MPa] |
Relación [-] |
RFEM 5 σx,max [MPa] |
Relación [-] |
| Miembro | - 92.375 | - 91.774 | 0.993 | - 91.774 | 0.993 |
| Placa, horizontal | - 92.422 | 1.001 | - 92.422 | 1.001 | |
| Placa, vertical | - 91.619 | 0.992 | - | - | |
| Sólido | - 91.176 | 0.987 | - | - |
Observación: En el caso del haz y la placa horizontal se descartan los efectos cortantes. En el caso de la placa vertical y el sólido estos efectos están incluidos.