72x
009087
2026-03-19

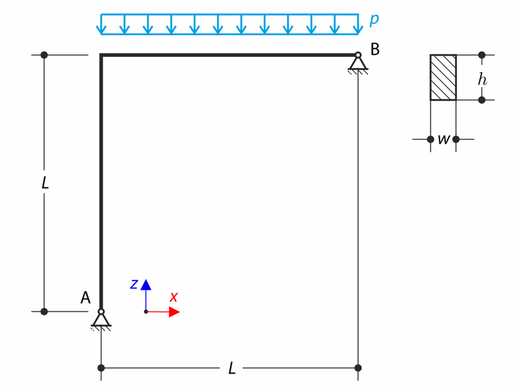
VE0087 | Viga curvada com carga distribuída

Descrição

Uma viga curva consiste em duas vigas perpendiculares de comprimento L e seção transversal retangular w × h. É solicitada por um carregamento distribuído p. Desprezando o peso próprio, o objetivo é determinar a tensão máxima σx,max na superfície superior da viga horizontal.

Material Linear elástico isotrópico Módulo de elasticidade E 210000.000 MPa
Coeficiente de Poisson ν 0.296 -
Geometria Comprimento L 1.000 m
Largura da seção transversal w 25.000 mm
Altura da seção transversal h 50.000 mm
Carga Carregamento distribuído p 10.000 N/mm

Solução Analítica

As equações de equilíbrio indicam que a estrutura dada é estaticamente indeterminada. Para completar o conjunto de equações, deve ser estabelecida uma condição adicional de compatibilidade.

onde Ax, Az, Bx, Bz são as correspondentes forças de reação. A equação em falta é definida por meio da condição de deflexão nula no ponto B na direção z:

A deflexão geral v de vigas e vigas curvas pode ser convenientemente determinada usando a integral de Maxwell-Mohr:

onde Iy é o segundo momento de área, M(x) é o momento fletor causado pelas forças externas e m(x) é o momento fletor causado pela força unitária. As seguintes fórmulas definem esses momentos fletores em duas regiões com a coordenada x1:

e a coordenada x2:

A deflexão do ponto B é então igual a:

Considerando as equações de equilíbrio e a condição de deflexão, as forças de reação são iguais a:

A tensão máxima ocorre no ponto com momento fletor máximo Mmax. Esse ponto está na viga horizontal à distância:

A viga horizontal também é solicitada pela força de reação axial Bx. A tensão máxima σx,max na superfície superior é composta pela tensão máxima de flexão e pela tensão de compressão causada pela força de reação axial Bx, portanto:

Configurações do RFEM

  • Modelado no RFEM 5.39 e RFEM 6.13
  • Tamanho do elemento lFE = 0.050 m
  • Número de incrementos: 10
  • Material linear elástico isotrópico é utilizado
  • A rigidez ao cisalhamento dos membros é desativada
  • É utilizada a teoria de flexão de Kirchhoff para placas

Resultados

Entidade Teoria
σx,max [MPa]
RFEM 6
σx,max [MPa]
Relação
[-]
RFEM 5
σx,max [MPa]
Relação
[-]
Membro - 92.375 - 91.774 0.993 - 91.774 0.993
Placa, horizontal - 92.422 1.001 - 92.422 1.001
Placa, vertical - 91.619 0.992 - -
Sólido - 91.176 0.987 - -
Observação: Os efeitos de cisalhamento são desprezados para vigas e placas horizontais. No caso de placas verticais e sólidos, esses efeitos são incluídos.



;