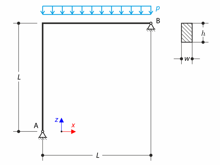
Popis
Zakřivený nosník se skládá ze dvou kolmých nosníků délky L a obdélníkového průřezu w × h. Je zatížen rozloženým zatížením p. Při zanedbání vlastní váhy je cílem určit maximální napětí σx,max na horním povrchu vodorovného nosníku.
| Materiál | Izotropní lineární elastický | Modul pružnosti | E | 210000.000 | MPa |
| Poissonův poměr | ν | 0.296 | - | ||
| Geometrie | Délka | L | 1.000 | m | |
| Šířka průřezu | w | 25.000 | mm | ||
| Výška průřezu | h | 50.000 | mm | ||
| Zatížení | Rozložené zatížení | p | 10.000 | N/mm | |
Analytické řešení
Rovnážné rovnice naznačují, že daná konstrukce je staticky neurčitá. K doplnění soustavy rovnic je třeba stanovit další podmínku kompatibility.
kde Ax, Az, Bx, Bz jsou odpovídající reakční síly. Chybějící rovnice je definována podmínkou nulového průhybu v bodě B ve směru z:
Obecný průhyb v nosníků a zakřivených nosníků lze pohodlně určit pomocí Maxwell-Mohrova integrálu:
kde Iy je moment setrvačnosti, M(x) je ohybový moment způsobený vnějšími silami a m(x) je ohybový moment způsobený jednotkovou silou. Následující vzorce definují tyto ohybové momenty ve dvou oblastech s koordinátou x1:
a koordinátou x2:
Průhyb bodu B je potom roven:
S ohledem na rovnice rovnováhy a podmínku průhybu jsou reakční síly rovny:
Maximální napětí se vyskytuje v bodě s maximálním ohybovým momentem Mmax. Tento bod se nachází na vodorovném nosníku ve vzdálenosti:
Vodorovný nosník je také zatížen axiální reakcí Bx. Maximální napětí σx,max na horním povrchu je složeno z maximálního ohybového napětí a tlakového napětí způsobeného axiální reakcí Bx, tedy:
Nastavení RFEMu
- Modelováno v RFEM 5.39 a RFEM 6.13
- Velikost elementu lFE = 0.050 m
- Počet kroků: 10
- Použit izotropní lineární elastický materiál
- Čistá tuhost prvků je deaktivována
- Použita Kirchhoffova teorie ohybu pro desky
Výsledky
| Entita | Teorie σx,max [MPa] |
RFEM 6 σx,max [MPa] |
Poměr [-] |
RFEM 5 σx,max [MPa] |
Poměr [-] |
| Prvek | - 92.375 | - 91.774 | 0.993 | - 91.774 | 0.993 |
| Deska, vodorovná | - 92.422 | 1.001 | - 92.422 | 1.001 | |
| Deska, vertikální | - 91.619 | 0.992 | - | - | |
| Těleso | - 91.176 | 0.987 | - | - |
Poznámka: Účinky smyku jsou zanedbány pro nosník a vodorovné desky. V případě svislých desek a těles jsou tyto účinky uvažovány.