Opis
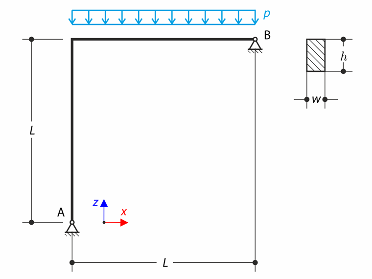
Zakrzywiona belka składa się z dwóch prostopadłych belek o długości L i prostokątnym przekroju w × h. Jest obciążona równomiernie rozłożonym obciążeniem p. Pomijając ciężar własny, celem jest określenie maksymalnego naprężenia σx,max na górnej powierzchni poziomej belki.
| Materiał | Izotropowy sprężysty liniowy | Moduł Younga | E | 210000.000 | MPa |
| Współczynnik Poissona | ν | 0.296 | - | ||
| Geometria | Długość | L | 1.000 | m | |
| Szerokość przekroju | w | 25.000 | mm | ||
| Wysokość przekroju | h | 50.000 | mm | ||
| Obciążenie | Obciążenie rozłożone | p | 10.000 | N/mm | |
Rozwiązanie Analityczne
Równania równowagi wskazują, że dana konstrukcja jest statycznie niewyznaczalna. Aby zakończyć zestaw równań, należy znaleźć dodatkowe ograniczenie.
gdzie Ax, Az, Bx, Bz są odpowiednimi siłami reakcyjnymi. Brakujące równanie definiuje się za pomocą warunku zerowego ugięcia w punkcie B w kierunku z:
Ogólne ugięcie v belki i zakrzywionej belki można wygodnie określić za pomocą całki Maxwella-Mohra:
gdzie Iy jest drugim momentem pola, M(x) jest momentem zginającym spowodowanym przez siły zewnętrzne, a m(x) jest momentem zginającym spowodowanym przez jednostkową siłę. Następujące wzory definiują te momenty zginające w dwóch regionach z współrzędną x1:
i współrzędną x2:
Ugięcie w punkcie B wynosi wtedy:
Biorąc pod uwagę równania równowagi i warunek ugięcia, siły reakcyjne są równe:
Maksymalne naprężenie występuje w punkcie z maksymalnym momentem zginającym Mmax. Punkt ten znajduje się na poziomej belce w odległości:
Pozioma belka jest także obciążona przez osiową siłę reakcyjną Bx. Maksymalne naprężenie σx,max na górnej powierzchni składa się z maksymalnego naprężenia zginającego i naprężenia ściskającego spowodowanego przez osiową siłę reakcyjną Bx, zatem:
Ustawienia w RFEM
- Modelowane w RFEM 5.39 i RFEM 6.13
- Wielkość elementu lFE = 0.050 m
- Liczba inkrementów: 10
- Zastosowano izotropowy liniowy elastyczny materiał
- Sztywność na ścinanie elementów jest dezaktywowana
- Zastosowano teorię zginania Kirchhoffa dla płyt
Wyniki
| Podmiot | Teoria σx,max [MPa] |
RFEM 6 σx,max [MPa] |
Stosunek [-] |
RFEM 5 σx,max [MPa] |
Stosunek [-] |
| Element | - 92.375 | - 91.774 | 0.993 | - 91.774 | 0.993 |
| Płyta, pozioma | - 92.422 | 1.001 | - 92.422 | 1.001 | |
| Płyta, pionowa | - 91.619 | 0.992 | - | - | |
| Bryła | - 91.176 | 0.987 | - | - |
Uwaga: W przypadku belki i poziomej płyty efekty ścinania są pomijane. W przypadku pionowej płyty i bryły efekty te są uwzględniane.