Description
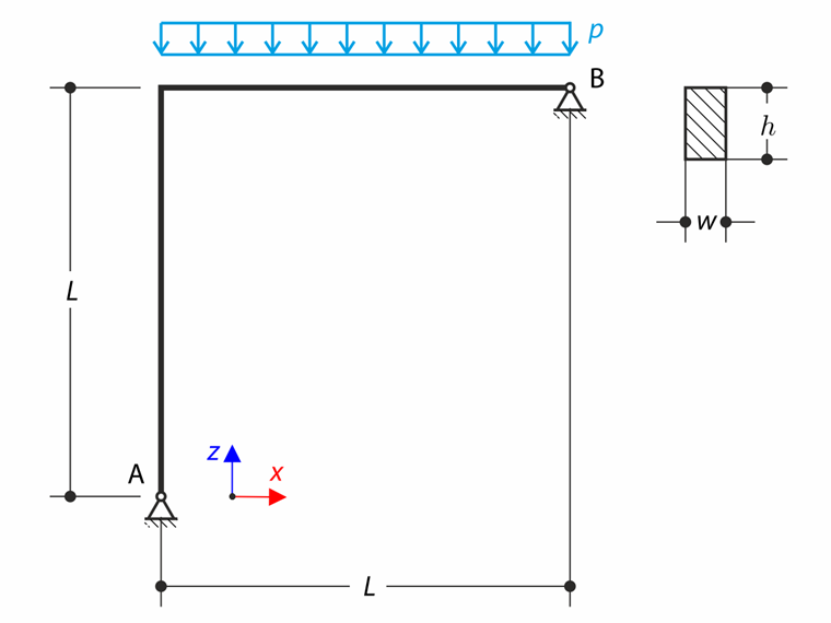
Une poutre courbe se compose de deux poutres perpendiculaires de longueur L et de section rectangulaire w × h. Elle est chargée par une charge répartie p. En négligeant le poids propre, l’objectif est de déterminer la contrainte maximale σx,max sur la surface supérieure de la poutre horizontale.
| Matériau | Isotrope linéaire élastique | Module d’élasticité | E | 210000.000 | MPa |
| Coefficient de Poisson | ν | 0.296 | - | ||
| Géométrie | Longueur | L | 1.000 | m | |
| Largeur de la section | w | 25.000 | mm | ||
| Hauteur de la section | h | 50.000 | mm | ||
| Charge | Charge répartie | p | 10.000 | N/mm | |
Solution analytique
Les équations d’équilibre indiquent que la structure donnée est hyperstatique. Pour compléter le système d’équations, une condition supplémentaire de compatibilité doit être établie.
où Ax, Az, Bx, Bz sont les forces de réaction correspondantes. L’équation manquante est définie au moyen de la condition d’absence de flèche au point B dans la direction z :
La flèche générale v des poutres et des poutres courbes peut être déterminée de manière pratique à l’aide de l’intégrale de Maxwell-Mohr :
où Iy est le moment d’inertie de surface, M(x) est le moment fléchissant causé par les forces extérieures et m(x) est le moment fléchissant causé par la force unitaire. Les formules suivantes définissent ces moments fléchissants dans deux régions avec la coordonnée x1 :
et la coordonnée x2 :
La flèche du point B est alors égale à :
En considérant les équations d’équilibre et la condition de flèche, les forces de réaction sont égales à :
La contrainte maximale se produit au point où le moment fléchissant Mmax est maximal. Ce point se situe sur la poutre horizontale à la distance :
La poutre horizontale est également sollicitée par la force de réaction axiale Bx. La contrainte maximale σx,max sur la face supérieure est composée de la contrainte de flexion maximale et de la contrainte de compression causée par la force de réaction axiale Bx, d’où :
Paramètres RFEM
- Modélisé dans RFEM 5.39 et RFEM 6.13
- Taille d’élément lFE = 0.050 m
- Nombre d’incréments : 10
- Matériau isotrope linéaire élastique utilisé
- La rigidité au cisaillement des barres est désactivée
- La théorie de flexion de Kirchhoff pour les plaques est utilisée
Résultats
| Élément | Théorie σx,max [MPa] |
RFEM 6 σx,max [MPa] |
Rapport [-] |
RFEM 5 σx,max [MPa] |
Rapport [-] |
| Barre | - 92.375 | - 91.774 | 0.993 | - 91.774 | 0.993 |
| Plaque, horizontale | - 92.422 | 1.001 | - 92.422 | 1.001 | |
| Plaque, verticale | - 91.619 | 0.992 | - | - | |
| Solide | - 91.176 | 0.987 | - | - |
Remarque : Les effets du cisaillement sont négligés pour les barres et les plaques horizontales. Dans le cas des plaques verticales et des solides, ces effets sont pris en compte.