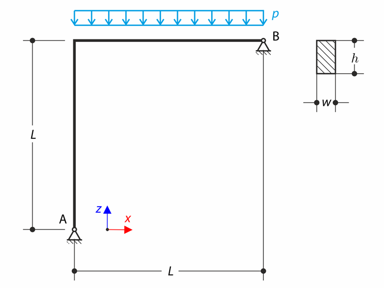
Description
A curved beam consists of two perpendicular beams of length L and rectangular cross-section w × h. It is loaded by a distributed loading p. While neglecting the self-weight, the goal is to determine the maximum stress σx,max on the top surface of the horizontal beam.
| Material | Isotropic Linear Elastic | Modulus of Elasticity | E | 210000.000 | MPa |
| Poisson's Ratio | ν | 0.296 | - | ||
| Geometry | Length | L | 1.000 | m | |
| Cross-section Width | w | 25.000 | mm | ||
| Cross-section Height | h | 50.000 | mm | ||
| Load | Distributed Loading | p | 10.000 | N/mm | |
Analytical Solution
The equilibrium equations indicate that the given structure is statically indeterminate. To complete the set of equations, an additional compatibility condition must be established.
where Ax, Az, Bx, Bz are the corresponding reaction forces. The missing equation is defined by means of the condition of zero deflection at point B in the z-direction:
The general deflection v of beams and curved beams can conveniently be determined using the Maxwell-Mohr integral:
where Iy is the second moment of area, M(x) is the bending moment caused by the outer forces and m(x) is the bending moment caused by the unitary force. The following formulas define these bending moments in two regions with coordinate x1:
and coordinate x2:
The deflection of the point B is then equal to:
Considering the equations of equilibrium and the deflection condition, the reaction forces are equal to:
The maximum stress occurs at the point with maximum bending moment Mmax. This point is on the horizontal beam at the distance:
The horizontal beam is also loaded by the axial reaction force Bx. The maximum stress σx,max on the top surface is composed of the maximum bending stress and the pressure stress caused by the axial reaction force Bx, hence:
RFEM Settings
- Modeled in RFEM 5.39 and RFEM 6.13
- Element size lFE = 0.050 m
- Number of increments: 10
- Isotropic linear elastic material is used
- Shear stiffness of the members is deactivated
- Kirchhoff bending theory for plates is used
Results
| Entity | Theory σx,max [MPa] |
RFEM 6 σx,max [MPa] |
Ratio [-] |
RFEM 5 σx,max [MPa] |
Ratio [-] |
| Member | - 92.375 | - 91.774 | 0.993 | - 91.774 | 0.993 |
| Plate, horizontal | - 92.422 | 1.001 | - 92.422 | 1.001 | |
| Plate, vertical | - 91.619 | 0.992 | - | - | |
| Solid | - 91.176 | 0.987 | - | - |
Remark: Shear effects are neglected for beams and horizontal plates. In the case of vertical plates and solids, these effects are included.