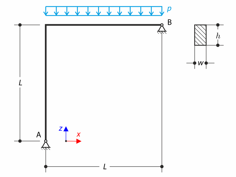
Descrizione
Una trave curva è costituita da due travi perpendicolari di lunghezza L e sezione rettangolare w × h. È soggetta a un carico distribuito p. Trascurando il peso proprio, l’obiettivo è determinare la tensione massima σx,max sulla superficie superiore della trave orizzontale.
| Materiale | Isotropo lineare elastico | Modulo di elasticità | E | 210000.000 | MPa |
| Rapporto di Poisson | ν | 0.296 | - | ||
| Geometria | Lunghezza | L | 1.000 | m | |
| Larghezza della sezione | w | 25.000 | mm | ||
| Altezza della sezione | h | 50.000 | mm | ||
| Carico | Carico distribuito | p | 10.000 | N/mm | |
Soluzione analitica
Le equazioni di equilibrio indicano che la struttura data è staticamente indeterminata. Per completare il sistema di equazioni, è necessario stabilire una condizione aggiuntiva di compatibilità.
dove Ax, Az, Bx, Bz sono le corrispondenti forze di reazione vincolare. L’equazione mancante è definita mediante la condizione di freccia nulla nel punto B nella direzione z:
La freccia generale v di travi e travi curve può essere determinata in modo conveniente utilizzando l’integrale di Maxwell-Mohr:
dove Iy è il momento d’inerzia della sezione, M(x) è il momento flettente causato dalle forze esterne e m(x) è il momento flettente causato dalla forza unitaria. Le formule seguenti definiscono questi momenti flettenti in due regioni con coordinata x1:
e coordinata x2:
La freccia del punto B è quindi uguale a:
Considerando le equazioni di equilibrio e la condizione di freccia, le forze di reazione risultano pari a:
La tensione massima si verifica nel punto con momento flettente massimo Mmax. Questo punto si trova sulla trave orizzontale alla distanza:
La trave orizzontale è inoltre soggetta alla forza di reazione assiale Bx. La tensione massima σx,max sulla superficie superiore è composta dalla massima tensione di flessione e dalla tensione di compressione causata dalla forza di reazione assiale Bx, quindi:
Impostazioni RFEM
- Modellato in RFEM 5.39 e RFEM 6.13
- Dimensione dell’elemento lFE = 0.050 m
- Numero di incrementi: 10
- È utilizzato il materiale isotropo lineare elastico
- La rigidezza a taglio degli elementi è disattivata
- È utilizzata la teoria di flessione di Kirchhoff per le piastre
Risultati
| Entità | Teoria σx,max [MPa] |
RFEM 6 σx,max [MPa] |
Rapporto [-] |
RFEM 5 σx,max [MPa] |
Rapporto [-] |
| Barra | - 92.375 | - 91.774 | 0.993 | - 91.774 | 0.993 |
| Piastra, orizzontale | - 92.422 | 1.001 | - 92.422 | 1.001 | |
| Piastra, verticale | - 91.619 | 0.992 | - | - | |
| Solido | - 91.176 | 0.987 | - | - |
Osservazione: gli effetti del taglio sono trascurati per travi e piastre orizzontali. Nel caso di piastre verticali e solidi, questi effetti sono inclusi.