Описание работы
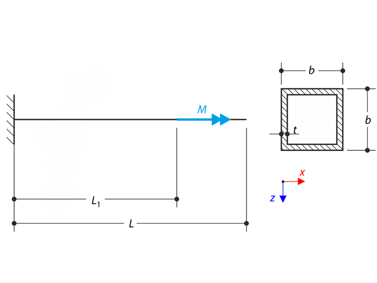
Тонкостенная консоль из профиля QRO полностью закреплена на левом конце (x = 0), и депланация не возникает. На консоль действует крутящий момент M в точке x=L1. Данная проблема описывается следующим набором параметров. Учитываются небольшие деформации, а собственный вес не учитывается. Определить максимальный поворот φx,max и проверить значения первичного крутящего момента MTpri, вторичного крутящего момента M Tec и моментадепланации Mω в точке x=L1. Контрольный пример основан на примере, представленном Gensichen и Lumpe (см. ссылку).
| Материал | Сталь | Модуль упругости | E | 210000,000 | МПа |
| Модуль сдвига | [LinkToImage06] | 81000,000 | МПа | ||
| Геометрия | Консоль QRO | Длительность | [LinkToImage03] | 4,000 | m |
| Ширина и высота | b | 200,000 | мм | ||
| Направление стены | t | 6,000 | мм | ||
| Нагрузки | Момент кручения | M | 80,000 | кНм | |
| Позиция | L1 | 2,800 | m | ||
Аналитическое решение
Максимальный поворот вокруг оси x φx,max происходит в точке x=L1 и имеет одинаковую величину на свободном конце.
Для данного тонкостенного профиля (радиусы в углах не учитываются) константа депланации Cω =0. Таким образом, моменты MTec и Mω должны быть равны нулю по всей длине профиля. Основной крутящий момент MTpri должен совпадать с общим крутящим моментом MT =M.
Настройки программы RFEM и RSTAB
- Смоделировано в программе RFEM 5.05, RSTAB 8.05 и RFEM 6.01, RSTAB 9.01
- Размер элемента равен lFE = 0,200 м
- Количество приращений - 5
- Используется изотропная линейная упругая модель материала
- Конструкция моделируется с помощью стержней
- Применяется для расчета по теории 2-го порядка
- Модуль RF-FE-LTB и FE-LTB используется в RFEM 5 и RSTAB 8
- Аддон Torsional Warping and Steel Design используется в RFEM 6 и
Результаты
| Аналитическое решение | Rfem 6 | сечения | RSTAB 9 | сечения | |
| φx,max [рад] | 0,063 | 0,063 | 1,000 | 0,063 | 1,000 |
| Аналитическое решение | RFEM 5 - RF-FE-LTB | сечения | RSTAB 8 - КЭ-LTB | сечения | |
| φx,max [рад] | 0,063 | 0,063 | 1,000 | 0,063 | 1,000 |
На следующих графиках показано поведение всех моментов на данной консоли, рассчитанных в RF-FE-LTB или FE-LTB. Основной крутящий момент MTpri должен совпадать с общим крутящим моментом MT. Моменты MTec и Mω должны быть равны нулю по всей длине профиля. Мы видим, что при учете депланации вблизи точки нагрузки x=L1 находится поврежденная зона. Обратите внимание, что вышеупомянутый эффект становится тем меньше, чем более гладкая сетка.
Эта же задача решается в RFEM 6 и RSTAB 9 с аддоном Torsional Warping. Результаты показаны на следующих графиках. В результатах RFEM 6 и RSTAB 9 видно, что нет ошибки вычислений из-за дискретизации.