Descrizione
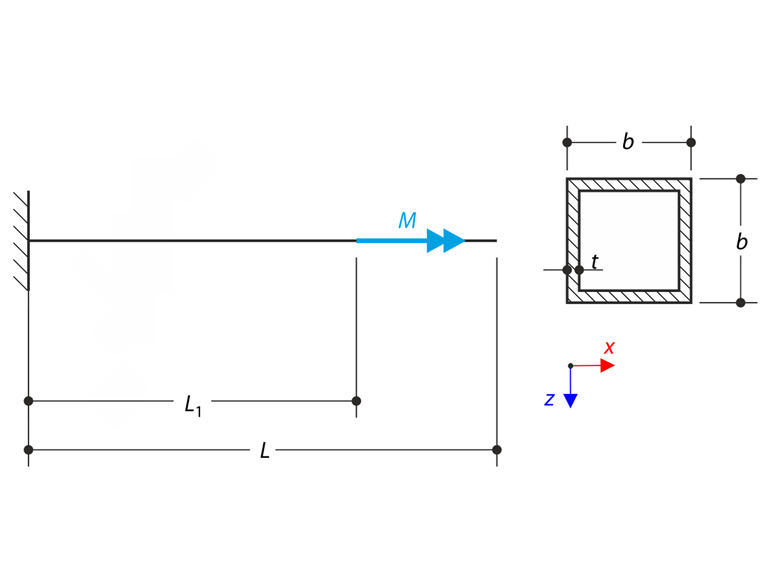
Uno sbalzo a parete sottile del profilo QRO è completamente fissato all'estremità sinistra (x=0) e l'ingobbamento è libero. Lo sbalzo è soggetto a una coppia M in x=L1. Il problema è descritto dal seguente set di parametri. Vengono considerate piccole deformazioni e il peso proprio è trascurato. Determina la rotazione massima φx,max e controlla i valori del momento torcente primario MTpri, del momento torcente secondario MTsec e del momento di ingobbamento Mω nel punto x=L1. L'esempio di verifica si basa sull'esempio introdotto da Gensichen e Lumpe (vedere il riferimento).
| Materiale | Acciaio | Modulo di elasticità | E | 210000,000 | MPa |
| Modulo di taglio | [LinkToImage01] | 81000,000 | MPa | ||
| Geometria | Sbalzo QRO | Durata | [LinkToImage01] | 4,000 | m |
| Larghezza e altezza | b | 200,000 | mm | ||
| Spessore parete | t | 6,000 | mm | ||
| Carico | Coppia | M | 80,000 | kNm | |
| Posizione | L1 | 2,800 | m | ||
Soluzione analitica
La rotazione massima intorno all'asse x φx,max si verifica nel punto x=L1 e ha lo stesso valore fino all'estremità libera.
Per questo profilo a parete sottile (i raggi negli angoli sono trascurati) è la costante di ingobbamento Cω =0. Quindi i momenti MTsec e Mω dovrebbero essere zero sull'intera lunghezza del profilo. Il momento torcente primario MTpri dovrebbe coincidere con il momento torcente totale MT =M.
Impostazioni di RFEM e RSTAB
- Modellato in RFEM 5.05, RSTAB 8.05 e RFEM 6.01, RSTAB 9.01
- La dimensione dell'elemento è lFE = 0,200 m
- Il numero di incrementi è 5
- Viene utilizzato il modello di materiale elastico lineare isotropo
- La struttura è modellata utilizzando le aste
- Viene utilizzata l'analisi del secondo ordine
- I moduli RF-FE-LTB e FE-LTB sono utilizzati in RFEM 5 e RSTAB 8
- L'add-on Torsione di ingobbamento e verifica acciaio è utilizzato in RFEM 6 e
Risultati
| Soluzione analitica | RFEM 6 | Rapporto | RSTAB 9 | Rapporto | |
| φx,max [rad] | 0,063 | 0,063 | 1,000 | 0,063 | 1,000 |
| Soluzione analitica | RFEM 5 - RF-FE-LTB | Rapporto | RSTAB 8 - FE-LTB | Rapporto | |
| φx,max [rad] | 0,063 | 0,063 | 1,000 | 0,063 | 1,000 |
Nei grafici seguenti è mostrato il comportamento di tutti i momenti sullo sbalzo dato calcolato nel modulo RF-FE-LTB o FE-LTB. Il momento torcente primario MTpri dovrebbe coincidere con il momento torcente totale MT. I momenti MTsec e Mω dovrebbero essere zero sull'intera lunghezza del profilo. Si può vedere che c'è l'area interessata nelle vicinanze del punto di carico x=L1, quando si considera l'ingobbamento. Si noti che l'effetto sopra menzionato si riduce con la mesh più liscia.
Lo stesso compito è stato risolto anche in RFEM 6 e RSTAB 9 con l'add-on Torsione di ingobbamento. I risultati sono mostrati nei seguenti grafici. Può essere visto nei risultati di RFEM 6 e RSTAB 9, non ci sono errori di calcolo dovuti alla discretizzazione.