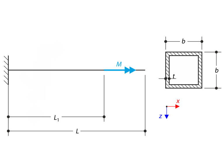
Descrição
A viga em consola de parede fina feita de secção de QRO está completamente fixada na extremidade esquerda (x=0) e o empenamento está livre. A consola está sujeita a um binário M em x=L1. O problema é descrito pelo seguinte conjunto de parâmetros. São consideradas pequenas deformações e o peso próprio é negligenciado. Determine a rotação máxima φx,max e controle os valores do momento de torção primário MTpri, momento de torção secundário MTsec e momento de empenamento Mω no ponto x=L1. O exemplo de verificação é baseado no exemplo introduzido por Gensichen e Lumpe (ver referência).
| Material | Aço de armadura | Módulo de elasticidade | E | 210000,000 | MPa |
| Módulo de corte | G | 81000,000 | MPa | ||
| Geometria | Viga em consola QRO | perímetro | [LinkToImage04] | 4,000 | m |
| Largura e altura | B | 200,000 | mm | ||
| Espessura de parede | t | 6,000 | mm | ||
| Carga, | Torque | M | 80,000 | kNm | |
| Posição | L1 | 2,800 | m | ||
Solução analítica
A rotação máxima em torno do eixo x φx,máx ocorre no ponto x=L1 e tem o mesmo valor até à extremidade livre.
Para este perfil de parede fina (os raios nos cantos são desprezados) existe a constante de empenamento Cω =0. Assim, os momentos MTsec e Mω devem ser zero sobre o comprimento total do perfil. O momento de torção primário MTpri deveria ser coincidente com o momento de torção total MTpri =M.
Configuração do RFEM e do RSTAB
- Modelado no RFEM 5.05, RSTAB 8.05 e RFEM 6.01, RSTAB 9.01
- O tamanho do elemento é lFE = 0,200 m
- O número de incrementos é 5
- É utilizado um modelo de material isotrópico linear elástico
- A estrutura foi modelada com barras
- Análise de segunda ordem está a ser utilizada
- O módulo RF-FE-LTB e FE-LTB é utilizado no RFEM 5 e no RSTAB 8
- O módulo Torção com empenamento e dimensionamento de aço é utilizado no RFEM 6 e
Resultados
| Solução analítica | RFEM 6 | Relação | RSTAB 9 | Relação | |
| φx,máx [rad] | 0,063 | 0,063 | 1,000 | 0,063 | 1,000 |
| Solução analítica | RFEM 5 – RF-FE-LTB | Relação | RSTAB 8 – FE-LTB | Relação | |
| φx,máx [rad] | 0,063 | 0,063 | 1,000 | 0,063 | 1,000 |
Nos gráficos seguintes é demonstrado o comportamento de todos os momentos calculados numa consola calculada no módulo RF-FE-LTB. O momento de torção primário MTpri deveria coincidir com o momento de torção total MTpri. Os momentos MTsec e Mω devem ser zero sobre o comprimento total do perfil. Nota-se que é a área afetada nas proximidades do ponto de carga x=L1, quando é considerado o empenamento. Note que o efeito mencionado acima está a ficar menor com a malha mais suave.
A mesma tarefa também é resolvida no RFEM 6 e no RSTAB 9 com o módulo Torção com empenamento. Os resultados são apresentados nos seguintes gráficos. Pode ser observado nos resultados do RFEM 6 e do RSTAB 9 que não existe erro computacional devido à discretização.