Opis prac
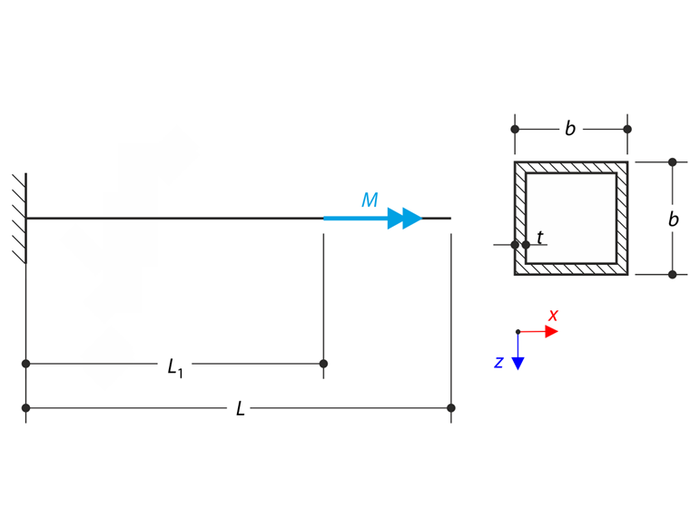
Cienkościenny wspornik z profilu QRO jest w pełni zamocowany na lewym końcu (x=0), a deplanacja jest wolna. Na wspornik działa moment obrotowy M przy x=L1. Problem opisano za pomocą poniższego zestawu parametrów. Uwzględniane są niewielkie odkształcenia, a ciężar własny jest pomijany. Wyznacz maksymalny obrót φx,max i kontroluj wartości głównego momentu skręcającego MTpri, drugorzędnego momentu skręcającego MTsec oraz momentu skrępowanego Mω w punkcie x=L1. Przykład obliczeniowy oparty jest na przykładzie opracowanym przez Gensichen i Lumpe (patrz odnośnik).
| Materiał | Stal | Moduł sprężystości | E | 210000,000 | MPa |
| Moduł ścinania | [SCHOOL.NUMBEROFSINGLEUSERLICENCES] | 81000,000 | MPa | ||
| Geometria | Wspornik QO | obwiednia | [CONTACT.E-MAIL-SALUTATION] | 4,000 | m |
| Szerokość i wysokość | b | 200,000 | mm | ||
| grubość ściany | t | 6,000 | mm | ||
| Obciążenie | Moment obrotowy | M | 80,000 | kNm | |
| Pozycja | L1 | 2,800 | m |
Rozwiązanie analityczne
Maksymalny obrót wokół osi x φx,max występuje w punkcie x=L1 i ma taką samą wartość do wolnego końca.
Dla tego profilu cienkościennego (promienie w narożach są pomijane) jest współczynnikiem deplanacji Cω =0. Zatem momenty MTsec i Mω powinny wynosić zero na całej długości profilu. Główny moment skręcający MTpri powinien być zbieżny z całkowitym momentem skręcającym MT =M.
Ustawienia RFEM i RSTAB
- Modelowany w RFEM 5.05, RSTAB 8.05 i RFEM 6.01, RSTAB 9.01
- Rozmiar elementu wynosi lFE = 0,200 m
- Liczba przyrostów wynosi 5
- Zastosowano izotropowy liniowo sprężysty model materiałowy
- Modelowanie konstrukcji odbywa się za pomocą prętów
- Stosowana jest analiza drugiego rzędu
- moduł RF-FE-LTB i FE-LTB jest stosowany w RFEM 5 i RSTAB 8
- Rozszerzenie Skręcanie skrępowane i wymiarowanie stali jest używane w programie RFEM 6 i
Wyniki
| Rozwiązanie analityczne | RFEM 6 | Stosunek | RSTAB 9 | Stosunek | |
| φx,max [rad] | 0,063 | 0,063 | 1,000 | 0,063 | 1,000 |
| Rozwiązanie analityczne | RFEM 5 - RF-FE-LTB | Stosunek | RSTAB 8 - FE-LTB | Stosunek | |
| φx,max [rad] | 0,063 | 0,063 | 1,000 | 0,063 | 1,000 |
Na poniższych wykresach pokazano zachowanie się wszystkich momentów na danym wsporniku, obliczonych w module RF-FE-LTB lub FE-LTB. Główny moment skręcający MTpri powinien być zbieżny z całkowitym momentem skręcającym MT. Momenty MTsec i Mω powinny wynosić zero na całej długości profilu. Widać, że w pobliżu punktu obciążenia x=L1, gdy uwzględniana jest deplanacja, występuje obszar oddziaływania. Należy pamiętać, że powyższy efekt zmniejsza się wraz z gładszą siatką.
To samo zadanie jest również rozwiązywane w RFEM 6 i RSTAB 9 za pomocą rozszerzenia Skręcanie skrępowane. Wyniki przedstawiono na poniższych wykresach. Jak widać w wynikach programów RFEM 6 i RSTAB 9, dyskretyzacja nie zawiera błędów obliczeniowych.