Description du projet
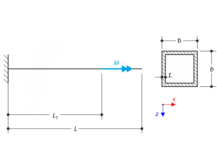
Un porte-à-faux à parois minces de profilé QRO est entièrement fixé à l'extrémité gauche (x = 0) et le gauchissement est libre. Le porte-à-faux est soumis à un moment de rotation M x = L1. Le problème est décrit par les ensembles de paramètres suivants. Les petites déformations sont considérées et le poids propre est négligé. Déterminez la rotation maximale φx,max et contrôlez les valeurs du moment de torsion primaire MTpri, du moment de torsion secondaire MTsec et du moment de gauchissement Mω au point x = L1. L'exemple de vérification est basé sur l'exemple introduit par Gensichen et Lumpe (voir la référence).
| Matériau | Acier | Module d'élasticité | E | 210000,000 | MPa |
| Module de cisaillement | G | 81000,000 | MPa | ||
| Géométrie | Porte-à-faux QRO | Périmètre | L | 4,000 | m |
| Largeur et hauteur | b | 200,000 | mm | ||
| Épaisseur de voile | t | 6,000 | mm | ||
| Import | Couple | M : | 80,000 | kNm | |
| Position | L1 | 2,800 | m |
Solution analytique
La rotation maximale autour de l'axe x φx,max se produit au point x = L1 et a la même valeur jusqu'à l'extrémité libre.
Pour ce profilé à parois minces (les rayons dans les coins sont négligés) est la constante de gauchissement Cω = 0. Les moments MTsec et Mω doivent ainsi être nuls sur toute la longueur du profilé. Le moment de torsion primaire MTpri doit être coïncident avec le moment de torsion total MT =M.
Paramètres de RFEM et RSTAB
- Modélisé dans RFEM 5.05, RSTAB 8.05 et RFEM 6.01, RSTAB 9.01
- La taille de l'élément est lEF = 0,200 m
- Le nombre d'incréments est de 5
- Le modèle de matériau isotrope linéaire élastique est utilisé
- La structure est modélisée à l'aide de barres.
- L'analyse du second ordre est utilisée
- Les modules additionnels RF-FE-LTB et FE-LTB sont utilisés dans RFEM 5 et RSTAB 8
- Le module complémentaire Flambement par flexion-torsion et vérification de l'acier est utilisé dans RFEM 6 et
Résultats
| Solution analytique | RFEM6 | Ratio | RSTAB 9 | Ratio | |
| φx,max [rad] | 0,063 | 0,063 | 1,000 | 0,063 | 1,000 |
| Solution analytique | RFEM 5 - RF-FE-LTB | Ratio | RSTAB 8 - FE-LTB | Ratio | |
| φx,max [rad] | 0,063 | 0,063 | 1,000 | 0,063 | 1,000 |
Les graphiques suivants montrent le comportement de tous les moments sur le porte-à-faux calculé dans RF-FE-LTB ou le module FE-LTB. Le moment de torsion primaire MTpri doit être coïncident avec le moment de torsion total MT. Les moments MTsec et Mω doivent être nuls sur toute la longueur du profilé. On voit que la zone affectée se trouve à proximité du point de chargement x=L1 lorsque le gauchissement est considéré. Notez que l'effet mentionné ci-dessus diminue avec le maillage lissé.
La même tâche est également résolue dans RFEM 6 et RSTAB 9 grâce au module complémentaire Flambement par flexion-torsion. Les résultats sont affichés dans les graphiques suivants. On peut ainsi constater dans les résultats de RFEM 6 et RSTAB 9 qu'il n'y a pas d'erreur de calcul due à la discrétisation.