20047x
001410
2017-03-08

Dimensionamento da viga em madeira laminada colada

Geralmente, as vigas laminadas coladas com vãos longos são suportadas por um pilar de betão armado com restrições à torção.

Ocorrem momentos de torção nestes apoios do garfo, os quais devem ser verificados de acordo com [2] Secção 6.1.9:

A sobreposição das forças internas da força de corte e torção deve evitar fendas no apoio rígido.

O momento de torção nos apoios de extremidade é causado pela flecha da viga no caso de uma carga com forma de seno (ver Figura 03).

De acordo com [1] , o valor de l/400 deve ser definido para a pré-curvatura. Isto baseia-se no requisito mínimo de reforço do sistema de apoio secundário. Encontra mais informações em [3], por exemplo.

No entanto, os atuais métodos de análise de barras estruturais não conseguem detetar torção em apoios. Além disso, muitos programas de cálculo não permitem considerar o empenamento da secção. Uma vez que o cálculo é frequentemente realizado em programas de análise de pórticos 2D, o critério de limitação é fornecido em [2], Secção NCI até 9.2.5.3 (Expressão 2):

Se a relação de esbelteza da viga for inferior a este valor, os componentes da tensão de torção podem ser negligenciados.

Cálculo no RX-TIMBER Glued-Laminated Timber

O exemplo a seguir esclarece essa relação.
Estrutura:
Vão = 25 m
Material = GL24c
Secção = 12 cm/242 cm (sem cumeeira)

A viga está sujeita a uma carga uniformemente distribuída de 13,5 kN/m. O peso próprio é negligenciado.

O dimensionamento determinante é a análise de tensão de torção especificada na Expressão 1. Neste caso, lef é o mesmo que o comprimento do vão de 2,46 m. O espaçamento dos apoios para encurvadura por flexão-torção só pode ser aplicado se o reforço horizontal do sistema de apoio secundário for < l/500 ou l/1000. Isto não é aplicado aqui.


Forças internas e tensões:

Cálculo considerando a torção de empenamento

No RF-/FE-LTB, é possível aplicar uma força de compressão excêntrica na viga. A carga de linha de 13,5 kN/m pode, portanto, ser aplicada fora do centro da viga.

Conforme apresentado na Figura 05, a excentricidade da carga é definida para 6 cm. Além disso, é aplicada uma deformação lateral de 6,15 cm de acordo com [2] (NA.5).

Com base na teoria da flexão de Bernoulli, o RF‑/FE‑LTB pode determinar a carga crítica Fki e, assim, o momento crítico elástico ideal Mki e a carga de encurvadura por torção Nki,phi.

O cálculo é baseado na teoria da encurvadura por torção de segunda ordem. O empenamento da secção (7º grau de liberdade) também é considerado.

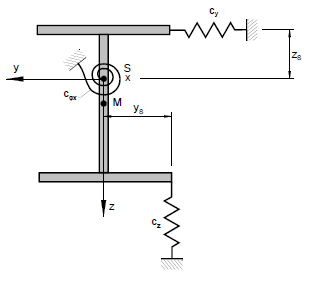
Para considerar a correspondente cobertura ou reforço de cobertura devido ao sistema de apoio secundário, é definida uma mola rotacional em torno do eixo x local da barra. O programa converte esta mola no centro de corte M.

Para obter o valor de deformação apresentado na Figura 2, é aplicada apenas uma mola de torção. Uma mola de translação no banzo superior da estrutura estaria mais perto da realidade. No entanto, a forma de imperfeição necessária não pode ser criada devido à curvatura da viga. A figura de imperfeição seria então cortada no meio, como apresentado na Figura 7. Desta forma, os momentos de torção seriam reduzidos de forma significativa.

Com uma restrição à rotação de 500 kNm/m, resultam momentos de torção de 9,8 kNm nos apoios.

Utilizando este momento de torção, a verificação de [1] pode ser realizada novamente na RX-TIMBER Glued-Laminated Beam. Para isso, é definido o momento de torção determinado na viga RX-TIMBER Glued-Laminated Beam.

Conclusão

A estrutura pode ser dimensionada de forma muito mais económica considerando a rigidez de empenamento da secção.

A diferença em relação à abordagem geral da Secção 9.2.5 em [2] é ainda mais grave ao substituir um apoio rotacional virtual por uma rigidez de mola de translação de 915 N/mm para a deformação longitudinal de um prego convencional numa barra de acoplamento, por exemplo .


Autor

Bastian é responsável, na Product Engineering, pelo desenvolvimento e pela garantia da qualidade na construção em madeira e também atua no Customer Support. A sua experiência é aplicada diretamente no tratamento de questões práticas.

Ligações
Referências
Downloads


;