Torsionsnachweis an BSH-Trägern

Fachbeitrag

An weit gespannten Brettschichtholzträgern wird die Auflagerung an den Endpunkten meist über eine Stahlbetonstütze mit Gabellagern realisiert.

Bild 01 - Gabelgelagerter Träger mit Streckenlast (Quelle: [3])

An diesen Gabellagern treten Torsionsmomente, auf die gemäß [2] Abschnitt 6.1.9 nachgewiesen werden müssen:
$$\frac{{\mathrm\tau}_{\mathrm{tor},\mathrm d}}{{\mathrm k}_\mathrm{shape}\;\cdot\;{\mathrm f}_{\mathrm v,\mathrm d}}\;+\;(\frac{{\mathrm\tau}_{\mathrm y,\mathrm d}}{{\mathrm f}_{\mathrm v,\mathrm d}})²\;+\;(\frac{{\mathrm\tau}_{\mathrm z,\mathrm d}}{{\mathrm f}_{\mathrm v,\mathrm d}})²$$

Mit der Überlagerung der Schnittgrößen aus Querkraft und Torsion sollen Risse am eingespannten Auflager vermieden werden.

Bild 02 - Risse an BSH-Träger (Quelle: [4])

Das Torsionsmoment an den Endauflagern resultiert aus dem Ausweichen des Trägers bei einer Belastung in Form einer Sinuskurve (siehe Bild 3).

Bild 03 - Ausweichen des Trägers

Gemäß [1] ist für die Vorkrümmung ein Wert von l/400 anzusetzen. Dies resultiert aus einer Mindestanforderung der Aussteifung des sekundären Tragsystems. Weitere Informationen hierzu finden sich zum Beispiel in [3].

Mit den gängigen Methoden der Stabstatik lässt sich die Torsion an den Auflagern jedoch nicht erfassen. Zudem bieten viele Rechenprogramme nicht die Möglichkeit der Berücksichtigung der Verwölbung des Querschnitts. Da die Berechnung häufig mit reinen 2D-Stabwerksprogrammen erfolgt, wurde ein Abgrenzungskriterium in [2] Abschnitt NCI zu 9.2.5.3 erstellt (Gleichung 2):
$${\mathrm\lambda}_\mathrm{ef}\;=\;{\mathrm l}_\mathrm{ef}\;\cdot\;\frac{\mathrm h}{\mathrm b²}\;\leq\;225$$

Liegt der Schlankheitsgrad des Trägers unterhalb dieses Wertes können die Torsionsspannungsanteile vernachlässigt werden.

Berechnung in RX-HOLZ BSH

Anhand eines Beispiels wird dieser Zusammenhang verdeutlicht.
System:
Spannweite = 25 m
Material = GL24c
Querschnitt = 12 cm / 242 cm (ohne Firstkeil)

Bild 04 - Geometrie des Trägers

Der Träger ist mit einer Streckenlast von 13,5 kN/m belastet. Das Eigengewicht wird vernachlässigt.

Der maßgebende Nachweis ist der in Gleichung 1 aufgeführte Torsionsspannungsnachweis. lef ist in diesem Fall identisch mit der Feldlänge von 2,46 m. Der Abstand der Kipphalterung kann nur angesetzt werden, wenn die horizontale Aussteifung des sekundären Tragsystems < l/500 beziehungsweise l/1000 liegt. Das wird hier nicht angesetzt.

$$\begin{array}{l}{\mathrm\lambda}_\mathrm{ef}\;=\;{\mathrm l}_\mathrm{ef}\;\cdot\;\frac{\mathrm h}{\mathrm b²}\;=\;2.460\;\mathrm{cm}\;\cdot\;\frac{240\;\mathrm{cm}}{(12\;\mathrm{cm})²}\;=\;4.100\;>\;225\\\frac{{\mathrm\tau}_{\mathrm{tor},\mathrm d}}{{\mathrm k}_\mathrm{shape}\;\cdot\;{\mathrm f}_{\mathrm v,\mathrm d}}\;+\;\left(\frac{{\mathrm\tau}_{\mathrm z,\mathrm d}}{{\mathrm f}_{\mathrm v,\mathrm d}}\right)^2\;=\;\frac{0,11\;\mathrm{kN}/\mathrm{cm}²}{1,3\;\cdot\;0,16\;\mathrm{kN}/\mathrm{cm}²}\;+\;\left(\frac{0,12\;\mathrm{kN}/\mathrm{cm}²}{0,16\;\mathrm{kN}/\mathrm{cm}²}\right)^2\;=\;1,1\end{array}$$

Schnittgrößen und Spannungen:
$$\begin{array}{l}{\mathrm T}_{\mathrm M,\mathrm d}\;=\;\frac{{\mathrm M}_{\max,\mathrm d}}{80}\;=\;\frac{102.665\;\mathrm{kNcm}}{80}\;=\;12,8\;\mathrm{kNm}\\{\mathrm W}_\mathrm t\;=\;11.520\;\mathrm{cm}³\\{\mathrm\tau}_{\mathrm{tor},\mathrm d}\;=\;\frac{1.280\;\mathrm{kNcm}}{11.520\;\mathrm{cm}³}\;=\;0,11\;\mathrm{kN}/\mathrm{cm}²\\{\mathrm\tau}_\mathrm d\;=\;1,5\;\cdot\;\frac{{\mathrm V}_\mathrm d}{{\mathrm k}_\mathrm{cr}\;\cdot\;\mathrm b\;\cdot\;\mathrm h}\;=\;0,12\;\mathrm{kN}/\mathrm{cm}²\end{array}$$

Berechnung unter Berücksichtigung der Wölbkrafttorsion

Mit RF-/FE-BGDK ist es möglich, eine exzentrische Druckkraft auf dem Träger angreifen zu lassen. Die Streckenlast von 13,5 kN/m kann also außermittig des Träger angesetzt werden.

Bild 05 - Exzentrische Lasteinleitung in RF-/FE-BGDK

Wie in Bild 5 dargestellt, wird die Last mit einer Exzentrizität von 6 cm angesetzt. Des Weiteren wird gemäß [2] (NA.5) eine seitliche Verformung von 6,15 cm angesetzt.

$$\mathrm e\;=\;\frac{\mathrm l}{400}\;\cdot\;{\mathrm k}_\mathrm l\;=\;\frac{2.460\;\mathrm{cm}}{400}\;=\;6,15\;\mathrm{cm}$$

Auf Grundlage der Bernoullischen Biegung ist RF-/FE-BGDK damit in der Lage, die Verzweigungslast Fki und damit das ideale Biegedrillknickmoment Mki sowie die Drillknicklast Nki,phi zu ermitteln.

Die Berechnung erfolgt nach der Biegetorsionstheorie nach Theorie II. Ordnung. Die Verwölbung des Querschnitts (7. Freiheitsgrad) wird hierbei berücksichtigt.

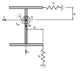
Um die entsprechende Dachhaut beziehungsweise die Aussteifung durch das sekundäre Tragsystem zu berücksichtigen, wird eine Drehfeder um die lokale x-Achse des Stabes definiert. Programmintern wird diese Feder auf den Schubmittelpunkt M umgerechnet.

Bild 06 - Kontinuierliche Federn (aus RF-/FE-BGDK)

Es wird lediglich eine Drehfeder angesetzt um die in Bild 2 dargestellte Verformungsfigur zu erhalten. Realistischer wäre, eine Wegfeder am Obergurt des Systems anzusetzen. Aufgrund der Krümmung des Trägers kann sich dann jedoch nicht die gewünschte Imperfektionsfigur ausbilden. Die Imperfektionsfigur würde dann wie in Bild 7 dargestellt in der Mitte durchschlagen. Dadurch würden sich die Torsionsmomente erheblich verringern.

Bild 07 - Versagensform

Mit einer Drehbettung von 500 kNm/m ergeben sich Torsionsmomente von 9,8 kNm an den Auflagern.

Bild 08 - Torsionsmomente

Mit diesem Torsionsmoment kann der Nachweis aus [1] in RX-HOLZ BSH erneut durchgeführt werden. Hierfür wird das ermittelte Torsionsmoment in RX-HOLZ BSH definiert.

Bild 09 - Torsionsmoment in RX-HOLZ BSH

$$\frac{0,085\;\mathrm{kN}/\mathrm{cm}²}{1,3\;\cdot\;0,16\;\mathrm{kN}/\mathrm{cm}²}\;+\;\left(\frac{0,12\;\mathrm{kN}/\mathrm{cm}²}{0,16\;\mathrm{kN}/\mathrm{cm}²}\right)^2\;=\;0,97\;<\;1$$

Zusammenfassung

Mit der Berücksichtigung der Wölbsteifigkeit des Querschnitts lässt sich die Konstruktion wesentlich wirtschaftlicher auslegen.

Der Unterschied zum pauschalen Ansatz des Abschnitts 9.2.5 in [2] wird noch gravierender, wenn anstelle der fiktiven Drehbettung eine realistische Wegfedersteifigkeit von beispielsweise 915 N/mm für die Längsverformung eines üblichen Nagels in den Koppelstäben angesetzt würde.

Literatur

[1]  Eurocode 5: Bemessung und Konstruktion von Holzbauten - Teil 1-1: Allgemeines - Allgemeine Regeln und Regeln für den Hochbau; DIN EN 1995-1-1:2010-12
[2]  Nationaler Anhang - National festgelegte Parameter - Eurocode 5: Bemessung und Konstruktion von Holzbauten - Teil 1-1: Allgemeines - Allgemeine Regeln und Regeln für den Hochbau; DIN EN 1995-1-1/NA:2013-08
[3]  Blaß, H. J.; Ehlbeck. J.; Kreuzinger H.; Steck G.: Erläuterungen zu DIN 1052:2004-08, 2. Auflage. Köln: Bruderverlag, 2005
[4]  Winter, S.: Bad Reichenhall und die Folgen. München: TU München, 2008

Downloads

Links

Kontakt

Kontakt zu Dlubal

Haben Sie Fragen oder brauchen Sie einen Rat? Kontaktieren Sie uns über unseren kostenlosen E-Mail-, Chat- bzw. Forum-Support oder nutzen Sie die häufig gestellten Fragen (FAQs) rund um die Uhr.

+49 9673 9203 0

info@dlubal.com

RFEM Hauptprogramm
RFEM 5.xx

Basisprogramm

Das FEM-Programm RFEM ermöglicht die schnelle und einfache Modellierung, Berechnung und Bemessung von Tragkonstruktionen mit Stab-, Platten-, Scheiben-, Faltwerk-, Schalen- und Volumen-Elementen aus verschiedenen Materialien.

Erstlizenzpreis
3.160,00 EUR
RSTAB Hauptprogramm
RSTAB 8.xx

Basisprogramm

Das 3D-Statik-Programm RSTAB eignet sich für die Berechnung von Stabwerken aus Stahl, Beton, Holz, Aluminium oder anderen Materialien. Mit RSTAB definieren Sie einfach und schnell das Tragwerksmodell und berechnen dann die Schnittgrößen, Verformungen und Lagerreaktionen.

Erstlizenzpreis
2.280,00 EUR
RFEM Stahl- und Aluminiumbau
RF-FE-BGDK 5.xx

Zusatzmodul

Biegedrillknicknachweise für Stäbe nach Theorie II. Ordnung (FEM)

Erstlizenzpreis
800,00 EUR
RSTAB Stahl- und Aluminiumbau
FE-BGDK 8.xx

Zusatzmodul

Biegedrillknicknachweise für Stäbe nach Theorie II. Ordnung (FEM)

Erstlizenzpreis
800,00 EUR
Eigenständige Holzbau
RX-HOLZ BSH 2.xx

Eigenständiges Programm

Bemessung von Brettschichtholzträgern

Erstlizenzpreis
1.000,00 EUR