Vérification de torsion des poutres en bois lamellé-collé

Article technique

Ce texte a été traduit par Google Translate Lire le texte source

Les poutres en lamellé-collé à longue travée sont en général supportées par un poteau en béton armé avec maintien de torsion.

Figure 01 - 1 - Poutre avec contrainte de torsion soumise à une charge uniforme (Source: [3])

Des moments de torsion se produisent au niveau de ces appuis de fourche et doivent être vérifiés selon [2], Section 6.1.9:
$$\frac{{\mathrm\tau}_{\mathrm{tor},\mathrm d}}{{\mathrm k}_\mathrm{shape}\;\cdot\;{\mathrm f}_{\mathrm v,\mathrm d}}\;+\;(\frac{{\mathrm\tau}_{\mathrm y,\mathrm d}}{{\mathrm f}_{\mathrm v,\mathrm d}})²\;+\;(\frac{{\mathrm\tau}_{\mathrm z,\mathrm d}}{{\mathrm f}_{\mathrm v,\mathrm d}})²$$

En superposant les efforts internes des efforts tranchants et de torsion, il faut éviter les fissures sur l'appui maintenu.

Figure 02 - 2 - Fissures dans le poutre lamellé-collé (Source: [4]

Le moment de torsion aux appuis finaux résulte de la flèche de la poutre pour une charge sous la forme d'une courbe sinusoïdale (voir la Figure 3).

Figure 03 - 3 - Beam Deflection

Selon [1] , une valeur de l/400 doit être appliquée pour la précontrainte. Ceci résulte d'un minimum de rigidité du système de support secondaire. De plus amples informations sont disponibles dans [3], par exemple.

Il n'est cependant pas possible de déterminer la torsion sur les appuis avec les méthodes habituelles d'analyse des barres. De plus, de nombreux programmes de calcul n'offrent pas la possibilité de considérer le gauchissement de la section. Comme le calcul est souvent effectué avec des programmes-cadres 2D purs, un critère de délimitation a été créé en [2], section NCI, de 9.2.5.3 (équation 2):
$${\mathrm\lambda}_\mathrm{ef}\;=\;{\mathrm l}_\mathrm{ef}\;\cdot\;\frac{\mathrm h}{\mathrm b²}\;\leq\;225$$

Si l'élancement de la poutre est inférieur à cette valeur, les composants de contrainte de torsion peuvent être négligés.

Calcul dans RX-TIMBER BSH

Cette connexion est illustrée par un exemple.
Structure:
Portée = 25 m
Matériau = GL24c
Section = 12 cm/242 cm (sans faîte)

Figure 04 - 4 - Geometry of Beam

La poutre est chargée avec une charge linéique de 13,5 kN/m. Le poids propre est négligé.

Le calcul déterminant est la contrainte de torsion indiquée dans l'Équation 1. Dans ce cas, lef est identique à la longueur de champ de 2,46 m. La distance de l'appui basculant ne peut être appliquée que si la rigidité horizontale du système d'appui secondaire est <l/500 ou l/1000. Ceci n'est pas appliqué ici.

$$ \ begin {array} {l} {\ mathrm \ lambda} _ \ mathrm {ef} \; = \; {\ mathrm l} _ \ mathrm {ef} \; \ cdot \; \ frac {\ mathrm h} {\ mathrm b²} \; = \; 2.460 \; \ mathrm {cm} \; \ cdot \; \ frac {240 \; \ mathrm {cm}} {(12 \; \ mathrm {cm}) ²} \; = \; 4.100 \;> \; 225 \\\ frac {{\ mathrm \ tau} _ {\ mathrm {gate}, \ mathrm d}} {{\ mathrm k} _ \ mathrm {shape} \; \ cdot \; {\ mathrm f} _ {\ mathrm v, \ mathrm d}} \; + \; \ left (\ frac {{\ mathrm \ tau} _ {\ mathrm z, \ mathrm d}} {{\ mathrm f} _ {\ mathrm v, \ mathrm d}} \ right) ^ 2 \; = \; \ frac {0,11 \; \ mathrm {kN}/\ mathrm {cm} ²} {1,3 \; \ cdot \; 0,16 \; \ mathrm {kN}/\ mathrm {cm} ²} \; + \; \ left (\ frac {0,12 \; \ mathrm {kN}/\ mathrm {cm} ²} {0,16 \; \ mathrm {kN}/\ mathrm {cm} ²} \ right) ^ 2 \; = \; 1.1 \ end {array} $$

Efforts internes et contraintes:
$$\begin{array}{l}{\mathrm T}_{\mathrm M,\mathrm d}\;=\;\frac{{\mathrm M}_{\max,\mathrm d}}{80}\;=\;\frac{102.665\;\mathrm{kNcm}}{80}\;=\;12,8\;\mathrm{kNm}\\{\mathrm W}_\mathrm t\;=\;11.520\;\mathrm{cm}³\\{\mathrm\tau}_{\mathrm{tor},\mathrm d}\;=\;\frac{1.280\;\mathrm{kNcm}}{11.520\;\mathrm{cm}³}\;=\;0,11\;\mathrm{kN}/\mathrm{cm}²\\{\mathrm\tau}_\mathrm d\;=\;1,5\;\cdot\;\frac{{\mathrm V}_\mathrm d}{{\mathrm k}_\mathrm{cr}\;\cdot\;\mathrm b\;\cdot\;\mathrm h}\;=\;0,12\;\mathrm{kN}/\mathrm{cm}²\end{array}$$

Calcul prenant en compte la torsion de gauchissement

Avec RF-/FE-LTB, il est possible d'appliquer une force de compression excentrée sur la poutre. La charge linéique de 13,5 kN/m peut donc être appliquée hors du centre de la poutre.

Figure 05 - 5 - Eccentric Load Application in RF-/FE-LTB

Comme le montre la Figure 5, la charge est appliquée avec un excentrement de 6 cm. De plus, selon [2] (NA.5), une déformation latérale de 6,15 cm est appliquée.

$$\mathrm e\;=\;\frac{\mathrm l}{400}\;\cdot\;{\mathrm k}_\mathrm l\;=\;\frac{2.460\;\mathrm{cm}}{400}\;=\;6,15\;\mathrm{cm}$$

RF-/FE-LTB peut ainsi déterminer la charge critique F ki , ainsi que le moment de flambement idéal M ki ainsi que la charge de flambement N ki, phi, en se basant sur la flexion de Bernoulli.

Le calcul est effectué selon la théorie de la torsion de flexion selon l'analyse du second ordre. Déformation de la section (7. Degré de liberté) est pris en compte ici.

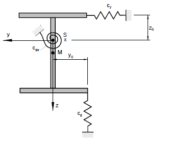
Un ressort de torsion est défini autour de l'axe local des x de la barre afin de considérer le revêtement de toiture correspondant ou la rigidité du système de support secondaire. Dans le cadre du programme, ce ressort est converti en centre de cisaillement M.

Figure 06 - Continuous Springs (from RF-/FE-LTB)

Seul un ressort de torsion est appliqué pour obtenir la figure de déformation représentée sur la Figure 2. Il serait plus réaliste d'appliquer un ressort de translation sur la semelle supérieure du système. Cependant, en raison de la courbure de la poutre, la figure d'imperfection souhaitée ne peut pas être formée. La figure d'imperfection traversait alors au milieu comme le montre la Figure 7. Cela réduirait considérablement les moments de torsion.

Figure 07 - Failure Mode

Avec un maintien en rotation de 500 kNm/m, des moments de torsion de 9,8 kNm résultent sur les appuis.

Figure 08 - Torsional Moments

Avec ce moment de torsion, le calcul à partir de [1] peut être effectué à nouveau dans RX-TIMBER BSH. Le moment de torsion déterminé est défini dans RX-TIMBER BSH.

Figure 09 - Torsional Moments in RX-TIMBER Glued-Laminated Beam

$$\frac{0,085\;\mathrm{kN}/\mathrm{cm}²}{1,3\;\cdot\;0,16\;\mathrm{kN}/\mathrm{cm}²}\;+\;\left(\frac{0,12\;\mathrm{kN}/\mathrm{cm}²}{0,16\;\mathrm{kN}/\mathrm{cm}²}\right)^2\;=\;0,97\;<\;1$$

Résumé

En considérant la rigidité de gauchissement de la section, la structure peut être conçue de manière beaucoup plus économique.

La différence par rapport à l'approche générale de la section 9.2.5 dans [2] devient encore plus importante si, au lieu du maintien en rotation théorique, une déformation réaliste du ressort de déplacement de 915 N/mm, par exemple, est appliquée pour la déformation longitudinale de un clou commun dans les éléments de couplage.

Bibliographie

[1]   Eurocode 5: Calcul des structures en bois - Partie 1-1: Général - Règles générales et règles pour les bâtiments; DIN EN 1995-1-1: 2010-12
[2]  Annexe Nationale - Paramètres nationaux - Eurocode 5: Calcul des structures en bois - Partie 1-1: Général - Règles générales et règles pour les bâtiments; DIN EN 1995-1-1/NA: 2013-08
[3]  Pale, H. J. Ehlbeck. J. Kreuzinger, H.; Fiche G.: Explications de la norme DIN 1052: 2004-08, 2e édition. Cologne: Bruderverlag, 2005
[4] Winter, S.: Bad Reichenhall et les conséquences. Munich: TU Munich, 2008

Téléchargements

Liens

Contactez-nous

Contactez-nous

Des questions sur nos produits ? Besoin de conseils sur un projet ?
Contactez notre assistance technique gratuite par e-mail, via le chat Dlubal ou sur notre forum international. N'hésitez pas à consulter les nombreuses solutions et astuces de notre FAQ.

+33 1 78 42 91 61

info@dlubal.fr

RFEM Logiciel principal
RFEM 5.xx

Programme de base

Logiciel de calcul de structures aux éléments finis (MEF) pour les structures 2D et 3D composées de plaques, voiles, coques, barres (poutres), solides et éléments d'assemblage

Prix de la première licence
3 160,00 EUR
RSTAB Logiciel principal
RSTAB 8.xx

Programme de base

Logiciel de calcul de structures filaires composées de charpentes, poutres et treillis. Il permet d'effectuer le calcul linéaire et non-linéaire et de déterminer les efforts internes, déformations et réactions d'appui

Prix de la première licence
2 280,00 EUR
RFEM Structures en acier
RF-FE-LTB 5.xx

Module additionnel

Vérification du déversement des barres selon l'analyse du second ordre (FEA)

Prix de la première licence
800,00 EUR
RSTAB Structures en acier
FE-LTB 8.xx

Module additionnel

Vérification de déversement des barres selon l'analyse du second ordre (FEA)

Prix de la première licence
800,00 EUR
Programmes autonomes Structures en bois
RX-TIMBER Glued-Laminated Beam 2.xx

Programme autonome

Vérification des poutres en bois lamellé-collé à une ou à plusieurs travées selon l'Eurocode 5

Prix de la première licence
1 000,00 EUR