胶合木梁的扭转设计

技术文章

This article was translated by Google Translator View original text

大跨度胶合层压梁通常由带有扭转约束的钢筋混凝土柱支撑。

图片 01 - 1-荷载作用下受扭约束的梁 [3])

在这些货叉支座上产生扭转力矩,必须按照[2]章节6.1.9进行验证:
$$\frac{{\mathrm\tau}_{\mathrm{tor},\mathrm d}}{{\mathrm k}_\mathrm{shape}\;\cdot\;{\mathrm f}_{\mathrm v,\mathrm d}}\;+\;(\frac{{\mathrm\tau}_{\mathrm y,\mathrm d}}{{\mathrm f}_{\mathrm v,\mathrm d}})²\;+\;(\frac{{\mathrm\tau}_{\mathrm z,\mathrm d}}{{\mathrm f}_{\mathrm v,\mathrm d}})²$$

通过叠加由剪力和扭力引起的内力,可以避免在约束支座上产生裂缝。

图片 02 - 2-胶合木梁裂缝(资料来源: [4])

端部支座处的扭转力矩由梁的挠度引起,荷载形式为正弦曲线(见图3)。

图片 03 - 3 - Beam Deflection

根据[1] ,该值适用于预弯处。 这是由辅助支撑系统的最小加固要求得出的。 更多信息请参见[3]。

但是不能通过杆件分析的方法确定支座上的扭转。 另外,许多计算程序没有考虑截面的翘曲。 由于计算通常是使用纯二维框架程序进行的,因此在[2]的NCI章节9.2.5.3(公式2)中创建了一个划分标准:
$${\mathrm\lambda}_\mathrm{ef}\;=\;{\mathrm l}_\mathrm{ef}\;\cdot\;\frac{\mathrm h}{\mathrm b²}\;\leq\;225$$

如果梁的长细比低于该值,那么扭转应力分量可以忽略不计。

在RX-TIMBER BSH中计算

该连接通过示例进行说明。
结构:
跨距= 25 m
材料= GL24c
截面= 12 cm/242 cm(不包括脊楔)

图片 04 - 4 - Geometry of Beam

梁的线荷载为13.5 kN/m。 自重被忽略。

主导设计是在公式1中列出的扭转应力设计。 在这种情况下,lef等于2.46 m的场长。 倾斜支座的距离只有在副支座系统的水平刚度<l/500或l/1000时才适用。 这在这里不适用。

$$ \ begin {array} {l} {\ mathrm \ lambda} _ \ mathrm {ef} \; = \; {\ mathrm l} _ \ mathrm {ef} \; \ cdot \; \ frac {\ mathrm h} {\ mathrmb²} \; = \; 2.460 \; \ mathrm {cm} \; \ cdot \; \ frac {240 \; \\ mathrm {cm}} {(12 \; \ mathrm {cm})²} \; = \; 4.100 \;> \; 225 \\\ frac {{\ mathrm \ tau} _ {\ mathrm {gate},\ mathrm d}} {{\ mathrm k} _ \ mathrm {shape} \; \ cdot \; {\ mathrm f} _ {\ mathrm v,\ mathrm d}} \; + \; \ left(\ frac {{\ mathrm \ tau} _ {\ mathrm z,\ mathrm d}} {{\ mathrm f} _ {\ mathrm v,\ mathrm d}} \ right} ^ 2 \; = \; \ frac {0.11 \; \ \ mathrm {kN}/\ mathrm {cm}²} {1.3 \; \ cdot \; 0.16 \; \\ mathrm {kN}/\ mathrm {cm}²} \; + \; \左(\ frac {0.12 \; \ mathrm {kN}/\ mathrm {cm}²} {0.16 \; \ mathrm {kN}/\ mathrm {cm}²} \ right)^ 2 \; = \; 1.1 \ end {array} $$

内力和应力:
$$\begin{array}{l}{\mathrm T}_{\mathrm M,\mathrm d}\;=\;\frac{{\mathrm M}_{\max,\mathrm d}}{80}\;=\;\frac{102.665\;\mathrm{kNcm}}{80}\;=\;12,8\;\mathrm{kNm}\\{\mathrm W}_\mathrm t\;=\;11.520\;\mathrm{cm}³\\{\mathrm\tau}_{\mathrm{tor},\mathrm d}\;=\;\frac{1.280\;\mathrm{kNcm}}{11.520\;\mathrm{cm}³}\;=\;0,11\;\mathrm{kN}/\mathrm{cm}²\\{\mathrm\tau}_\mathrm d\;=\;1,5\;\cdot\;\frac{{\mathrm V}_\mathrm d}{{\mathrm k}_\mathrm{cr}\;\cdot\;\mathrm b\;\cdot\;\mathrm h}\;=\;0,12\;\mathrm{kN}/\mathrm{cm}²\end{array}$$

计算时考虑了翘曲扭转

使用RF-/FE-LTB可以对梁施加偏心压缩力。 线偏心荷载为13.5 kN/m。

图片 05 - 5 - Eccentric Load Application in RF-/FE-LTB

如图5所示,偏心距为6 cm。 此外,根据文献[2](NA.5)施加的横向变形为6.15 cm。

$$\mathrm e\;=\;\frac{\mathrm l}{400}\;\cdot\;{\mathrm k}_\mathrm l\;=\;\frac{2.460\;\mathrm{cm}}{400}\;=\;6,15\;\mathrm{cm}$$

RF-/FE-LTB可以根据伯努利弯矩确定临界荷载F ki以及理想的扭转屈曲力矩M ki以及扭转屈曲荷载N ki,phi

计算是根据弯曲扭转理论,根据二阶分析。 截面翘曲(7。 这里考虑自由度)。

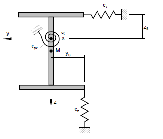
为了考虑相应的屋面蒙皮或通过辅助支座系统进行加固,在构件的局部x轴周围定义了一个扭转弹簧。 在该程序中,该弹簧转换为剪切中心M。

图片 06 - Continuous Springs (from RF-/FE-LTB)

如图2所示,仅施加扭转弹簧即可得到变形图。 在系统的上翼缘上施加平移弹簧会更加实际。 但是,由于梁的弯曲,不能形成理想的缺陷图形。 缺陷图将在中间突破,如图7所示。 这将显着减小扭转力矩。

图片 07 - Failure Mode

当旋转约束为500 kNm/m时,在支座上产生的扭矩为9.8 kNm。

图片 08 - Torsional Moments

借助该弯矩可以在RX-TIMBER BSH中重新进行[1]中的计算。 为此,在RX-TIMBER BSH中定义确定的扭转力矩。

图片 09 - Torsional Moments in RX-TIMBER Glued-Laminated Beam

$$\frac{0,085\;\mathrm{kN}/\mathrm{cm}²}{1,3\;\cdot\;0,16\;\mathrm{kN}/\mathrm{cm}²}\;+\;\left(\frac{0,12\;\mathrm{kN}/\mathrm{cm}²}{0,16\;\mathrm{kN}/\mathrm{cm}²}\right)^2\;=\;0,97\;<\;1$$

小结

通过考虑截面的翘曲刚度可以更经济地设计结构。

如果不考虑理论上的旋转约束,而是将实际位移弹簧刚度例如为915 N/mm应用于实际位移弹簧刚度,则与[2]中第9.2.5节的一般方法的差异会变得更加严重。连接件上的普通钉子。

使用的文献材料

[1]  欧洲规范5: 木结构设计-第1-1部分: 总则-建筑总则和总则; DIN EN 1995-1-1:2010-12
[2]  国家附录-国家规定的参数-欧洲规范5: 木结构设计-第1-1部分: 总则-建筑总则和总则; DIN EN 1995-1-1/NA:2013-08
[3]  苍白,H. J; Ehlbeck。 J; Kreuzinger,H .;插头G。: DIN 1052:2004-08,第二版的解释。 科隆: Bruderverlag,2005年
[4] 冬季,S。: Bad Reichenhall及其后果。 慕尼黑: 慕尼黑工业大学,2008

下载

更多信息

联系我们

Kontakt zu Dlubal

如果您有任何关于我们产品的问题或者建议,请联系我们的技术支持或者搜索我们的问题和解答 (FAQs)。

+49 9673 9203 0

(可要求接中文热线)

info@dlubal.com

RFEM 主程序 RFEM
RFEM 5.xx

主程序

结构设计与有限元­分析软件(FEA)可以用于建立 平面与空间结构模型,适用于由杆件、面、 板、墙、折板、膜、壳、实体以及接触单元等的建模与分析计算。

首个许可价格
3,160.00 EUR
RSTAB 主程序
RSTAB 8.xx

主程序

空间结构设计与分析软件,主要用于框架、梁与桁架等空间结构的建模与计算。可以输出内力、变形与制作反力的线性与非线性的计算结果。

首个许可价格
2,280.00 EUR
RFEM 钢结构和铝合金结构
RF-FE-LTB 5.xx

附加模块

杆件弯扭屈曲有限元分析

首个许可价格
800.00 EUR
RSTAB 钢结构和铝合金结构
FE-LTB 8.xx

附加模块

杆件弯扭屈曲有限元分析

首个许可价格
800.00 EUR
独立程序 木结构
RX-TIMBER Glued-Laminated Beam 2.xx

独立程序

层板胶合木梁设计按照 Eurocode 5 或 DIN 1052

首个许可价格
1,000.00 EUR