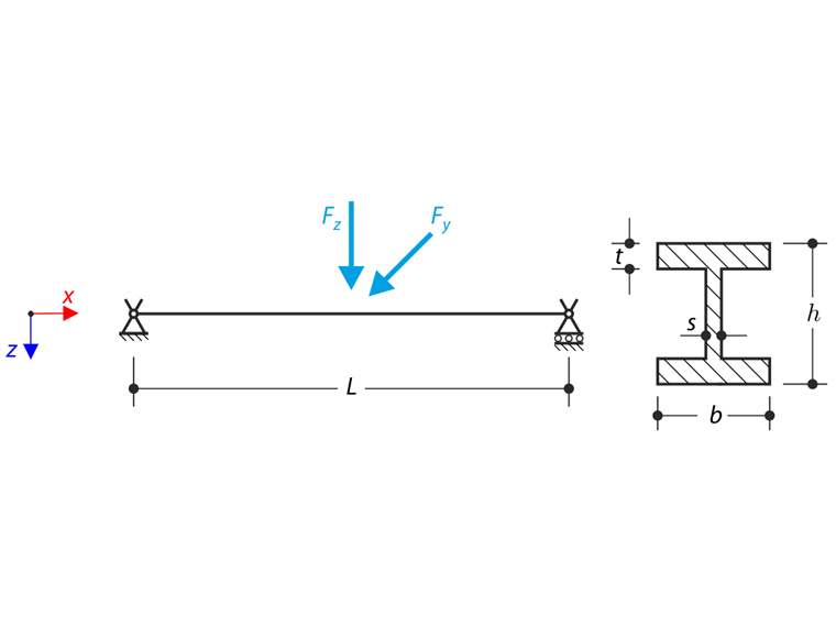
Descrição
A rotação axial do perfil em I é restringida em ambas as extremidades através dos apoios de forquilha (o empenamento não é restringido). A estrutura é carregada no meio por duas forças transversais. O peso próprio não é considerado neste exemplo. Determinar as flechas máximas da estrutura uy,máx e uz,máx, rotação máxima φx,máx, momentos fletores máximos My,máx e Mz,máx e momentos de torção máximos MT,máx, MTpri,máx, MTsec,máx e Mω,máx. O exemplo de verificação é baseado no exemplo introduzido por Gensichen e Lumpe (ver referência).
| Material | Aço de armadura | Módulo de elasticidade | E | 210000,000 | MPa |
| coeficiente de Poisson | ν | 0,300 | - | ||
| Geometria | Feixe | perímetro | [LinkToImage04] | 6,000 | m |
| Secção | Altura | h | 400,000 | mm | |
| Largura | B | 180,000 | mm | ||
| Espessura de alma | S | 10,000 | mm | ||
| Espessura de banzo | t | 14,000 | mm | ||
| Carga, | Força horizontal | Fy | 3,000 | kN | |
| Força vertical | fZ | 194,000 | kN | ||
Solução analítica
A solução analítica não está disponível. Os resultados do software S3D são tidos como referência.
Configuração do RFEM e do RSTAB
- Modelado no RFEM 5.26, RSTAB 8.26 e RFEM 6.01, RSTAB 9.01
- O tamanho do elemento é lFE = 0,025 m
- É utilizado um modelo de material isotrópico linear elástico
- Análise de segunda ordem está a ser utilizada
- O módulo Torção com empenamento e dimensionamento de aço é utilizado no RFEM 6 e no RSTAB 9
Resultados
Os gráficos a seguir ilustram o comportamento das deformações selecionadas e das forças internas calculadas no RSTAB 9. Os valores máximos são ordenados e comparados em tabelas de resultados.
| Quantidade | S3D | RFEM 6 | Relação | RSTAB 9 | Relação |
| uy,máx [mm] | 25.0 | 26,6 | 1,064 | 27,1 | 1,084 |
| uz,máx [mm] | 19,8 | 20,8 | 1,051 | 18.9 | 0,955 |
| φx,máx [mrad] | 81,0 | 87,7 | 1,083 | 84,1 | 1,038 |
| Myy,máx [kNm] | 290,0 | 289,5 | 0,998 | 289,1 | 0,997 |
| Mz,máx [kNm] | -28,0 | -30,0 | 1,071 | -28,7 | 1,025 |
| MT,máx [kNm] | 2,38 | 2,56 | 1,034 | 2,45 | 1,029 |
| MTpri,máx [kNm] | 1,48 | 1,57 | 1,061 | 1.50 | 1,013 |
| MTsec,máx [kNm] | 1,03 | 1,21 | 1,175 | 1,15 | 1,117 |
| Mω,máx [kNm] | 2,61 | 2,84 | 1,088 | 2,70 | 1,034 |
| Quantidade | S3D | RFEM 5 – RF-FE-LTB | Relação | RSTAB 8 – FE-LTB | Relação |
| uy,máx [mm] | 25.0 | 28,1 | 1,124 | 28,1 | 1,124 |
| uz,máx [mm] | 19,8 | 18.9 | 0,954 | 18.9 | 0,954 |
| φx,máx [mrad] | 81,0 | 87,8 | 1,084 | 87,9 | 1,084 |
| Myy,máx [kNm] | 290,0 | 289,0 | 0,997 | 289,0 | 0,997 |
| Mz,máx [kNm] | -28,0 | -29,9 | 1,068 | -29,9 | 1,068 |
| MT,máx [kNm] | 2,38 | 2,54 | 1,068 | 2,54 | 1,068 |
| MTpri,máx [kNm] | 1,48 | 1,57 | 1,061 | 1,57 | 1,061 |
| MTsec,máx [kNm] | 1,03 | 1,19 | 1,155 | 1,19 | 1,155 |
| Mω,máx [kNm] | 2,61 | 2,77 | 1,061 | 2,78 | 1,061 |