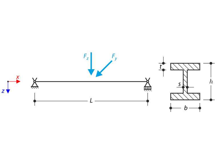
Descrizione
La rotazione assiale del profilo a I è limitata su entrambe le estremità per mezzo dei supporti a forcella (l'ingobbamento non è limitato). La struttura è caricata da due forze trasversali al centro. Il peso proprio è trascurato in questo esempio. Determina le inflessioni massime della struttura uy,max e uz,max, la rotazione massima φx,max, i momenti flettenti massimi My,max e Mz,max e i momenti torcenti massimi MT,max, MTpri,max, MTsec,max e Mω,max. L'esempio di verifica si basa sull'esempio introdotto da Gensichen e Lumpe (vedere il riferimento).
| Materiale | Acciaio | Modulo di elasticità | E | 210000,000 | MPa |
| coefficiente di Poisson | ν | 0,300 | - | ||
| Geometria | Trave | Durata | [LinkToImage01] | 6,000 | m |
| Sezione trasversale | Altezza | h | 400,000 | mm | |
| Larghezza | b | 180,000 | mm | ||
| Spessore dell'anima | s | 10,000 | mm | ||
| spessore dell'ala | t | 14,000 | mm | ||
| Carico | Forza orizzontale | Fy | 3,000 | kN | |
| Forza verticale | Fz | 194,000 | kN | ||
Soluzione analitica
La soluzione analitica non è disponibile. I risultati del software S3D sono presi come riferimento.
Impostazioni di RFEM e RSTAB
- Modellato in RFEM 5.26, RSTAB 8.26 e RFEM 6.01, RSTAB 9.01
- La dimensione dell'elemento è lFE = 0,025 m
- Viene utilizzato il modello di materiale elastico lineare isotropo
- Viene utilizzata l'analisi del secondo ordine
- L'add-on Torsione di ingobbamento e verifica acciaio è utilizzato in RFEM 6 e RSTAB 9
Risultati
I seguenti grafici illustrano il comportamento delle deformazioni selezionate e delle forze interne calcolate in RSTAB 9. I valori massimi sono ordinati e confrontati nelle tabelle dei risultati.
| Quantità | S3D | RFEM 6 | Rapporto | RSTAB 9 | Rapporto |
| uy,max [mm] | 25.0 | 26,6 | 1,064 | 27,1 | 1,084 |
| uz,max [mm] | 19,8 | 20,8 | 1,051 | 18.9 | 0,955 |
| φx,max [mrad] | 81,0 | 87,7 | 1,083 | 84,1 | 1,038 |
| My,max [kNm] | 290,0 | 289,5 | 0,998 | 289,1 | 0,997 |
| Mz,max [kNm] | -28.0 | -30.0 | 1,071 | -28.7 | 1,025 |
| MT,max [kNm] | 2,38 | 2,56 | 1,034 | 2,45 | 1,029 |
| MTpri,max [kNm] | 1,48 | 1,57 | 1,061 | 1.50 | 1,013 |
| MTsec,max [kNm] | 1,03 | 1,21 | 1,175 | 1.15 | 1,117 |
| Mω,max [kNm] | 2,61 | 2,84 | 1,088 | 2,70 | 1,034 |
| Quantità | S3D | RFEM 5 - RF-FE-LTB | Rapporto | RSTAB 8 - FE-LTB | Rapporto |
| uy,max [mm] | 25.0 | 28,1 | 1,124 | 28,1 | 1,124 |
| uz,max [mm] | 19,8 | 18.9 | 0,954 | 18.9 | 0,954 |
| φx,max [mrad] | 81,0 | 87,8 | 1,084 | 87,9 | 1,084 |
| My,max [kNm] | 290,0 | 289,0 | 0,997 | 289,0 | 0,997 |
| Mz,max [kNm] | -28.0 | -29.9 | 1,068 | -29.9 | 1,068 |
| MT,max [kNm] | 2,38 | 2,54 | 1,068 | 2,54 | 1,068 |
| MTpri,max [kNm] | 1,48 | 1,57 | 1,061 | 1,57 | 1,061 |
| MTsec,max [kNm] | 1,03 | 1,19 | 1,155 | 1,19 | 1,155 |
| Mω,max [kNm] | 2,61 | 2,77 | 1,061 | 2,78 | 1,061 |