Beschreibung
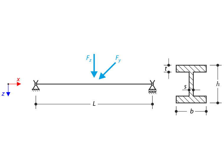
Die axiale Drehung des I-Profils wird an beiden Enden mittels der Gabellagerungen eingeschränkt (Verwölbung wird nicht behindert). Das Tragwerk wird in seiner Mitte durch zwei Querkräfte belastet. Das Eigengewicht wird in diesem Beispiel nicht berücksichtigt. Es sollen die maximalen Durchbiegungen des Tragwerks uy,max und uz,max, die maximale Verdrehung φx,max, die maximalen Biegemomente My,max und Mz,max und die maximalen Torsionsmomente MT,max, MTpri,max bestimmt werden. MTsec,max und Mω,max. Dieses Verifikationsbeispiel basiert auf dem von Gensichen und Lumpe vorgestellten Beispiel (siehe Literatur).
| Material | Stahl | Elastizitätsmodul | E | 210000,000 | MPa |
| Querdehnzahl | ν | 0,300 | - | ||
| Geometrie | Balken | Länge | L | 6,000 | m |
| Querschnitt | Höhe | h | 400,000 | mm | |
| Breite | b | 180,000 | mm | ||
| Stegdicke | S | 10,000 | mm | ||
| Flanschdicke | t | 14,000 | mm | ||
| Last | Horizontalkraft | Fy | 3,000 | kN | |
| Vertikalkraft | Fz | 194,000 | kN | ||
Analytische Lösung
Eine analytische Lösung ist nicht verfügbar. Die Ergebnisse aus der Software S3D werden als Referenz herangezogen.
RFEM- und RSTAB-Einstellungen
- Modelliert in RFEM 5.26, RSTAB 8.26 und RFEM 6.01, RSTAB 9.01
- Die Elementgröße beträgt lFE = 0,025 m
- Es wird ein isotropes linear-elastisches Materialmodell vorausgesetzt.
- Theorie II. Ordnung verwendet
- Das Add-On Wölbkrafttorsion und Stahlbemessung wird in RFEM 6 und RSTAB 9 verwendet
Ergebnisse
Die folgenden Grafiken zeigen das Verhalten ausgewählter in RSTAB 9 berechneter Verformungen und Schnittgrößen. Maximalwerte werden in Ergebnistabellen sortiert und gegenübergestellt.
| Anzahl | S3D | RFEM 6 | Verhältnis | RSTAB 9 | Verhältnis |
| uy,max [mm] | 25.0 | 26,6 | 1,064 | 27,1 | 1,084 |
| uz,max [mm] | 19,8 | 20,8 | 1,051 | 18.9 | 0,955 |
| φx,max [mrad] | 81,0 | 87,7 | 1,083 | 84,1 | 1,038 |
| My,max [kNm] | 290,0 | 289,5 | 0,998 | 289,1 | 0,997 |
| Mz,max [kNm] | -28,0 | -30.0 | 1,071 | -28.7 | 1,025 |
| MT,max [kNm] | 2,38 | 2,56 | 1,034 | 2,45 | 1,029 |
| MTpri,max [kNm] | 1,48 | 1,57 | 1,061 | 1.50 | 1,013 |
| MTsec,max [kNm] | 1,03 | 1,21 | 1,175 | 1.15 | 1,117 |
| Mω,max [kNm] | 2,61 | 2,84 | 1,088 | 2,70 | 1,034 |
| Anzahl | S3D | RFEM 5 - RF-FE-BGDK | Verhältnis | RSTAB 8 - FE-BGDK | Verhältnis |
| uy,max [mm] | 25.0 | 28,1 | 1,124 | 28,1 | 1,124 |
| uz,max [mm] | 19,8 | 18.9 | 0,954 | 18.9 | 0,954 |
| φx,max [mrad] | 81,0 | 87,8 | 1,084 | 87,9 | 1,084 |
| My,max [kNm] | 290,0 | 289,0 | 0,997 | 289,0 | 0,997 |
| Mz,max [kNm] | -28,0 | -29.9 | 1,068 | -29.9 | 1,068 |
| MT,max [kNm] | 2,38 | 2,54 | 1,068 | 2,54 | 1,068 |
| MTpri,max [kNm] | 1,48 | 1,57 | 1,061 | 1,57 | 1,061 |
| MTsec,max [kNm] | 1,03 | 1,19 | 1,155 | 1,19 | 1,155 |
| Mω,max [kNm] | 2,61 | 2,77 | 1,061 | 2,78 | 1,061 |