项目介绍
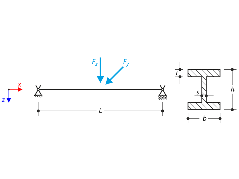
两端的铰支座限制 I 型钢的轴向转动(翘曲不被限制)。 两个横向力在中间施加。 示例中忽略自重。 计算结构的最大挠度 uy,max和 uz,max ,最大转角 φx,max ,最大弯矩 My,max和 Mz,max以及最大扭矩 MT,max, MTpri,max , MTsec,max与 Mω,max 验算示例是基于 Gensichen 和 Lumpe 提出的示例(参见参考资料)。
| 材料 | 钢 | 弹性模量 | E | 210000,000 | MPa |
| 泊松比 | ν | 0,300 | <现在wiki>-现在wiki> | ||
| 几何尺寸 | 梁 | 周长 | l | 6,000 | m |
| 截面 | 高度 | h | 400,000 | mm | |
| 宽度 | b | 180,000 | mm | ||
| 腹板厚度 | S | 10,000 | mm | ||
| 翼缘厚度 | t | 14,000 | mm | ||
| 荷载 | 水平力 | Fy | 3,000 | kN | |
| 垂直力 | Fz | 194,000 | kN | ||
解析解
分析解不可用。 本文中参考了软件 S3D 的计算结果。
RFEM 和 RSTAB 设置
- 在RFEM 5.26、RSTAB 8.26 或 RFEM 6.01、RSTAB 9.01中建模
- 单元尺寸 lFE = 0.025 m
- 使用各向同性线弹性材料模型
- 使用二阶分析
- 翘曲扭转和钢结构设计模块用于 RFEM 6 和 RSTAB 9
结果
下图显示了在 RSTAB 9 中计算所选变形和内力后的变化情况。 在结果表中可以对最大值进行排序和比较。
| 数量 | S3D | RFEM 6 | 比值 | RSTAB 9 | 比值 |
| uy,max [mm] | 25.0 | 26,6 | 1,064 | 27,1 | 1,084 |
| uz,max [mm] | 19,8 | 20,8 | 1,051 | 18.9 | 0,955 |
| φx,max [mrad] | 81,0 | 87,7 | 1,083 | 84,1 | 1,038 |
| My,max [kNm] | 290,0 | 289,5 | 0,998 | 289,1 | 0,997 |
| Mz,max [kNm] | -28.0 | -,30.0 | 1,071 | -28.7 | 1,025 |
| MT,max [kNm] | 2,38 | 2,56 | 1,034 | 2,45 | 1,029 |
| MTpri,max [kNm] | 1,48 | 1,57 | 1,061 | 1.50 | 1,013 |
| MTsec,max [kNm] | 1,03 | 1,21 | 1,175 | 1.15 | 1.117 |
| Mω,max [kNm] | 2,61 | 2,84 | 1,088 | 2,70 | 1,034 |
| 数量 | S3D | RFEM 5 - RF-FE-LTB | 比值 | RSTAB 8 - 有限元软件 | 比值 |
| uy,max [mm] | 25.0 | 28,1 | 1,124 | 28,1 | 1,124 |
| uz,max [mm] | 19,8 | 18.9 | 0,954 | 18.9 | 0,954 |
| φx,max [mrad] | 81,0 | 87,8 | 1,084 | 87,9 | 1,084 |
| My,max [kNm] | 290,0 | 289,0 | 0,997 | 289,0 | 0,997 |
| Mz,max [kNm] | -28.0 | -29.9 | 1,068 | -29.9 | 1,068 |
| MT,max [kNm] | 2,38 | 2,54 | 1,068 | 2,54 | 1,068 |
| MTpri,max [kNm] | 1,48 | 1,57 | 1,061 | 1,57 | 1,061 |
| MTsec,max [kNm] | 1,03 | 1,19 | 1,155 | 1,19 | 1,155 |
| Mω,max [kNm] | 2,61 | 2,77 | 1,061 | 2,78 | 1,061 |