Description du projet
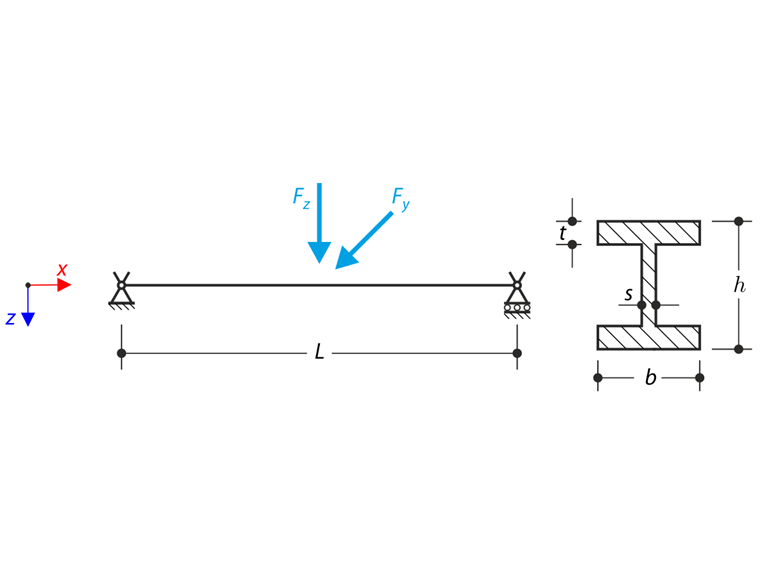
La rotation axiale du profilé en I est limitée aux deux extrémités à l'aide des appuis à fourche (le gauchissement n'est pas limité). La structure est chargée par deux forces transversales en son centre. Le poids propre est négligé dans cet exemple. Déterminer les flèches maximales de la structure uy,max et uz,max, la rotation maximale φx,max, les moments fléchissants maximaux My,max et Mz,max et les moments de torsion maximaux MT,max, MTpri,max MTsec,max et Mω,max. L'exemple de vérification est basé sur l'exemple introduit par Gensichen et Lumpe (voir la référence).
| Matériau | Acier | Module d'élasticité | E | 210000,000 | MPa |
| coefficient de Poisson | ν | 0,300 | |||
| Géométrie | poutre | Périmètre | L | 6,000 | m |
| Section | Hauteur | h | 400,000 | mm | |
| Largeur | b | 180,000 | mm | ||
| Épaisseur de l'âme | s | 10,000 | mm | ||
| Épaisseur de semelle | t | 14,000 | mm | ||
| Import | Force horizontale | Fy | 3,000 | kN | |
| Force verticale | Fz | 194,000 | kN |
Solution analytique
La solution analytique est indisponible. Les résultats du logiciel S3D sont pris comme référence.
Paramètres de RFEM et RSTAB
- Modélisé dans RFEM 5.26, RSTAB 8.26 et RFEM 6.01, RSTAB 9.01
- La taille de l'élément est lEF = 0,025 m
- Le modèle de matériau isotrope linéaire élastique est utilisé
- L'analyse du second ordre est utilisée
- Le module complémentaire Flambement par flexion-torsion et vérification de l'acier est utilisé dans RFEM 6 et RSTAB 9
Résultats
Les graphiques suivants illustrent le comportement des déformations et des efforts internes sélectionnés, calculés dans RSTAB 9. Les valeurs maximales sont triées et comparées dans les tableaux de résultats.
| Quantité | S3D | RFEM 6 | Ratio | RSTAB 9 | Ratio |
| uy,max [mm] | 25,0 | 26,6 | 1,064 | 27,1 | 1,084 |
| uz,max [mm] | 19,8 | 20,8 | 1,051 | 18,9 | 0,955 |
| φx,max [mrad] | 81,0 | 87,7 | 1,083 | 84,1 | 1,038 |
| My,max [kNm] | 290,0 | 289,5 | 0,998 | 289,1 | 0,997 |
| Mz,max [kNm] | -28,0 | -30,0 | 1,071 | -28,7 | 1,025 |
| MT,max [kNm] | 2,38 | 2,56 | 1,034 | 2,45 | 1,029 |
| MTpri,max [kNm] | 1,48 | 1,57 | 1,061 | 1,50 | 1,013 |
| MTsec,max [kNm] | 1,03 | 1,21 | 1,175 | 1,15 | 1,117 |
| Mω,max [kNm] | 2,61 | 2,84 | 1,088 | 2,70 | 1,034 |
| Quantité | S3D | RFEM 5 - RF-FE-LTB | Ratio | RSTAB 8 - FE-LTB | Ratio |
| uy,max [mm] | 25,0 | 28,1 | 1,124 | 28,1 | 1,124 |
| uz,max [mm] | 19,8 | 18,9 | 0,954 | 18,9 | 0,954 |
| φx,max [mrad] | 81,0 | 87,8 | 1,084 | 87,9 | 1,084 |
| My,max [kNm] | 290,0 | 289,0 | 0,997 | 289,0 | 0,997 |
| Mz,max [kNm] | -28,0 | -29,9 | 1,068 | -29,9 | 1,068 |
| MT,max [kNm] | 2,38 | 2,54 | 1,068 | 2,54 | 1,068 |
| MTpri,max [kNm] | 1,48 | 1,57 | 1,061 | 1,57 | 1,061 |
| MTsec,max [kNm] | 1,03 | 1,19 | 1,155 | 1,19 | 1,155 |
| Mω,max [kNm] | 2,61 | 2,77 | 1,061 | 2,78 | 1,061 |