Descripción del trabajo
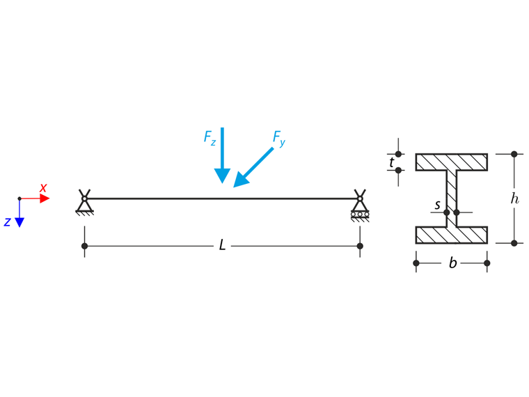
El giro axial del perfil en I está restringido en ambos extremos por medio de los apoyos en horquilla (el alabeo no está restringido). La estructura está cargada por dos fuerzas transversales en su centro. El peso propio se omite en este ejemplo. Determinar las flechas máximas de la estructura uy,max y uz,max, el giro máximo φx,max, los momentos flectores máximos My,max y Mz,max y los momentos torsores máximos MT,max, MTpri,max, MTsec,max y Mω,max. El ejemplo de verificación se basa en el ejemplo presentado por Gensichen y Lumpe (ver la referencia).
| Material | Acero | Módulo de elasticidad | E | 210000,000 | MPa |
| coeficiente de Poisson | ν | 0,300 | - | ||
| Geometría | Viga | perímetro | L | 6,000 | m |
| Sección | Altitud | h | 400,000 | mm | |
| Ancho | b | 180,000 | mm | ||
| Espesor de alma | s | 10,000 | mm | ||
| espesor del ala | t | 14,000 | mm | ||
| Carga | Fuerza horizontal | Fy | 3,000 | kN | |
| Fuerza vertical | Fz | 194,000 | kN | ||
Solución analítica
La solución analítica no está disponible. Los resultados del software S3D se toman como referencia.
Configuración de RFEM y RSTAB
- Modelado en RFEM 5.26, RSTAB 8.26 y RFEM 6.01, RSTAB 9.01
- El tamaño del elemento es lFE = 0,025 m
- Se utiliza el modelo de material elástico lineal isótropo
- Se utiliza el análisis de segundo orden
- El complemento Alabeo por torsión y cálculo de acero se utiliza en RFEM 6 y RSTAB 9
Resultados
Los siguientes gráficos ilustran el comportamiento de las deformaciones seleccionadas y los esfuerzos internos calculados en RSTAB 9. Los valores máximos se ordenan y comparan en las tablas de resultados.
| Cantidad | S3D | RFEM 6 | Razón | RSTAB 9 | Razón |
| uy,máx. [mm] | 25.0 | 26,6 | 1,064 | 27,1 | 1,084 |
| uz,máx. [mm] | 19,8 | 20,8 | 1,051 | 18.9 | 0,955 |
| φx,máx. [mrad] | 81,0 | 87,7 | 1,083 | 84,1 | 1,038 |
| My,máx. [kNm] | 290,0 | 289,5 | 0,998 | 289,1 | 0,997 |
| Mz,máx. [kNm] | -28,0 | -30,0 | 1,071 | -28,7 | 1,025 |
| MT,máx. [kNm] | 2,38 | 2,56 | 1,034 | 2,45 | 1,029 |
| MTpri,máx. [kNm] | 1,48 | 1,57 | 1,061 | 1,50 | 1,013 |
| MTsec,máx. [kNm] | 1,03 | 1,21 | 1,175 | 1.15 | 1,117 |
| Mω,máx. [kNm] | 2,61 | 2,84 | 1,088 | 2,70 | 1,034 |
| Cantidad | S3D | RFEM 5 - RF-FE-LTB | Razón | RSTAB 8 - FE-LTB | Razón |
| uy,máx. [mm] | 25.0 | 28,1 | 1,124 | 28,1 | 1,124 |
| uz,máx. [mm] | 19,8 | 18.9 | 0,954 | 18.9 | 0,954 |
| φx,máx. [mrad] | 81,0 | 87,8 | 1,084 | 87,9 | 1,084 |
| My,máx. [kNm] | 290,0 | 289,0 | 0,997 | 289,0 | 0,997 |
| Mz,máx. [kNm] | -28,0 | -29,9 | 1,068 | -29,9 | 1,068 |
| MT,máx. [kNm] | 2,38 | 2,54 | 1,068 | 2,54 | 1,068 |
| MTpri,máx. [kNm] | 1,48 | 1,57 | 1,061 | 1,57 | 1,061 |
| MTsec,máx. [kNm] | 1,03 | 1,19 | 1,155 | 1,19 | 1,155 |
| Mω,máx. [kNm] | 2,61 | 2,77 | 1,061 | 2,78 | 1,061 |