Описание работы
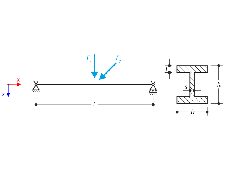
Осевой поворот двутаврового профиля ограничен на обоих концах с помощью вильчатых опор (депланация не ограничена). В середине конструкции действуют две поперечные силы, В данном примере не учитывается собственный вес. Определить максимальные прогибы конструкции uy,max и uz,max, максимальный поворот φx,max, максимальные изгибающие моменты My,max и Mz,max и максимальные крутящие моменты MT,max, MTpri,max MTec,max и Mω,max. Контрольный пример основан на примере, представленном Gensichen и Lumpe (см. ссылку).
| Материал | Сталь | Модуль упругости | E | 210000,000 | МПа |
| коэффициент Пуассона | ν | 0,300 | - | ||
| Геометрия | БАЛКА | Длительность | [LinkToImage03] | 6,000 | m |
| использование | Высота | h | 400,000 | мм | |
| Ширина | b | 180,000 | мм | ||
| Толщина стенки | s | 10,000 | мм | ||
| толщина полки | t | 14,000 | мм | ||
| Нагрузки | Горизонтальная сила | Fy | 3,000 | кН | |
| Вертикальная сила | Fz | 194,000 | кН | ||
Аналитическое решение
Аналитическое решение недоступно. В качестве ориентира взяты результаты из программы S3D.
Настройки программы RFEM и RSTAB
- Смоделировано в программе RFEM 5.26, RSTAB 8.26 и RFEM 6.01, RSTAB 9.01
- Размер элемента равен lFE = 0,025 м
- Используется изотропная линейная упругая модель материала
- Применяется для расчета по теории 2-го порядка
- Аддон Torsional Warping and Steel Design используется в RFEM 6 и RSTAB 9
Результаты
Следующие графики иллюстрируют поведение выбранных деформаций и внутренних сил, рассчитанных в RSTAB 9. Максимальные значения сортируются и сравниваются в таблицах результатов.
| Количество | S3D | Rfem 6 | сечения | RSTAB 9 | сечения |
| uy,max [мм] | 25,0 | 26,6 | 1,064 | 27,1 | 1,084 |
| uz,max [мм] | 19,8 | 20,8 | 1,051 | 18,9 | 0,955 |
| φx,max [мрад] | 81,0 | 87,7 | 1,083 | 84,1 | 1,038 |
| My,max [кНм] | 290,0 | 289,5 | 0,998 | 289,1 | 0,997 |
| Mz,max [кНм] | -28,0 | -30,0 | 1,071 | -28,7 | 1,025 |
| MT,max [кНм] | 2,38 | 2,56 | 1,034 | 2,45 | 1,029 |
| MTprim,max [кНм] | 1,48 | 1,57 | 1,061 | 1.50 | 1,013 |
| MTec,max [кНм] | 1,03 | 1,21 | 1,175 | 1,15 | 1,117 |
| Mω,max [кНм] | 2,61 | 2,84 | 1,088 | 2,70 | 1,034 |
| Количество | S3D | RFEM 5 - RF-FE-LTB | сечения | RSTAB 8 - КЭ-LTB | сечения |
| uy,max [мм] | 25,0 | 28,1 | 1,124 | 28,1 | 1,124 |
| uz,max [мм] | 19,8 | 18,9 | 0,954 | 18,9 | 0,954 |
| φx,max [мрад] | 81,0 | 87,8 | 1,084 | 87,9 | 1,084 |
| My,max [кНм] | 290,0 | 289,0 | 0,997 | 289,0 | 0,997 |
| Mz,max [кНм] | -28,0 | -29,9 | 1,068 | -29,9 | 1,068 |
| MT,max [кНм] | 2,38 | 2,54 | 1,068 | 2,54 | 1,068 |
| MTprim,max [кНм] | 1,48 | 1,57 | 1,061 | 1,57 | 1,061 |
| MTec,max [кНм] | 1,03 | 1,19 | 1,155 | 1,19 | 1,155 |
| Mω,max [кНм] | 2,61 | 2,77 | 1,061 | 2,78 | 1,061 |