18859x
001410
2017-03-08

Расчет кручения грунтовых балок

Большепролетные клеёные балки обычно опираются на железобетонную колонну с ограничениями на кручение.

В этих опорах вилки возникают крутящие моменты, которые необходимо проверять в соответствии с [2] , раздел 6.1.9:

Суперпозиция внутренних сил от сдвига и кручения должна предотвратить появление трещин на жесткой опоре.

Крутящий момент на концевых опорах возникает из-за прогиба балки в случае синусоидальной нагрузки (см. Рисунок 03).

Согласно [1] , для прекамбера должно быть установлено значение l/400. Это основано на минимальных требованиях к усилению вторичной опорной системы. Более подробную информацию можно найти, например, в [3].

Однако современные методы расчета стержней не позволяют обнаружить кручение на опорах. Кроме того, многие программы расчета не учитывают деформацию сечения. Поскольку расчет часто выполняется в программах расчета двухмерных конструкций из каркаса, ограничивающий критерий приведен в [2], раздел NCI до 9.2.5.3 (выражение 2):

Если коэффициент гибкости балки ниже этого значения, компонентами напряжения кручения можно пренебречь.

Расчет в клееной древесине RX-TIMBER

Следующий пример поясняет эту связь.
Конструкция:
Пролет = 25 м
Материал = GL24c
Сечение = 12 см/242 см (без конькового клина)

Балка подвергается равномерно распределенной нагрузке 13,5 кН/м. Собственный вес не учитывается.

Основным расчетом является расчет на кручение, указанный в Выражении 1. В этом случае длинапролета равна 2,46 м. Расстояние между опорами при продольном изгибе при кручении может применяться только в том случае, если горизонтальная жесткость вспомогательной опорной системы составляет <l/500 или l/1000. Здесь это не применяется.


Внутренние силы и напряжения:

Расчет с учетом кручения при деформации

RF-/FE-LTB позволяет приложить к балке эксцентрическую сжимающую силу. Таким образом, линейная нагрузка 13,5 кН/м может быть приложена не по центру балки.

Как показано на рисунке 05, эксцентриситет груза установлен на 6 см. Кроме того, применяется боковая деформация 6,15 см в соответствии с [2] (NA.5).

Основываясь на теории изгиба Бернулли, RF‑/FE ‑ LTB может определить критическую нагрузку Fki и, следовательно, идеальный упругий критический момент Mki и нагрузку потери устойчивости Nki, phi.

Расчет основан на теории потери устойчивости второго порядка. Также учитывается перекос сечения (7-я степень свободы).

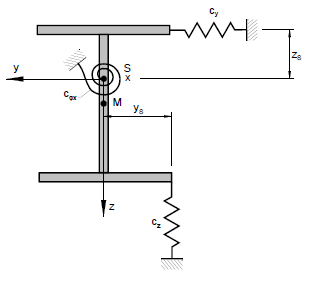
Чтобы учесть соответствующее покрытие крыши или усиление за счет вторичной опорной системы, определяется пружина вращения вокруг локальной оси x элемента. Программа преобразует эту пружину в центр сдвига M.

Применяется только пружина кручения, чтобы получить величину деформации, показанную на рисунке 2. Поступательная пружина на верхнем фланце конструкции была бы ближе к реальности. Однако из-за кривизны балки невозможно создать требуемую форму несовершенства. Затем фигура несовершенства будет прорезана в середине, как показано на рисунке 7. Таким образом, крутящие моменты будут значительно уменьшены.

При ограничении вращения 500 кНм/м на опорах возникает крутящий момент 9,8 кНм.

Используя этот крутящий момент, можно снова выполнить расчет по [1] на клееной балке RX-TIMBER. Для этого определенный крутящий момент определяется в RX-TIMBER Glued-Laminated Beam.

Заключение

Конструкцию можно спроектировать гораздо более экономично, учитывая жесткость поперечного сечения на изгиб.

Отличие от общего подхода, описанного в разделе 9.2.5 в [2], становится еще более серьезным при замене виртуального ограничения вращения на поступательную жесткость пружины 915 Н/мм для продольной деформации обычного гвоздя в соединительном элементе, например .


Автор

Г-н Кун отвечает за разработку продуктов для деревянных конструкций и оказывает техническую поддержку нашим клиентам.

Ссылки
Ссылки
Скачивания


;