ВВЕДЕНИЕ
Эта статья содержит рекомендации по проектированию соединений, сопротивляющихся моменту, в соответствии с Еврокодом 3, специально нацеленные на болтовые соединения торцевых пластин между балками и колоннами в многоэтажных рамах. Она ссылается на соответствующие разделы, рисунки и таблицы из EN 1993-1-8 и других применимых стандартов по мере необходимости.
АНАЛИТИЧЕСКИЙ ПОДХОД
Аналитическая процедура взята из [1].
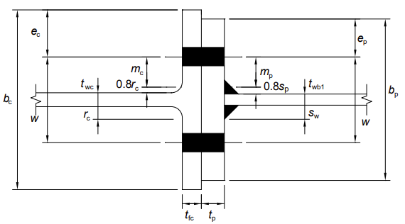
Конфигурация соединения
| Колонна | 254x254x107 UKC | S275 |
| Балка | 533x210x92 UKB | S275 |
| Торцевая пластина | 670x250x25 мм | S275 |
| Болт | M24 класс 8.8 | |
| Сварка | Филейные швы: полка sf = 12 мм, стенка sw = 8 мм |
Эквивалентное сопротивление Т-образной пластины
Сопротивление эквивалентных Т-образных пластин оценивается отдельно для торцевой пластины и фланца колонны. Сопротивления рассчитываются для трех возможных режимов разрушения, и за сопротивление принимается минимальное из значений для этих трех режимов.
Проектное сопротивление фланца Т-образной пластины для каждого из режимов дано ниже.
Режимы разрушения показаны ниже:
| где | ||
| ℓeff,1 | эффективная длина эквивалентной Т-образной пластины для режима 1, принимается как наименьшее из ℓeff,cp и ℓeff,nc | |
| ℓeff,2 | эффективная длина эквивалентной Т-образной пластины для режима 2, принимается как ℓeff,nc | |
| tf | толщина фланца Т-образной пластины (= tp или tfc) | |
| fy | предел текучести фланца Т-образной пластины (т.е. колонны или торцевой пластины) | |
| ∑Ft,Rd | суммарное сопротивление натяжению для болтов в Т-образной пластине (= 2Ft,Rd для одного ряда) | |
| ew | = dw/4 | |
| dw | диаметр шайбы или ширина по точкам головки болта | |
| m | расстояние, определенное на изображении выше | |
| n | минимум из ec (расстояние от края до фланца колонны), ep (расстояние до края торцевой пластины), 1.25 m (для торцевой пластины или фланца колонны, в зависимости от ситуации) |
Определение сопротивления:
Т-образные пластины зоны натяжения
БОЛТОВОЙ РЯД 1
Фланец колонны в изгибе (без опорной пластины)
Рассмотрим, что первый болтовой ряд действует самостоятельно. Основные размеры показаны ниже.
Торцевая пластина в изгибе
Резюме расчета сопротивления:
| Параметр | Единица | Фланец колонны в изгибе (без опорной пластины) | Стенка колонны в поперечном натяжении | Торцевая пластина в изгибе | Стена балки в натяжении | |
| m | [мм] | 33.4 | - | = mx = 30.4 | - | |
| e | [мм] | = emin = 75 | - | e = 75, ex = 50 | - | |
| ℓeff,1 | [мм] | 210 | - | 125 | - | |
| ℓeff,2 | [мм] | 233 | - | 125 | - | |
| РЕЖИМ 1 | ||||||
| n | [мм] | 41.8 | - | 38.0 | - | |
| tf | [мм] | 20.5 | - | 25 | - | |
| fy | [Н/мм2] | 265 | - | 265 | - | |
| Mpl,1,Rd | [Нмм] | 5850x103 | - | 5180x103 | - | |
| dw | [мм] | 39.55 | - | - | - | |
| ew | [мм] | 9.9 | - | 9.9 | - | |
| FT,1,Rd | [кН] | 898 | - | 901 | - | |
| РЕЖИМ 2 | ||||||
| Mpl,2,Rd | [Нмм] | 6490x103 | - | 5180x103 | - | |
| Ft,Rd | [Н] | 203x103 | - | 203x103 | - | |
| Болты в ряду | [шт] | 2 | - | 2 | - | |
| ∑Ft,Rd | [Н] | 406x103 | - | 406x103 | - | |
| FT,2,Rd | [кН] | 398 | - | 377 | - | |
| РЕЖИМ 3 | ||||||
| FT,3,Rd | [кН] | 406 | - | 406 | - | |
| ω | [-] | - | 1.0 | - | ||
| beff,t,wc | [мм] | - | = ℓeff,2 = 233 | - | ||
| fy,wc | [Н/мм2] | - | = fy,c = 265 | - | ||
| СОПРОТИВЛЕНИЕ | Ft,fc,Rd | Ft,wc,Rd | Ft,ep,Rd | |||
| [кН] | 398 | 790 | 377 | |||
| ЗАМЕЧАНИЕ | неприменимо |
Сопротивление болтового ряда 1 - это наименьшее значение из упомянутых выше сопротивлений.
Таким образом, Ft,1,Rd = min {Ft,fc,Rd = 398; Ft,wc,Rd = 790; Ft,ep,Rd = 377} = 377 kN.
БОЛТОВОЙ РЯД 2
Сначала рассмотрите ряд 2 отдельно.
Торцевая пластина в изгибе
Болтовой ряд 2 - это первый болтовой ряд под полкой балки, считающийся 'первым болтовым рядом под натяжной полкой балки'. Основные размеры для Т-образной пластины показаны для Т-образной пластины фланца колонны в ряде 1 и ниже (в разрезе) для ряда 2.
Резюме расчета сопротивления:
| Параметр | Единица | Фланец колонны в изгибе | Стенка колонны в поперечном натяжении | Торцевая пластина в изгибе | Стена балки в натяжении | |
| m | [мм] | - | - | = mp = 38.6 | - | |
| m2 | [мм] | - | - | 34.8 | - | |
| e | [мм] | - | - | = ep = 75 | - | |
| ℓeff,1 | [мм] | - | - | 243 | - | |
| ℓeff,2 | [мм] | - | - | 290 | - | |
| РЕЖИМ 1 | ||||||
| n | [мм] | - | - | 48.3 | - | |
| tf | [мм] | - | - | 25 | - | |
| fy | [Н/мм2] | - | - | 265 | - | |
| Mpl,1,Rd | [Нмм] | - | - | 10.1x103 | - | |
| ew | [мм] | - | - | 9.9 | - | |
| FT,1,Rd | [кН] | - | - | 1291 | - | |
| РЕЖИМ 2 | ||||||
| Mpl,2,Rd | [Нмм] | - | - | 12.0x106 | - | |
| Ft,Rd | [Н] | - | - | 203x103 | - | |
| Болты в ряду | [шт] | - | - | 2 | - | |
| ∑Ft,Rd | [Н] | - | - | 406x103 | - | |
| FT,2,Rd | [кН] | - | - | 502 | - | |
| РЕЖИМ 3 | ||||||
| FT,3,Rd | [кН] | - | - | 406 | - | |
| ω | [-] | - | - | - | 1.0 | |
| beff,t,wc | [мм] | - | - | - | 243 | |
| twb | [мм] | - | - | - | 10.1 | |
| fy,wc | [Н/мм2] | - | - | - | 675 | |
| СОПРОТИВЛЕНИЕ | Ft,fc,Rd | Ft,wc,Rd | Ft,ep,Rd | Ft,wb,Rd | ||
| [кН] | 398 | 790 | 406 | 675 | ||
| ЗАМЕЧАНИЕ | рассчитано для болтового ряда 1, режим 2 | рассчитано для болтового ряда 1 |
Сопротивления для ряда 2 выше учитывают действие ряда в одиночку. Однако с стороны колонны сопротивление может быть ограничено сопротивлением группы рядов 1 и 2. Теперь рассматривается группа сопротивления.
СОЧЕТАНИЕ РЯДОВ 1 И 2
Фланец колонны в изгибе
Резюме расчета сопротивления:
| Параметр | Единица | Фланец колонны в изгибе | Стенка колонны в поперечном натяжении | Торцевая пластина в изгибе | |
| m | [мм] | 33.4 | - | - | |
| ℓeff,1 | [мм] | 332 | - | - | |
| ℓeff,2 | [мм] | 332 | - | - | |
| РЕЖИМ 1 | |||||
| n | [мм] | 41.8 | - | - | |
| tf | [мм] | 20.5 | - | - | |
| fy | [Н/мм2] | 265 | - | - | |
| Mpl,1,Rd | [Нмм] | 9.24x103 | - | - | |
| ew | [мм] | 9.9 | - | - | |
| FT,1,Rd | [кН] | 1420 | - | - | |
| РЕЖИМ 2 | |||||
| Mpl,2,Rd | [Нмм] | 9.24x106 | - | - | |
| Ft,Rd | [Н] | 203 | - | - | |
| Болты | [шт] | 4 | - | - | |
| ∑Ft,Rd | [Н] | 812 | - | - | |
| FT,2,Rd | [кН] | 697 | - | - | |
| РЕЖИМ 3 | |||||
| FT,3,Rd | [кН] | 812 | - | - | |
| ω | [-] | - | 1.0 | - | |
| beff,t,wc | [мм] | - | 332 | - | |
| twb | [мм] | - | 12.8 | - | |
| fy,wc | [Н/мм2] | - | 265 | - | |
| СОПРОТИВЛЕНИЕ | Ft,fc,Rd | Ft,wc,Rd | Ft,ep,Rd | ||
| [кН] | 697 | 1126 | - | ||
| ЗАМЕЧАНИЕ | Нет группового режима для торцевой пластины |
Сопротивление болтовых рядов 1 и 2 - это наименьшее значение сопротивлений Фланец колонны в изгибе и Стенка колонны в натяжении, то есть Ft,1-2,Rd = min {Ft,fc,Rd = 697; Ft,wc,Rd = 1126} = 697 кН.
Таким образом, сопротивление болтового ряда 2 на Стороне колонны ограничено до Ft2,c,Rd = Ft,1-2,Rd - Ft1,Rd = 697 - 377 = 320 кН.
Сопротивление болтового ряда 2 - это наименьшее значение сопротивлений: Фланец колонны в изгибе Ft,fc,Rd = 398 кН, Стенка колонны в натяжении Ft,wc,Rd = 790 кН, Стена балки в натяжении Ft,wb,Rd = 675 кН, Торцевая пластина в изгибе Ft,ep,Rd = 406 кН и Сторона колонны, как часть группы, Ft2,c,Rd = 320 кН. Таким образом, сопротивление болтового ряда 2 Ft,2,Rd = 320 кН.
БОЛТОВОЙ РЯД 3
Сначала рассмотрите ряд 3 самостоятельно.
Резюме расчета сопротивления:
| Параметр | Единица | Фланец колонны в изгибе | Стенка колонны в поперечном натяжении | Торцевая пластина в изгибе | Стена балки в натяжении | |
| e | [мм] | - | - | = ep = 75 | - | |
| m | [мм] | - | - | 38.6 | - | |
| ℓeff,1 | [мм] | - | - | 248 | - | |
| ℓeff,2 | [мм] | - | - | 248 | - | |
| РЕЖИМ 1 | ||||||
| n | [мм] | - | - | 48.3 | - | |
| tf | [мм] | - | - | 25 | - | |
| fy | [Н/мм2] | - | - | 265 | - | |
| Mpl,1,Rd | [Нмм] | - | - | 10.1x106 | - | |
| ew | [мм] | - | - | 9.9 | - | |
| FT,1,Rd | [кН] | - | - | 1291 | - | |
| РЕЖИМ 2 | ||||||
| Mpl,2,Rd | [Нмм] | - | - | 10.3x106 | - | |
| Ft,Rd | [Н] | - | - | 203 | - | |
| Болты | [шт] | - | - | 2 | - | |
| ∑Ft,Rd | [Н] | - | - | 406 | - | |
| FT,2,Rd | [кН] | - | - | 463 | - | |
| РЕЖИМ 3 | ||||||
| FT,3,Rd | [кН] | - | - | 406 | - | |
| beff,t,wb | [мм] | - | - | - | = beff,1 = 243 | |
| twb | [мм] | - | - | - | 10.1 | |
| СОПРОТИВЛЕНИЕ | Ft,fc,Rd | Ft,wc,Rd | Ft,ep,Rd | Ft,wb,Rd | ||
| [кН] | 790 | 790 | 406 | 675 | ||
| ЗАМЕЧАНИЕ | как рассчитано для болтовых рядов 1 и 2 | как рассчитано для болтовых рядов 1 и 2 |
Сопротивления для рядов 2 и 3 выше учитывают сопротивление ряда в одиночку. Однако с стороны колонны сопротивление может быть ограничено сопротивлением группы рядов 1, 2 и 3 или группой рядов 2 и 3. На стороне балки сопротивление может быть ограничено группой рядов 2 и 3. Теперь рассматриваются эти групповые сопротивления.
БОЛТЫ 1, 2 и 3 СОЧЕТАННЫЕ
Фланец колонны в изгибе
Круговые и некруговые шаблоны следующие:
Резюме расчета сопротивления:
| Параметр | Единица | Фланец колонны в изгибе | Стенка колонны в поперечном натяжении | |
| ℓeff,1 | [мм] | 422 | - | |
| ℓeff,2 | [мм] | 422 | - | |
| РЕЖИМ 1 | ||||
| m | [мм] | 33.4 | - | |
| n | [мм] | 41.8 | - | |
| ew | [мм] | 9.9 | - | |
| tf | [мм] | 20.5 | - | |
| fy | [Н/мм2] | 265 | - | |
| Mpl,1,Rd | [Нмм] | 11.7x106 | - | |
| FT,1,Rd | [кН] | 1797 | - | |
| РЕЖИМ 2 | ||||
| Mpl,2,Rd | [Нмм] | 11.7x106 | - | |
| Ft,Rd | [кН] | 203 | - | |
| Болты | [шт] | 6 | - | |
| ∑Ft,Rd | [кН] | 1218 | - | |
| FT,2,Rd | [кН] | 988 | - | |
| РЕЖИМ 3 | ||||
| FT,3,Rd | [кН] | 1218 | - | |
| ω | [-] | - | 1.0 | |
| beff,t,wc | [мм] | - | 422 | |
| twc | [мм] | - | 12.8 | |
| СОПРОТИВЛЕНИЕ | Ft,fc,Rd | Ft,wc,Rd | ||
| [кН] | 988 | 1431 |
Сопротивление болтовых рядов 1, 2 и 3 в комбинации, на стороне колонны, - это наименьшее из значений Фланец колонны в изгибе и Стенка колонны в натяжении, то есть 988 кН.
Следовательно, сопротивление болтового ряда 3 на стороне колонны ограничено: Ft3,c,Rd = Ft1-3,Rd - Ft1-2,Rd = 988 - 697 = 291 кН.
СОЧЕТАНИЕ РЯДОВ 2 И 3
Резюме расчета сопротивления:
| Параметр | Единица | Сторона колонны - фланец в изгибе | Стенка колонны в поперечном натяжении | Сторона балки - торцевая пластина в изгибе | Балка в натяжении | |
| m | [мм] | 33.4 | - | 38.6 | - | |
| n | [мм] | 41.8 | - | 48.3 | - | |
| ew | - | - | 9.9 | - | ||
| ℓeff,1 | [мм] | 323 | - | 379 | - | |
| ℓeff,2 | [мм] | 323 | - | 379 | - | |
| РЕЖИМ 1 | (ряды 2 + 3) | |||||
| Mpl,1,Rd | [Нмм] | 9.24x103 | 9.0x106 | 15.7x106 | - | |
| FT,1,Rd | [кН] | 1383 | - | 2007 | - | |
| РЕЖИМ 2 | (ряды 2 + 3) | |||||
| Mpl,2,Rd | [Нмм] | 9.0x106 | - | 15.7x106 | - | |
| Ft,Rd | [кН] | 203 | - | 203 | - | |
| Болты | [шт] | 4 | - | 4 | - | |
| ∑Ft,Rd | [кН] | 812 | - | 812 | - | |
| FT,2,Rd | [кН] | 691 | - | 813 | - | |
| РЕЖИМ 3 | (ряды 2 + 3) | |||||
| FT,3,Rd | [кН] | 1218 | - | 812 | - | |
| ω | [-] | - | 1.0 | - | - | |
| beff,t,wc | [мм] | - | 323 | - | - | |
| twb | [мм] | - | 12.8 | - | - | |
| fy,wc | [Н/мм2] | - | 265 | - | - | |
| СОПРОТИВЛЕНИЕ | Ft,fc,Rd | Ft,wc,Rd | Ft,ep,Rd | |||
| [кН] | 691 | 1096 | 812 | - | ||
| ЗАМЕЧАНИЕ | неприменимо |
Сопротивление болтовых рядов 2 и 3 в сочетании, на стороне балки, - это Торцевая пластина в изгибе Ft,ep,Rd = 812 кН. Следовательно, на стороне балки Ft2-3,Rd = 812 кН. Сопротивление болтового ряда 3 на стороне балки ограничено до Ft3,b,Rd = Ft2-3,Rd - Ft2,Rd = 812 - 320 = 492 кН.
Сопротивление болтовых рядов 2 и 3 в сочетании, на стороне колонны, - это Фланец колонны в изгибе Ft,fc,Rd = 691 кН, Стенка колонны в натяжении Ft,wc,Rd = 1096 кН, следовательно, на стороне колонны Ft2-3,Rd = 691 кН.
Таким образом, сопротивление болтового ряда 3 на стороне колонны ограничено до Ft3,b,Rd = Ft2-3,Rd - Ft2,Rd = 691 - 320 = 371 кН.
Резюме
Сопротивление болтового ряда 3 - это наименьшая величина из следующих сопротивлений: Фланец колонны в изгибе Ft,fc,Rd = 398 кН, Стенка колонны в натяжении Ft,wc,Rd = 790 кН, Стена балки в натяжении Ft,wb,Rd = 675 кН, Торцевая пластина в изгибе Ft,ep,Rd = 406 кН, Сторона колонны в составе группы с 2 и 1 Ft3,c,Rd = 291 кН, Сторона колонны в составе группы с 2 Ft3,c,Rd = 371 кН, Сторона балки в составе группы с 2 Ft3,b,Rd = 492 кН. Таким образом, сопротивление болтового ряда 3 Ft3,Rd = 291 кН.
РЕЗЮМЕ СОПРОТИВЛЕНИЙ НАПРЯЖЕНИЮ
Вывод эффективных сопротивлений натяжным рядам выше можно резюмировать в табличной форме, как показано ниже.
Сопротивления рядов Ftr,Rd:
| Фланец колонны | Стенка колонны | Торцевая пластина | Стена балки | Минимум | Эффективное сопротивление | ||
| Ряд 1, отдельно | 398 | 790 | 377 | Н/П | 377 | 377 | |
| Ряд 2, отдельно | 398 | 790 | 406 | 675 | 398 | ||
| Ряд 2, с рядом 1 | 697 | 1126 | Н/П | Н/П | 697 | ||
| Ряд 2 | 697 - 377 | 320 | |||||
| Ряд 3, отдельно | 398 | 790 | 406 | 675 | 309 | ||
| Ряд 3, с рядом 1 и 2 | 988 | 1431 | Н/П | Н/П | 988 | ||
| Ряд 3 | 988 - 697 | 291 | |||||
| Ряд 3, с рядом 2 | 691 | 1096 | 812 | 1052 | 691 | ||
| Ряд 3 | 691 - 320 |
Зона сжатия
Стенка колонны в поперечном сжатии
Проектное сопротивление неармированной стенки колонны в поперечном сжатии определяется следующим образом:
| где | ||
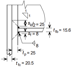
| s | = rc = 12.7 мм для горячекатаных I и H секций колонн | |
| sp | длина, получаемая путем рассеивания под углом 45° через торцевую пластину; sp = 2 tp = 50 мм | |
| ex | это расстояние от края до центра крепления ряда 1; ex = 50 мм | |
| x | расстояние ряда 1 выше полки балки измеряется от центра крепления; x = 40 мм | |
| sf |
|
|
| hp | глубина торцевой пластины; hp ≥ ex + x + hb + sf + tp = 656 мм → hp = 670 мм | |
| beff,c,wc | для болтованной торцевой пластины; beff,c,wc = tfb + 2 sf + 5 (tfc + s) + sp = 248 мм | |
| ρ | коэффициент снижения жесткости для защемления пластин, зависит от пластины; ρ = 1.0 | |
| ω | = 1.0 | |
| kwc | коэффициент снижения, учитывающий сжатие в стенке колонны; kwc = 1.0 |
Таким образом, Fc,wc,Rd = 841 кН.
Полка и стенка балки в сжатии
Результирующее проектное сопротивление полки балки и соседней зоны сжатия стенки определяется с использованием:
| где | ||
| Mc,Rd | проектное сопротивление балки; предполагая, что проектная сдвиговая сила в балке не снижает Mc,Rd, следовательно, Mc,Rd = 649 кН | |
| h | = hb = 533.1 мм | |
| tfb | = 15.6 мм |
Таким образом, Fc,fb,Rd = 1254 кН.
Резюме: сопротивление зоны сжатия
Стенка колонны в поперечном сжатии Fc,wc,Rd = 841 кН, Полка и стенка балки в сжатии Fc,fb,Rd = 1254 кН.
Сопротивление панели стенки колонны на сдвиг
Пластическое сопротивление на сдвиг неармированной стенки дается формулой:
Сопротивление здесь не оценивается, так как в стенке нет проектного сдвига, потому что моменты от балок равны и противоположны.
Сопротивление на изгиб
ЭФФЕКТИВНОЕ СОПРОТИВЛЕНИЕ БОЛТОВЫХ РЯДОВ
Эффективные сопротивления каждого из трех болтовых рядов в зоне натяжения равны:
Ft1,Rd = 377 кН, Ft2,Rd = 320 кН, Ft3,Rd = 291 кН.
Эффективные сопротивления должны быть уменьшены, если сопротивление одного из верхних рядов превышает 1.9 Ft,Rd = 1.9 x 203 = 386 кН.
Таким образом, снижение не требуется.
РАВНОВЕСИЕ СИЛ
Сумма растягивающих сил вместе с любым осевым сжатием в балке не может превышать сопротивление зоны сжатия.
Точно так же проектное сдвиговое усилие не должно превышать сопротивление на сдвиг панели стенки колонны. Это не актуально в данном примере, так как моменты в идентичных балках равны и противоположны.
Для горизонтального равновесия ∑Ftr,Rd + NEd = Fc,Rd. В этом примере осевого сжатия нет. Таким образом, ∑Ftr,Rd = Fc,Rd.
Здесь общее эффективное натяжное сопротивление ∑Ftr,Rd = 377 + 320 + 291 = 988 кН, что превышает сопротивление на сжатие Fс,Rd = 841 кН.
Чтобы достичь равновесия, эффективные сопротивления уменьшаются, начиная с нижнего ряда и двигаясь вверх, до достижения равновесия. Требуемое снижение 988 - 841 = 147 кН.
Все это снижение можно достичь за счет уменьшения сопротивления нижнего ряда. Поэтому Ft3,Rd = 291 - 147 = 144 кН.
МОМЕНТ СОПРОТИВЛЕНИЯ СИЛ
Моментное сопротивление соединения балки с колонной Mj,Rd:
Приняв центр сжатия за среднюю толщину сжатой полки балки, hr1 = 565 мм, hr2 = 465 мм, hr3 = 375 мм. Таким образом, моментное сопротивление соединения балки с колонной равно:
Mj,Rd = 416 кНм.
Вертикальное сопротивление на сдвиг
СОПРОТИВЛЕНИЕ ГРУППЫ БОЛТОВ
Сопротивление на сдвиг не предварительно нагруженного болта M24 класса 8.8 в одинарном сдвиге равно Fv,Rd = 136 кН, Fb,Rd = 200 кН (в 20 мм слое). Таким образом, Fv,Rd управляет.
Сопротивление на сдвиг верхних рядов может быть принято консервативно как 28% от сопротивления на сдвиг без натяжения (предполагается, что эти болты полностью утилизированы в натяжении). Таким образом, сопротивление на сдвиг всех 4 рядов составляет (2 + 6 x 0.28) 136 = 3.68 x 136 = 500 кН.
Проектирование сварных швов
Простой подход требует, чтобы сварные швы к натяжной полке и стенке были полной прочности, в то время как сварной шов к сжатой полке имел только номинальный размер, при условии, что он был подготовлен с помощью отпиливания.
СВАРНЫЕ ШВЫ НАТЯЖНОЙ ПОЛКИ БАЛКИ
Полноценный сварной шов создается симметричными сварными швами с суммарной толщиной горла не менее толщины полки. Требуемая толщина горла составляет tfb/2 = 15.6/2 = 7.8 мм. Обеспеченная толщина горла af = 12/√2 = 8.5 мм, что является достаточным.
СВАРНЫЕ ШВЫ СЖАТОЙ ПОЛКИ БАЛКИ
Нанесите номинальные сварные швы с каждой стороны полки балки. Длиной ноги сварного шва 8 мм будет достаточно.
СВАРНЫЕ ШВЫ СТЕНКИ БАЛКИ
Для удобства предусмотрен полноценный сварной шов для стенки.
Требуемая толщина горла составляет tfw/2 = 10.2/2 = 5.1 мм.
Обеспеченная толщина горла ap = 8/√2 = 5.7 мм, что является достаточным.
АНАЛИЗ ОСНОВАННЫЙ НА КОМПОНЕНТАХ С ИСПОЛЬЗОВАНИЕМ МКЭ
Проектирование было выполнено с использованием Steel Joints Add-on для RFEM 6.
Дополнение Steel Joints позволяет анализировать соединения на основе МКЭ модели. Ввод и оценка результатов полностью интегрированы в пользовательский интерфейс программного обеспечения FEA RFEM, что делает процесс проектирования интуитивным и быстрым.
Конфигурация соединения
| Колонна | 254x254x107 UKC | S275 |
| Балка | параметрически определённая секция | |
| hb = 533.1 мм, bb = 209.3 мм, twb = 10.1 мм, tfb = 15.6 мм | S275 | |
| Торцевая пластина | 670x250x25 мм | S275 |
| Болт | M24 класс 8.8 | |
| Сварка | Филейная сварка верхней полки sf1 = 8.5 мм, нижней полки sf2 = 5.7 мм, для стенки sw = 5.7 мм |
Результаты дополнения Steel Joints
Дополнение Steel Joints для RFEM 6 расширяет возможности программного обеспечения, позволяя инженерно анализировать стальные соединения с точностью метода конечных элементов (МКЭ). Этот расширенный инструмент позволяет детально визуализировать все основные результаты непосредственно на модели МКЭ, предоставляя чёткий и всесторонний обзор характеристик стальных соединений при различных нагрузках и условиях.
Он включает отображение эквивалентных напряжений и пластических деформаций в стальном соединении. Показывая как эквивалентные напряжения, так и пластические деформации, RFEM предлагает более всестороннее понимание поведения соединения в реальных условиях, обеспечивая, что проектирование безопасно и эффективно.
ЭКВИВАЛЕНТНЫЕ НАПРЯЖЕНИЯ
Эквивалентные напряжения предоставляют чёткое представление о распределении напряжений, помогая инженерам выявлять потенциальные точки разрушения из-за концентраций чрезмерных напряжений. Эти напряжения являются важными для понимания несущей способности соединения.
Здесь можно увидеть распределение напряжений на фланце колонны и конечной пластине балки.
ПЛАСТИЧЕСКАЯ ДЕФОРМАЦИЯ
Пластины в соединении проектируются с учетом пластичности путем сопоставления существующей пластической деформации с допустимой пластической деформацией. Настройка по умолчанию составляет 5% в соответствии с EN 1993-1-5, приложение C. Ниже представлена пластическая деформация в соединении:
АНАЛИЗ НАПРЯЖЕНИЙ-ДЕФОРМАЦИЙ
Выводы
Статья представляет два метода проектирования соединений балки с колонной. Аналитический метод сложен и трудоемок для выполнения вручную, особенно для оптимизации. Он включает в себя расчёт сопротивлений каждого компонента и их сравнение с действующими на эти компоненты силами.
Второй метод - это подход CBFEM, реализованный в дополнении Steel Joints для RFEM 6. В этом методе соединение монтируется, и силы для анализа извлекаются из основной МКЭ модели. Собранное соединение затем проверяется под прикладываемыми силами путем анализа напряжений-деформаций стальных пластин. Кроме того, проектирование сварных швов и крепежей выполняется в соответствии с соответствующими стандартами EN.
Хотя аналитический метод широко используется, второй метод значительно быстрее, предоставляя точные результаты при значительном сокращении времени вычислений. Он также позволяет легко и быстро проводить оптимизацию.
Сравнение результатов показано ниже. Моментное сопротивление Mj,Rd, рассчитанное с использованием аналитического подхода, составляет 416 кНм, в то время как значение CBFEM в дополнении Steel Joints составляет 415 кНм. Различие составляет менее 1%, с Δ = -0,24%, что иллюстрирует надёжность и точность метода CBFEM, реализованного в дополнении Steel Joints.
Модель можно найти ниже:
ЛИТЕРАТУРА
[1] Brown, D., Iles, D., Brettle, M., Malik, A., and BCSA/SCI Connections Group. (2013). Joints in steel construction: Moment-resisting joints to Eurocode 3. Vol BCSA/SCI Connections Group. London: The British Constructional Steelwork Association Limited.