INTRODUCTION
Cet article présente des conseils sur la vérification d’assemblages résistants aux moments selon l’Eurocode 3, ciblant spécifiquement les assemblage par platine d’about boulonnée entre poutres et poteaux dans des portiques à plusieurs étages. Il fait référence aux sections, figures et tableaux pertinents de l’EN 1993-1-8, et d’autres normes applicables si nécessaire.
APPROCHE ANALYTIQUE
La procédure analytique est issue de [1].
Configuration de l’assemblage
| Poteau | 254x254x107 UKC | S275 |
| Poutre | 533x210x92 UKB | S275 |
| Platine d’about | 670x250x25 mm | S275 |
| Boulon | M24 classe 8.8 | |
| Soudures | Soudures d’angle: semelle sf = 12 mm, âme sw = 8 mm |
Résistance du tronçon en T équivalent
La résistance des tronçons en T équivalents est évaluée séparément pour la platine d’about et la semelle du poteau. Les résistances sont calculées pour trois modes de rupture possibles, et la résistance est prise comme la plus petite des valeurs pour ces trois modes.
La résistance de calcul de la semelle de T-stub pour chacun des modes est donnée ci-dessous.
Les modes de rupture sont présentés ci-dessous :
| où | ||
| ℓeff,1 | est la longueur efficace du tronçon en T équivalent pour le mode 1, prise comme le minimum entre ℓeff,cp et ℓeff,nc | |
| ℓeff,2 | est la longueur efficace du tronçon en T équivalent pour le mode 2, prise comme ℓeff,nc | |
| tf | est l’épaisseur de la semelle du tronçon en T (= tp ou tfc) | |
| fy | est la limite d’élasticité de la semelle du tronçon en T (c’est-à-dire du poteau ou de la platine d’about) | |
| ∑Ft,Rd | est la résistance totale en traction pour les boulons dans le tronçon en T (= 2Ft,Rd pour une seule rangée) | |
| ew | = dw/4 | |
| dw | est le diamètre de la rondelle ou la largeur entre les points de la tête de boulon | |
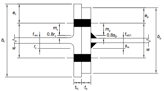
| m | est la distance telle que définie dans la figure ci-dessus | |
| n | est le minimum de ec (la distance de rive de la semelle du poteau), ep (la distance de rive de la platine d’about), 1,25 m (pour la platine d’about ou la semelle du poteau, selon le cas) |
Définition de la résistance :
Tronçons en T de la zone en traction
RANGÉE DE BOULONS 1
Semelle du poteau en flexion (sans plaque d’appui)
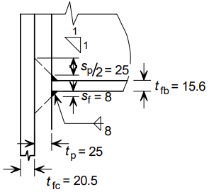
Considérez la rangée de boulons 1 seule. Les dimensions clés sont présentées ci-dessous.
Platine d’about en flexion
Résumé du calcul de la résistance :
| Paramètre | Unité | Semelle de poteau en flexion (sans plaque d’appui) | Ame du poteau en traction transversale | Platine d’about en flexion | Ame de la poutre en traction | |
| m | [mm] | 33.4 | - | = mx = 30.4 | - | |
| e | [mm] | = emin = 75 | - | e = 75, ex = 50 | - | |
| ℓeff,1 | [mm] | 210 | - | 125 | - | |
| ℓeff,2 | [mm] | 233 | - | 125 | - | |
| MODE 1 | ||||||
| n | [mm] | 41.8 | - | 38.0 | - | |
| tf | [mm] | 20.5 | - | 25 | - | |
| fy | [N/mm2] | 265 | - | 265 | - | |
| Mpl,1,Rd | [Nmm] | 5850x103 | - | 5180x103 | - | |
| dw | [mm] | 39,55 | - | - | - | |
| ew | [mm] | 9,9 | - | 9,9 | - | |
| FT,1,Rd | [kN] | 898 | - | 901 | - | |
| MODE 2 | ||||||
| Mpl,2,Rd | [Nmm] | 6490x103 | - | 5180x103 | - | |
| Ft,Rd | [N] | 203x103 | - | 203x103 | - | |
| Boulon en une rangée | [pcs] | 2 | - | 2 | - | |
| ∑Ft,Rd | [N] | 406x103 | - | 406x103 | - | |
| FT,2,Rd | [kN] | 398 | - | 377 | - | |
| MODE 3 | ||||||
| FT,3,Rd | [kN] | 406 | - | 406 | - | |
| ω | [-] | - | 1.0 | - | ||
| beff,t,wc | [mm] | - | = ℓeff,2 = 233 | - | ||
| fy,wc | [N/mm2] | - | = fy,c = 265 | - | ||
| RÉSISTANCE | Ft,fc,Rd | Ft,wc,Rd | Ft,ep,Rd | |||
| [kN] | 398 | 790 | 377 | |||
| NOTE | n’est pas applicable |
La résistance de la rangée de boulons 1 est la valeur minimale des résistances mentionnées ci-dessus.
Donc, Ft,1,Rd = min {Ft,fc,Rd = 398; Ft,wc,Rd = 790; Ft,ep,Rd = 377} = 377 kN.
RANGÉE DE BOULONS 2
Tout d’abord, considérez la rangée 2 seule.
Platine d’about en flexion
La rangée de boulons 2 est la première rangée de boulons sous la semelle de la poutre, considérée comme la « première rangée de boulons sous la semelle en traction de la poutre ». Les dimensions clés pour le tronçons en T sont montrées pour le tronçons en T de la semelle de poteau à la rangée 1 et comme illustré ci-dessous (en élévation) pour la rangée 2.
Résumé du calcul de la résistance :
| Paramètre | Unité | Semelle du poteau en flexion | Ame du poteau en traction transversale | Platine d’about en flexion | Ame de la poutre en traction | |
| m | [mm] | - | - | = mp = 38.6 | - | |
| m2 | [mm] | - | - | 34.8 | - | |
| e | [mm] | - | - | = ep = 75 | - | |
| ℓeff,1 | [mm] | - | - | 243 | - | |
| ℓeff,2 | [mm] | - | - | 290 | - | |
| MODE 1 | ||||||
| n | [mm] | - | - | 48.3 | - | |
| tf | [mm] | - | - | 25 | - | |
| fy | [N/mm2] | - | - | 265 | - | |
| Mpl,1,Rd | [Nmm] | - | - | 10.1x103 | - | |
| ew | [mm] | - | - | 9,9 | - | |
| FT,1,Rd | [kN] | - | - | 1291 | - | |
| MODE 2 | ||||||
| Mpl,2,Rd | [Nmm] | - | - | 12.0x106 | - | |
| Ft,Rd | [N] | - | - | 203x103 | - | |
| Boulon en une rangée | [pcs] | - | - | 2 | - | |
| ∑Ft,Rd | [N] | - | - | 406x103 | - | |
| FT,2,Rd | [kN] | - | - | 502 | - | |
| MODE 3 | ||||||
| FT,3,Rd | [kN] | - | - | 406 | - | |
| ω | [-] | - | - | - | 1.0 | |
| beff,t,wc | [mm] | - | - | - | 243 | |
| twb | [mm] | - | - | - | 10.1 | |
| fy,wc | [N/mm2] | - | - | - | 675 | |
| RÉSISTANCE | Ft,fc,Rd | Ft,wc,Rd | Ft,ep,Rd | Ft,wb,Rd | ||
| [kN] | 398 | 790 | 406 | 675 | ||
| NOTE | telle que calculée pour la rangée de boulons 1, mode 2 | telle que calculée pour la rangée de boulons 1 |
Les résistances pour la rangée 2 ci-dessus considèrent toutes la rangée agissant seule. Cependant, du côté du poteau, la résistance peut être limitée par la résistance du groupe des rangées 1 et 2. La résistance du groupe sera maintenant prise en compte.
RANGÉES 1 ET 2 COMBINÉES
Semelle du poteau en flexion
Résumé du calcul de la résistance :
| Paramètre | Unité | Semelle du poteau en flexion | Ame du poteau en traction transversale | Platine d’about en flexion | |
| m | [mm] | 33,4 | - | - | |
| ℓeff,1 | [mm] | 332 | - | - | |
| ℓeff,2 | [mm] | 332 | - | - | |
| MODE 1 | |||||
| n | [mm] | 41.8 | - | - | |
| tf | [mm] | 20.5 | - | - | |
| fy | [N/mm2] | 265 | - | - | |
| Mpl,1,Rd | [Nmm] | 9.24x103 | - | - | |
| ew | [mm] | 9.9 | - | - | |
| FT,1,Rd | [kN] | 1420 | - | - | |
| MODE 2 | |||||
| Mpl,2,Rd | [Nmm] | 9.24x106 | - | - | |
| Ft,Rd | [N] | 203 | - | - | |
| Boulons | [pcs] | 4 | - | - | |
| ∑Ft,Rd | [N] | 812 | - | - | |
| FT,2,Rd | [kN] | 697 | - | - | |
| MODE 3 | |||||
| FT,3,Rd | [kN] | 812 | - | - | |
| ω | [-] | - | 1.0 | - | |
| beff,t,wc | [mm] | - | 332 | - | |
| twb | [mm] | - | 12.8 | - | |
| fy,wc | [N/mm2] | - | 265 | - | |
| RÉSISTANCE | Ft,fc,Rd | Ft,wc,Rd | Ft,ep,Rd | ||
| [kN] | 697 | 1126 | - | ||
| NOTE | Il n’y a pas de mode de groupe pour la platine d’about |
La résistance des rangées de boulons 1 et 2 est la valeur minimale des résistances de la Semelle du poteau en flexion et Ame du poteau en traction, soit Ft,1-2,Rd = min {Ft,fc,Rd = 697; Ft,wc,Rd = 1126} = 697 kN.
La résistance de la rangée de boulons 2 du côté du poteau est donc limitée à Ft2,c,Rd = Ft,1-2,Rd - Ft1,Rd = 697 - 377 = 320 kN.
La résistance de la rangée de boulons 2 est la valeur minimale des résistances : Semelle du poteau en flexion Ft,fc,Rd = 398 kN, Ame du poteau en traction Ft,wc,Rd = 790 kN, Ame de la poutre en traction Ft,wb,Rd = 675 kN, Platine d’about en flexion Ft,ep,Rd = 406 kN et du côté du poteau, en tant que partie du groupe, Ft2,c,Rd = 320 kN. Par conséquent, la résistance de la rangée de boulons 2 Ft,2,Rd = 320 kN.
RANGÉE DE BOULONS 3
Tout d’abord, considérez la rangée 3 seule.
Résumé du calcul de la résistance :
| Paramètre | Unité | Semelle du poteau en flexion | Ame du poteau en traction transversale | Platine d’about en flexion | Ame de la poutre en traction | |
| e | [mm] | - | - | = ep = 75 | - | |
| m | [mm] | - | - | 38.6 | - | |
| ℓeff,1 | [mm] | - | - | 248 | - | |
| ℓeff,2 | [mm] | - | - | 248 | - | |
| MODE 1 | ||||||
| n | [mm] | - | - | 48.3 | - | |
| tf | [mm] | - | - | 25 | - | |
| fy | [N/mm2] | - | - | 265 | - | |
| Mpl,1,Rd | [Nmm] | - | - | 10.1x106 | - | |
| ew | [mm] | - | - | 9.9 | - | |
| FT,1,Rd | [kN] | - | - | 1291 | - | |
| MODE 2 | ||||||
| Mpl,2,Rd | [Nmm] | - | - | 10.3x106 | - | |
| Ft,Rd | [N] | - | - | 203 | - | |
| Boulons | [pcs] | - | - | 2 | - | |
| ∑Ft,Rd | [N] | - | - | 406 | - | |
| FT,2,Rd | [kN] | - | - | 463 | - | |
| MODE 3 | ||||||
| FT,3,Rd | [kN] | - | - | 406 | - | |
| beff,t,wb | [mm] | - | - | - | = beff,1 = 243 | |
| twb | [mm] | - | - | - | 10.1 | |
| RÉSISTANCE | Ft,fc,Rd | Ft,wc,Rd | Ft,ep,Rd | Ft,wb,Rd | ||
| [kN] | 790 | 790 | 406 | 675 | ||
| NOTE | telle que calculée pour les rangées de boulons 1 et 2 | telle que calculée pour les rangées de boulons 1 et 2 |
Les résistances pour les rangées 2 et 3 ci-dessus considèrent toutes la résistance de la rangée agissant seule. Cependant, du côté du poteau, la résistance peut être limitée par la résistance du groupe des rangées 1, 2, et 3, ou par le groupe des rangées 2 et 3. Du côté de la poutre, la résistance peut être limitée par le groupe des rangées 2 et 3. Ces résistances de groupe seront maintenant prises en compte.
BOULONS 1, 2 ET 3 COMBINÉS
Talon du poteau en flexion
Les motifs circulaires et non circulaires sont comme suit :
Résumé du calcul de la résistance :
| Paramètre | Unité | Semelle du poteau en flexion | Ame du poteau en traction transversale | |
| ℓeff,1 | [mm] | 422 | - | |
| ℓeff,2 | [mm] | 422 | - | |
| MODE 1 | ||||
| m | [mm] | 33.4 | - | |
| n | [mm] | 41.8 | - | |
| ew | [mm] | 9.9 | - | |
| tf | [mm] | 20.5 | - | |
| fy | [N/mm2] | 265 | - | |
| Mpl,1,Rd | [Nmm] | 11,7x106 | - | |
| FT,1,Rd | [kN] | 1797 | - | |
| MODE 2 | ||||
| Mpl,2,Rd | [Nmm] | 11.7x106 | - | |
| Ft,Rd | [kN] | 203 | - | |
| Boulons | [pcs] | 6 | - | |
| ∑Ft,Rd | [kN] | 1218 | - | |
| FT,2,Rd | [kN] | 988 | - | |
| MODE 3 | ||||
| FT,3,Rd | [kN] | 1218 | - | |
| ω | [-] | - | 1.0 | |
| beff,t,wc | [mm] | - | 422 | |
| twc | [mm] | - | 12.8 | |
| RÉSISTANCE | Ft,fc,Rd | Ft,wc,Rd | ||
| [kN] | 988 | 1431 |
La résistance des boulons des rangées 1, 2 et 3 combinées, du côté du poteau, est la valeur minimale entre semelle du poteau en flexion et ame de la colonne en traction, soit 988 kN.
Par conséquent, la résistance de la rangée de boulons 3 du côté du poteau est limitée à : Ft3,c,Rd = Ft1-3,Rd - Ft1-2,Rd = 988 - 697 = 291 kN.
RANGÉES 2 ET 3 COMBINÉES
Résumé du calcul de la résistance :
| Paramètre | Unité | Côté poteau - semelle en flexion | Ame du poteau en traction transversale | Côté poutre - platine en flexion | Poutre en traction | |
| m | [mm] | 33.4 | - | 38.6 | - | |
| n | [mm] | 41.8 | - | 48.3 | - | |
| ew | - | - | 9.9 | - | ||
| ℓeff,1 | [mm] | 323 | - | 379 | - | |
| ℓeff,2 | [mm] | 323 | - | 379 | - | |
| MODE 1 | (rangées 2 + 3) | |||||
| Mpl,1,Rd | [Nmm] | 9.24x103 | 9.0x106 | 15,7x106 | - | |
| FT,1,Rd | [kN] | 1383 | - | 2007 | - | |
| MODE 2 | (rangées 2 + 3) | |||||
| Mpl,2,Rd | [Nmm] | 9.0x106 | - | 15,7x106 | - | |
| Ft,Rd | [kN] | 203 | - | 203 | - | |
| Boulons | [pcs] | 4 | - | 4 | - | |
| ∑Ft,Rd | [kN] | 812 | - | 812 | - | |
| FT,2,Rd | [kN] | 691 | - | 813 | - | |
| MODE 3 | (rangées 2 + 3) | |||||
| FT,3,Rd | [kN] | 1218 | - | 812 | - | |
| ω | [-] | - | 1.0 | - | - | |
| beff,t,wc | [mm] | - | 323 | - | - | |
| twb | [mm] | - | 12.8 | - | - | |
| fy,wc | [N/mm2] | - | 265 | - | - | |
| RÉSISTANCE | Ft,fc,Rd | Ft,wc,Rd | Ft,ep,Rd | |||
| [kN] | 691 | 1096 | 812 | - | ||
| NOTE | n'est pas applicable |
La résistance des boulons des rangées 2 et 3 combinées, du côté de la poutre, est Platine en flexion Ft,ep,Rd = 812 kN. Par conséquent, du côté de la poutre Ft2-3,Rd = 812 kN. La résistance de la rangée de boulons 3 du côté de la poutre est donc limitée à Ft3,b,Rd = Ft2-3,Rd - Ft2,Rd = 812 - 320 = 492 kN.
La résistance des boulons des rangées 2 et 3 combinées, du côté de la colonne, est semelle du poteau en flexion Ft,fc,Rd = 691 kN, âme du poteau en traction Ft,wc,Rd = 1096 kN, donc, du côté de la colonne Ft2-3,Rd = 691 kN.
Ainsi, la résistance de la rangée de boulons 3 du côté de la colonne est limitée à Ft3,b,Rd = Ft2-3,Rd - Ft2,Rd = 691 - 320 = 371 kN.
Résumé
La résistance de la rangée de boulons 3 est la valeur minimale parmi les résistances suivantes : semelle du poteau en flexion Ft,fc,Rd = 398 kN, âme de la colonne en traction Ft,wc,Rd = 790 kN, âme de la poutre en traction Ft,wb,Rd = 675 kN, platine en flexion Ft,ep,Rd = 406 kN, côté poteau en tant que partie d’un groupe avec 2 et 1 Ft3,c,Rd = 291 kN, côté poteau en tant que partie d’un groupe avec 2 Ft3,c,Rd = 371 kN, côté poutre en tant que partie d’un groupe avec 2 Ft3,b,Rd = 492 kN. Par conséquent, la résistance de la rangée de boulons 3 est Ft3,Rd = 291 kN.
RÉSUMÉ DES RÉSISTANCES EN TRACTION
La dérivation des résistances efficaces des rangées de traction ci-dessus peut être résumée sous forme tabulaire, comme montré ci-dessous.
Résistances des rangées Ftr,Rd :
| Semelle du poteau | Ame du poteau |
|
Ame de la poutre | Minimum | Résistance effective | ||
| Rangée 1, seule | 398 | 790 | 377 | N/A | 377 | 377 | |
| Rangée 2, seule | 398 | 790 | 406 | 675 | 398 | ||
| Rangée 2, avec la rangée 1 | 697 | 1126 | N/A | N/A | 697 | ||
| Rangée 2 | 697 - 377 | 320 | |||||
| Rangée 3, seule | 398 | 790 | 406 | 675 | 309 | ||
| Rangée 3, avec rangée 1 et 2 | 988 | 1431 | N/A | N/A | 988 | ||
| Rangée 3 | 988 - 697 | 291 | |||||
| Rangée 3, avec la rangée 2 | 691 | 1096 | 812 | 1052 | 691 | ||
| Rangée 3 | 691 - 320 |
Zone en compression
Ame du poteau en compression transversale
La résistance de calcul d’une âme de poteau non raidie en compression transversale est déterminée comme suit :
| où | ||
| s | = rc = 12,7 mm pour les sections de poteau laminées I et H | |
| sp | est la longueur obtenue par dispersion à 45° à travers la platine d’about; sp = 2 tp = 50 mm | |
| ex | est la distance d’about mesurée depuis le centre de fixation de la rangée 1; ex = 50 mm | |
| x | est l’espacement de la rangée 1 au-dessus de la semelle de la poutre mesuré depuis le centre de fixation; x = 40 mm | |
| sf |
|
|
| hp | est la profondeur de la platine d’about ; hp ≥ ex + x + hb + sf + tp = 656 mm → hp = 670 mm | |
| beff,c,wc | pour une platine d’about boulonnée; beff,c,wc = tfb + 2 sf + 5 (tfc + s) + sp = 248 mm | |
| ρ | est le facteur de réduction pour le flambement des plaques, il dépend de la plaque; ρ = 1.0 | |
| ω |
|
|
| kwc | est un facteur de réduction qui tient compte de la compression dans l’âme du poteau ; kwc = 1.0 |
Par conséquent, Fc,wc,Rd = 841 kN.
Semelle et âme de la poutre en compression
La résistance de calcul résultante d’une semelle de poutre et de la zone en compression adjacente de l’âme est déterminée en utilisant :
| où | ||
| Mc,Rd | est la résistance de calcul de la poutre ; en supposant que l’effort tranchant de calcul dans la poutre ne réduit pas Mc,Rd, donc, Mc,Rd = 649 kN | |
| h | = hb = 533,1 mm | |
| tfb | = 15,6 mm |
Ainsi, Fc,fb,Rd = 1254 kN.
Résumé : résistance de la zone en compression
Ame du poteau en compression transversale Fc,wc,Rd = 841 kN, Semelle et âme de la poutre en compression Fc,fb,Rd = 1254 kN.
Résistance du panneau d’âme de la colonne en cisaillement
La résistance au cisaillement plastique d'une âme non raidie est donnée par :
La résistance n’est pas évaluée ici, car il n’y a pas de cisaillement de calcul dans l'âme, les moments des poutres étant égaux et opposés.
Résistance au Moment
RÉSISTANCE EFFECTIVE DES RANGÉES DE BOULONS
Les résistances effectives de chacune des trois rangées de boulons dans la zone de traction sont :
Ft1,Rd = 377 kN, Ft2,Rd = 320 kN, Ft3,Rd = 291 kN.
Les résistances effectives doivent être réduites si la résistance de l'une des rangées supérieures dépasse 1,9 Ft,Rd = 1,9 x 203 = 386 kN.
Ainsi, aucune réduction n’est requise.
ÉQUILIBRE DES FORCES
La somme des efforts de traction, ainsi que toute compression axiale dans la poutre, ne peut pas dépasser la résistance de la zone en compression.
De même, le cisaillement de calcul ne peut pas dépasser la résistance au cisaillement du panneau d’âme du poteau. Cela n’est pas pertinent dans cet exemple, les moments dans les poutres identiques étant égaux et opposés.
Pour l’équilibre horizontal ∑Ftr,Rd + NEd = Fc,Rd. Dans cet exemple, il n’y a pas de compression axiale. Ainsi, ∑Ftr,Rd = Fc,Rd.
Ici, la résistance totale en traction effective ∑Ftr,Rd = 377 + 320 + 291 = 988 kN qui dépasse la résistance en compression Fс,Rd = 841 kN.
Pour atteindre l’équilibre, les résistances effectives sont réduites, en commençant par la rangée la plus basse et en remontant, jusqu’à atteindre l’équilibre. La réduction requise est de 988 - 841 = 147 kN.
Toute cette réduction peut être réalisée en réduisant la résistance de la rangée inférieure. Ainsi, Ft3,Rd = 291 - 147 = 144 kN.
RÉSISTANCE AU MOMENT DES FORCES
La résistance au moment de l’assemblage poutre-poteau Mj,Rd :
En prenant le centre de la compression comme le milieu de l’épaisseur de la semelle en compression de la poutre, hr1 = 565 mm, hr2 = 465 mm, hr3 = 375 mm. Ainsi, la résistance au moment de l’assemblage poutre-poteau est de :
Mj,Rd = 416 kNm.
Résistance au cisaillement vertical
RÉSISTANCE DU GROUPE DE BOULONS
La résistance au cisaillement d’un boulon M24 de classe 8.8 non précontraint en cisaillement simple est Fv,Rd = 136 kN, Fb,Rd = 200 kN (pour une tôle de 20 mm). Ainsi, Fv,Rd prédomine.
La résistance au cisaillement des rangées supérieures peut être prise de manière conservatrice comme étant 28% de la résistance au cisaillement sans traction (en supposant que ces boulons sont pleinement utilisés en traction). Ainsi, la résistance au cisaillement de toutes les 4 rangées est (2 + 6 x 0.28) 136 = 3.68 x 136 = 500 kN.
Vérification de soudure
L’approche simple exige que les soudures à la semelle en traction et à l’âme soient de pleine résistance, tandis que la soudure à la semelle en compression soit de taille nominale uniquement, en supposant qu’elle a été préparée avec une extrémité coupée à la scie.
SOUDURES DE LA SEMELLE EN TRACTION DE LA POUTRE
Une soudure de pleine résistance est fournie par des soudures d’angle symétriques avec une épaisseur totale de gorge au moins égale à l’épaisseur de la semelle. La taille de gorge requise est tfb/2 = 15.6/2 = 7.8 mm. La gorge de soudure prévue est af = 12/√2 = 8.5 mm, ce qui est adéquat.
SOUDURES DE LA SEMELLE EN COMPRESSION DE LA POUTRE
Fournir une soudure d'angle nominale de chaque côté de la semelle de la poutre. Une soudure d'angle de 8 mm de hauteur de cordon sera satisfaisante.
SOUDURES DE L’AME DE LA POUTRE
Pour plus de commodité, une soudure de pleine résistance est fournie à l'âme.
La taille de gorge requise est tfw/2 = 10.2/2 = 5.1 mm.
La gorge de soudure fournie est ap = 8/√2 = 5.7 mm, ce qui est adéquat.
ANALYSE PAR ÉLÉMENTS FINIS BASÉE SUR LES COMPOSANTS
La vérification a été réalisée à l’aide du module complémentaire Assemblages acier pour RFEM 6.
Le module complémentaire Assemblages acier permet l'analyse d’assemblages sur la base d’un modèle EF. L'entrée et l'évaluation des résultats sont entièrement intégrées à l'interface utilisateur du logiciel RFEM, rendant le processus de vérification intuitif et rapide.
Configuration de l’assemblage
| Colonne | 254x254x107 UKC | S275 |
| Poutre | section paramétriquement définie | |
| hb = 533.1 mm, bb = 209.3 mm, twb = 10.1 mm, tfb = 15.6 mm | S275 | |
| Platine d’about | 670x250x25 mm | S275 |
| Boulon | M24 classe 8.8 | |
| Soudures | Soudures d'angle de la semelle supérieure sf1 = 8.5 mm, semelle inférieure sf2 = 5.7 mm, âme sw = 5.7 mm |
Résultats du module complémentaire Assemblages acier
Le module complémentaire Assemblages acier pour RFEM 6 améliore les capacités du logiciel en permettant aux ingénieurs d'analyser des assemblages en acier avec la précision d'un modèle par éléments finis (EF). Cet outil avancé permet une visualisation détaillée de tous les résultats essentiels directement sur le modèle EF, fournissant un aperçu clair et complet de la performance des assemblages en acier sous diverses charges et conditions.
Il inclut l'affichage des contraintes équivalentes et des déformations plastiques au sein de l’assemblage en acier. En montrant à la fois les contraintes équivalentes et les déformations plastiques, RFEM offre une compréhension plus complète du comportement de l’assemblage dans des conditions réelles, ce qui assure un calcul à la fois sûr et efficace.
CONTRAINTES ÉQUIVALENTES
Les contraintes équivalentes fournissent une vue claire de la distribution globale des contraintes, aidant les ingénieurs à identifier les points de défaillance potentiels causés par des concentrations de contrainte excessives. Ces contraintes sont essentielles pour comprendre la capacité de charge de l’assemblage.
Ici, la distribution des contraintes sur le talon de la colonne et la platine d’about de la poutre peut être vue.
DÉFORMATION PLASTIQUE
Les plaques dans l’assemblage sont vérifiées plastiquement en comparant la déformation plastique existante à la déformation plastique admissible. Le réglage par défaut est de 5 %, selon EN 1993‑1‑5, Annexe C. Ci-dessous, la déformation plastique dans l’assemblage :
ANALYSE CONTRAINTE-DÉFORMATION
Conclusions
L'article présente deux méthodes pour vérifier des assemblage poutre-poteau. La méthode analytique est complexe et difficile à gérer manuellement, en particulier en ce qui concerne l’optimisation. Elle implique le calcul des résistances de chaque composant et leur comparaison avec les forces agissant sur ces composants.
La deuxième méthode est l'approche CBFEM, mise en œuvre dans le module complémentaire Assemblages acier pour RFEM 6. Avec cette méthode, l’assemblage est assemblé et les forces pour l'analyse sont dérivées du modèle EF principal. L’assemblage est ensuite vérifié sous les forces appliquées grâce à l'analyse contrainte-déformation des plaques en acier. De plus, la vérification des soudures et des organes d’assemblage est réalisée selon les normes EN pertinentes.
Bien que la méthode analytique soit largement utilisée, la deuxième méthode est beaucoup plus rapide, fournissant des résultats précis tout en réduisant considérablement le temps de calcul. Elle permet également une optimisation facile et rapide.
Ci-dessous, une comparaison des résultats.
La résistance au moment Mj,Rd calculée à l'aide de l'approche analytique est de 416 kNm, tandis que la valeur de la méthode CBFEM dans le module complémentaire Assemblages acier est de 415 kNm. La différence est inférieure à 1 %, avec Δ = -0,24 %, illustrant la fiabilité et la précision de la méthode CBFEM mise en œuvre dans le module complémentaire Assemblages acier.
Le modèle est disponible ci-dessous :
RÉFÉRENCES
[1] Brown, D., Iles, D., Brettle, M., Malik, A., et BCSA/SCI Connections Group. (2013). Assemblages dans les constructions en acier : Assemblages résistants au moment selon l’Eurocode 3. Vol BCSA/SCI Connections Group. Londres : The British Constructional Steelwork Association Limited.