EINLEITUNG
Dieser Artikel enthält Leitlinien für die Bemessung von momententragfähigen Anschlüssen gemäß Eurocode 3, insbesondere für geschraubte Stirnplattenverbindungen zwischen Trägern und Stützen in mehrgeschossigen Rahmenkonstruktionen. Er verweist auf relevante Abschnitte, Abbildungen und Tabellen aus EN 1993-1-8 und anderen geltenden Normen, soweit erforderlich.
ANALYTISCHER ANSATZ
Das analytische Verfahren stammt aus [1].
Anschlusskonfiguration
| Stütze | 254x254x107 UKC | S275 |
| Träger | 533x210x92 UKB | S275 |
| Stirnplatte | 670x250x25 mm | S275 |
| Schraube | M24 Klasse 8.8 | |
| Schweißnähte | Kehlnähte: Flansch sf = 12 mm, Steg sw = 8 mm |
Widerstand der äquivalenten T-Stummel
Der Widerstand der äquivalenten T-Stummel wird für die Stirnplatte und den Stützenflansch separat bewertet. Die Widerstände werden für drei mögliche Versagensarten berechnet und der Widerstand wird als der kleinste Wert dieser drei Versagensarten angenommen.
Die Bemessungsbeanspruchbarkeit des T-Stummelflansches für jede der Versagensarten ist nachstehend angegeben.
Die Versagensarten sind nachfolgend aufgeführt:
| wobei | ||
| ℓeff,1 | effektive Länge des äquivalenten T-Stummels für Versagensart 1, angenommen als kleinerer Wert zwischen ℓeff,cp und ℓeff,nc | |
| ℓeff,2 | effektive Länge des äquivalenten T-Stummels für Versagensart 2, angenommen als ℓeff,nc | |
| tf | Dicke des T-Stummelflansches (= tp oder tfc) | |
| fy | Streckgrenze des T-Stummelflansches (d.h. der Stütze oder Stirnplatte) | |
| ∑Ft,Rd | gesamter Zugwiderstand für die Schrauben im T-Stummel (= 2Ft,Rd für eine einzelne Reihe) | |
| ew | = dw/4 | |
| dw | Durchmesser der Unterlegscheibe oder Breite über die Punkte des Schraubenkopfes | |
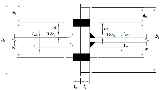
| m | Abstand gemäß der Definition in der obigen Abbildung | |
| n | Minimum aus ec (Randabstand des Stützenflansches), ep (Randabstand der Stirnplatte), 1,25 m (für die Stirnplatte oder den Stützenflansch, je nach Fall) |
Definition des Widerstands:
Zugzone T-Stummel
SCHRAUBENREIHE 1
Stützenflansch bei Biegung (ohne Unterlegblech)
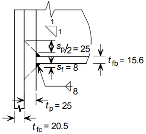
Nehmen wir an, dass die Schraubenreihe 1 allein wirkt. Die wichtigsten Abmessungen sind unten aufgeführt.
Stirnplatte bei Biegung
Zusammenfassung der Widerstandsberechnung:
| Parameter | Einheit | Stützenflansch bei Biegung (ohne Unterlegblech) | Stützensteg bei Querzug | Stirnplatte bei Biegung | Trägersteg bei Zug | |
| m | [mm] | 33,4 | - | = mx = 30,4 | - | |
| e | [mm] | = emin = 75 | - | e = 75, ex = 50 | - | |
| ℓeff,1 | [mm] | 210 | - | 125 | - | |
| ℓeff,2 | [mm] | 233 | - | 125 | - | |
| VERSAGENSART 1 | ||||||
| n | [mm] | 41,8 | - | 38,0 | - | |
| tf | [mm] | 20,5 | - | 25 | - | |
| fy | [N/mm2] | 265 | - | 265 | - | |
| Mpl,1,Rd | [Nmm] | 5850x103 | - | 5180x103 | - | |
| dw | [mm] | 39,55 | - | - | - | |
| ew | [mm] | 9,9 | - | 9,9 | - | |
| FT,1,Rd | [kN] | 898 | - | 901 | - | |
| VERSAGENSART 2 | ||||||
| Mpl,2,Rd | [Nmm] | 6490x103 | - | 5180x103 | - | |
| Ft,Rd | [N] | 203x103 | - | 203x103 | - | |
| Schraube in einer Reihe | [Stck] | 2 | - | 2 | - | |
| ∑Ft,Rd | [N] | 406x103 | - | 406x103 | - | |
| FT,2,Rd | [kN] | 398 | - | 377 | - | |
| VERSAGENSART 3 | ||||||
| FT,3,Rd | [kN] | 406 | - | 406 | - | |
| ω | [-] | - | 1,0 | - | ||
| beff,t,wc | [mm] | - | = ℓeff,2 = 233 | - | ||
| fy,wc | [N/mm2] | - | = fy,c = 265 | - | ||
| WIDERSTAND | Ft,fc,Rd | Ft,wc,Rd | Ft,ep,Rd | |||
| [kN] | 398 | 790 | 377 | |||
| HINWEIS | ist nicht anwendbar |
Der Widerstand der Schraubenreihe 1 ist der kleinste Wert der oben genannten Widerstände.
Daher ist Ft,1,Rd = min {Ft,fc,Rd = 398; Ft,wc,Rd = 790; Ft,ep,Rd = 377} = 377 kN.
SCHRAUBENREIHE 2
Betrachten wir zunächst Reihe 2 allein.
Stirnplatte bei Biegung
Schraubenreihe 2 ist die erste Schraubenreihe unterhalb des Trägerflansches und wird als „erste Schraubenreihe unterhalb des Zugflansches des Trägers” betrachtet. Die wichtigsten Abmessungen für den T-Stummel sind für den Stützenflansch-T-Stummel in Reihe 1 und wie unten gezeigt (in der Ansicht) für Reihe 2 angegeben.
Zusammenfassung der Widerstandsberechnung:
| Parameter | Einheit | Stützenflansch bei Biegung | Stützensteg bei Querzug | Stirnplatte bei Biegung | Trägersteg bei Zug | |
| m | [mm] | - | - | = mp = 38,6 | - | |
| m2 | [mm] | - | - | 34,8 | - | |
| e | [mm] | - | - | = ep = 75 | - | |
| ℓeff,1 | [mm] | - | - | 243 | - | |
| ℓeff,2 | [mm] | - | - | 290 | - | |
| VERSAGENSART 1 | ||||||
| n | [mm] | - | - | 48,3 | - | |
| tf | [mm] | - | - | 25 | - | |
| fy | [N/mm2] | - | - | 265 | - | |
| Mpl,1,Rd | [Nmm] | - | - | 10,1x103 | - | |
| ew | [mm] | - | - | 9,9 | - | |
| FT,1,Rd | [kN] | - | - | 1291 | - | |
| VERSAGENSART 2 | ||||||
| Mpl,2,Rd | [Nmm] | - | - | 12,0x106 | - | |
| Ft,Rd | [N] | - | - | 203x103 | - | |
| Schraube in einer Reihe | [Stck] | - | - | 2 | - | |
| ∑Ft,Rd | [N] | - | - | 406x103 | - | |
| FT,2,Rd | [kN] | - | - | 502 | - | |
| VERSAGENSART 3 | ||||||
| FT,3,Rd | [kN] | - | - | 406 | - | |
| ω | [-] | - | - | - | 1,0 | |
| beff,t,wc | [mm] | - | - | - | 243 | |
| twb | [mm] | - | - | - | 10,1 | |
| fy,wc | [N/mm2] | - | - | - | 675 | |
| WIDERSTAND | Ft,fc,Rd | Ft,wc,Rd | Ft,ep,Rd | Ft,wb,Rd | ||
| [kN] | 398 | 790 | 406 | 675 | ||
| HINWEIS | wie für Schraubenreihe 1 berechnet, Versagensart 2 | wie für Schraubenreihe 1 berechnet |
Die Widerstände für Reihe 2 berücksichtigen vor allem die allein wirkende Reihe. Auf der Stützenseite kann der Widerstand jedoch durch den Widerstand der Gruppe der Reihen 1 und 2 begrenzt sein. Nun wird der Gruppenwiderstand berücksichtigt.
REIHEN 1 UND 2 KOMBIERT
Stützenflansch bei Biegung
Zusammenfassung der Widerstandsberechnung:
| Parameter | Einheit | Stützenflansch bei Biegung | Stützensteg bei Querzug | Stirnplatte bei Biegung | |
| m | [mm] | 33,4 | - | - | |
| ℓeff,1 | [mm] | 332 | - | - | |
| ℓeff,2 | [mm] | 332 | - | - | |
| VERSAGENSART 1 | |||||
| n | [mm] | 41,8 | - | - | |
| tf | [mm] | 20,5 | - | - | |
| fy | [N/mm2] | 265 | - | - | |
| Mpl,1,Rd | [Nmm] | 9,24x103 | - | - | |
| ew | [mm] | 9,9 | - | - | |
| FT,1,Rd | [kN] | 1420 | - | - | |
| VERSAGENSART 2 | |||||
| Mpl,2,Rd | [Nmm] | 9,24x106 | - | - | |
| Ft,Rd | [N] | 203 | - | - | |
| Schrauben | [Stck] | 4 | - | - | |
| ∑Ft,Rd | [N] | 812 | - | - | |
| FT,2,Rd | [kN] | 697 | - | - | |
| VERSAGENSART 3 | |||||
| FT,3,Rd | [kN] | 812 | - | - | |
| ω | [-] | - | 1,0 | - | |
| beff,t,wc | [mm] | - | 332 | - | |
| twb | [mm] | - | 12,8 | - | |
| fy,wc | [N/mm2] | - | 265 | - | |
| WIDERSTAND | Ft,fc,Rd | Ft,wc,Rd | Ft,ep,Rd | ||
| [kN] | 697 | 1126 | - | ||
| HINWEIS | Es gibt keinen Gruppenmodus für die Stirnplatte |
Widerstand der Schraubenreihen 1 und 2 ist der kleinste Wert der Widerstände Stützenflansch bei Biegung und Stützensteg bei Zug, also Ft,1-2,Rd = min {Ft,fc,Rd = 697; Ft,wc,Rd = 1126} = 697 kN.
Der Widerstand der Schraubenreihe 2 auf der Stützenseite ist daher auf Ft2,c,Rd = Ft,1-2,Rd - Ft1,Rd = 697 - 377 = 320 kN begrenzt.
Widerstand der Schraubenreihe 2 ist der kleinste Wert der Widerstände: Stützenflansch bei Biegung Ft,fc,Rd = 398 kN, Stützensteg bei Zug Ft,wc,Rd = 790 kN, Trägersteg bei Zug Ft,wb,Rd = 675 kN, Stirnplatte bei Biegung Ft,ep,Rd = 406 kN und Stützenseite als Teil der Gruppe, Ft2,c,Rd = 320 kN. Daher ist der Widerstand der Schraubenreihe 2 Ft,2,Rd = 320 kN.
SCHRAUBENREIHE 3
Betrachten wir zunächst Reihe 3 allein.
Zusammenfassung der Widerstandsberechnung:
| Parameter | Einheit | Stützenflansch bei Biegung | Stützensteg bei Querzug | Stirnplatte bei Biegung | Trägersteg bei Zug | |
| e | [mm] | - | - | = ep = 75 | - | |
| m | [mm] | - | - | 38,6 | - | |
| ℓeff,1 | [mm] | - | - | 248 | - | |
| ℓeff,2 | [mm] | - | - | 248 | - | |
| VERSAGENSART 1 | ||||||
| n | [mm] | - | - | 48,3 | - | |
| tf | [mm] | - | - | 25 | - | |
| fy | [N/mm2] | - | - | 265 | - | |
| Mpl,1,Rd | [Nmm] | - | - | 10,1x106 | - | |
| ew | [mm] | - | - | 9,9 | - | |
| FT,1,Rd | [kN] | - | - | 1291 | - | |
| VERSAGENSART 2 | ||||||
| Mpl,2,Rd | [Nmm] | - | - | 10,3x106 | - | |
| Ft,Rd | [N] | - | - | 203 | - | |
| Schrauben | [Stck] | - | - | 2 | - | |
| ∑Ft,Rd | [N] | - | - | 406 | - | |
| FT,2,Rd | [kN] | - | - | 463 | - | |
| VERSAGENSART 3 | ||||||
| FT,3,Rd | [kN] | - | - | 406 | - | |
| beff,t,wb | [mm] | - | - | - | = beff,1 = 243 | |
| twb | [mm] | - | - | - | 10,1 | |
| WIDERSTAND | Ft,fc,Rd | Ft,wc,Rd | Ft,ep,Rd | Ft,wb,Rd | ||
| [kN] | 790 | 790 | 406 | 675 | ||
| HINWEIS | wie für Schraubenreihe 1 und 2 berechnet | wie für Schraubenreihe 1 und 2 berechnet |
Die Widerstände für die Reihen 2 und 3 berücksichtigen vor allem den Widerstand der Reihe, die allein wirkt. Auf der Stützenseite kann der Widerstand jedoch durch den Widerstand der Gruppe der Reihen 1, 2 und 3 oder durch die Gruppe der Reihen 2 und 3 begrenzt sein. Auf der Trägerseite kann der Widerstand durch die Gruppe der Reihen 2 und 3 begrenzt sein. Diese Gruppenwiderstände werden nun betrachtet.
SCHRAUBEN 1, 2 UND 3 KOMBIERT
Stützenflansch bei Biegung
Die kreisförmigen und nicht kreisförmigen Muster sehen wie folgt aus:
Zusammenfassung der Widerstandsberechnung:
| Parameter | Einheit | Stützenflansch bei Biegung | Stützensteg bei Querzug | |
| ℓeff,1 | [mm] | 422 | - | |
| ℓeff,2 | [mm] | 422 | - | |
| VERSAGENSART 1 | ||||
| m | [mm] | 33,4 | - | |
| n | [mm] | 41,8 | - | |
| ew | [mm] | 9,9 | - | |
| tf | [mm] | 20,5 | - | |
| fy | [N/mm2] | 265 | - | |
| Mpl,1,Rd | [Nmm] | 11,7x106 | - | |
| FT,1,Rd | [kN] | 1797 | - | |
| VERSAGENSART 2 | ||||
| Mpl,2,Rd | [Nmm] | 11,7x106 | - | |
| Ft,Rd | [kN] | 203 | - | |
| Schrauben | [Stck] | 6 | - | |
| ∑Ft,Rd | [kN] | 1218 | - | |
| FT,2,Rd | [kN] | 988 | - | |
| VERSAGENSART 3 | ||||
| FT,3,Rd | [kN] | 1218 | - | |
| ω | [-] | - | 1,0 | |
| beff,t,wc | [mm] | - | 422 | |
| twc | [mm] | - | 12,8 | |
| WIDERSTAND | Ft,fc,Rd | Ft,wc,Rd | ||
| [kN] | 988 | 1431 |
Der Widerstand der Schraubenreihen 1, 2 und 3 kombiniert auf der Stützenseite ist der kleinste Wert von Stützenflansch bei Biegung und Stützensteg bei Zug, nämlich 988 kN.
Daher ist der Widerstand der Schraubenreihe 3 auf der Stützenseite begrenzt auf: Ft3,c,Rd = Ft1-3,Rd - Ft1-2,Rd = 988 - 697 = 291 kN.
REIHEN 2 UND 3 KOMBIERT
Zusammenfassung der Widerstandsberechnung:
| Parameter | Einheit | Stützenseite - Flansch bei Biegung | Stützensteg bei Querzug | Trägerseite - Stirnplatte bei Biegung | Träger bei Zug | |
| m | [mm] | 33,4 | - | 38,6 | - | |
| n | [mm] | 41,8 | - | 48,3 | - | |
| ew | - | - | 9,9 | - | ||
| ℓeff,1 | [mm] | 323 | - | 379 | - | |
| ℓeff,2 | [mm] | 323 | - | 379 | - | |
| VERSAGENSART 1 | (Reihen 2 + 3) | |||||
| Mpl,1,Rd | [Nmm] | 9,24x103 | 9,0x106 | 15,7x106 | - | |
| FT,1,Rd | [kN] | 1383 | - | 2007 | - | |
| VERSAGENSART 2 | (Reihen 2 + 3) | |||||
| Mpl,2,Rd | [Nmm] | 9,0x106 | - | 15,7x106 | - | |
| Ft,Rd | [kN] | 203 | - | 203 | - | |
| Schrauben | [Stck] | 4 | - | 4 | - | |
| ∑Ft,Rd | [kN] | 812 | - | 812 | - | |
| FT,2,Rd | [kN] | 691 | - | 813 | - | |
| VERSAGENSART 3 | (Reihen 2 + 3) | |||||
| FT,3,Rd | [kN] | 1218 | - | 812 | - | |
| ω | [-] | - | 1,0 | - | - | |
| beff,t,wc | [mm] | - | 323 | - | - | |
| twb | [mm] | - | 12,8 | - | - | |
| fy,wc | [N/mm2] | - | 265 | - | - | |
| WIDERSTAND | Ft,fc,Rd | Ft,wc,Rd | Ft,ep,Rd | |||
| [kN] | 691 | 1096 | 812 | - | ||
| HINWEIS | ist nicht anwendbar |
Der Widerstand der Schraubenreihen 2 und 3 kombiniert auf der Trägerseite ist Stirnplatte bei Biegung Ft,ep,Rd = 812 kN. Daher ist auf der Trägerseite Ft2-3,Rd = 812 kN. Der Widerstand der Schraubenreihe 3 auf der Trägerseite ist daher auf Ft3,b,Rd = Ft2-3,Rd - Ft2,Rd = 812 - 320 = 492 kN begrenzt.
Der Widerstand der Schraubenreihen 2 und 3 kombiniert auf der Stützenseite ist Stützenflansch bei Biegung Ft,fc,Rd = 691 kN, Stützensteg bei Zug Ft,wc,Rd = 1096 kN, daher ist auf der Stützenseite Ft2-3,Rd = 691 kN.
Daher ist der Widerstand der Schraubenreihe 3 auf der Stützenseite auf Ft3,b,Rd = Ft2-3,Rd - Ft2,Rd = 691 - 320 = 371 kN begrenzt.
Zusammenfassung
Der Widerstand der Schraubenreihe 3 ist der kleinste Wert unter den folgenden Widerständen: Stützenflansch bei Biegung Ft,fc,Rd = 398 kN, Stützensteg bei Zug Ft,wc,Rd = 790 kN, Trägersteg bei Zug Ft,wb,Rd = 675 kN, Stirnplatte bei Biegung Ft,ep,Rd = 406 kN, Stützenseite als Teil einer Gruppe mit 2 und 1 Ft3,c,Rd = 291 kN, Stützenseite als Teil einer Gruppe mit 2 Ft3,c,Rd = 371 kN, Trägerseite als Teil einer Gruppe mit 2 Ft3,b,Rd = 492 kN. Daher ist der Widerstand der Schraubenreihe 3 Ft3,Rd = 291 kN.
ZUSAMMENFASSUNG DER ZUGWIDERSTÄNDE
Die Ableitung der effektiven Widerstände der oben genannten Zugreihen kann in Tabellenform zusammengefasst werden, wie unten gezeigt.
Widerstände der Reihen Ftr,Rd:
| Stützenflansch | Stützenstegb |
|
Trägersteg | Minimum | Effektiver Widerstand | ||
| Reihe 1, allein | 398 | 790 | 377 | k.A. | 377 | 377 | |
| Reihe 2, allein | 398 | 790 | 406 | 675 | 398 | ||
| Reihe 2, mit Reihe 1 | 697 | 1126 | k.A. | k.A. | 697 | ||
| Reihe 2 | 697 - 377 | 320 | |||||
| Reihe 3, allein | 398 | 790 | 406 | 675 | 309 | ||
| Reihe 3, mit Reihe 1 und 2 | 988 | 1431 | k.A. | k.A. | 988 | ||
| Reihe 3 | 988 - 697 | 291 | |||||
| Reihe 3, mit Reihe 2 | 691 | 1096 | 812 | 1052 | 691 | ||
| Reihe 3 | 691 - 320 |
Druckzone
Stützensteg bei Querdruck
Die Bemessungsbeanspruchbarkeit eines unausgesteiften Stützenstegs bei Querdruck wird wie folgt ermittelt:
| wobei | ||
| s | = rc = 12,7 mm für warmgewalzte I- und H-Stützenprofile | |
| sp | Länge, die durch 45° Dispersion durch die Stirnplatte erreicht wird; sp = 2 tp = 50 mm | |
| ex | Endabstand gemessen von der Mitte der Befestigung der Reihe 1; ex = 50 mm | |
| x | Abstand der Reihe 1 über dem Trägerflansch, gemessen von der Mitte der Befestigung; x = 40 mm | |
| sf | Schweißnahtschenkelgröße; sf = 8 mm | |
| hp | Tiefe der Stirnplatte; hp ≥ ex + x + hb + sf + tp = 656 mm → hp = 670 mm | |
| beff,c,wc | für eine geschraubte Stirnplatte; beff,c,wc = tfb + 2 sf + 5 (tfc + s) + sp = 248 mm | |
| ρ | Reduktionsfaktor für Plattenbeulen, hängt von der Platte ab; ρ = 1,0 | |
| ω | = 1,0 | |
| kwc | Reduktionsfaktor, der Druck im Stützensteg berücksichtigt; kwc = 1,0 |
Daher ist Fc,wc,Rd = 841 kN.
Trägerflansch und Steg bei Druck
Die resultierende Bemessungsbeanspruchbarkeit eines Trägerflansches und der angrenzenden Druckzone des Stegs wird wie folgt bestimmt:
| wobei | ||
| Mc,Rd | Bemessungsbeanspruchbarkeit des Trägers; angenommen, dass die Bemessungsquerkraft im Träger Mc,Rd nicht reduziert, d.h. Mc,Rd = 649 kN | |
| h | = hb = 533,1 mm | |
| tfb | = 15,6 mm |
Somit ist Fc,fb,Rd = 1254 kN.
Zusammenfassung: Widerstand der Druckzone
Stützensteg bei Querdruck Fc,wc,Rd = 841 kN, Trägerflansch und Steg bei Druck Fc,fb,Rd = 1254 kN.
Widerstand des Stützenstegfelds bei Schub
Die plastische Querkrafttragfähigkeit eines unausgesteiften Stegs wird wie folgt angegeben:
Der Widerstand wird hier nicht bewertet, da es keinen Bemessungsschub im Steg gibt, weil die Momente aus den Trägern gleich und entgegengesetzt sind.
Momentenbeanspruchbarkeit
EFFEKTIVER WIDERSTAND DER SCHRAUBENREIHEN
Die effektiven Widerstände jeder der drei Schraubenreihen in der Zugzone sind:
Ft1,Rd = 377 kN, Ft2,Rd = 320 kN, Ft3,Rd = 291 kN.
Die effektiven Widerstände sollten reduziert werden, wenn der Widerstand einer der höheren Reihen 1,9 Ft,Rd = 1,9 x 203 = 386 kN überschreitet.
Daher ist keine Reduzierung erforderlich.
GLEICHGEWICHT DER KRÄFTE
Die Summe der Zugkräfte darf zusammen mit einem etwaigen zentrischen Druck im Träger den Widerstand der Druckzone nicht überschreiten.
Ebenso darf der Bemessungsschub den Schubwiderstand des Stützenstegfeldes nicht überschreiten. Dies ist in diesem Beispiel nicht relevant, da die Momente in den identischen Trägern gleich und entgegengesetzt sind.
Für das horizontale Gleichgewicht ist ∑Ftr,Rd + NEd = Fc,Rd. In diesem Beispiel gibt es keinen zentrischen Druck. Daher ist ∑Ftr,Rd = Fc,Rd.
Hier ist der gesamte effektive Zugwiderstand ∑Ftr,Rd = 377 + 320 + 291 = 988 kN, was den Druckwiderstand Fс,Rd = 841 kN überschreitet.
Um ein Gleichgewicht zu erreichen, werden die effektiven Widerstände reduziert, beginnend mit der untersten Reihe und nach oben arbeitend, bis ein Gleichgewicht erreicht ist. Die erforderliche Reduzierung ist 988 - 841 = 147 kN.
Die gesamte Reduzierung kann erreicht werden, indem der Widerstand der unteren Reihe reduziert wird. Somit ist Ft3,Rd = 291 - 147 = 144 kN.
MOMENTENBEANSPRUCHBARKEIT DER KRÄFTE
Die Momentenbeanspruchbarkeit des Träger-Stützen-Anschlusses Mj,Rd ist:
Die Druckmitte wird als die Mitteldicke des Druckflansches des Trägers angenommen, d.h. hr1 = 565 mm, hr2 = 465 mm, hr3 = 375 mm. Somit ist der Momentwiderstand des Träger-Stützen-Anschlusses wie folgt:
Mj,Rd = 416 kNm.
Vertikaler Schubwiderstand
WIDERSTAND DER SCHRAUBENGRUPPE
Der Schubwiderstand einer nicht vorgespannten M24-Schraube der Klasse 8.8 in Einzelschub ist Fv,Rd = 136 kN, Fb,Rd = 200 kN (in 20 mm Lage). Somit ist Fv,Rd maßgebend.
Der Schubwiderstand der oberen Reihen kann konservativ als 28 % des Schubwiderstands ohne Zug angenommen werden (unter der Annahme, dass diese Schrauben vollständig auf Zug genutzt werden). Somit beträgt der Schubwiderstand aller 4 Reihen (2 + 6 x 0,28) 136 = 3,68 x 136 = 500 kN.
Schweißnahtbemessung
Der einfache Ansatz erfordert, dass die Schweißnähte am Zugflansch und am Steg volle Festigkeit aufweisen, während die Schweißnaht zum Druckflansch nur die Nennmaßgröße aufweist, vorausgesetzt, sie wurde mit einem gesägten Schnittende vorbereitet.
TRÄGERZUGFLANSCHNÄHTE
Eine Schweißnaht mit voller Festigkeit wird durch symmetrische Kehlnahtschweißungen mit einer Gesamtkehlnahtdicke erzielt, die mindestens der Flanschdicke entspricht. Die erforderliche Kehlnahtgröße ist tfb/2 = 15,6/2 = 7,8 mm. Die erzielte Schweißnaht beträgt af = 12/√2 = 8,5 mm, was ausreichend ist.
TRÄGERDRUCKFLANSCHNÄHTE
Auf beiden Seiten des Trägerflansches ist eine nominelle Kehlnaht vorzusehen. Eine Kehlnaht mit einer Schenkellänge von 8 mm ist ausreichend.
TRÄGERSTEGNÄHTE
Der Einfachheit halber wird eine Schweißnaht mit voller Festigkeit am Steg vorgesehen.
Die erforderliche Nahtgröße ist tfw/2 = 10,2/2 = 5,1 mm.
Die erzielte Kehlnaht beträgt ap = 8/√2 = 5,7 mm, was ausreichend ist.
KOMPONENTENBASIERTE FE-ANALYSE
Die Bemessung wurde mit dem Add-On Stahlanschlüsse für RFEM 6 durchgeführt.
Das Add-On Stahlanschlüsse ermöglicht die Analyse von Verbindungen auf Basis eines FE-Modells. Die Eingabe und die Auswertung der Ergebnisse sind vollständig in die Benutzeroberfläche der statischen FEM-Software RFEM integriert, wodurch der Bemessungsprozess intuitiv und schnell erfolgt.
Anschlusskonfiguration
| Stütze | 254x254x107 UKC | S275 |
| Träger | parametrisch definiertes Profil | |
| hb = 533,1 mm, bb = 209,3 mm, twb = 10,1 mm, tfb = 15,6 mm | S275 | |
| Stirnplatte | 670x250x25 mm | S275 |
| Schraube | M24 Klasse 8.8 | |
| Schweißnähte | Kehlnähte oberer Flansch sf1 = 8,5 mm, unterer Flansch sf2 = 5,7 mm, Steg sw = 5,7 mm |
Ergebnisse des Add-Ons Stahlanschlüsse
Das Add-On Stahlanschlüsse für RFEM 6 erweitert die Funktionen der Software, indem es Ingenieuren die Möglichkeit bietet, Stahlverbindungen mit der Präzision eines Finite-Elemente-Modells (FE-Modells) zu analysieren. Dieses fortschrittliche Tool ermöglicht die detaillierte Visualisierung aller wesentlichen Ergebnisse direkt am FE-Modell und bietet einen klaren und umfassenden Überblick über die Performance von Stahlverbindungen unter verschiedenen Lasten und Bedingungen.
Es umfasst die Anzeige der Vergleichsspannungen und plastischen Dehnungen innerhalb der Stahlverbindung. Durch die Darstellung sowohl der Vergleichsspannungen als auch der plastischen Dehnungen bietet RFEM ein umfassenderes Verständnis des Verhaltens der Verbindung unter realen Bedingungen und gewährleistet so, dass die Bemessung sowohl sicher als auch effizient ist.
VERGLEICHSSPANNUNGEN
Vergleichsspannungen bieten einen klaren Überblick über die gesamte Spannungsverteilung und helfen Ingenieuren dabei, potenzielle Versagenspunkte aufgrund übermäßiger Spannungskonzentrationen zu identifizieren. Diese Spannungen sind für das Verständnis der Tragfähigkeit der Verbindung von entscheidender Bedeutung.
Hier ist die Spannungsverteilung auf dem Stützenflansch und der Trägerstirnplatte zu sehen.
PLASTISCHE DEHNUNG
Die Platten in der Verbindung werden plastisch bemessen, indem die vorhandene plastische Dehnung mit der zulässigen plastischen Dehnung verglichen wird. Die Standardeinstellung beträgt gemäß EN 1993‑1‑5, Anhang C, 5 %. Nachstehend ist die plastische Dehnung im Anschluss angegeben:
SPANNUNGS-DEHNUNGS-BERECHNUNG
Fazit
Der Beitrag stellt zwei Methoden zur Bemessung von Träger-Stützen-Anschlüssen vor. Die analytische Methode ist komplex und manuell nur schwer zu handhaben, insbesondere wenn es um die Optimierung geht. Sie umfasst die Berechnung der Widerstände jeder Komponente und deren Vergleich mit den auf diese Komponenten einwirkenden Kräften.
Die zweite Methode ist der CBFEM-Ansatz, der im Add-On Stahlanschlüsse von RFEM 6 implementiert ist. Bei dieser Methode wird der Anschluss zusammengesetzt und die Kräfte für die Analyse werden aus dem Haupt-FE-Modell abgeleitet. Der zusammengesetzte Anschluss wird dann unter den aufgebrachten Kräften durch eine Spannungs-Dehnungs-Berechnung der Stahlplatten nachgewiesen. Zusätzlich wird die Bemessung von Schweißnähten und Verbindungsmitteln gemäß den relevanten EN-Normen durchgeführt.
Während das analytische Verfahren weit verbreitet ist, ist die zweite Methode wesentlich schneller, liefert genaue Ergebnisse und reduziert gleichzeitig die Rechenzeit erheblich. Außerdem ermöglicht sie eine einfache und schnelle Optimierung.
Ein Vergleich der Ergebnisse wird unten gezeigt.
Der Momentwiderstand Mj,Rd, der mit dem analytischen Ansatz berechnet wurde, beträgt 416 kNm, während der Wert aus CBFEM im Add-On Stahlanschlüsse 415 kNm beträgt. Der Unterschied ist weniger als 1%, mit Δ = -0,24%, was die Zuverlässigkeit und Genauigkeit der CBFEM-Methode, die im Add-On Stahlanschlüsse implementiert ist, veranschaulicht.
Das Modell finden Sie unten:
LITERATUR
[1] Brown, D., Iles, D., Brettle, M., Malik, A., and BCSA/SCI Connections Group. (2013). Joints in steel construction: Moment-resisting joints to Eurocode 3. Vol BCSA/SCI Connections Group. London: The British Constructional Steelwork Association Limited.