ÚVOD
Tento článek poskytuje pokyny pro návrh momentově odolných spojů v souladu s normou Eurokód 3, zejména se zaměřením na šroubované přípoje s čelní deskou mezi nosníky a sloupy ve vícepodlažních rámech. Odkazuje na relevantní sekce, obrázky a tabulky z EN 1993-1-8 a dalších platných standardů podle potřeby.
ANALYTICKÝ PŘÍSTUP
Analytická procedura je převzata z [1].
Konfigurace spoje
| Sloup | 254x254x107 UKC | S275 |
| Nosník | 533x210x92 UKB | S275 |
| Čelní deska | 670x250x25 mm | S275 |
| Šroub | M24 třída 8.8 | |
| Svařování | Koutové svary: příruba sf = 12 mm, stěna sw = 8 mm |
Odolnost ekvivalentního T-trnu
Odolnost ekvivalentních T-trnů je hodnocena samostatně pro čelní desku a přírubu sloupu. Odolnosti jsou vypočteny pro tři možné módy porušení a odolnost je považována za minimální hodnotu pro tyto tři módy.
Návrhová odolnost příruby T-trnu pro každý z módu je uvedena níže.
Níže jsou zobrazeny módy porušení:
| kde | ||
| ℓeff,1 | je účinná délka ekvivalentního T-trnu pro Mód 1, považována za menší z ℓeff,cp a ℓeff,nc | |
| ℓeff,2 | je účinná délka ekvivalentního T-trnu pro Mód 2, považována jako ℓeff,nc | |
| tf | je tloušťka příruby T-trnu (= tp nebo tfc) | |
| fy | je mez kluzu příruby T-trnu (tj. sloupu nebo čelní desky) | |
| ∑Ft,Rd | je celková odporová síla pro šrouby v T-trnu (= 2Ft,Rd pro jednu řadu) | |
| ew | = dw/4 | |
| dw | je průměr podložky nebo šířka přes body hlavy šroubu | |
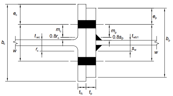
| m | je vzdálenost, jak je definována na obrázku výše | |
| n | je minimum z ec (okrajové vzdálenosti příruby sloupu), ep (okrajové vzdálenosti čelní desky), 1.25 m (pro čelní desku nebo přírubu sloupu, podle potřeby) |
Definice odolnosti:
T-trny ve zóně tahu
ŘADA ŠROUBŮ 1
Příruba sloupu v ohybu (bez opěrné desky)
Uvažujte, že řada šroubů 1 působí samostatně. Klíčové rozměry jsou uvedeny níže.
Čelní deska v ohybu
Shrnutí výpočtu odolnosti:
| Parametr | Jednotka | Příruba sloupu v ohybu (bez opěrné desky) | Stěna sloupu v příčném tahu | Čelní deska v ohybu | Stěna nosníku v tahu | |
| m | [mm] | 33.4 | - | = mx = 30.4 | - | |
| e | [mm] | = emin = 75 | - | e = 75, ex = 50 | - | |
| ℓeff,1 | [mm] | 210 | - | 125 | - | |
| ℓeff,2 | [mm] | 233 | - | 125 | - | |
| MÓD 1 | ||||||
| n | [mm] | 41.8 | - | 38.0 | - | |
| tf | [mm] | 20.5 | - | 25 | - | |
| fy | [N/mm2] | 265 | - | 265 | - | |
| Mpl,1,Rd | [Nmm] | 5850x103 | - | 5180x103 | - | |
| dw | [mm] | 39.55 | - | - | - | |
| ew | [mm] | 9.9 | - | 9.9 | - | |
| FT,1,Rd | [kN] | 898 | - | 901 | - | |
| MÓD 2 | ||||||
| Mpl,2,Rd | [Nmm] | 6490x103 | - | 5180x103 | - | |
| Ft,Rd | [N] | 203x103 | - | 203x103 | - | |
| Šrouby v řadě | [ks] | 2 | - | 2 | - | |
| ∑Ft,Rd | [N] | 406x103 | - | 406x103 | - | |
| FT,2,Rd | [kN] | 398 | - | 377 | - | |
| MÓD 3 | ||||||
| FT,3,Rd | [kN] | 406 | - | 406 | - | |
| ω | [-] | - | 1.0 | - | ||
| beff,t,wc | [mm] | - | = ℓeff,2 = 233 | - | ||
| fy,wc | [N/mm2] | - | = fy,c = 265 | - | ||
| ODOLNOST | Ft,fc,Rd | Ft,wc,Rd | Ft,ep,Rd | |||
| [kN] | 398 | 790 | 377 | |||
| POZNÁMKA | není relevantní |
Odolnost řady šroubů 1 je nejmenší hodnota uvedených odolností.
Proto, Ft,1,Rd = min {Ft,fc,Rd = 398; Ft,wc,Rd = 790; Ft,ep,Rd = 377} = 377 kN.
ŘADA ŠROUBŮ 2
Nejdříve uvažujte řadu 2 samostatně.
Čelní deska v ohybu
Řada šroubů 2 je první řada šroubů pod přírubou nosníku, považována jako 'první řada šroubů pod tahovou přírubou nosníku'. Klíčové rozměry pro T-trn jsou zobrazeny pro přírubu sloupu T-trn v řadě 1 a jak je uvedeno níže (ve zvýšení) pro řadu 2.
Shrnutí výpočtu odolnosti:
| Parametr | Jednotka | Příruba sloupu v ohybu | Stěna sloupu v příčném tahu | Čelní deska v ohybu | Stěna nosníku v tahu | |
| m | [mm] | - | - | = mp = 38.6 | - | |
| m2 | [mm] | - | - | 34.8 | - | |
| e | [mm] | - | - | = ep = 75 | - | |
| ℓeff,1 | [mm] | - | - | 243 | - | |
| ℓeff,2 | [mm] | - | - | 290 | - | |
| MÓD 1 | ||||||
| n | [mm] | - | - | 48.3 | - | |
| tf | [mm] | - | - | 25 | - | |
| fy | [N/mm2] | - | - | 265 | - | |
| Mpl,1,Rd | [Nmm] | - | - | 10.1x103 | - | |
| ew | [mm] | - | - | 9.9 | - | |
| FT,1,Rd | [kN] | - | - | 1291 | - | |
| MÓD 2 | ||||||
| Mpl,2,Rd | [Nmm] | - | - | 12.0x106 | - | |
| Ft,Rd | [N] | - | - | 203x103 | - | |
| Šrouby v řadě | [ks] | - | - | 2 | - | |
| ∑Ft,Rd | [N] | - | - | 406x103 | - | |
| FT,2,Rd | [kN] | - | - | 502 | - | |
| MÓD 3 | ||||||
| FT,3,Rd | [kN] | - | - | 406 | - | |
| ω | [-] | - | - | - | 1.0 | |
| beff,t,wc | [mm] | - | - | - | 243 | |
| twb | [mm] | - | - | - | 10.1 | |
| fy,wc | [N/mm2] | - | - | - | 675 | |
| ODOLNOST | Ft,fc,Rd | Ft,wc,Rd | Ft,ep,Rd | Ft,wb,Rd | ||
| [kN] | 398 | 790 | 406 | 675 | ||
| POZNÁMKA | jako vypočteno pro řadu šroubů 1, Mód 2 | jako vypočteno pro řadu šroubů 1 |
Odolnosti pro řadu 2 výše všechny uvažují řadu, jak působí samostatně. Avšak na straně sloupu může být odolnost omezena odolností skupiny řad 1 a 2. Nyní je brána v úvahu skupinová odolnost.
ŘADY 1 A 2 KOMBINOVANÉ
Příruba sloupu v ohybu
Shrnutí výpočtu odolnosti:
| Parametr | Jednotka | Příruba sloupu v ohybu | Stěna sloupu v příčném tahu | Čelní deska v ohybu | |
| m | [mm] | 33.4 | - | - | |
| ℓeff,1 | [mm] | 332 | - | - | |
| ℓeff,2 | [mm] | 332 | - | - | |
| MÓD 1 | |||||
| n | [mm] | 41.8 | - | - | |
| tf | [mm] | 20.5 | - | - | |
| fy | [N/mm2] | 265 | - | - | |
| Mpl,1,Rd | [Nmm] | 9.24x103 | - | - | |
| ew | [mm] | 9.9 | - | - | |
| FT,1,Rd | [kN] | 1420 | - | - | |
| MÓD 2 | |||||
| Mpl,2,Rd | [Nmm] | 9.24x106 | - | - | |
| Ft,Rd | [N] | 203 | - | - | |
| Šrouby | [ks] | 4 | - | - | |
| ∑Ft,Rd | [N] | 812 | - | - | |
| FT,2,Rd | [kN] | 697 | - | - | |
| MÓD 3 | |||||
| FT,3,Rd | [kN] | 812 | - | - | |
| ω | [-] | - | 1.0 | - | |
| beff,t,wc | [mm] | - | 332 | - | |
| twb | [mm] | - | 12.8 | - | |
| fy,wc | [N/mm2] | - | 265 | - | |
| ODOLNOST | Ft,fc,Rd | Ft,wc,Rd | Ft,ep,Rd | ||
| [kN] | 697 | 1126 | - | ||
| POZNÁMKA | Neexistuje skupinový mód pro čelní desku |
Odolnost řad šroubů 1 a 2 je nejmenší hodnota odolností Příruba sloupu v ohybu a Stěna sloupu v tahu, tedy Ft,1-2,Rd = min {Ft,fc,Rd = 697; Ft,wc,Rd = 1126} = 697 kN.
Odolnost řady šroubů 2 na straně sloupu je tedy omezena na Ft2,c,Rd = Ft,1-2,Rd - Ft1,Rd = 697 - 377 = 320 kN.
Odolnost řady šroubů 2 je nejmenší hodnota z následujících odolností: Příruba sloupu v ohybu Ft,fc,Rd = 398 kN, Stěna sloupu v tahu Ft,wc,Rd = 790 kN, Stěna nosníku v tahu Ft,wb,Rd = 675 kN, Čelní deska v ohybu Ft,ep,Rd = 406 kN a Strana sloupu, jako část skupiny, Ft2,c,Rd = 320 kN. Proto, odolnost řady šroubů 2 Ft,2,Rd = 320 kN.
ŘADA ŠROUBŮ 3
Nejdříve uvažte řadu 3 samostatně.
Shrnutí výpočtu odolnosti:
| Parametr | Jednotka | Příruba sloupu v ohybu | Stěna sloupu v příčném tahu | Čelní deska v ohybu | Stěna nosníku v tahu | |
| e | [mm] | - | - | = ep = 75 | - | |
| m | [mm] | - | - | 38.6 | - | |
| ℓeff,1 | [mm] | - | - | 248 | - | |
| ℓeff,2 | [mm] | - | - | 248 | - | |
| MÓD 1 | ||||||
| n | [mm] | - | - | 48.3 | - | |
| tf | [mm] | - | - | 25 | - | |
| fy | [N/mm2] | - | - | 265 | - | |
| Mpl,1,Rd | [Nmm] | - | - | 10.1x106 | - | |
| ew | [mm] | - | - | 9.9 | - | |
| FT,1,Rd | [kN] | - | - | 1291 | - | |
| MÓD 2 | ||||||
| Mpl,2,Rd | [Nmm] | - | - | 10.3x106 | - | |
| Ft,Rd | [N] | - | - | 203 | - | |
| Šrouby | [ks] | - | - | 2 | - | |
| ∑Ft,Rd | [N] | - | - | 406 | - | |
| FT,2,Rd | [kN] | - | - | 463 | - | |
| MÓD 3 | ||||||
| FT,3,Rd | [kN] | - | - | 406 | - | |
| beff,t,wb | [mm] | - | - | - | = beff,1 = 243 | |
| twb | [mm] | - | - | - | 10.1 | |
| ODOLNOST | Ft,fc,Rd | Ft,wc,Rd | Ft,ep,Rd | Ft,wb,Rd | ||
| [kN] | 790 | 790 | 406 | 675 | ||
| POZNÁMKA | jako vypočteno pro řady šroubů 1 a 2 | jako vypočteno pro řady šroubů 1 a 2 |
Odolnosti pro řady 2 a 3 výše všechny uvažují odolnost řady, jak působí samostatně. Avšak na straně sloupu může být odolnost omezena odolností skupiny řad 1, 2 a 3, nebo skupiny řad 2 a 3. Na straně nosníku může být odolnost omezena skupinou řad 2 a 3. Nyní jsou zvažovány odolnosti těchto skupin.
ŠROUBY 1, 2 A 3 KOMBINOVANÉ
Příruba sloupu v ohybu
Kruhové a nekruhové vzory jsou následující:
Shrnutí výpočtu odolnosti:
| Parametr | Jednotka | Příruba sloupu v ohybu | Stěna sloupu v příčném tahu | |
| ℓeff,1 | [mm] | 422 | - | |
| ℓeff,2 | [mm] | 422 | - | |
| MÓD 1 | ||||
| m | [mm] | 33.4 | - | |
| n | [mm] | 41.8 | - | |
| ew | [mm] | 9.9 | - | |
| tf | [mm] | 20.5 | - | |
| fy | [N/mm2] | 265 | - | |
| Mpl,1,Rd | [Nmm] | 11.7x106 | - | |
| FT,1,Rd | [kN] | 1797 | - | |
| MÓD 2 | ||||
| Mpl,2,Rd | [Nmm] | 11.7x106 | - | |
| Ft,Rd | [kN] | 203 | - | |
| Šrouby | [ks] | 6 | - | |
| ∑Ft,Rd | [kN] | 1218 | - | |
| FT,2,Rd | [kN] | 988 | - | |
| MÓD 3 | ||||
| FT,3,Rd | [kN] | 1218 | - | |
| ω | [-] | - | 1.0 | |
| beff,t,wc | [mm] | - | 422 | |
| twc | [mm] | - | 12.8 | |
| ODOLNOST | Ft,fc,Rd | Ft,wc,Rd | ||
| [kN] | 988 | 1431 |
Odolnost řad šroubů 1, 2 a 3 kombinovaná, na straně sloupu, je nejmenší hodnota z Příruba sloupu v ohybu a Stěna sloupu v tahu, což je 988 kN.
Proto je odolnost řady šroubů 3 na straně sloupu omezena na: Ft3,c,Rd = Ft1-3,Rd - Ft1-2,Rd = 988 - 697 = 291 kN.
ŘADY 2 A 3 KOMBINOVANÉ
Shrnutí výpočtu odolnosti:
| Parametr | Jednotka | Strana sloupu - příruba v ohybu | Stěna sloupu v příčném tahu | Strana nosníku - čelní deska v ohybu | Nosník v tahu | |
| m | [mm] | 33.4 | - | 38.6 | - | |
| n | [mm] | 41.8 | - | 48.3 | - | |
| ew | - | - | 9.9 | - | ||
| ℓeff,1 | [mm] | 323 | - | 379 | - | |
| ℓeff,2 | [mm] | 323 | - | 379 | - | |
| MÓD 1 | (řady 2 + 3) | |||||
| Mpl,1,Rd | [Nmm] | 9.24x103 | 9.0x106 | 15.7x106 | - | |
| FT,1,Rd | [kN] | 1383 | - | 2007 | - | |
| MÓD 2 | (řady 2 + 3) | |||||
| Mpl,2,Rd | [Nmm] | 9.0x106 | - | 15.7x106 | - | |
| Ft,Rd | [kN] | 203 | - | 203 | - | |
| Šrouby | [ks] | 4 | - | 4 | - | |
| ∑Ft,Rd | [kN] | 812 | - | 812 | - | |
| FT,2,Rd | [kN] | 691 | - | 813 | - | |
| MÓD 3 | (řady 2 + 3) | |||||
| FT,3,Rd | [kN] | 1218 | - | 812 | - | |
| ω | [-] | - | 1.0 | - | - | |
| beff,t,wc | [mm] | - | 323 | - | - | |
| twb | [mm] | - | 12.8 | - | - | |
| fy,wc | [N/mm2] | - | 265 | - | - | |
| ODOLNOST | Ft,fc,Rd | Ft,wc,Rd | Ft,ep,Rd | |||
| [kN] | 691 | 1096 | 812 | - | ||
| POZNÁMKA | není relevantní |
Odolnost řad šroubů 2 a 3 společně na straně nosníku je Čelní deska v ohybu Ft,ep,Rd = 812 kN. Proto na straně nosníku Ft2-3,Rd = 812 kN. Odolnost řady šroubů 3 na straně nosníku je tedy omezena na Ft3,b,Rd = Ft2-3,Rd - Ft2,Rd = 812 - 320 = 492 kN.
Odolnost řad šroubů 2 a 3 kombinovaná, na straně sloupu, je Příruba sloupu v ohybu Ft,fc,Rd = 691 kN, Stěna sloupu v tahu Ft,wc,Rd = 1096 kN, proto na straně sloupu Ft2-3,Rd = 691 kN.
Proto je odolnost řady šroubů 3 na straně sloupu omezena na Ft3,b,Rd = Ft2-3,Rd - Ft2,Rd = 691 - 320 = 371 kN.
Shrnutí
Odolnost řady šroubů 3 je nejmenší hodnota mezi následujícími odolnostmi: Příruba sloupu v ohybu Ft,fc,Rd = 398 kN, Stěna sloupu v tahu Ft,wc,Rd = 790 kN, Stěna nosníku v tahu Ft,wb,Rd = 675 kN, Čelní deska v ohybu Ft,ep,Rd = 406 kN, Strana sloupu jako součást skupiny s 2 a 1 Ft3,c,Rd = 291 kN, Strana sloupu jako součást skupiny s 2 Ft3,c,Rd = 371 kN, Strana nosníku jako součást skupiny s 2 Ft3,b,Rd = 492 kN. Proto je odolnost řady šroubů 3 Ft3,Rd = 291 kN.
SHRNUTÍ ODOLNOSTÍ V TAHU
Odvození efektivních odolností tahových řad výše lze shrnout v tabulkové formě, jak je uvedeno níže.
Odolnosti řad Ftr,Rd:
| Příruba sloupu | Stěna sloupu |
|
Stěna nosníku | Minimum | Efektivní odolnost | ||
| Řada 1, samostatně | 398 | 790 | 377 | N/A | 377 | 377 | |
| Řada 2, samostatně | 398 | 790 | 406 | 675 | 398 | ||
| Řada 2, s řadou 1 | 697 | 1126 | N/A | N/A | 697 | ||
| Řada 2 | 697 - 377 | 320 | |||||
| Řada 3, samostatně | 398 | 790 | 406 | 675 | 309 | ||
| Řada 3, s řadou 1 a 2 | 988 | 1431 | N/A | N/A | 988 | ||
| Řada 3 | 988 - 697 | 291 | |||||
| Řada 3, s řadou 2 | 691 | 1096 | 812 | 1052 | 691 | ||
| Řada 3 | 691 - 320 |
Zóna tlaku
Stěna sloupu v příčném tlaku
Návrhová odolnost nezpevněné stěny sloupu v příčném tlaku je určena následujícím způsobem:
| kde | ||
| s | = rc = 12.7 mm pro válcované za tepla I a H sekce sloupů | |
| sp | je délka získaná rozptylem pod úhlem 45° skrz čelní desku; sp = 2 tp = 50 mm | |
| ex | je koncová vzdálenost měřená od středu spojovacího prvku řady 1; ex = 50 mm | |
| x | je rozteč řady 1 nad přírubou nosníku měřená od středu spojovacího prvku; x = 40 mm | |
| sf |
|
|
| hp | je hloubka čelní desky; hp ≥ ex + x + hb + sf + tp = 656 mm → hp = 670 mm | |
| beff,c,wc | pro šroubovanou čelní desku; beff,c,wc = tfb + 2 sf + 5 (tfc + s) + sp = 248 mm | |
| ρ | je redukční faktor pro vlnový vlákno, závisí na desce; ρ = 1.0 | |
| ω | = 1.0 | |
| kwc | je redukční faktor, který zohledňuje tlak na stěnu sloupu; kwc = 1.0 |
Proto, Fc,wc,Rd = 841 kN.
Příruba a stěna nosníku v tlaku
Výsledná návrhová odolnost příruby nosníku a přilehlé tlakové zóny stěny nosníku se určuje pomocí:
| kde | ||
| Mc,Rd | je návrhová odolnost nosníku; za předpokladu, že návrhová smyková síla v nosníku nesnižuje Mc,Rd, proto Mc,Rd = 649 kN | |
| h | = hb = 533.1 mm | |
| tfb | = 15.6 mm |
Takže, Fc,fb,Rd = 1254 kN.
Shrnutí: odolnost tlakové zóny
Stěna sloupu v příčném tlaku Fc,wc,Rd = 841 kN, Příruba a stěna nosníku v tlaku Fc,fb,Rd = 1254 kN.
Odolnost panelu stěny sloupu ve smyku
Plastická smyková odolnost nezpevněné stěny je určena následovně:
Odolnost není zde hodnocena, protože neexistuje návrhový smyk na stěně, jelikož momenty z nosníků jsou stejné a opačné.
Momentová odolnost
EFEKTIVNÍ ODOLNOST ŘAD ŠROUBŮ
Efektivní odolnosti každé ze tří řad šroubů v tahové zóně jsou:
Ft1,Rd = 377 kN, Ft2,Rd = 320 kN, Ft3,Rd = 291 kN.
Efektivní odolnosti by měly být sníženy, pokud odolnost jedné z vyšších řad překračuje 1.9 Ft,Rd = 1.9 x 203 = 386 kN.
Tedy, žádné snížení není nutné.
ROVNOVÁHA SIL
Součet tahových sil, spolu se vším axiálním tlakem v nosníku, nesmí překročit odolnost tlakové zóny.
Podobně návrhový smyk nesmí překročit smykovou odolnost panelu stěny sloupu. To není relevantní v tomto příkladu, protože momenty ve stejných nosnících jsou stejné a opačné.
Pro vodorovnou rovnováhu ∑Ftr,Rd + NEd = Fc,Rd. V tomto příkladu není žádná axiální tlaková síla. Tedy, ∑Ftr,Rd = Fc,Rd.
Zde, celková efektivní tahová odolnost ∑Ftr,Rd = 377 + 320 + 291 = 988 kN, což překračuje tlakovou odolnost Fс,Rd = 841 kN.
K dosažení rovnováhy jsou efektivní odolnosti sníženy, začínajíc na nejnižší řadě a postupně nahoru, dokud není dosažená rovnováha. Požadované snížení 988 - 841 = 147 kN.
Veškeré toto snížení může být dosaženo snížením odolnosti spodní řady. Tedy, Ft3,Rd = 291 - 147 = 144 kN.
MOMENTOVÁ ODOLNOST SIL
Momentová odolnost přípojky nosníku ke sloupu Mj,Rd:
Za přijetí středu tlaku jako prostřední tloušťky tlakové příruby nosníku, hr1 = 565 mm, hr2 = 465 mm, hr3 = 375 mm. Tedy, momentová odolnost přípojky nosníku ke sloupu je:
Mj,Rd = 416 kNm.
Odolnost ve vertikálním smyku
ODOLNOST SKUPINY ŠROUBŮ
Odolnost ne-předepritého šroubu M24 třídy 8.8 v jednoduchém smyku je Fv,Rd = 136 kN, Fb,Rd = 200 kN (v 20 mm vrstvách). Tedy, Fv,Rd platí.
Smyková odolnost horních řad může být konzervativně uvažována jako 28% smykové odolnosti bez tahového zatížení (za předpokladu, že tyto šrouby jsou plně využity v tahu). Tedy, smyková odolnost všech 4 řad je (2 + 6 x 0.28) 136 = 3.68 x 136 = 500 kN.
Návrh svařování
Jednoduchý přístup vyžaduje, aby svary k tahové přírubě a stěně byly plně odolné, zatímco svar ke tlakové přírubě je jen nominální velikosti, za předpokladu, že byl připraven s uříznutým koncem.
SVARY K TAHOVÉ PŘÍRUBĚ NOSNÍKU
Vysoce pevnostní svar je poskytován symetrickými koutovými svary s celkovou tloušťkou hrdla alespoň rovnou tloušťce příruby. Požadovaná tloušťka hrdla je tfb/2 = 15.6/2 = 7.8 mm. Poskytnutá tloušťka hrdla svaru je af = 12/√2 = 8.5 mm, což je dostatečné.
SVARY K TLAKOVÉ PŘÍRUBĚ NOSNÍKU
Poskytněte nominální koutový svar na obě strany příruby nosníku. Koutový svar délky stehna 8 mm bude dostačující.
SVARY K STĚNĚ NOSNÍKU
Pro pohodlí je poskytován vysoce pevnostní svar ke stěně.
Požadovaná tloušťka hrdla je tfw/2 = 10.2/2 = 5.1 mm.
Poskytnutá tloušťka hrdla svaru je ap = 8/√2 = 5.7 mm, což je dostatečné.
ANALÝZA ZALOŽENÁ NA KOMPONENTECH FE
Návrh byl proveden pomocí doplňku Ocelové spoje pro RFEM 6.
Doplněk Ocelové spoje umožňuje analýzu přípojů na základě modelu FE. Vstup a vyhodnocení výsledků jsou plně integrovány do uživatelského rozhraní softwaru RFEM pro strukturální analýzu pomocí konečných prvků, což činí návrh intuitivní a rychlý.
Konfigurace spoje
| Sloup | 254x254x107 UKC | S275 |
| Nosník | parametricky definovaná sekce | |
| hb = 533.1 mm, bb = 209.3 mm, twb = 10.1 mm, tfb = 15.6 mm | S275 | |
| Čelní deska | 670x250x25 mm | S275 |
| Šroub | M24 třída 8.8 | |
| Svařování | Koutové svary horní příruba sf1 = 8.5 mm, dolní příruba sf2 = 5.7 mm, stěna sw = 5.7 mm |
Výsledky doplňku Ocelové spoje
Doplněk Ocelové spoje pro RFEM 6 zvyšuje schopnosti softwaru tím, že umožňuje inženýrům analyzovat ocelové přípoje s přesností modelu konečných prvků (FE). Tento pokročilý nástroj umožňuje detailní vizualizaci všech důležitých výsledků přímo na FE modelu, poskytující jasný a komplexní přehled o výkonnosti ocelových přípojů pod různými zatíženími a podmínkami.
Zahrnuje zobrazení ekvivalentních napětí a plastických deformací v rámci ocelového přípoje. Díky zobrazení jak ekvivalentních napětí, tak plastických deformací, RFEM poskytuje detailnější pochopení chování spoje za reálných podmínek, zajišťující, že návrh je jak bezpečný, tak efektivní.
EKVIVALENTNÍ NAPĚTÍ
Ekvivalentní napětí poskytují jasný přehled celkové distribuce napětí, pomáhá inženýrům identifikovat potenciální body selhání způsobené nadměrnými koncentracemi napětí. Tato napětí jsou základní pro pochopení nosné kapacity spoje.
Zde může být viděna distribuce napětí na přírubě sloupu a čelní desce nosníku.
PLASTICKÁ DEFORMACE
Desky ve spoji jsou navrhovány plasticky porovnáním existující plastické deformace k přípustné plastické deformaci. Výchozí nastavení je 5 %, podle EN 1993‑1‑5, Příloha C. Níže je uvedena plastická deformace ve spoji:
ANALÝZA NAPĚTÍ-DEFORMACE
Závěry
Článek představuje dvě metody návrhu přípojů mezi nosníky a sloupy. Analytická metoda je složitá a náročná na ruční zpracování, zejména pokud jde o optimalizaci. Zahrnuje výpočet odolností každé komponenty a jejich porovnání s působícími silami na tyto komponenty.
Druhá metoda je přístup CBFEM, implementovaný v doplňku Ocelové spoje RFEM 6. V této metodě je spoj sestaven a síly pro analýzu jsou odvozeny z hlavního FE modelu. Sestavený spoj je poté ověřen pod aplikovanými silami prostřednictvím analýzy napětí-deformace ocelových desek. Navíc je návrh svarů a spojovacích prvků prováděn podle relevantních EN standardů.
Zatímco analytická metoda je široce používána, druhá metoda je mnohem rychlejší, poskytující přesné výsledky při výrazném snížení výpočtové doby. Umožňuje také jednoduchou a rychlou optimalizaci.
Srovnání výsledků je uvedeno níže.
Momentová odolnost Mj,Rd vypočtená pomocí analytického přístupu je 416 kNm, zatímco hodnota z CBFEM v doplňku Ocelové spoje je 415 kNm. Rozdíl je menší než 1 %, s Δ = -0.24 %, ilustrující spolehlivost a přesnost metody CBFEM implementované v doplňku Ocelové spoje.
Model lze najít níže:
REFERENCE
[1] Brown, D., Iles, D., Brettle, M., Malik, A., a BCSA/SCI Connections Group. (2013). Spoje v ocelové konstrukci: Momentové spoje podle Eurokódu 3. Vol BCSA/SCI Connections Group. Londýn: The British Constructional Steelwork Association Limited.