WPROWADZENIE
Ten artykuł zawiera wskazówki dotyczące projektowania połączeń chwytających momenty zgodnie z Eurokodem 3, w szczególności skierowane na śrubowe połączenia płyt końcowych między belkami a kolumnami w ramach wielopiętrowych. Odnosi się do odpowiednich sekcji, rysunków i tabel z EN 1993-1-8 oraz innych obowiązujących norm, w miarę potrzeby.
PODEJŚCIE ANALITYCZNE
Procedura analityczna pochodzi z [1].
Konfiguracja węzła
| Kolumna | 254x254x107 UKC | S275 |
| Belka | 533x210x92 UKB | S275 |
| Płyta końcowa | 670x250x25 mm | S275 |
| Śruba | M24 klasa 8.8 | |
| Spawy | Spoiny pachwinowe: kołnierz sf = 12 mm, ściana sw = 8 mm |
Ekwiwalentna odporność na ścinanie
Odporność ekwiwalentnych T-elementów jest oceniana osobno dla płyty końcowej i kołnierza kolumny. Odporności są obliczane dla trzech możliwych trybów uszkodzenia i przyjmowana jest najmniejsza wartość spośród tych trzech trybów.
Projektowa odporność kołnierza T-elementu dla każdego z trybów podana jest poniżej.
Poniżej przedstawiono tryby uszkodzenia:
| gdzie | ||
| ℓeff,1 | to efektywna długość ekwiwalentnego T-elementu dla Trybu 1, przyjmowana jako mniejsza z ℓeff,cp i ℓeff,nc | |
| ℓeff,2 | to efektywna długość ekwiwalentnego T-elementu dla Trybu 2, przyjmowana jako ℓeff,nc | |
| tf | grubość kołnierza T-elementu (= tp lub tfc) | |
| fy | to granica plastyczności kołnierza T-elementu (tj. kolumny lub płyty końcowej) | |
| ∑Ft,Rd | to całkowita wytrzymałość na rozciąganie dla śrub w T-elementie (= 2Ft,Rd dla pojedynczego rzędu) | |
| ew | = dw/4 | |
| dw | to średnica podkładki lub szerokość nad boltem | |
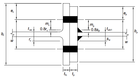
| m | jest odległością zdefiniowaną na powyższym rysunku | |
| n | to minimum z ec (odległość krawędziowa kołnierza kolumny), ep (odległość krawędziowa płyty końcowej), 1.25 m (dla płyty końcowej lub kołnierza kolumny, w zależności od zastosowania) |
Definicja odporności:
Strefa rozciągania T-elementów
RZĄD ŚRUB 1
Kołnierz kolumny w zginaniu (bez płyty wspomagającej)
Rozpatrz rząd śrub 1 działający samodzielnie. Kluczowe wymiary pokazane są poniżej.
Płyta końcowa w zginaniu
Podsumowanie obliczeń odporności:
| Parametr | Jednostka | Kołnierz kolumny w zginaniu (bez płyty wspomagającej) | Ściana kolumny w naciągu poprzecznym | Płyta końcowa w zginaniu | Ściana belki w naciągu | |
| m | [mm] | 33.4 | - | = mx = 30.4 | - | |
| e | [mm] | = emin = 75 | - | e = 75, ex = 50 | - | |
| ℓeff,1 | [mm] | 210 | - | 125 | - | |
| ℓeff,2 | [mm] | 233 | - | 125 | - | |
| TRYB 1 | ||||||
| n | [mm] | 41.8 | - | 38.0 | - | |
| tf | [mm] | 20.5 | - | 25 | - | |
| fy | [N/mm2] | 265 | - | 265 | - | |
| Mpl,1,Rd | [Nmm] | 5850x103 | - | 5180x103 | - | |
| dw | [mm] | 39.55 | - | - | - | |
| ew | [mm] | 9.9 | - | 9.9 | - | |
| FT,1,Rd | [kN] | 898 | - | 901 | - | |
| TRYB 2 | ||||||
| Mpl,2,Rd | [Nmm] | 6490x103 | - | 5180x103 | - | |
| Ft,Rd | [N] | 203x103 | - | 203x103 | - | |
| Śruba w rzędzie | [szt.] | 2 | - | 2 | - | |
| ∑Ft,Rd | [N] | 406x103 | - | 406x103 | - | |
| FT,2,Rd | [kN] | 398 | - | 377 | - | |
| TRYB 3 | ||||||
| FT,3,Rd | [kN] | 406 | - | 406 | - | |
| ω | [-] | - | 1.0 | - | ||
| beff,t,wc | [mm] | - | = ℓeff,2 = 233 | - | ||
| fy,wc | [N/mm2] | - | = fy,c = 265 | - | ||
| OPORNOŚĆ | Ft,fc,Rd | Ft,wc,Rd | Ft,ep,Rd | |||
| [kN] | 398 | 790 | 377 | |||
| UWAGA | nie dotyczy |
Odporność rzędu śrub 1 jest najmniejszą spośród wymienionych powyżej odporności.
Dlatego, Ft,1,Rd = min {Ft,fc,Rd = 398; Ft,wc,Rd = 790; Ft,ep,Rd = 377} = 377 kN.
RZĄD ŚRUB 2
Najpierw rozważ rząd 2 samodzielnie.
Płyta końcowa w zginaniu
Rząd śrub 2 to pierwszy rząd śrub poniżej kołnierza belki, uważany za 'pierwszy rząd śrub poniżej kołnierza naprężania belki'. Kluczowe wymiary dla T-elementu pokazane są dla kołnierza kolumny T-elementu w rzędzie 1 i jak pokazano poniżej (na elewacji) dla rzędu 2.
Podsumowanie obliczeń odporności:
| Parametr | Jednostka | Kołnierz kolumny w zginaniu | Ściana kolumny w naciągu poprzecznym | Płyta końcowa w zginaniu | Ściana belki w naciągu | |
| m | [mm] | - | - | = mp = 38.6 | - | |
| m2 | [mm] | - | - | 34.8 | - | |
| e | [mm] | - | - | = ep = 75 | - | |
| ℓeff,1 | [mm] | - | - | 243 | - | |
| ℓeff,2 | [mm] | - | - | 290 | - | |
| TRYB 1 | ||||||
| n | [mm] | - | - | 48.3 | - | |
| tf | [mm] | - | - | 25 | - | |
| fy | [N/mm2] | - | - | 265 | - | |
| Mpl,1,Rd | [Nmm] | - | - | 10.1x103 | - | |
| ew | [mm] | - | - | 9.9 | - | |
| FT,1,Rd | [kN] | - | - | 1291 | - | |
| TRYB 2 | ||||||
| Mpl,2,Rd | [Nmm] | - | - | 12.0x106 | - | |
| Ft,Rd | [N] | - | - | 203x103 | - | |
| Śruby w rzędzie | [szt.] | - | - | 2 | - | |
| ∑Ft,Rd | [N] | - | - | 406x103 | - | |
| FT,2,Rd | [kN] | - | - | 502 | - | |
| TRYB 3 | ||||||
| FT,3,Rd | [kN] | - | - | 406 | - | |
| ω | [-] | - | - | - | 1.0 | |
| beff,t,wc | [mm] | - | - | - | 243 | |
| twb | [mm] | - | - | - | 10.1 | |
| fy,wc | [N/mm2] | - | - | - | 675 | |
| OPORNOŚĆ | Ft,fc,Rd | Ft,wc,Rd | Ft,ep,Rd | Ft,wb,Rd | ||
| [kN] | 398 | 790 | 406 | 675 | ||
| UWAGA | jak obliczono dla rzędu śrub 1, Tryb 2 | jak obliczono dla rzędu śrub 1 |
Odporności dla rzędu 2 powyżej rozważają wszystkie rzędy działające samodzielnie. Jednak po stronie kolumny, odporność może być ograniczona przez odporność grupy rzędów 1 i 2. Odporność grupy jest teraz rozważana.
RZĘDY 1 I 2 POŁĄCZONE
Kołnierz kolumny w zginaniu
Podsumowanie obliczeń odporności:
| Parametr | Jednostka | Kołnierz kolumny w zginaniu | Ściana kolumny w naciągu poprzecznym | Płyta końcowa w zginaniu | |
| m | [mm] | 33.4 | - | - | |
| ℓeff,1 | [mm] | 332 | - | - | |
| ℓeff,2 | [mm] | 332 | - | - | |
| TRYB 1 | |||||
| n | [mm] | 41.8 | - | - | |
| tf | [mm] | 20.5 | - | - | |
| fy | [N/mm2] | 265 | - | - | |
| Mpl,1,Rd | [Nmm] | 9.24x103 | - | - | |
| ew | [mm] | 9.9 | - | - | |
| FT,1,Rd | [kN] | 1420 | - | - | |
| TRYB 2 | |||||
| Mpl,2,Rd | [Nmm] | 9.24x106 | - | - | |
| Ft,Rd | [N] | 203 | - | - | |
| Śruby | [szt.] | 4 | - | - | |
| ∑Ft,Rd | [N] | 812 | - | - | |
| FT,2,Rd | [kN] | 697 | - | - | |
| TRYB 3 | |||||
| FT,3,Rd | [kN] | 812 | - | - | |
| ω | [-] | - | 1.0 | - | |
| beff,t,wc | [mm] | - | 332 | - | |
| twb | [mm] | - | 12.8 | - | |
| fy,wc | [N/mm2] | - | 265 | - | |
| OPORNOŚĆ | Ft,fc,Rd | Ft,wc,Rd | Ft,ep,Rd | ||
| [kN] | 697 | 1126 | - | ||
| UWAGA | Nie ma grupowego trybu dla płyty końcowej |
Odporność rzędów śrub 1 i 2 to najmniejsza wartość odporności Kołnierz kolumny w zginaniu i Ściana kolumny w naciągu, co oznacza Ft,1-2,Rd = min {Ft,fc,Rd = 697; Ft,wc,Rd = 1126} = 697 kN.
Odporność rzędu śrub 2 po stronie Kolumny jest zatem ograniczona do Ft2,c,Rd = Ft,1-2,Rd - Ft1,Rd = 697 - 377 = 320 kN.
Odporność rzędu śrub 2 to najmniejsza wartość odporności: Kołnierz kolumny w zginaniu Ft,fc,Rd = 398 kN, Ściana kolumny w naciągu Ft,wc,Rd = 790 kN, Ściana belki w naciągu Ft,wb,Rd = 675 kN, Płyta końcowa w zginaniu Ft,ep,Rd = 406 kN oraz Strona kolumny, jako część grupy, Ft2,c,Rd = 320 kN. Stąd odporność rzędu śrub 2 Ft,2,Rd = 320 kN.
RZĄD ŚRUB 3
Najpierw rozważ rząd 3 samodzielnie.
Podsumowanie obliczeń odporności:
| Parametr | Jednostka | Kołnierz kolumny w zginaniu | Ściana kolumny w naciągu poprzecznym | Płyta końcowa w zginaniu | Ściana belki w naciągu | |
| e | [mm] | - | - | = ep = 75 | - | |
| m | [mm] | - | - | 38.6 | - | |
| ℓeff,1 | [mm] | - | - | 248 | - | |
| ℓeff,2 | [mm] | - | - | 248 | - | |
| TRYB 1 | ||||||
| n | [mm] | - | - | 48.3 | - | |
| tf | [mm] | - | - | 25 | - | |
| fy | [N/mm2] | - | - | 265 | - | |
| Mpl,1,Rd | [Nmm] | - | - | 10.1x106 | - | |
| ew | [mm] | - | - | 9.9 | - | |
| FT,1,Rd | [kN] | - | - | 1291 | - | |
| TRYB 2 | ||||||
| Mpl,2,Rd | [Nmm] | - | - | 10.3x106 | - | |
| Ft,Rd | [N] | - | - | 203 | - | |
| Śruby | [szt.] | - | - | 2 | - | |
| ∑Ft,Rd | [N] | - | - | 406 | - | |
| FT,2,Rd | [kN] | - | - | 463 | - | |
| TRYB 3 | ||||||
| FT,3,Rd | [kN] | - | - | 406 | - | |
| beff,t,wb | [mm] | - | - | - | = beff,1 = 243 | |
| twb | [mm] | - | - | - | 10.1 | |
| OPORNOŚĆ | Ft,fc,Rd | Ft,wc,Rd | Ft,ep,Rd | Ft,wb,Rd | ||
| [kN] | 790 | 790 | 406 | 675 | ||
| UWAGA | jak obliczono dla rzędów śrub 1 i 2 | jak obliczono dla rzędów śrub 1 i 2 |
Odporności dla rzędów 2 i 3 powyżej rozważają wszystkie rzędy działające samodzielnie. Jednak po stronie kolumny, odporność może być ograniczona przez odporność grupy rzędów 1, 2 i 3 lub przez grupę rzędów 2 i 3. Po stronie belki odporność może być ograniczona przez grupę rzędów 2 i 3. Te odporności grupowe są teraz rozważane.
ŚRUBY 1, 2 I 3 POŁĄCZONE
Kołnierz kolumny w zginaniu
Wzory kołowe i niekołowe wyglądają następująco:
Podsumowanie obliczeń odporności:
| Parametr | Jednostka | Kołnierz kolumny w zginaniu | Ściana kolumny w naciągu poprzecznym | |
| ℓeff,1 | [mm] | 422 | - | |
| ℓeff,2 | [mm] | 422 | - | |
| TRYB 1 | ||||
| m | [mm] | 33.4 | - | |
| n | [mm] | 41.8 | - | |
| ew | [mm] | 9.9 | - | |
| tf | [mm] | 20.5 | - | |
| fy | [N/mm2] | 265 | - | |
| Mpl,1,Rd | [Nmm] | 11.7x106 | - | |
| FT,1,Rd | [kN] | 1797 | - | |
| TRYB 2 | ||||
| Mpl,2,Rd | [Nmm] | 11.7x106 | - | |
| Ft,Rd | [kN] | 203 | - | |
| Śruby | [szt.] | 6 | - | |
| ∑Ft,Rd | [kN] | 1218 | - | |
| FT,2,Rd | [kN] | 988 | - | |
| TRYB 3 | ||||
| FT,3,Rd | [kN] | 1218 | - | |
| ω | [-] | - | 1.0 | |
| beff,t,wc | [mm] | - | 422 | |
| twc | [mm] | - | 12.8 | |
| OPORNOŚĆ | Ft,fc,Rd | Ft,wc,Rd | ||
| [kN] | 988 | 1431 |
Odporność rzędów śrub 1, 2 i 3 połączona, po stronie kolumny, to najmniejsza wartość Kołnierz kolumny w zginaniu i Ściana kolumny w naciągu, co daje 988 kN.
Dlatego odporność rzędu śrub 3 po stronie kolumny jest ograniczona do: Ft3,c,Rd = Ft1-3,Rd - Ft1-2,Rd = 988 - 697 = 291 kN.
RZĘDY 2 I 3 POŁĄCZONE
Podsumowanie obliczeń odporności:
| Parametr | Jednostka | Strona kolumny - kołnierz w zginaniu | Ściana kolumny w naciągu poprzecznym | Strona belki - płyta końcowa w zginaniu | Belka w naciągu | |
| m | [mm] | 33.4 | - | 38.6 | - | |
| n | [mm] | 41.8 | - | 48.3 | - | |
| ew | - | - | 9.9 | - | ||
| ℓeff,1 | [mm] | 323 | - | 379 | - | |
| ℓeff,2 | [mm] | 323 | - | 379 | - | |
| TRYB 1 | (rzędy 2 + 3) | |||||
| Mpl,1,Rd | [Nmm] | 9.24x103 | 9.0x106 | 15.7x106 | - | |
| FT,1,Rd | [kN] | 1383 | - | 2007 | - | |
| TRYB 2 | (rzędy 2 + 3) | |||||
| Mpl,2,Rd | [Nmm] | 9.0x106 | - | 15.7x106 | - | |
| Ft,Rd | [kN] | 203 | - | 203 | - | |
| Śruby | [szt.] | 4 | - | 4 | - | |
| ∑Ft,Rd | [kN] | 812 | - | 812 | - | |
| FT,2,Rd | [kN] | 691 | - | 813 | - | |
| TRYB 3 | (rzędy 2 + 3) | |||||
| FT,3,Rd | [kN] | 1218 | - | 812 | - | |
| ω | [-] | - | 1.0 | - | - | |
| beff,t,wc | [mm] | - | 323 | - | - | |
| twb | [mm] | - | 12.8 | - | - | |
| fy,wc | [N/mm2] | - | 265 | - | - | |
| OPORNOŚĆ | Ft,fc,Rd | Ft,wc,Rd | Ft,ep,Rd | |||
| [kN] | 691 | 1096 | 812 | - | ||
| UWAGA | nie dotyczy |
Odporność rzędów śrub 2 i 3 połączone, po stronie belki, to Płyta końcowa w zginaniu Ft,ep,Rd = 812 kN. Stąd po stronie belki Ft2-3,Rd = 812 kN. Odporność rzędu śrub 3 po stronie belki jest zatem ograniczona do Ft3,b,Rd = Ft2-3,Rd - Ft2,Rd = 812 - 320 = 492 kN.
Odporność rzędów śrub 2 i 3 połączone, po stronie kolumny, to Kołnierz kolumny w zginaniu Ft,fc,Rd = 691 kN, Ściana kolumny w naciągu Ft,wc,Rd = 1096 kN, stąd po stronie kolumny Ft2-3,Rd = 691 kN.
Zatem odporność rzędu śrub 3 po stronie kolumny jest ograniczona do Ft3,b,Rd = Ft2-3,Rd - Ft2,Rd = 691 - 320 = 371 kN.
Podsumowanie
Odporność rzędu śrub 3 to najmniejsza wartość spośród następujących odporności: Kołnierz kolumny w zginaniu Ft,fc,Rd = 398 kN, Ściana kolumny w naciągu Ft,wc,Rd = 790 kN, Ściana belki w naciągu Ft,wb,Rd = 675 kN, Płyta końcowa w zginaniu Ft,ep,Rd = 406 kN, Strona kolumny jako część grupy z 2 i 1 Ft3,c,Rd = 291 kN, Strona kolumny jako część grupy z 2 Ft3,c,Rd = 371 kN, Strona belki jako część grupy z 2 Ft3,b,Rd = 492 kN. Stąd odporność rzędu śrub 3 to Ft3,Rd = 291 kN.
PODSUMOWANIE ODPORNOŚCI ROZCIĄGANIA
Pochodzenie efektywnych odporności rzędów rozciągających można podsumować w formie tabelarycznej, jak pokazano poniżej.
Odporności rzędów Ftr,Rd:
| Kołnierz kolumny | Ściana kolumny | Płyta końcowa | Ściana belki | Minimum | Efektywna odporność | ||
| Rząd 1, samodzielnie | 398 | 790 | 377 | N/A | 377 | 377 | |
| Rząd 2, samodzielnie | 398 | 790 | 406 | 675 | 398 | ||
| Rząd 2, z rzędem 1 | 697 | 1126 | N/A | N/A | 697 | ||
| Rząd 2 | 697 - 377 | 320 | |||||
| Rząd 3, samodzielnie | 398 | 790 | 406 | 675 | 309 | ||
| Rząd 3, z rzędem 1 i 2 | 988 | 1431 | N/A | N/A | 988 | ||
| Rząd 3 | 988 - 697 | 291 | |||||
| Rząd 3, z rzędem 2 | 691 | 1096 | 812 | 1052 | 691 | ||
| Rząd 3 | 691 - 320 |
Strefa Ściskania
Ściana kolumny w sprężaniu poprzecznym
Wytrzymałość projektowa niezawierającej wzmocnienia ściany kolumny w sprężaniu poprzecznym jest określona w następujący sposób:
| gdzie | ||
| s | = rc = 12.7 mm dla walcowanych na gorąco sekcji I i H kolumn | |
| sp | jest długością uzyskaną przez rozpraszanie pod kątem 45° przez płytę końcową; sp = 2 tp = 50 mm | |
| ex | to odległość końcowa mierzona od środka złącza rzędu 1; ex = 50 mm | |
| x | to rozstaw rzędu 1 nad kołnierzem belki mierzony od środka złącza; x = 40 mm | |
| sf |
|
|
| hp | jest głębokością płyty końcowej; hp ≥ ex + x + hb + sf + tp = 656 mm → hp = 670 mm | |
| beff,c,wc | dla śrubowej płyty końcowej; beff,c,wc = tfb + 2 sf + 5 (tfc + s) + sp = 248 mm | |
| ρ | jest współczynnikiem redukcji dla wyboczenia płyty, zależy od płyty; ρ = 1.0 | |
| ω | = 1.0 | |
| kwc | jest współczynnikiem redukcji uwzględniającym ściskanie w ścianie kolumny; kwc = 1.0 |
Stąd, Fc,wc,Rd = 841 kN.
Kołnierz i ściana belki w ściskaniu
Projektowa odporność kołnierza belki i przylegającej strefy ściskania ściany jest określana za pomocą:
| gdzie | ||
| Mc,Rd | jest projektowaną odpornnością belki; zakładając, że projektowa siła ścinająca w belce nie zmniejsza Mc,Rd, zatem Mc,Rd = 649 kN | |
| h | = hb = 533.1 mm | |
| tfb | = 15.6 mm |
Zatem, Fc,fb,Rd = 1254 kN.
Podsumowanie: odporność strefy ściskania
Ściana kolumny w ściskaniu poprzecznym Fc,wc,Rd = 841 kN, Kołnierz i ściana belki w ściskaniu Fc,fb,Rd = 1254 kN.
Odporność jednej ściany panelowej w ścinaniu
Plastikowa odporność na ścinanie niezawierającej wzmocnienia ściany jest dana przez:
Odporność nie jest tutaj oceniana, ponieważ nie ma projektowego ścinania w ścianie, ponieważ momenty z belek są równe i przeciwstawne.
Odporność na moment
EFEKTYWNA ODPORNOŚĆ RZĘDÓW ŚRUB
Efektywne odporności każdego z trzech rzędów śrub w strefie rozciągania to:
Ft1,Rd = 377 kN, Ft2,Rd = 320 kN, Ft3,Rd = 291 kN.
Efektywne odporności powinny być zmniejszone, jeśli odporność jednego z wyższych rzędów przekracza 1.9 Ft,Rd = 1.9 x 203 = 386 kN.
Zatem żadna redukcja nie jest konieczna.
FORCES EQUILIBRIUM
Suma sił rozciągających, wraz z dowolnym osiowym ściskaniem w belce, nie może przekroczyć odporności strefy ściskania.
Podobnie, projektowe ścinanie nie może przekroczyć odporności na ścinanie panelu ściany kolumny. Nie ma to znaczenia w tym przykładzie, ponieważ momenty w identycznych belkach są równe i przeciwstawne.
Dla równowagi poziomej ∑Ftr,Rd + NEd = Fc,Rd. W tym przykładzie nie ma ściskania osiowego. Zatem, ∑Ftr,Rd = Fc,Rd.
Tutaj całkowita efektywna odporność na rozciąganie ∑Ftr,Rd = 377 + 320 + 291 = 988 kN, co przekracza odporność na ściskanie Fс,Rd = 841 kN.
Aby osiągnąć równowagę, efektywne odporności są zmniejszane, zaczynając od najniższego rzędu i przechodząc w górę, aż równowaga zostanie osiągnięta. Wymagana redukcja 988 - 841 = 147 kN.
Cała ta redukcja może zostać osiągnięta przez zmniejszenie odporności dolnego rzędu. Stąd, Ft3,Rd = 291 - 147 = 144 kN.
ODPORNOŚĆ NA MOMENT SIŁ
Odporność na moment złącza belka-kolumna Mj,Rd:
Biorąc pod uwagę środek ściskania jako środek grubości kołnierza ściskanego belki, hr1 = 565 mm, hr2 = 465 mm, hr3 = 375 mm. Zatem odporność na moment złącza belka-kolumna wynosi:
Mj,Rd = 416 kNm.
Odporność na wartości pionowe
ODPORNOŚĆ GRUPY ŚRUB
Odporność na ścinanie nieprzeciążonej śruby M24 klasy 8.8 w pojedynczym ścinaniu to Fv,Rd = 136 kN, Fb,Rd = 200 kN (w 20 mm warstwie). Zatem Fv,Rd rządzi.
Odporność na ścinanie górnych rzędów można ostrożnie przyjąć jako 28% odporności na ścinanie bez naprężenia (zakładając, że te śruby są całkowicie wykorzystane w naprężeniu). Zatem odporność na ścinanie wszystkich 4 rzędów to (2 + 6 x 0.28) 136 = 3.68 x 136 = 500 kN.
Projekt nagłówkowy
Proste podejście wymaga, aby spoiny do kołnierza naprężającego i ściany były pełnej siły, podczas gdy spoina do kołnierza ściskającego jest tylko o nominalnym rozmiarze, zakładając, że została przygotowana z ciętą końcówką.
SPAWANIA KOŁNIERZA NAPRĘŻAJĄCEGO BELKI
Spaw pełnej siły jest dostarczany przez symetryczne spoiny pachwinowe o całkowitej grubości gardzieli równiej co najmniej grubości kołnierza. Wymagana wielkość gardzieli to tfb/2 = 15.6/2 = 7.8 mm. Dostarczona grubość gardzieli to af = 12/√2 = 8.5 mm, co jest wystarczające.
SPAWANIA KOŁNIERZA ŚCISKANEGO BELKI
Dostarczyć spoinę pachwinową nominalną po obu stronach kołnierza belki. Spoina pachwinowa o długości nogi 8 mm będzie wystarczająca.
SPAWANIA SCIANY BELKI
Dla wygody dostarczono spaw pełnej siły do ściany.
Wymagana wielkość gardzieli to tfw/2 = 10.2/2 = 5.1 mm.
Dostarczona grubość gardzieli to ap = 8/√2 = 5.7 mm, co jest wystarczające.
ANANALIZA OPARTA NA SKŁADNIKACH FE
Projekt został wykonany przy użyciu dodatku Steel Joints do RFEM 6.
Dodatek Steel Joints umożliwia analizowanie połączeń na podstawie modelu FE. Wprowadzenie danych i ocena wyników są w pełni zintegrowane z interfejsem użytkownika oprogramowania do analizy strukturalnej FEA RFEM, co czyni proces projektowania intuicyjnym i szybkim.
Konfiguracja złącza
| Kolumna | 254x254x107 UKC | S275 |
| Belka | sekcja definiowana parametrycznie | |
| hb = 533.1 mm, bb = 209.3 mm, twb = 10.1 mm, tfb = 15.6 mm | S275 | |
| Płyta końcowa | 670x250x25 mm | S275 |
| Śruba | M24 klasa 8.8 | |
| Spawy | Spoiny pachwinowe górny kołnierz sf1 = 8.5 mm, dolny kołnierz sf2 = 5.7 mm, ściana sw = 5.7 mm |
Wyniki dodatku Steel Joints
Dodatek Steel Joints do RFEM 6 rozszerza możliwości oprogramowania, umożliwiając inżynierom analizowanie połączeń stalowych z precyzją modelu elementów skończonych (FE). To zaawansowane narzędzie umożliwia szczegółową wizualizację wszystkich istotnych wyników bezpośrednio na modelu FE, zapewniając wyraźny i kompleksowy przegląd wydajności połączeń stalowych pod różnymi obciążeniami i warunkami.
Obejmuje to wyświetlanie ekwiwalentnych naprężeń i odkształceń plastycznych wewnątrz połączenia stalowego. Pokazując zarówno ekwiwalentne naprężenia, jak i odkształcenia plastyczne, RFEM oferuje bardziej wszechstronne zrozumienie zachowania połączenia w warunkach rzeczywistych, zapewniając, że projekt jest zarówno bezpieczny, jak i efektywny.
EKWIWALENTNE NAPRĘŻENIA
Ekwiwalentne naprężenia zapewniają wyraźny przegląd rozkładu naprężenia, pomagając inżynierom zidentyfikować potencjalne punkty uszkodzenia spowodowane nadmiernym skupieniem naprężeń. Te naprężenia są kluczowe dla zrozumienia nośności połączenia.
Tutaj widać rozkład naprężeń na kołnierzu kolumny i płycie końcowej belki.
ODKSZTAŁCENIA PLASTYCZNE
Płyty w połączeniu są projektowane plastycznie poprzez porównanie istniejących odkształceń plastycznych do dopuszczalnych odkształceń plastycznych. Ustawienie domyślne to 5%, zgodnie z EN 1993-1-5, Aneks C. Poniżej przedstawiono odkształcenie plastyczne w węźle:
ANALIZA NAPRĘŻENIA-ODKSZTAŁCENIA
Wnioski
Artykuł przedstawia dwie metody projektowania złączy belki-kolumny. Metoda analityczna jest złożona i trudna do obsługi ręcznie, szczególnie jeśli chodzi o optymalizację. Obejmuje obliczanie odporności każdego składnika i porównywanie ich z siłami działającymi na te składniki.
Druga metoda to podejście CBFEM, zaimplementowane w dodatku Steel Joints do RFEM 6. W tej metodzie węzeł jest montowany, a siły do analizy są pozyskiwane z głównego modelu FE. Zmontowany węzeł jest następnie weryfikowany pod kątem zastosowanych sił poprzez analizę naprężeniowo-odkształceniową płyt stalowych. Dodatkowo, projekt spoin i złącz jest przeprowadzany zgodnie z odpowiednimi normami EN.
Podczas gdy metoda analityczna jest szeroko stosowana, druga metoda jest znacznie szybsza, zapewniając dokładne wyniki przy znacznie mniejszym czasie obliczeniowym. Umożliwia również łatwą i szybką optymalizację.
Poniżej pokazano porównanie wyników.
Odporność na moment Mj,Rd obliczona przy użyciu podejścia analitycznego wynosi 416 kNm, podczas gdy wartość z CBFEM w dodatku Steel Joints to 415 kNm. Różnica jest mniejsza niż 1%, z Δ = -0.24%, co ilustruje niezawodność i dokładność metody CBFEM zaimplementowanej w dodatku Steel Joints.
Model można znaleźć poniżej:
REFRENCJE
[1] Brown, D., Iles, D., Brettle, M., Malik, A., i BCSA/SCI Connections Group. (2013). Złącza w konstrukcjach stalowych: złącza chwytające momenty według Eurokodu 3. Vol BCSA/SCI Connections Group. Londyn: The British Constructional Steelwork Association Limited.