INTRODUZIONE
Questo articolo fornisce indicazioni sulla progettazione delle giunzioni resistenti al momento in conformità all'Eurocodice 3, mirando specificamente alle connessioni a piastre di estremità bullonate tra travi e colonne in telai a più piani. Vengono citate sezioni, figure e tabelle pertinenti da EN 1993-1-8 e altri standard applicabili se necessario.
METODO ANALITICO
La procedura analitica è tratta da [1].
Configurazione della Giunzione
| Colonna | 254x254x107 UKC | S275 |
| Trave | 533x210x92 UKB | S275 |
| Piastra di estremità | 670x250x25 mm | S275 |
| Bullone | M24 classe 8.8 | |
| Saldature | Saldature a cordone: flangia sf = 12 mm, anima sw = 8 mm |
Resistenza Equivalente del T-Stub
La resistenza dei T-stub equivalenti viene valutata separatamente per la piastra di estremità e la flangia della colonna. Le resistenze sono calcolate per tre possibili modalità di rottura, e la resistenza viene considerata come il minimo dei valori per queste tre modalità.
La resistenza alla progettazione della flangia T-stub per ciascuna delle modalità è indicata di seguito.
Le modalità di rottura sono mostrate di seguito:
| dove | ||
| ℓeff,1 | è la lunghezza effettiva del T-stub equivalente per la Modalità 1, presa come il minore tra ℓeff,cp e ℓeff,nc | |
| ℓeff,2 | è la lunghezza effettiva del T-stub equivalente per la Modalità 2, presa come ℓeff,nc | |
| tf | nello spessore della flangia T-stub (= tp o tfc) | |
| fy | è il limite di snervamento della flangia T-stub (cioè della colonna o della piastra di estremità) | |
| ∑Ft,Rd | è la resistenza totale alla trazione per i bulloni nel T-stub (= 2Ft,Rd per una singola fila) | |
| ew | = dw/4 | |
| dw | è il diametro della rondella o la larghezza tra i punti della testa del bullone | |
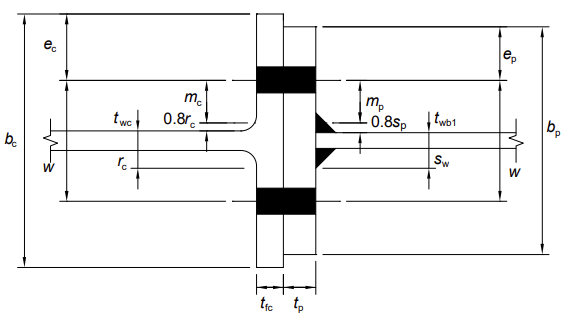
| m | è la distanza come definita nella figura sopra | |
| n | è il minimo tra ec (la distanza dal bordo della flangia della colonna), ep (la distanza dal bordo della piastra di estremità), 1.25 m (per la piastra di estremità o la flangia della colonna, a seconda dei casi) |
Definizione di Resistenza:
T-Stub Zona di Trazione
RIGA DI BULLONI 1
Flangia della colonna a flessione (senza piastra di rinforzo)
Considera la riga di bulloni 1 che agisce da sola. Le dimensioni principali sono mostrate di seguito.
Piastra di estremità a flessione
Riepilogo del calcolo della resistenza:
| Parametro | Unità | Flangia della colonna a flessione (senza piastra di rinforzo) | Anima della colonna in trazione trasversale | Piastra di estremità a flessione | Anima della trave in trazione | |
| m | [mm] | 33.4 | - | = mx = 30.4 | - | |
| e | [mm] | = emin = 75 | - | e = 75, ex = 50 | - | |
| ℓeff,1 | [mm] | 210 | - | 125 | - | |
| ℓeff,2 | [mm] | 233 | - | 125 | - | |
| MODALITÀ 1 | ||||||
| n | [mm] | 41.8 | - | 38.0 | - | |
| tf | [mm] | 20.5 | - | 25 | - | |
| fy | [N/mm2] | 265 | - | 265 | - | |
| Mpl,1,Rd | [Nmm] | 5850x103 | - | 5180x103 | - | |
| dw | [mm] | 39.55 | - | - | - | |
| ew | [mm] | 9.9 | - | 9.9 | - | |
| FT,1,Rd | [kN] | 898 | - | 901 | - | |
| MODALITÀ 2 | ||||||
| Mpl,2,Rd | [Nmm] | 6490x103 | - | 5180x103 | - | |
| Ft,Rd | [N] | 203x103 | - | 203x103 | - | |
| Bullone in una fila | [pezzi] | 2 | - | 2 | - | |
| ∑Ft,Rd | [N] | 406x103 | - | 406x103 | - | |
| FT,2,Rd | [kN] | 398 | - | 377 | - | |
| MODALITÀ 3 | ||||||
| FT,3,Rd | [kN] | 406 | - | 406 | - | |
| ω | [-] | - | 1.0 | - | ||
| beff,t,wc | [mm] | - | = ℓeff,2 = 233 | - | ||
| fy,wc | [N/mm2] | - | = fy,c = 265 | - | ||
| RESISTENZA | Ft,fc,Rd | Ft,wc,Rd | Ft,ep,Rd | |||
| [kN] | 398 | 790 | 377 | |||
| NOTE | non è applicabile |
La resistenza della riga di bulloni 1 è il valore più piccolo tra le resistenze sopra menzionate.
Pertanto, Ft,1,Rd = min {Ft,fc,Rd = 398; Ft,wc,Rd = 790; Ft,ep,Rd = 377} = 377 kN.
RIGA DI BULLONI 2
Innanzitutto, considera la riga 2 da sola.
Piastra di estremità a flessione
La riga di bulloni 2 è la prima riga di bulloni sotto la flangia della trave, considerata come la "prima riga di bulloni sotto la flangia di trazione della trave". Le dimensioni principali per il T-stub sono mostrate per il T-stub della flangia della colonna in fila 1 e come mostrato sotto (in elevazione) per la fila 2.
Riepilogo del calcolo della resistenza:
| Parametro | Unità | Flangia della colonna a flessione | Anima della colonna in trazione trasversale | Piastra di estremità a flessione | Anima della trave in trazione | |
| m | [mm] | - | - | = mp = 38.6 | - | |
| m2 | [mm] | - | - | 34.8 | - | |
| e | [mm] | - | - | = ep = 75 | - | |
| ℓeff,1 | [mm] | - | - | 243 | - | |
| ℓeff,2 | [mm] | - | - | 290 | - | |
| MODALITÀ 1 | ||||||
| n | [mm] | - | - | 48.3 | - | |
| tf | [mm] | - | - | 25 | - | |
| fy | [N/mm2] | - | - | 265 | - | |
| Mpl,1,Rd | [Nmm] | - | - | 10.1x103 | - | |
| ew | [mm] | - | - | 9.9 | - | |
| FT,1,Rd | [kN] | - | - | 1291 | - | |
| MODALITÀ 2 | ||||||
| Mpl,2,Rd | [Nmm] | - | - | 12.0x106 | - | |
| Ft,Rd | [N] | - | - | 203x103 | - | |
| Bullone in una fila | [pezzi] | - | - | 2 | - | |
| ∑Ft,Rd | [N] | - | - | 406x103 | - | |
| FT,2,Rd | [kN] | - | - | 502 | - | |
| MODALITÀ 3 | ||||||
| FT,3,Rd | [kN] | - | - | 406 | - | |
| ω | [-] | - | - | - | 1.0 | |
| beff,t,wc | [mm] | - | - | - | 243 | |
| twb | [mm] | - | - | - | 10.1 | |
| fy,wc | [N/mm2] | - | - | - | 675 | |
| RESISTENZA | Ft,fc,Rd | Ft,wc,Rd | Ft,ep,Rd | Ft,wb,Rd | ||
| [kN] | 398 | 790 | 406 | 675 | ||
| NOTE | come calcolato per la riga di bulloni 1, Modalità 2 | come calcolato per la riga di bulloni 1 |
Le resistenze per la fila 2 sopra considerano tutte la riga che agisce da sola. Tuttavia, sul lato della colonna, la resistenza può essere limitata dalla resistenza del gruppo delle righe 1 e 2. Ora viene considerata la resistenza del gruppo.
FILE 1 E 2 COMBINATE
Flangia della colonna a flessione
Riepilogo del calcolo della resistenza:
| Parametro | Unità | Flangia della colonna a flessione | Anima della colonna in trazione trasversale | Piastra di estremità a flessione | |
| m | [mm] | 33.4 | - | - | |
| ℓeff,1 | [mm] | 332 | - | - | |
| ℓeff,2 | [mm] | 332 | - | - | |
| MODALITÀ 1 | |||||
| n | [mm] | 41.8 | - | - | |
| tf | [mm] | 20.5 | - | - | |
| fy | [N/mm2] | 265 | - | - | |
| Mpl,1,Rd | [Nmm] | 9.24x103 | - | - | |
| ew | [mm] | 9.9 | - | - | |
| FT,1,Rd | [kN] | 1420 | - | - | |
| MODALITÀ 2 | |||||
| Mpl,2,Rd | [Nmm] | 9.24x106 | - | - | |
| Ft,Rd | [N] | 203 | - | - | |
| Bulloni | [pezzi] | 4 | - | - | |
| ∑Ft,Rd | [N] | 812 | - | - | |
| FT,2,Rd | [kN] | 697 | - | - | |
| MODALITÀ 3 | |||||
| FT,3,Rd | [kN] | 812 | - | - | |
| ω | [-] | - | 1.0 | - | |
| beff,t,wc | [mm] | - | 332 | - | |
| twb | [mm] | - | 12.8 | - | |
| fy,wc | [N/mm2] | - | 265 | - | |
| RESISTENZA | Ft,fc,Rd | Ft,wc,Rd | Ft,ep,Rd | ||
| [kN] | 697 | 1126 | - | ||
| NOTE |
|
Resistenza delle file di bulloni 1 e 2 è il valore più piccolo delle resistenze Flangia della colonna a flessione e Anima della colonna in trazione, cioè Ft,1-2,Rd = min {Ft,fc,Rd = 697; Ft,wc,Rd = 1126} = 697 kN.
La resistenza della fila di bulloni 2 sul Lato colonna è quindi limitata a Ft2,c,Rd = Ft,1-2,Rd - Ft1,Rd = 697 - 377 = 320 kN.
Resistenza della riga di bulloni 2 è il valore più piccolo delle resistenze: Flangia della colonna a flessione Ft,fc,Rd = 398 kN, Anima della colonna in trazione Ft,wc,Rd = 790 kN, Anima della trave in trazione Ft,wb,Rd = 675 kN, Piastra di estremità a flessione Ft,ep,Rd = 406 kN e Lato colonna, come parte del gruppo, Ft2,c,Rd = 320 kN. Pertanto, la resistenza della riga di bulloni 2 Ft,2,Rd = 320 kN.
RIGA DI BULLONI 3
Innanzitutto, considera la riga 3 da sola.
Riepilogo del calcolo della resistenza:
| Parametro | Unità | Flangia della colonna a flessione | Anima della colonna in trazione trasversale | Piastra di estremità a flessione | Anima della trave in trazione | |
| e | [mm] | - | - | = ep = 75 | - | |
| m | [mm] | - | - | 38.6 | - | |
| ℓeff,1 | [mm] | - | - | 248 | - | |
| ℓeff,2 | [mm] | - | - | 248 | - | |
| MODALITÀ 1 | ||||||
| n | [mm] | - | - | 48.3 | - | |
| tf | [mm] | - | - | 25 | - | |
| fy | [N/mm2] | - | - | 265 | - | |
| Mpl,1,Rd | [Nmm] | - | - | 10.1x106 | - | |
| ew | [mm] | - | - | 9.9 | - | |
| FT,1,Rd | [kN] | - | - | 1291 | - | |
| MODALITÀ 2 | ||||||
| Mpl,2,Rd | [Nmm] | - | - | 10.3x106 | - | |
| Ft,Rd | [N] | - | - | 203 | - | |
| Bulloni | [pezzi] | - | - | 2 | - | |
| ∑Ft,Rd | [N] | - | - | 406 | - | |
| FT,2,Rd | [kN] | - | - | 463 | - | |
| MODALITÀ 3 | ||||||
| FT,3,Rd | [kN] | - | - | 406 | - | |
| beff,t,wb | [mm] | - | - | - | = beff,1 = 243 | |
| twb | [mm] | - | - | - | 10.1 | |
| RESISTENZA | Ft,fc,Rd | Ft,wc,Rd | Ft,ep,Rd | Ft,wb,Rd | ||
| [kN] | 790 | 790 | 406 | 675 | ||
| NOTE | come calcolato per le righe di bulloni 1 e 2 | come calcolato per le righe di bulloni 1 e 2 |
Le resistenze per le file 2 e 3 sopra considerano tutte la resistenza della riga che agisce da sola. Tuttavia, sul lato della colonna, la resistenza può essere limitata dalla resistenza del gruppo delle righe 1, 2 e 3, o dal gruppo delle righe 2 e 3. Sul lato della trave, la resistenza può essere limitata dal gruppo delle righe 2 e 3. Queste resistenze di gruppo sono ora considerate.
BULLONI 1, 2 E 3 COMBINATI
Flangia della colonna a flessione
I modelli circolari e non circolari sono i seguenti:
Riepilogo del calcolo della resistenza:
| Parametro | Unità | Flangia della colonna a flessione | Anima della colonna in trazione trasversale | |
| ℓeff,1 | [mm] | 422 | - | |
| ℓeff,2 | [mm] | 422 | - | |
| MODALITÀ 1 | ||||
| m | [mm] | 33.4 | - | |
| n | [mm] | 41.8 | - | |
| ew | [mm] | 9.9 | - | |
| tf | [mm] | 20.5 | - | |
| fy | [N/mm2] | 265 | - | |
| Mpl,1,Rd | [Nmm] | 11.7x106 | - | |
| FT,1,Rd | [kN] | 1797 | - | |
| MODALITÀ 2 | ||||
| Mpl,2,Rd | [Nmm] | 11.7x106 | - | |
| Ft,Rd | [kN] | 203 | - | |
| Bulloni | [pezzi] | 6 | - | |
| ∑Ft,Rd | [kN] | 1218 | - | |
| FT,2,Rd | [kN] | 988 | - | |
| MODALITÀ 3 | ||||
| FT,3,Rd | [kN] | 1218 | - | |
| ω | [-] | - | 1.0 | |
| beff,t,wc | [mm] | - | 422 | |
| twc | [mm] | - | 12.8 | |
| RESISTENZA | Ft,fc,Rd | Ft,wc,Rd | ||
| [kN] | 988 | 1431 |
La resistenza delle righe di bulloni 1, 2 e 3 combinate, sul lato della colonna, è il valore più piccolo della Flangia della colonna a flessione e Anima della colonna in trazione, cioè 988 kN.
Pertanto, la resistenza della riga di bulloni 3 sul lato della colonna è limitata a: Ft3,c,Rd = Ft1-3,Rd - Ft1-2,Rd = 988 - 697 = 291 kN.
FILE 2 E 3 COMBINATE
Riepilogo del calcolo della resistenza:
| Parametro | Unità | Lato della colonna - Flangia in flessione | Anima della colonna in trazione trasversale | Lato della trave - Piastra di estremità in flessione | Trave in trazione | |
| m | [mm] | 33.4 | - | 38.6 | - | |
| n | [mm] | 41.8 | - | 48.3 | - | |
| ew | - | - | 9.9 | - | ||
| ℓeff,1 | [mm] | 323 | - | 379 | - | |
| ℓeff,2 | [mm] | 323 | - | 379 | - | |
| MODALITÀ 1 | (righe 2 + 3) | |||||
| Mpl,1,Rd | [Nmm] | 9.24x103 | 9.0x106 | 15.7x106 | - | |
| FT,1,Rd | [kN] | 1383 | - | 2007 | - | |
| MODALITÀ 2 | (righe 2 + 3) | |||||
| Mpl,2,Rd | [Nmm] | 9.0x106 | - | 15.7x106 | - | |
| Ft,Rd | [kN] | 203 | - | 203 | - | |
| Bulloni | [pezzi] | 4 | - | 4 | - | |
| ∑Ft,Rd | [kN] | 812 | - | 812 | - | |
| FT,2,Rd | [kN] | 691 | - | 813 | - | |
| MODALITÀ 3 | (righe 2 + 3) | |||||
| FT,3,Rd | [kN] | 1218 | - | 812 | - | |
| ω | [-] | - | 1.0 | - | - | |
| beff,t,wc | [mm] | - | 323 | - | - | |
| twb | [mm] | - | 12.8 | - | - | |
| fy,wc | [N/mm2] | - | 265 | - | - | |
| RESISTENZA | Ft,fc,Rd | Ft,wc,Rd | Ft,ep,Rd | |||
| [kN] | 691 | 1096 | 812 | - | ||
| NOTE | non è applicabile |
La resistenza delle righe di bulloni 2 e 3 combinate, sul lato della trave, è Piastra di estremità in flessione Ft,ep,Rd = 812 kN. Pertanto, sul lato della trave Ft2-3,Rd = 812 kN. La resistenza della riga di bulloni 3 sul lato della trave è quindi limitata a Ft3,b,Rd = Ft2-3,Rd - Ft2,Rd = 812 - 320 = 492 kN.
La resistenza delle righe di bulloni 2 e 3 combinate, sul lato della colonna, è Flangia della colonna a flessione Ft,fc,Rd = 691 kN, Anima della colonna in trazione Ft,wc,Rd = 1096 kN, quindi, sul lato della colonna Ft2-3,Rd = 691 kN.
Quindi, la resistenza della riga di bulloni 3 sul lato della colonna è limitata a Ft3,b,Rd = Ft2-3,Rd - Ft2,Rd = 691 - 320 = 371 kN.
Riepilogo
La resistenza della riga di bulloni 3 è il valore più piccolo tra le seguenti resistenze: Flangia della colonna a flessione Ft,fc,Rd = 398 kN, Anima della colonna in trazione Ft,wc,Rd = 790 kN, Anima della trave in trazione Ft,wb,Rd = 675 kN, Piastra di estremità a flessione Ft,ep,Rd = 406 kN, Lato colonna come parte di un gruppo con 2 e 1 Ft3,c,Rd = 291 kN, Lato colonna come parte di un gruppo con 2 Ft3,c,Rd = 371 kN, Lato trave come parte di un gruppo con 2 Ft3,b,Rd = 492 kN. Pertanto, la resistenza della fila di bulloni 3 è Ft3,Rd = 291 kN.
RIEPILOGO DELLE RESISTENZE A TRAZIONE
La derivazione delle resistenze effettive delle file di trazione sopra può essere riassunta in forma tabellare, come mostrato di seguito.
Resistenze delle file Ftr,Rd:
| Flangia della colonna | Anima della colonna |
|
Anima della trave | Minimo | Resistenza effettiva | ||
| Fila 1, da sola | 398 | 790 | 377 | N/A | 377 | 377 | |
| Fila 2, da sola | 398 | 790 | 406 | 675 | 398 | ||
| Fila 2, con fila 1 | 697 | 1126 | N/A | N/A | 697 | ||
| Fila 2 | 697 - 377 | 320 | |||||
| Fila 3, da sola | 398 | 790 | 406 | 675 | 309 | ||
| Fila 3, con fila 1 e 2 | 988 | 1431 | N/A | N/A | 988 | ||
| Fila 3 | 988 - 697 | 291 | |||||
| Fila 3, con fila 2 | 691 | 1096 | 812 | 1052 | 691 | ||
| Fila 3 | 691 - 320 |
Zona di Compressione
Anima della colonna in compressione trasversale
La resistenza alla progettazione di un'anima di colonna non rinforzata in compressione trasversale è determinata come segue:
| dove | ||
| s | = rc = 12.7 mm per sezioni di colonna I e H laminate a caldo | |
| sp | è la lunghezza ottenuta per dispersione a 45° attraverso la piastra di estremità; sp = 2 tp = 50 mm | |
| ex | è la distanza dall'estremità misurata dal centro del fissaggio della riga 1; ex = 50 mm | |
| x | è la distanza dalla riga 1 sopra la flangia della trave misurata dal centro del fissaggio; x = 40 mm | |
| sf |
|
|
| hp | è la profondità della piastra di estremità; hp ≥ ex + x + hb + sf + tp = 656 mm → hp = 670 mm | |
| beff,c,wc | per una piastra di estremità bullonata; beff,c,wc = tfb + 2 sf + 5 (tfc + s) + sp = 248 mm | |
| ρ | è il fattore di riduzione per il buckling della piastra, dipende dalla piastra; ρ = 1.0 | |
| ω | = 1.0 | |
| kwc | è un fattore di riduzione che tiene conto della compressione nell'anima della colonna; kwc = 1.0 |
Pertanto, Fc,wc,Rd = 841 kN.
Flangia e anima della trave in compressione
La resistenza risultante alla progettazione di una flangia di trave e la zona di compressione adiacente dell'anima è determinata usando:
| dove | ||
| Mc,Rd | è la resistenza alla progettazione della trave; assumendo che la forza di taglio progettuale nella trave non riduca Mc,Rd, pertanto, Mc,Rd = 649 kN | |
| h | = hb = 533.1 mm | |
| tfb | = 15.6 mm |
Così, Fc,fb,Rd = 1254 kN.
Riepilogo: resistenza della zona di compressione
Anima della colonna in compressione trasversale Fc,wc,Rd = 841 kN, Flangia di trave e anima in compressione Fc,fb,Rd = 1254 kN.
Resistenza del pannello dell'anima della colonna al taglio
La resistenza plastica al taglio di un'anima non rinforzata è data da:
La resistenza non è valutata qui, poiché non c'è forza di taglio progettuale nell'anima poiché i momenti delle travi sono uguali e opposti.
Resistenza al Momento
RESISTENZA EFFETTIVA DELLE FILE DI BULLONI
Le resistenze effettive di ciascuna delle tre righe di bulloni nella zona di trazione sono:
Ft1,Rd = 377 kN, Ft2,Rd = 320 kN, Ft3,Rd = 291 kN.
Le resistenze effettive dovrebbero essere ridotte se la resistenza di una delle righe superiori supera 1.9 Ft,Rd = 1.9 x 203 = 386 kN.
Quindi, non è necessaria alcuna riduzione.
EQUILIBRIO DELLE FORZE
La somma delle forze di trazione, insieme a qualsiasi compressione assiale nella trave, non può superare la resistenza della zona di compressione.
Allo stesso modo, la forza di taglio progettuale non può superare la resistenza al taglio del pannello dell'anima della colonna. Ciò non è rilevante in questo esempio, poiché i momenti nelle travi identiche sono uguali e opposti.
Per l'equilibrio orizzontale ∑Ftr,Rd + NEd = Fc,Rd. In questo esempio, non c'è compressione assiale. Quindi, ∑Ftr,Rd = Fc,Rd.
Qui, la resistenza totale effettiva alla trazione ∑Ftr,Rd = 377 + 320 + 291 = 988 kN che supera la resistenza alla compressione Fс,Rd = 841 kN.
Per raggiungere l'equilibrio, le resistenze effettive vengono ridotte, iniziando dalla riga più bassa e procedendo verso l'alto, finché non si raggiunge l'equilibrio. Riduzione richiesta 988 - 841 = 147 kN.
Tutta questa riduzione può essere ottenuta riducendo la resistenza della fila inferiore. Pertanto, Ft3,Rd = 291 - 147 = 144 kN.
RESISTENZA AL MOMENTO DELLE FORZE
La resistenza al momento della giunzione trave-colonna Mj,Rd:
Prendendo il centro di compressione come lo spessore medio della flangia di compressione della trave, hr1 = 565 mm, hr2 = 465 mm, hr3 = 375 mm. Così, la resistenza al momento della giunzione trave-colonna è:
Mj,Rd = 416 kNm.
Resistenza al Taglio Verticale
RESISTENZA DEL GRUPPO DI BULLONI
La resistenza al taglio di un bullone M24 classe 8.8 non precaricato in taglio singolo è Fv,Rd = 136 kN, Fb,Rd = 200 kN (in piastra da 20 mm). Quindi, Fv,Rd governa.
La resistenza al taglio delle file superiori può essere considerata in modo conservativo come il 28% della resistenza al taglio senza trazione (assumendo che questi bulloni siano completamente utilizzati in trazione). Quindi, la resistenza al taglio di tutte e 4 le righe è (2 + 6 x 0.28) 136 = 3.68 x 136 = 500 kN.
Progettazione delle Saldature
L'approccio semplice richiede che le saldature alla flangia di trazione e all'anima siano di piena forza, mentre la saldatura alla flangia di compressione è solo di dimensioni nominali, assumendo che sia stata preparata con un'estremità tagliata a sega.
SALDATURE DELLA FLANGIA DI TRAZIONE DELLA TRAVE
Una saldatura a piena forza è fornita da saldature a cordone simmetriche con uno spessore totale della gola almeno pari allo spessore della flangia. La dimensione della gola richiesta è tfb/2 = 15.6/2 = 7.8 mm. La gola della saldatura fornita è af = 12/√2 = 8.5 mm, che è adeguata.
SALDATURE DELLA FLANGIA DI COMPRESSIONE DELLA TRAVE
Fornire una saldatura a cordone nominale su entrambi i lati della flangia della trave. Una saldatura a cordone di lunghezza 8 mm sarà soddisfacente.
SALDATURE DELL'ANIMA DELLA TRAVE
Per comodità, viene fornita una saldatura a piena forza all'anima.
La dimensione della gola richiesta è tfw/2 = 10.2/2 = 5.1 mm.
La gola della saldatura fornita è ap = 8/√2 = 5.7 mm, che è adeguata.
ANALISI BASATA SUI COMPONENTI FE
La progettazione è stata effettuata utilizzando l'Add-on Steel Joints per RFEM 6.
L'add-on Steel Joints consente l'analisi delle connessioni basata su un modello FE. L'input e la valutazione dei risultati sono completamente integrati nell'interfaccia utente del software FEA strutturale RFEM, rendendo il processo di progettazione intuitivo e veloce.
Configurazione della Giunzione
| Colonna | 254x254x107 UKC | S275 |
| Trave | sezione definita parametricamente | |
| hb = 533.1 mm, bb = 209.3 mm, twb = 10.1 mm, tfb = 15.6 mm | S275 | |
| Piastra di estremità | 670x250x25 mm | S275 |
| Bullone | M24 classe 8.8 | |
| Saldature | Saldature a cordone flangia superiore sf1 = 8.5 mm, flangia inferiore sf2 = 5.7 mm, anima sw = 5.7 mm |
Risultati dell'Add-on Steel Joints
L'add-on Steel Joints per RFEM 6 migliora le capacità del software consentendo agli ingegneri di analizzare le connessioni in acciaio con la precisione di un modello a elementi finiti (FE). Questo strumento avanzato consente la visualizzazione dettagliata di tutti i risultati essenziali direttamente sul modello FE, fornendo una panoramica chiara e completa delle prestazioni delle connessioni in acciaio sotto carichi e condizioni variabili.
Include la visualizzazione di tensioni equivalenti e deformazioni plastiche all'interno della connessione in acciaio. Mostrando sia le tensioni equivalenti che le deformazioni plastiche, RFEM offre una comprensione più completa del comportamento della connessione in condizioni reali, garantendo che la progettazione sia sia sicura che efficiente.
TENSIONI EQUIVALENTI
Le tensioni equivalenti forniscono una chiara visione della distribuzione complessiva delle tensioni, aiutando gli ingegneri a identificare potenziali punti di rottura causati da concentrazioni di tensione eccessive. Queste tensioni sono essenziali per capire la capacità portante della connessione.
Qui si può vedere la distribuzione delle tensioni sulla flangia della colonna e sulla piastra di estremità della trave.
DEFORMAZIONE PLASTICA
Le piastre nella connessione sono progettate plasticamente confrontando la deformazione plastica esistente con quella ammissibile. L'impostazione predefinita è del 5%, secondo l'EN 1993‑1‑5, Allegato C. Di seguito è riportata la deformazione plastica nel giunto:
ANALISI TENSIONE-DEFORMAZIONE
Conclusioni
L'articolo presenta due metodi per progettare giunzioni trave-colonna. Il metodo analitico è complesso e difficile da gestire manualmente, specialmente quando si tratta di ottimizzazione. Involge il calcolo delle resistenze di ciascun componente e il confronto di queste con le forze che agiscono su tali componenti.
Il secondo metodo è l'approccio CBFEM, implementato nell'Add-on Steel Joints di RFEM 6. In questo metodo, il giunto viene assemblato e le forze per l'analisi vengono derivate dal modello principale FE. Il giunto assemblato viene quindi verificato sotto le forze applicate tramite l'analisi tensione-deformazione delle piastre in acciaio. Inoltre, la progettazione delle saldature e dei fissaggi viene eseguita secondo gli standard EN pertinenti.
Mentre il metodo analitico è ampiamente utilizzato, il secondo metodo è molto più veloce, fornendo risultati accurati riducendo significativamente il tempo di calcolo. Consente anche una facile e rapida ottimizzazione.
Un confronto dei risultati è mostrato di seguito.
La resistenza al momento Mj,Rd calcolata utilizzando l'approccio analitico è 416 kNm, mentre il valore dal CBFEM nell'Add-on Steel Joints è 415 kNm. La differenza è inferiore al 1%, con Δ = -0.24%, illustrando l'affidabilità e l'accuratezza del metodo CBFEM implementato nell'Add-on Steel Joints.
Il modello può essere trovato qui sotto:
RIFERIMENTI
[1] Brown, D., Iles, D., Brettle, M., Malik, A., e BCSA/SCI Connections Group. (2013). Joints in steel construction: Moment-resisting joints to Eurocode 3. Vol BCSA/SCI Connections Group. Londra: The British Constructional Steelwork Association Limited.