Описание работы
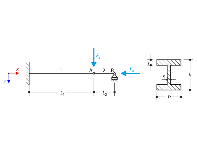
Конструкция из двутаврового профиля полностью закреплена на левом конце и встроена в подвижную опору на правом конце. Конструкция состоит из двух сегментов согласно следующему {%/#sketch эскизу]]. В данном примере не учитывается собственный вес. С помощью геометрически линейного расчета и расчета по методу второго порядка определим максимальный прогиб конструкции uz,max, изгибающий момент My на закрепленном конце, поворот φ2,y сегмента 2 и опорную силу RBz порядка. Контрольный пример основан на примере, представленном Gensichen и Lumpe (см. ссылку).
| Материал | Сталь | Модуль упругости | E | 210000,000 | МПа |
| коэффициент Пуассона | ν | 0,300 | - | ||
| Геометрия | Конструкция | Длина сегмента 1 | L1 | 6,000 | m |
| Длина сегмента 2 | L2 | 1,200 | m | ||
| использование | Высота | h | 400,000 | мм | |
| Ширина | b | 180,000 | мм | ||
| Толщина стенки | s | 10,000 | мм | ||
| толщина полки | t | 14,000 | мм | ||
| Нагрузки | Нормальная сила | Fx | 100,000 | кН | |
| Поперечная сила | Fz | 0,500 | кН | ||
Аналитическое решение
Геометрически линейный расчет
Сначала выполняется геометрически линейный расчёт. В данном случае не учитывается нормальная сила Fx. В этом случае мы можем решить задачу и создать консоль длиной L1, нагруженную только поперечной силой Fz. Максимальный прогиб uz,max можно рассчитать с помощью интеграла Мора' и приводит к выражению:
|
F<sub>y</sub> |
Quadratic moment of the cross-section with respect to the y-axis |
Изгибающий момент на защемленном конце мы можем рассчитать по следующей формуле:
Поворот сегмента 2 φ2,y рассчитывается из геометрического условия следующим образом:
Силу реакции в подвижном соединении RBz с учетом нулевого действия осевой силы Fx можно получить из диаграммы свободного тела, показанной на следующем {%ref#эскиз-расчёте]].
Расчет по теории второго порядка
Из-за незначительного влияния нормальной силы Fх следует применить расчет по теории второго порядка. Таким образом, учитывается также осевая сила Fx, которая вносит дополнительный вклад в изгибающий момент. Данную проблему можно легко описать с помощью диаграммы свободного тела сегментов по {%://#эскизам свободного тела]]. Неизвестные силы реакции могут быть получены из уравнений равновесия, и затем может быть записана формула изгибающего момента.
Решение можно найти с помощью дифференциального уравнения Эйлера-Бернулли.
С учетом граничных условий затем можно найти решение дифференциального уравнения и рассчитать максимальный прогиб конструкции.
Изгибающий момент на защемленном конце мы можем рассчитать по следующей формуле:
Поворот сегмента 2 φ2,y рассчитывается из геометрического условия следующим образом:
Опорная реакция в подвижном соединении RBz получается:
Очевидно, что влияние нормальной силы Fx значительно. Общий прогиб конструкции при заданной нагрузке в случае расчета по методу второго порядка примерно на 18 % больше, чем в случае геометрически линейного расчета. Сравнение геометрически линейного расчета и расчета по методу второго порядка показано на {%ref#диаграмме]] с учетом соотношения нагружений Fz = Fx/200 . Очевидно, что разница между этими расчетами более значительна, чем выше нагрузка. Расчетное решение второго порядка приближается к горизонтальной асимптоте. Численное решение дает значение горизонтальной асимптотики Fx,cr = 650,873 кН.
Настройки программы RFEM и RSTAB
- Смоделировано в программе RFEM 5.05 и RSTAB 8.05 и RFEM 6.01, RSTAB 9.01
- Количество элементов - 2 (по одному элементу на стержень)
- Количество приращений - 5
- Используется изотропная линейная упругая модель материала
- Конструкция моделируется с помощью стержней
- Жесткостью на сдвиг стержней не учитывается
Результаты
| Геометрически линейный расчёт | Аналитическое решение | Rfem 6 | сечения | RSTAB 9 | сечения |
| uz,max [мм] | 0,743 | 0,743 | 1,000 | 0,743 | 1,000 |
| My (0) [кНм] | 3,000 | 3,000 | 1,000 | 3,000 | 1,000 |
| φ2,y [мрад] | 0,619 | 0,619 | 1,000 | 0,619 | 1,000 |
| [SCHOOL.SCHOOLORINSTITUTION]Bz [кН] | 0,000 | 0,000 | - | 0,000 | - |
| Геометрически линейный расчёт | Аналитическое решение | RFEM 5 | сечения | RSTAB 8 | сечения |
| uz,max [мм] | 0,743 | 0,743 | 1,000 | 0,743 | 1,000 |
| My (0) [кНм] | 3,000 | 3,000 | 1,000 | 3,000 | 1,000 |
| φ2,y [мрад] | 0,619 | 0,619 | 1,000 | 0,619 | 1,000 |
| [SCHOOL.SCHOOLORINSTITUTION]Bz [кН] | 0,000 | 0,000 | - | 0,000 | - |
| Анализ второго порядка | Аналитическое решение | Rfem 6 | сечения | RSTAB 9 | сечения |
| uz,max [мм] | 0,878 | 0,878 | 1,000 | 0,878 | 1,000 |
| My (0) [кНм] | 3,527 | 3,527 | 1,000 | 3,527 | 1,000 |
| φ2,y [мрад] | 0,732 | 0,732 | 1,000 | 0,732 | 1,000 |
| [SCHOOL.SCHOOLORINSTITUTION]Bz [кН] | -0,073 | -0,073 | 1,000 | -0,073 | 1,000 |
| Анализ второго порядка | Аналитическое решение | RFEM 5 | сечения | RSTAB 8 | сечения |
| uz,max [мм] | 0,878 | 0,878 | 1,000 | 0,878 | 1,000 |
| My (0) [кНм] | 3,527 | 3,527 | 1,000 | 3,527 | 1,000 |
| φ2,y [мрад] | 0,732 | 0,732 | 1,000 | 0,732 | 1,000 |
| [SCHOOL.SCHOOLORINSTITUTION]Bz [кН] | -0,073 | -0,073 | 1,000 | -0,073 | 1,000 |