Description du projet
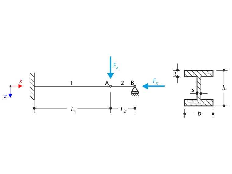
Une structure en profilé en I est entièrement encastrée à l'extrémité gauche et intégrée dans un support glissant à l'extrémité droite. La structure est composée de deux segments selon le {%}#sketch Sketch]] suivant : Le poids propre est négligé dans cet exemple. Déterminer la flèche maximale de la structure uz,max, le moment fléchissant My sur l'extrémité fixe, la rotation φ2, y du segment 2 et la force de réaction RBz à l'aide de l'analyse géométriquement linéaire et des analyses du second-ordre ou l'analyse post-critique. L'exemple de vérification est basé sur l'exemple introduit par Gensichen et Lumpe (voir la référence).
| Matériau | Acier | Module d'élasticité | E | 210000,000 | MPa |
| coefficient de Poisson | ν | 0,300 | |||
| Structure | Longueur du segment 1 | L1 | 6,000 | m | |
| Longueur du segment 2 | L2 | 1.200 | m | ||
| Section | Hauteur | h | 400,000 | mm | |
| Largeur | b | 180,000 | mm | ||
| Épaisseur de l'âme | s | 10,000 | mm | ||
| Épaisseur de semelle | t | 14,000 | mm | ||
| Import | Effort normal | Fx | 100,000 | kN | |
| force transversale | Fz | 0,500 | kN |
Solution analytique
Analyse géométriquement linéaire
Tout d'abord, l'analyse géométriquement linéaire est effectuée. Dans ce cas, l'effort normal Fx n'est pas considéré. Le problème peut alors être résolu et un porte-à-faux de longueur L1 chargé uniquement par la force transversale Fz. La flèche maximale uz,max peut être calculée à l'aide de l'intégrale de Mohr' et des résultats dans l'expression :
|
F<sub>y</sub> |
Quadratic moment of the cross-section with respect to the y-axis |
Le moment fléchissant sur l'extrémité fixe peut être calculé selon la formule suivante :
La rotation du segment 2 φ2,y est calculée à partir de la condition géométrique comme suit :
La force de réaction dans l'assemblage glissant RBz considérant l'effet nul de l'effort normal Fx peut être obtenue à partir du diagramme de corps libre affiché dans le {%}#freebody Sketch]] suivant.
Vérification selon la théorie du second ordre
L'analyse du second ordre doit être considérée en raison de l'effet non négligeable de l'effort normal Fx. Ainsi, l'effort normal Fx est pris en compte et produit une autre contribution au moment fléchissant. Le problème peut être décrit par le diagramme du corps libre des segments selon le {%}#freebody Sketch]]. Les forces de réaction inconnues peuvent être obtenues à partir des équations d'équilibre, puis la formule du moment fléchissant peut être écrite.
La solution peut être trouvée par l'équation différentielle d'Euler-Bernoulli.
En considérant les conditions aux limites, la solution sur l'équation différentielle peut être trouvée et la flèche maximale de la structure calculée.
Le moment fléchissant sur l'extrémité fixe peut être calculé selon la formule suivante :
La rotation du segment 2 φ2,y est calculée à partir de la condition géométrique comme suit :
La force de réaction dans le joint glissant RBz est obtenue :
On constate que l'influence de l'effort normal Fx est considérable. La flèche totale de la structure soumise au chargement prescrit dans le cas de l'analyse du second ordre est supérieure d'environ 18 % à celle obtenu dans le cas de l'analyse géométriquement linéaire. La comparaison de l'analyse géométriquement linéaire et de l'analyse du second ordre est affichée dans le graphique {%}#graph graph]], en considérant le rapport des efforts de charge Fz = Fx/200. Il est évident que la différence entre ces analyses est plus considérable lorsque le chargement est plus élevé. La solution de l'analyse du second ordre se rapproche d'une asymétrie horizontale. La solution numérique donne la valeur de l'asymétrie horizontale Fx,cr = 650,873 kN.
Paramètres de RFEM et RSTAB
- Modélisé dans RFEM 5.05 et RSTAB 8.05 et RFEM 6.01, RSTAB 9.01
- Le nombre d'éléments est 2 (un élément par barre)
- Le nombre d'incréments est de 5
- Le modèle de matériau isotrope linéaire élastique est utilisé
- La structure est modélisée à l'aide de barres.
- La rigidité de cisaillement des barres est négligée
Résultats
| Analyse géométriquement linéaire | Solution analytique | RFEM6 | Ratio | RSTAB 9 | Ratio |
| uz,max [mm] | 0,743 | 0,743 | 1,000 | 0,743 | 1,000 |
| My (0) [kNm ] | 3,000 | 3,000 | 1,000 | 3,000 | 1,000 |
| φ2,y [mrad] | 0,619 | 0,619 | 1,000 | 0,619 | 1,000 |
| rBz [kN] | 0,000 | 0,000 | |||
| 0,000 |
| Analyse géométriquement linéaire | Solution analytique | RFEM5 | Ratio | RSTAB 8 | Ratio |
| uz,max [mm] | 0,743 | 0,743 | 1,000 | 0,743 | 1,000 |
| My (0) [kNm ] | 3,000 | 3,000 | 1,000 | 3,000 | 1,000 |
| φ2,y [mrad] | 0,619 | 0,619 | 1,000 | 0,619 | 1,000 |
| rBz [kN] | 0,000 | 0,000 | |||
| 0,000 |
| analyse du second ordre | Solution analytique | RFEM6 | Ratio | RSTAB 9 | Ratio |
| uz,max [mm] | 0,878 | 0,878 | 1,000 | 0,878 | 1,000 |
| My (0) [kNm ] | 3,527 | 3,527 | 1,000 | 3,527 | 1,000 |
| φ2,y [mrad] | 0,732 | 0,732 | 1,000 | 0,732 | 1,000 |
| rBz [kN] | -0,073 | -0,073 | 1,000 | -0,073 | 1,000 |
| analyse du second ordre | Solution analytique | RFEM5 | Ratio | RSTAB 8 | Ratio |
| uz,max [mm] | 0,878 | 0,878 | 1,000 | 0,878 | 1,000 |
| My (0) [kNm ] | 3,527 | 3,527 | 1,000 | 3,527 | 1,000 |
| φ2,y [mrad] | 0,732 | 0,732 | 1,000 | 0,732 | 1,000 |
| rBz [kN] | -0,073 | -0,073 | 1,000 | -0,073 | 1,000 |