Beschreibung
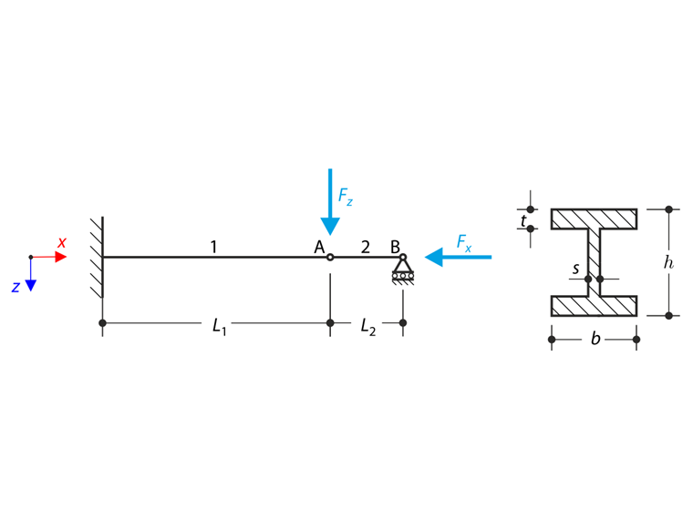
Eine Struktur aus I-Profil ist am linken Ende vollständig fixiert und am rechten Ende in die Gleitlagerung eingebettet. Die Struktur besteht gemäß sketch aus zwei Segmenten. Das Eigengewicht wird in diesem Beispiel nicht berücksichtigt. Es soll die maximale Durchbiegung des Tragwerks uz,max, das Biegemoment My am festen Ende, die Verdrehung φ2,y des Segments 2 und die Reaktionskraft RBz mittels Theorie I. Ordnung und II. Ordnung bestimmt werden Ordnung relevant. Dieses Verifikationsbeispiel basiert auf dem von Gensichen und Lumpe vorgestellten Beispiel (siehe Literatur).
| Material | Stahl | Elastizitätsmodul | E | 210000,000 | MPa |
| Querdehnzahl | ν | 0,300 | |||
| Geometrie | Struktur | Segmentlänge 1 | L1 | 6,000 | m |
| Segmentlänge 2 | L2 | 1.200 | m | ||
| Querschnitt | Höhe | h | 400,000 | mm | |
| Breite | F | 180,000 | mm | ||
| Stegdicke | S | 10,000 | mm | ||
| Flanschdicke | t | 14,000 | mm | ||
| Last | Normalkraft | Fx | 100,000 | kN | |
| Querkraft | Fz | 0,500 | kN | ||
Analytische Lösung
Theorie I. Ordnung (geometrisch lineare Berechnung)
Die Berechnung wird zunächst geometrisch linear durchgeführt. In diesem Fall wird die Normalkraft Fx nicht berücksichtigt. Das Problem lässt sich dann ebenso lösen, wie ein nur durch die Querkraft Fz belasteter Kragarm der Länge L1. Die maximale Durchbiegung uz,max lässt sich mit dem Integral von Mohr' berechnen und ergibt sich zu:
|
F<sub>y</sub> |
Quadratic moment of the cross-section with respect to the y-axis |
Das Biegemoment am festen Ende kann gemäß folgender Formel berechnet werden:
Die Verdrehung des Segmentes 2 φ2,y berechnet sich aus der geometrischen Bedingung wie folgt:
Die Reaktionskraft in der Schubfuge RBz mit Berücksichtigung der Nullwirkung der Normalkraft Fx kann dem in der folgenden sketch dargestellten Freikörperbild entnommen werden.
Theorie II. Ordnung
Wegen des nicht vernachlässigbaren Einflusses der Normalkraft Fx sollte die Theorie II. Ordnung berücksichtigt werden. Damit wird die Normalkraft Fx berücksichtigt und liefert einen weiteren Beitrag zum Biegemoment. Das Problem lässt sich durch Freikörperdiagramm der Segmente gemäß sketch beschreiben. Die unbekannten Reaktionskräfte können den Gleichgewichtsgleichungen entnommen und dann die Biegemomentformel geschrieben werden.
Die Lösung kann durch die Euler-Bernoulli-Differenzialgleichung gefunden werden.
Unter Berücksichtigung der Randbedingungen kann die Lösung der Differentialgleichung gefunden und die maximale Durchbiegung des Systems berechnet werden.
Das Biegemoment am festen Ende kann gemäß folgender Formel berechnet werden:
Die Verdrehung des Segmentes 2 φ2,y berechnet sich aus der geometrischen Bedingung wie folgt:
Die Reaktionskraft in der Gleitfuge RBz ergibt sich:
Hier ist ersichtlich, dass der Einfluss der Normalkraft Fx erheblich ist. Die Gesamtdurchbiegung des Tragwerks unter der vorgeschriebenen Belastung ist bei Theorie II. Ordnung um ca. 18 % größer als bei Theorie I. Ordnung. Der Vergleich der Theorie I. Ordnung und Theorie II. Ordnung wird im graph anhand des Verhältnisses der Belastungskräfte Fz = Fx/200 dargestellt. Es ist ersichtlich, dass der Unterschied zwischen diesen Nachweisen bei größeren Belastungen deutlicher wird. Die Lösung nach Theorie II. Ordnung nähert sich der horizontalen Asymptote an. Aus der numerischen Lösung ergibt sich der Wert der horizontalen Asymptote Fx,cr = 650,873 kN.
RFEM- und RSTAB-Einstellungen
- Modelliert in RFEM 5.05/RSTAB 8.05, RFEM 6.01, RSTAB 9.01
- Die Anzahl der Elemente beträgt 2 (ein Element pro Stab)
- Die Anzahl der Inkremente beträgt 5.
- Es wird ein isotropes linear-elastisches Materialmodell vorausgesetzt.
- Die Modellierung erfolgt über Stäbe
- Die Schubsteifigkeit der Stäbe wird vernachlässigt.
Ergebnisse
| Theorie I. Ordnung | Analytische Lösung | RFEM 6 | Verhältnis | RSTAB 9 | Verhältnis |
| uz,max [mm] | 0,743 | 0,743 | 1,000 | 0,743 | 1,000 |
| My(0)[kNm ] | 3,000 | 3,000 | 1,000 | 3,000 | 1,000 |
| φ2,y [mrad] | 0,619 | 0,619 | 1,000 | 0,619 | 1,000 |
| rBz [kN] | 0,000 | 0,000 | |||
| 0,000 |
| Theorie I. Ordnung | Analytische Lösung | RFEM 5 | Verhältnis | RSTAB 8 | Verhältnis |
| uz,max [mm] | 0,743 | 0,743 | 1,000 | 0,743 | 1,000 |
| My(0)[kNm ] | 3,000 | 3,000 | 1,000 | 3,000 | 1,000 |
| φ2,y [mrad] | 0,619 | 0,619 | 1,000 | 0,619 | 1,000 |
| rBz [kN] | 0,000 | 0,000 | |||
| 0,000 |
| Theorie II. Ordnung | Analytische Lösung | RFEM 6 | Verhältnis | RSTAB 9 | Verhältnis |
| uz,max [mm] | 0,878 | 0,878 | 1,000 | 0,878 | 1,000 |
| My(0)[kNm ] | 3,527 | 3,527 | 1,000 | 3,527 | 1,000 |
| φ2,y [mrad] | 0,732 | 0,732 | 1,000 | 0,732 | 1,000 |
| rBz [kN] | -0,073 | -0,073 | 1,000 | -0,073 | 1,000 |
| Theorie II. Ordnung | Analytische Lösung | RFEM 5 | Verhältnis | RSTAB 8 | Verhältnis |
| uz,max [mm] | 0,878 | 0,878 | 1,000 | 0,878 | 1,000 |
| My(0)[kNm ] | 3,527 | 3,527 | 1,000 | 3,527 | 1,000 |
| φ2,y [mrad] | 0,732 | 0,732 | 1,000 | 0,732 | 1,000 |
| rBz [kN] | -0,073 | -0,073 | 1,000 | -0,073 | 1,000 |