Popis
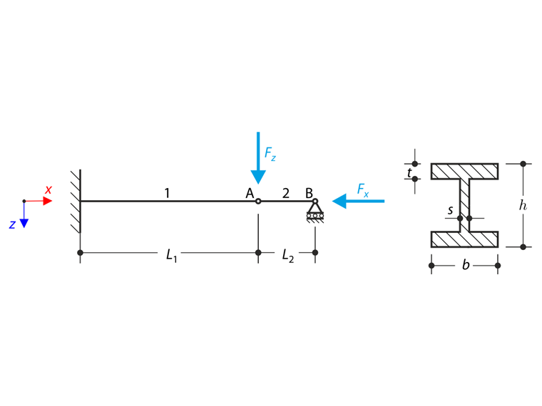
Konstrukce tvořená nosníky profilu I je na levém konci vetknutá a na pravém podepřená posuvnou kloubovou podporou. Konstrukce se skládá ze dvou segmentů podle následujícího {%/#sketch skici]]. Vlastní tíha se v tomto příkladu nezohledňuje. Stanovte maximální průhyb konstrukce uz,max, ohybový moment My na pevném konci, natočení φ2,y segmentu 2 a reakční sílu RBz pomocí geometricky lineární analýzy a teorie druhého řádu analýzy. Verifikační příklad je založen na příkladu, který představili Gensichen a Lumpe (viz odkaz).
| Materiál | Ocel | Modul pružnosti | E | 210000,000 | MPa |
| Poissonův součinitel | ν | 0,300 | - | ||
| Geometrie | Konstrukce | Délka segmentu 1 | L1 | 6,000 | m |
| Délka segmentu 2 | L2 | 1,200 | m | ||
| Průřez | Výška | h | 400,000 | mm | |
| Šířka | b | 180,000 | mm | ||
| Tloušťka stěny | s | 10,000 | mm | ||
| Tloušťka pásnice | t | 14,000 | mm | ||
| Zatížení | Normálová síla | Fx | 100,000 | KN | |
| Příčná síla | Fz | 0,500 | KN | ||
Analytické řešení
Teorie I. řádu (geometricky lineární výpočet)
Nejdříve se provede geometricky lineární analýza. V tomto případě se normálová síla Fx nezohledňuje. Úlohu lze pak vyřešit stejně jako konzolu délky L1 zatíženou pouze příčnou silou Fz. Maximální průhyb uz,max lze spočítat pomocí Mohrova' integrálu a výsledkem je:
|
F<sub>y</sub> |
Quadratic moment of the cross-section with respect to the y-axis |
Ohybový moment na pevném konci lze vypočítat podle následujícího vzorce:
Natočení segmentu 2 φ2,y se vypočítá z geometrické podmínky následovně:
Reakční sílu v kluzné spáře RBz se zohledněním nulového účinku normálové síly Fx lze získat z diagramu volného tělesa v následujícím {%/#náčrtu volného tělesa]].
teorie II. řádu
Vzhledem k nezanedbatelnému účinku normálové síly Fx je třeba zohlednit analýzu druhého řádu. Tím se zohlední normálová síla Fx a vytvoří další příspěvek k ohybovému momentu. Problém lze popsat pomocí diagramu volného tělesa segmentů podle {%/#freebody skici]]. Neznámé reakční síly lze získat z rovnic rovnováhy a následně zadat vzorec pro ohybový moment.
Řešením je Euler-Bernoulliho diferenciální rovnice.
Při zohlednění okrajových podmínek lze najít řešení diferenciální rovnice a vypočítat maximální průhyb konstrukce.
Ohybový moment na pevném konci lze vypočítat podle následujícího vzorce:
Natočení segmentu 2 φ2,y se vypočítá z geometrické podmínky následovně:
Výsledná reakční síla v kluzné spáře RBz :
Je zřejmé, že vliv normálové síly Fx je značný. Celkový průhyb konstrukce při předepsaném zatížení je v případě teorie druhého řádu asi o 18 % větší než v případě geometricky lineární analýzy. Porovnání geometricky lineární analýzy a analýzy druhého řádu je znázorněno v {%/#grafu]] při zohlednění poměru zatěžovacích sil Fz = Fx/200. Je zřejmé, že rozdíl mezi těmito analýzami je výraznější, pokud je zatížení větší. Řešení analýzy druhého řádu se blíží vodorovné asymptotě. Z numerického řešení vyplývá hodnota vodorovné asymptoty Fx,cr = 650,873 kN.
Nastavení programů RFEM a RSTAB
- Modelováno v programech RFEM 5.05 a RSTAB 8.05 a RFEM 6.01, RSTAB 9.01
- Počet prvků je 2 (jeden prvek na prut)
- Počet přírůstků je 5
- Je použit izotropní lineárně elastický materiálový model
- Konstrukce je modelována pomocí prutů
- Smyková tuhost prutů se zanedbává
Výsledky
| Geometricky lineární analýza | Analytické řešení | RFEM 6 | Poměrná hodnota | RSTAB 9 | Poměrná hodnota |
| uz,max [mm] | 0,743 | 0,743 | 1,000 | 0,743 | 1,000 |
| My (0) [kNm] | 3,000 | 3,000 | 1,000 | 3,000 | 1,000 |
| φ2,y [mrad] | 0,619 | 0,619 | 1,000 | 0,619 | 1,000 |
| RBz [kN] | 0,000 | 0,000 | - | 0,000 | - |
| Geometricky lineární analýza | Analytické řešení | RFEM 5 | Poměrná hodnota | RSTAB 8 | Poměrná hodnota |
| uz,max [mm] | 0,743 | 0,743 | 1,000 | 0,743 | 1,000 |
| My (0) [kNm] | 3,000 | 3,000 | 1,000 | 3,000 | 1,000 |
| φ2,y [mrad] | 0,619 | 0,619 | 1,000 | 0,619 | 1,000 |
| RBz [kN] | 0,000 | 0,000 | - | 0,000 | - |
| Analýza druhého řádu | Analytické řešení | RFEM 6 | Poměrná hodnota | RSTAB 9 | Poměrná hodnota |
| uz,max [mm] | 0,878 | 0,878 | 1,000 | 0,878 | 1,000 |
| My (0) [kNm] | 3,527 | 3,527 | 1,000 | 3,527 | 1,000 |
| φ2,y [mrad] | 0,732 | 0,732 | 1,000 | 0,732 | 1,000 |
| RBz [kN] | -0,073 | -0,073 | 1,000 | -0,073 | 1,000 |
| Analýza druhého řádu | Analytické řešení | RFEM 5 | Poměrná hodnota | RSTAB 8 | Poměrná hodnota |
| uz,max [mm] | 0,878 | 0,878 | 1,000 | 0,878 | 1,000 |
| My (0) [kNm] | 3,527 | 3,527 | 1,000 | 3,527 | 1,000 |
| φ2,y [mrad] | 0,732 | 0,732 | 1,000 | 0,732 | 1,000 |
| RBz [kN] | -0,073 | -0,073 | 1,000 | -0,073 | 1,000 |