Opis prac
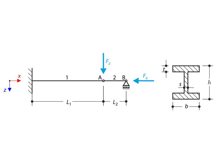
Konstrukcja z profilu I jest w pełni utwierdzona na lewym końcu i osadzona w podporze przesuwnej na prawym końcu. Konstrukcja składa się z dwóch segmentów zgodnie z poniższym . Ciężar własny jest pomijany w tym przykładzie. Określ maksymalne ugięcie konstrukcji uz,max, moment zginający My na nieruchomym końcu, obrót φ2,y segmentu 2 oraz siłę reakcji RBz za pomocą analizy geometrycznie liniowej oraz analizy drugiego rzędu analizę. Przykład obliczeniowy oparty jest na przykładzie opracowanym przez Gensichen i Lumpe (patrz odniesienie).
| Materiał | Stal | Moduł sprężystości | E | 210000,000 | MPa |
| współczynnik Poissona | ν | 0,300 | - | ||
| Geometria | Konstrukcja | Długość segmentu 1 | L1 | 6,000 | m |
| Długość segmentu 2 | L2 | 1,200 | m | ||
| Przekrój | Wysokość | h | 400,000 | mm | |
| Szerokość | b | 180,000 | mm | ||
| Grubość środnika | s | 10,000 | mm | ||
| Grubość półki | t | 14,000 | mm | ||
| Obciążenie | Siła osiowa | Fx | 100,000 | kN | |
| Siła poprzeczna | Fz | 0,500 | kN |
Rozwiązanie analityczne
Analiza pierwszego rzędu
Najpierw przeprowadzana jest geometrycznie analiza liniowa. Siła osiowa Fx nie jest w tym przypadku uwzględniana. W ten sposób problem może zostać rozwiązany, podobnie jak wspornik o długości L1 obciążony tylko siłą poprzeczną Fz. Maksymalne ugięcie uz,max można obliczyć przy użyciu całki Mohra', a wynik oblicza się następująco:
|
F<sub>y</sub> |
Quadratic moment of the cross-section with respect to the y-axis |
Moment zginający na utwierdzonym końcu można obliczyć według poniższego wzoru:
Obrót segmentu 2 φ2,y obliczany jest na podstawie warunku geometrycznego w następujący sposób:
Siłę reakcji w połączeniu przesuwnym RBz z uwzględnieniem zerowego wpływu siły osiowej Fx można określić na podstawie wykresu wolnego ciała pokazanego na wolnego ciała.
Analiza drugiego rzędu
Ze względu na to, że siła osiowa Fx nie może być pominięta, należy uwzględnić analizę drugiego rzędu. W ten sposób siła osiowa Fx jest uwzględniana i wnosi dodatkowy wkład do momentu zginającego. Problem można opisać za pomocą wykresu brył swobodnych segmentów według ciała swobodnego. Nieznane siły reakcji można uzyskać z równań równowagi, a następnie zapisać wzór na moment zginający.
Rozwiązanie można znaleźć za pomocą równania różniczkowego Eulera-Bernoulliego.
Uwzględniając warunki brzegowe, można znaleźć rozwiązanie równania różniczkowego i obliczyć maksymalne ugięcie konstrukcji.
Moment zginający na utwierdzonym końcu można obliczyć według poniższego wzoru:
Obrót segmentu 2 φ2,y obliczany jest na podstawie warunku geometrycznego w następujący sposób:
Siła reakcji w połączeniu przesuwnym RBz wynosi :
Oczywiste jest, że wpływ siły osiowej Fx jest znaczny. Całkowite ugięcie konstrukcji pod zalecanym obciążeniem w przypadku analizy drugiego rzędu jest o około 18% większe niż w przypadku analizy geometrycznie liniowej. Porównanie geometrii liniowej i analizy drugiego rzędu pokazano na wykresie , uwzględniając stosunek sił obciążających Fz = Fx/200. Oczywiste jest, że różnica między tymi analizami jest większa, im obciążenie jest większe. Rozwiązanie analizy drugiego rzędu zbliża się do asymptoty poziomej. Rozwiązanie numeryczne daje wartość asymptoty poziomej Fx, cr = 650,873 kN.
Ustawienia RFEM i RSTAB
- Modelowany w RFEM 5.05 i RSTAB 8.05 oraz RFEM 6.01, RSTAB 9.01
- Liczba elementów wynosi 2 (jeden element na pręt)
- Liczba przyrostów wynosi 5
- Zastosowano izotropowy liniowo sprężysty model materiałowy
- Modelowanie konstrukcji odbywa się za pomocą prętów
- Sztywność prętów na ścinanie jest pominięta
Wyniki
| Analiza geometrycznie liniowa | Rozwiązanie analityczne | RFEM 6 | Stosunek | RSTAB 9 | Stosunek |
| uz,max [mm] | 0,743 | 0,743 | 1,000 | 0,743 | 1,000 |
| My (0) [kNm] | 3,000 | 3,000 | 1,000 | 3,000 | 1,000 |
| φ2,y [mrad] | 0,619 | 0,619 | 1,000 | 0,619 | 1,000 |
| [SCHOOL.SCHOOLORINSTITUTION]Bz [kN] | 0,000 | 0,000 | - | 0,000 | - |
| Analiza geometrycznie liniowa | Rozwiązanie analityczne | RFEM 5 | Stosunek | RSTAB 8 | Stosunek |
| uz,max [mm] | 0,743 | 0,743 | 1,000 | 0,743 | 1,000 |
| My (0) [kNm] | 3,000 | 3,000 | 1,000 | 3,000 | 1,000 |
| φ2,y [mrad] | 0,619 | 0,619 | 1,000 | 0,619 | 1,000 |
| [SCHOOL.SCHOOLORINSTITUTION]Bz [kN] | 0,000 | 0,000 | - | 0,000 | - |
| Analiza drugiego rzędu | Rozwiązanie analityczne | RFEM 6 | Stosunek | RSTAB 9 | Stosunek |
| uz,max [mm] | 0,878 | 0,878 | 1,000 | 0,878 | 1,000 |
| My (0) [kNm] | 3,527 | 3,527 | 1,000 | 3,527 | 1,000 |
| φ2,y [mrad] | 0,732 | 0,732 | 1,000 | 0,732 | 1,000 |
| [SCHOOL.SCHOOLORINSTITUTION]Bz [kN] | -0,073 | -0,073 | 1,000 | -0,073 | 1,000 |
| Analiza drugiego rzędu | Rozwiązanie analityczne | RFEM 5 | Stosunek | RSTAB 8 | Stosunek |
| uz,max [mm] | 0,878 | 0,878 | 1,000 | 0,878 | 1,000 |
| My (0) [kNm] | 3,527 | 3,527 | 1,000 | 3,527 | 1,000 |
| φ2,y [mrad] | 0,732 | 0,732 | 1,000 | 0,732 | 1,000 |
| [SCHOOL.SCHOOLORINSTITUTION]Bz [kN] | -0,073 | -0,073 | 1,000 | -0,073 | 1,000 |