Descripción del trabajo
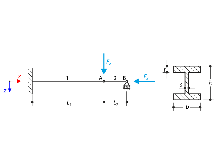
Una estructura hecha de perfil en I está completamente fijada en el extremo izquierdo e incrustada en el apoyo deslizante en el extremo derecho. La estructura consta de dos segmentos según el siguiente sketch. El peso propio se omite en este ejemplo. Determine la flecha máxima de la estructura uz,max, el momento flector My en el extremo fijo, el giro φ2,y del segmento 2 y la fuerza de reacción RBz por medio del análisis geométricamente lineal y el análisis de segundo orden análisis. El ejemplo de verificación se basa en el ejemplo presentado por Gensichen y Lumpe (ver la referencia).
| Material | Acero | Módulo de elasticidad | E | 210000,000 | MPa |
| coeficiente de Poisson | ν | 0,300 | |||
| Geometría | Estructura | Longitud del segmento 1 | L1 | 6,000 | m |
| Longitud del segmento 2 | L2 | 1,200 | m | ||
| Sección | Altitud | h | 400,000 | mm | |
| Ancho | b | 180,000 | mm | ||
| Espesor de alma | s | 10,000 | mm | ||
| espesor del ala | t | 14,000 | mm | ||
| Carga | Esfuerzo axil | Fx | 100,000 | kN | |
| Fuerza transversal | Fz | 0,500 | kN | ||
Solución analítica
Análisis geométricamente lineal
Primero se realiza el análisis geométricamente lineal. En este caso, no se tiene en cuenta el esfuerzo axilFx. El problema se puede resolver así como un voladizo de longitud L1 cargado solo por la fuerza transversal Fz. La flecha máxima uz,max se puede calcular utilizando la integral de Mohr' y da como resultado la expresión:
|
F<sub>y</sub> |
Quadratic moment of the cross-section with respect to the y-axis |
El momento flector en el extremo fijo se puede calcular según la siguiente fórmula:
El giro del segmento 2 φ2,y se calcula a partir de la condición geométrica de la siguiente manera:
La fuerza de reacción en la junta deslizante RBz considerando el efecto nulo de la fuerza axil Fx se puede obtener del diagrama de cuerpo libre que se muestra en el siguiente sketch.
Análisis de segundo orden
Debido al efecto no despreciable del esfuerzo axil Fx, se debe considerar el análisis de segundo orden. Por lo tanto, se tiene en cuenta el esfuerzo axil Fx y se produce otra contribución al momento flector. El problema se puede describir mediante el diagrama de cuerpo libre de los segmentos según el sketch. Las fuerzas de reacción desconocidas se pueden obtener de las ecuaciones de equilibrio y luego se puede escribir la fórmula del momento flector.
La solución se puede encontrar mediante la ecuación diferencial de Euler-Bernoulli.
Considerando las condiciones de contorno, se puede encontrar la solución en la ecuación diferencial y calcular la flecha máxima de la estructura.
El momento flector en el extremo fijo se puede calcular según la siguiente fórmula:
El giro del segmento 2 φ2,y se calcula a partir de la condición geométrica de la siguiente manera:
La fuerza de reacción en la junta deslizante RBz da como resultado:
Es obvio que la influencia del esfuerzo axil Fx es considerable. La flecha total de la estructura bajo la carga prescrita en el caso del análisis de segundo orden es aproximadamente un 18 % mayor que en el caso del análisis geométricamente lineal. La comparación del análisis geométricamente lineal y el análisis de segundo orden se muestra en el #graph, considerando la relación de las fuerzas de carga Fz = Fx/200. Es obvio que la diferencia entre estos análisis es más considerable cuando la carga es mayor. La solución del análisis de segundo orden se aproxima a la asíntota horizontal. La solución numérica da el valor de la asíntota horizontal Fx,cr = 650,873 kN.
Configuración de RFEM y RSTAB
- Modelado en RFEM 5.05 y RSTAB 8.05 y RFEM 6.01, RSTAB 9.01
- El número de elementos es 2 (un elemento por barra)
- El número de incrementos es 5
- Se utiliza el modelo de material elástico lineal isótropo
- La estructura se modela utilizando barras
- Se omite la rigidez a cortante de las barras
Resultados
| Análisis geométricamente lineal | Solución analítica | RFEM 6 | Razón | RSTAB 9 | Razón |
| uz,máx. [mm] | 0,743 | 0,743 | 1,000 | 0,743 | 1,000 |
| My (0) [kNm ] | 3,000 | 3,000 | 1,000 | 3,000 | 1,000 |
| φ2,y [mrad] | 0,619 | 0,619 | 1,000 | 0,619 | 1,000 |
| RBz [kN] | 0,000 | 0,000 | |||
| 0,000 |
| Análisis geométricamente lineal | Solución analítica | RFEM 5 | Razón | RSTAB 8 | Razón |
| uz,máx. [mm] | 0,743 | 0,743 | 1,000 | 0,743 | 1,000 |
| My (0) [kNm ] | 3,000 | 3,000 | 1,000 | 3,000 | 1,000 |
| φ2,y [mrad] | 0,619 | 0,619 | 1,000 | 0,619 | 1,000 |
| RBz [kN] | 0,000 | 0,000 | |||
| 0,000 |
| Análisis de segundo orden | Solución analítica | RFEM 6 | Razón | RSTAB 9 | Razón |
| uz,máx. [mm] | 0,878 | 0,878 | 1,000 | 0,878 | 1,000 |
| My (0) [kNm ] | 3,527 | 3,527 | 1,000 | 3,527 | 1,000 |
| φ2,y [mrad] | 0,732 | 0,732 | 1,000 | 0,732 | 1,000 |
| RBz [kN] | -0,073 | -0,073 | 1,000 | -0,073 | 1,000 |
| Análisis de segundo orden | Solución analítica | RFEM 5 | Razón | RSTAB 8 | Razón |
| uz,máx. [mm] | 0,878 | 0,878 | 1,000 | 0,878 | 1,000 |
| My (0) [kNm ] | 3,527 | 3,527 | 1,000 | 3,527 | 1,000 |
| φ2,y [mrad] | 0,732 | 0,732 | 1,000 | 0,732 | 1,000 |
| RBz [kN] | -0,073 | -0,073 | 1,000 | -0,073 | 1,000 |